Hallo zusammen, ich bräuchte ein paar Lösungsansätze wie ich einen Y Nockenschalter mit einer Relaisschaltung oder noch besser digital per MosFets bzw. triacs, opto triacs umschalten kann. Das ganze soll auf eine kleine Platine 65x65mm und in einen Motor-kontaktierungs-Adapter. Die "Schalterstellung" soll mit zwei LEDs signalisiert werden und zur Versorgung stehen 24V bereit. Da es sich um einen kleinen Motor handelt ist der Strom sehr gering. Vielen Dank im voraus: Roland
Roland84 schrieb: > Hallo zusammen, > > ich bräuchte ein paar Lösungsansätze wie ich einen Y Nockenschalter mit > einer Relaisschaltung oder noch besser digital per MosFets bzw. triacs, > opto triacs umschalten kann. Die Halbleiter können keinen Nockenschalter bewegen. Anstatt einen Nockenschalter motorisch zu drehen besser gleich ein Schütz verwenden. Die gibts mit 24V Steuerspannung, LED ist auch kein Problem bzw. teilweise integriert.
nicht umschalten sondern ersetzen, der Nockenschalter ist zu groß und soll durch etwas vergleichbares in digitaler form ersetz werden sorry, falsches wort verwendet.
Roland84 schrieb: > nicht umschalten sondern ersetzen, der Nockenschalter ist zu groß und > soll durch etwas vergleichbares in digitaler form ersetz werden sorry, > falsches wort verwendet. da ist doch ein Schütz ideal - ist sogar Digital 0 und 1.
nun ja die platine hat 65x65mm das ist mit einem schutz nicht zu realisieren. und das ist auch nciht digital, da in einem schütz mechanik arbeitet
Roland84 schrieb: > nun ja die platine hat 65x65mm das ist mit einem schutz nicht zu > realisieren. und das ist auch nciht digital, da in einem schütz mechanik > arbeitet bei 500mA reicht ein kleinen Relais. Digital: > Die Digitaltechnik beschäftigt sich mit Signalen, den Digitalsignalen, > die eine bestimmte Anzahl von diskreten Zuständen annehmen können. Die > Anzahl an Zuständen kann im Prinzip eine beliebige, endliche Menge > umfassen. Die in der Praxis bedeutsamste Form stellt die binäre > Digitaltechnik dar, die nur zwei diskrete Signalzustände umfasst. Diese > werden üblicherweise als logisch Null (0) und als logisch Eins (1) > bezeichnet. das steht nichts davon das Mechanik nicht digital sein kann. Dagegen sind MosFets mehr Analog als Digital.
Roland84 schrieb: > und das ist auch nciht digital, da in einem schütz mechanik > arbeitet Mechanik kann durchaus auch digital arbeiten. Und gerade Schütze sind total digital.
ok, dann definiere ich es so, aufgrund von mechanischem verschleiß und abbrand möchte ich keine relais oder schütze benutzen.
Roland84 schrieb: > aufgrund von mechanischem verschleiß und abbrand möchte ich keine relais > oder schütze benutzen. Also, zu meiner Zeit (TM) funktionierten (korrekt dimensionierte) Schützsteuerungen in Industrieanlagen über viele Jahrzehnte zuverlässig und problemlos; auch im Dreischicht- bzw. Dauerbetrieb. Von welcher Belastung gehst du aus, da das offensichtlich nicht mehr ausreicht?
Was soll die Umschaltmimik umschalten, hast du mal das Typenschild des Motors?
Udo schrieb: > Was soll die Umschaltmimik umschalten, hast du mal das Typenschild des > Motors? schon mal das Bild angeschaut?
Roland84 schrieb: > ok, dann definiere ich es so, > > aufgrund von mechanischem verschleiß und abbrand möchte ich keine relais > oder schütze benutzen. (und deine Shift Tasten werden auch vor Abbrand und Verschleiß bewahrt) ;-) Naja... Der Abbrand läßt sich mit Snubbern reduzieren. Und, mit wieviel Millionen Schaltspielen ist denn so pro Jahr zu rechnen?
Hallo, zuerst einmal, wofür ist der Schalter gut? Was willst du damit bezwecken?
Hallo, was genau soll denn mit dieser ominösen Elektronik geschaltet bzw. umgeschaltet werden? Und warum sollen korrekt ausgelegte Schütze nicht verwendbar sein? Der Motor wird ja in der Nennbetriebsart S1 (Dauerbetrieb) verwendet. Da haben sich wie einer der Vorredner schon sagt Schütze schon seit Jahrzehnten bewährt. Außerdem hast Du in Deinem Bild selbst die Vorgabe gemacht, dass der "Umschalter" während des Betriebs nicht umgeschaltet werden soll.
Peter II schrieb: > schon mal das Bild angeschaut? Ich fragte nach dem Typenschild des Motors. Wenn du nicht weißt wie so eins aussieht, ruhig verhalten!
Roland84 schrieb: > ich bräuchte ein paar Lösungsansätze Roland84 schrieb: > ich bräuchte ein paar Lösungsansätze wie ich einen Y Nockenschalter mit > einer Relaisschaltung oder noch besser digital per MosFets bzw. triacs, > opto triacs umschalten kann. Der Lösungsansatz ist erst mal einfach: Pro Ein oder Aus Schaltkontakt in dem zu ersetzenden Nockenschalter brauchst du ein Optotriac mit Snubber. Pro Umschalter brauchst du ein Paar Optotriacs je incl. Snubber. Zusätzlich musst du gewährleisten, dass erst er eine ausschaltet bevor der andere Einschaltet. Oder suchst du doch keinen Ansatz sondern eine fertige Lösung ;-)?
Eine völlig weltfremde Idee. Als wenn die Antriebsaufgabe nicht über Parameter am Umrichter einstellbar wäre. Dafür gibts den doch! Dann überlegt man sich eben vorher, wie man welchen Motor verschaltet und baut nicht hinter dem FU so einen sinnlosen Scheiss zusammen. Und wenn doch, dann gibts dafür nichts besseres als einen Nockenschalter. Kopfschüttel....
Nachtrag: Und viel Spaß mit den Snubbern. Anscheinend ist der Verlauf der Ausgangsspannungen des FU ( nicht des zeitliches Integrals Fluß bzw Strombelag) nicht so ganz klar...
Peter II schrieb: > Dagegen sind MosFets mehr Analog als Digital. Deswegen läuft auch der Großteil der Computer mit den Dingern ;-)
Wolfgang schrieb: > Deswegen läuft auch der Großteil der Computer mit den Dingern ;-) Stimmt! Röhren sind aus der Mode....
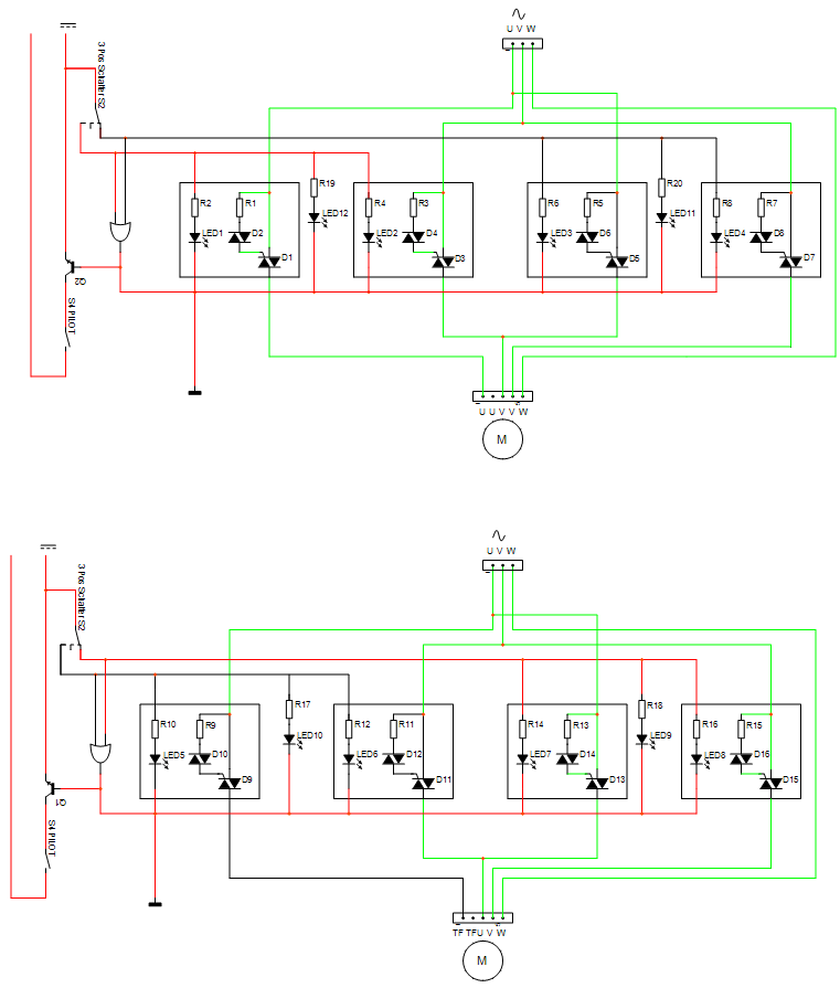
das anzuschliesende motor modell hat zwei unterschiedliche anschlussbilder U V W direkt nebeneinander und U U V V W W aufgelegt auf wago klemmen im klemmkasten. der adapter ist ein nadeladapter voll bestückt, es werden also beim aufstecken des adapters alle nadeln in die wago klemmen gesteckt. im adapter habe ich 65x65mm platz für eine platine oder eben den nicht gewollten nockenschalter. der adapter mit den nadeln wird mehrmals pro tag gesteckt um motoren mit unterschiedlichen anschlussbildern ( die zwei oben genannten ) zu testen das wäre meine lösung .. allerdings wird die leistung der opto triacs nicht ausreichen. [img=http://abload.de/thumb/triacr2pev.png][/url]
Ohne Snubber leben deine SSRs nicht lange. Kannst du mit den ~2V Spannungsabfall über jedem SSR leben ?
Für was wird eine Umschaltung gebraucht? Laut Typenschild in Y-Schaltung 230V. Daraus ergibt sich in D(Dreieckschaltung 127V. 6 Drähte aus dem Motor bedeuten 3 x Spulenanfang und 3 x Spulenende 3 x Spulenende gebrückt und an jeweiligen Spulenanfang U,V,W angeschlossen ,dann hat man die Stern bzw. Y-Schaltung. Da nur eine Nenndrehzahl auf Typenschild 1300min-1 angegeben ist gehe ich von keiner Dahlander-Schaltung aus , sonst würden zwei Nenndrehzahlen auf dem Typenschild stehen.ZB. 1300/2550min-1 Umschalter: Als Umschalter eignen sich 3-Phasen SSR mit einem Steuereingang vom Chinamann. Siehe E..y.Die haben auch Snubber.
Ps: Ein Bild vom Motorklemmbrett sagt mehr als tausend Worte aus. Gewöhnlich sind Spulenanfänge und Spulenenden je 3 Stück in einem Iso-Schlauch aus dem Motor geführt.
Bitte melde dich an um einen Beitrag zu schreiben. Anmeldung ist kostenlos und dauert nur eine Minute.
Bestehender Account
Schon ein Account bei Google/GoogleMail? Keine Anmeldung erforderlich!
Mit Google-Account einloggen
Mit Google-Account einloggen
Noch kein Account? Hier anmelden.


