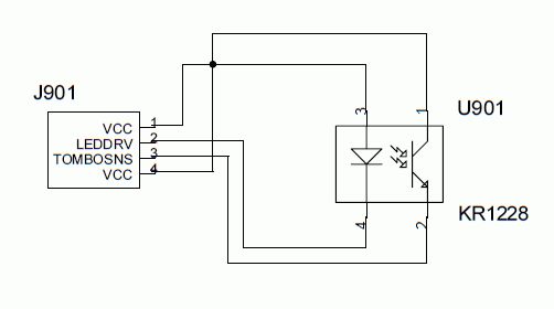
Hallo zusammen, ich versuche gerade in meinen Folienplotter einen Sensor für Positionsmarker einzubauen. Dabei habe ich vom Hersteller den Schaltplan des Sensors bekommen und musste feststellen das ich PIN 1 & 4 verbinden soll... mach dies Sinn, da ja beides VCC ist, oder liegt hier eventuell ein Fehler vor? Siehe Schaltplan im Anhang! Danke für die Hilfe :)
Hallo, kann schon sein das es so muss, oder kann schon sein, dass es ein Fehler ist?
screamer schrieb: > kann schon sein das es so muss, oder kann schon sein, dass es ein Fehler > ist? Das ist halt das Problem bei solchen Fragestellungen. Wenn meine Frau fragt: "Hast du noch Hunger oder darf ich den Tisch abräumen?", bekommt sie auf meine Antwort "Ja" immer große Augen.
Route 6. schrieb: > Das ist halt das Problem bei solchen Fragestellungen. > Wenn meine Frau fragt: "Hast du noch Hunger oder darf ich den Tisch > abräumen?", bekommt sie auf meine Antwort "Ja" immer große Augen. ...so denke wir Ingenieure nun mal. Aber wenn die Frau dann einfach den Tisch abräumt, obwohl wir noch Hunger haben, machen wir große Augen... ;)
screamer schrieb: > mach dies Sinn, da ja beides VCC ist, oder liegt hier eventuell > ein Fehler vor? Das kann ein Fehler sein, es kann aber genauso OK sein. Warum fragst Du hier und nicht beim Hersteller ?
eric schrieb: > screamer schrieb: >> mach dies Sinn, da ja beides VCC ist, oder liegt hier eventuell >> ein Fehler vor? > > Das kann ein Fehler sein, es kann aber genauso OK sein. > Warum fragst Du hier und nicht beim Hersteller ? Weil er die Kompetenz in Sachen Elektronik hier vermutet. Was du jedoch mit deinem Beitrag widerlegst.
Hallo, ich vermute mal, es ist völlig egal. Sehr wahrscheinlich war ein poliger Koppler 1:1 am Stecker und Vcc ist auf dem Board sowieso gebrückt. Irgendwann kam dann ein 3-poliger Koppler-Adapter, wo man einen Draht gespart hat und am Koppler verbunden. Dann zeichnet jemand sowas für Dich raus und dann gibt es den nutzlosen Punkt der Verbindung... Gruß aus Berlin Michael
Kabeljau schrieb: > Weil er die Kompetenz in Sachen Elektronik hier vermutet. Was du jedoch > mit deinem Beitrag widerlegst. Kompetenz für das genannte 'Problem'? Wenn der Hahn kräht auf dem Mist, ändert sich das Wetter oder es bleibt wie es ist.
Michael U. schrieb: > ich vermute mal ... Sehr wahrscheinlich war ... Und was sollen solche Vermutungen nützen? Genausogut könnte man eine Steckererkennung oder zig andere Gründe vermuten... Was spricht dagegen, den Anschluß durchzupiepsen, oder es einfach so zu machen wie es gezeichnet ist?
Hallo, @ Witkatz :-) ganz einfach: weil ich statt eines Forums mein Multimeter genommen hätte und mal schnell geschaut hätte ob zwischen den beiden Vcc 0 Ohm sind. Oder auf die Leiterplatte geschau, wenn möglich. Da ich weiß, wie eine solche Kombination aus LED und Fototransistor funktioniert, hätte ich vermutlich die meiste Zeit damit verbracht, mich zu entscheiden, ob ich 3 oder 4 Drähte nehme. Und weil ich ihm genau das auch geschrieben hätte und letztlich auch habe. Vielleicht aber auch nur, weil ich heute etwas Zeit habe... Gruß aus Berlin Michael
Michael U. schrieb: > weil ich statt eines Forums mein Multimeter genommen hätte Das wäre pragmatisch, doch der TO bleibt lieber polemisch. Sehr schön :-) Gruß nach Berlin
Es kann sein, daß es funktioniert. Oder es funktioniert nicht. Oder es raucht.
Der dargestellte Schaltplan stellt eine Sensor mit einer optischen Übertragung dar, bei dem eine galvanische Trennung zwischen dem Geber und dem Empfänger bestehen kann. Ist diese Trennung nicht nötig, so kann VCC bedenkenlos verbunden werden. Das erspart dan eine Leitung bei der Verdrahtung und dem Anschluss. fg, Peter
Bitte melde dich an um einen Beitrag zu schreiben. Anmeldung ist kostenlos und dauert nur eine Minute.
Bestehender Account
Schon ein Account bei Google/GoogleMail? Keine Anmeldung erforderlich!
Mit Google-Account einloggen
Mit Google-Account einloggen
Noch kein Account? Hier anmelden.
