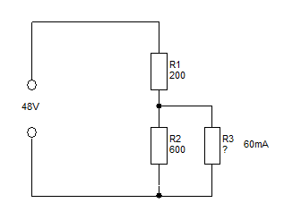
Schönen guten Abend! Ich habe heute Mittag eine Mathe-Klausur für mein Studium als Elektrotechniker geschrieben. Aufgabe 1 bis 3 in 20 Minuten erledigt, an der Aufgabe 4 habe ich mir die restlichen 40 Minuten die Zähne ausgebissen. Ich komme hier einfach auf keinen grünen Zweig, frickel schon den halben Nachmittag an dieser herum und möchte nun um Lösungswege bitten, da ich langsam an mir selber verzweifle. Es soll der Widerstand R3 mit den gegebenen Werten ausgerechnet werden. Ich danke vielmals um Lösungshinweise! :)
Benjamin K. schrieb: > Die Widerstände liegen alle an gnd. So richtig GND ist das nicht. Ersetze dieses 'GND' mal durch eine normale Leitung und verschiebe R1 nach rechts, damit die Reihenschaltung zu sehen ist. Vielleicht wird's dann klarer.
Ralf G. schrieb: > verschiebe R1 nach rechts, damit die Reihenschaltung > zu sehen ist Siehe Bild. Benjamin K. schrieb: > möchte nun um Lösungswege bitten Stichwort: belasteter Spannungsteiler Zur Kontrolle von deinem Ergebnis: R3=450Ω
Ansatz:
1 | 1. umgezeichnet: |
2 | |
3 | +-------------+ |
4 | | | |
5 | | R1 |
6 | U(48V) +---+ |
7 | | R2 R3 |
8 | | | | |
9 | +-------------+---+ |
10 | |
11 | 2. Ersatzspannungsquelle |
12 | |
13 | +------R1||R2-----+ |
14 | | | | |
15 | U*R2/(R1+R2) R3 | 60mA |
16 | | | V |
17 | +-----------------+ |
Die Rechnung sollte dann einfach sein ;-) Gruß Dietrich Edit: John war schneller ;-(
John B. schrieb: > Stichwort: belasteter Spannungsteiler Wie hast Du das so schnell gezeichnet? Selbst mit S-Plan war ich zu langsam, lol ;) Gruß Thomas. Edit: Obwohl, beim konvertieren hatte ich Mist gebaut :(
über ein Gleichungssystem mit 2 Unbekanten => R3, I2 I2 Strom durch R2 mit wxMaxima linsolve([600*I2=R3*60e-3, 600*I2+(I2+60e-3)*200=48], [I2,R3]);
Daniel -. schrieb: > über ein Gleichungssystem mit 2 Unbekanten => R2, I2 > I2 Strom durch R2 Selbst auf die Gefahr hin, mich zum olaf zu machen: Auf eine "normale" Weise (Ohmsches Gesetz, Maschensatz, Knotenpunktsatz) kommt man scheinbar nicht ran -obwohl das so unkompliziert aussieht... MfG Paul
Hi Paul, doch natürlich :) Masche1 600*I2 = R3*60e-3 Masche2 600*I2 + 200*(I2+60e-3)= 48 wxMaxima war nur ein Tipp. Könnte man sicher auch wolfram alpha nehmen.
Daniel -. schrieb: > doch natürlich :) > > Masche1 600*I2 = R3*60e-3 > Masche2 600*I2 + 200*(I2+60e-3)= 48 Ohweh! Jetzt fällt es mir wie Schuppen aus den Haaren... Danke für den Hinweis. MfG Paul
Paul B. schrieb: > obwohl das so unkompliziert aussieht Die Aufgabe ist sogar noch unkomplizierter als sie aussieht. Hat denn keiner den Beitrag von Dietrich L. gelesen? Damit kann man die Aufgabe in weniger als einer Minute im Kopf lösen.
Naja, es ist halt ein etwas anderer Ansatz, über die Ersatzspannungsquelle zu rechnen. Denkt man sich R3 (die Last) weg, kommt man in der Tat schnell (im Kopf) auf R2/(R1+R2)*48V als Ersatzspannung drauf. Um Ersatzwiderstand zu berechnen musste ich schon Papier herausholen :) Kurzschlußstrom ist 48V/R1. Auf den gleichen Strom kommt man bei Ersatzspannung R2/(R1+R2)*48V mit R1||R2. War für mich weniger ersichtlich. Gruß
Ich bin nun über den belasteten Spannungsteiler und die Ersatzstromquelle weitergekommen. Meine partielle Lernbehinderung ist aufgehoben -> ich danke euch allen vielmals! :)
Paul B. schrieb: > Selbst auf die Gefahr hin, mich zum olaf zu machen: > > Auf eine "normale" Weise (Ohmsches Gesetz, Maschensatz, Knotenpunktsatz) > kommt man scheinbar nicht ran -obwohl das so unkompliziert aussieht... > > > MfG Paul Die sogenannte Spannungsteilerregel gründet sich auf den Maschensatz und ist nur eine besonders aufgedröselte Variante, den Maschensatz als Rechenregel in Netzwerken aufzuschreiben. (Spannungsteilerregel: Eine Teilspannung verhält sich zur treibenden Spannung/ Quellenspannung wie der Ersatzwiderstand, über den diese Teilspannung abfällt, zum Gesamtwiderstand des Netzwerkes.)
Dipl.- G. schrieb: > (Spannungsteilerregel: Eine > Teilspannung verhält sich zur treibenden Spannung/ Quellenspannung wie > der Ersatzwiderstand, über den diese Teilspannung abfällt, zum > Gesamtwiderstand des Netzwerkes.) Ja, ist ja richtig. Ich habe es nur nicht auf ANHIEB gesehen, wie ich herangehen kann. Das passiert eben mal. Wem das noch nicht passiert ist, der werfe den ersten Transformator. MfG Paul
Benjamin K. schrieb: > Ich habe heute Mittag eine Mathe-Klausur für mein Studium als > Elektrotechniker geschrieben. Darf man vielleicht noch Fragen, welches Semester und welche Schulform?
Paul B. schrieb: > Dipl.- G. schrieb: >> (Spannungsteilerregel: Eine >> Teilspannung verhält sich zur treibenden Spannung/ Quellenspannung wie >> der Ersatzwiderstand, über den diese Teilspannung abfällt, zum >> Gesamtwiderstand des Netzwerkes.) > > Ja, ist ja richtig. Ich habe es nur nicht auf ANHIEB gesehen, wie ich > herangehen kann. Das passiert eben mal. Wem das noch nicht passiert ist, > der werfe den ersten Transformator. > > MfG Paul Nein, nein Paul, ich verstehe, was Du meintest. Ich stimme zu. Ich wollte nur sagen, daß die Spannungsteilerregel direkt vom Maschensatz kommt, so wie die Stromteilerregel vom Knotenpunktsatz stammt. Im Falle obiger Schaltung muß man allerdings das Zweipolverfahren anwenden, um zügig und "einfach" auf eine Lösung zu kommen. Das ist sozusagen der Trick. Es gibt nur eine Variante des belasteten Spannungsteilers, die komplizierter zu lösen ist und wo man unbedingt durch eine Gleichung gehen muß. Ich kann mich aber noch an unsere dreisemestrige GET-Vorlesung erinnern und der belastete Spannungsteiler wurde im 1. Semester in allen Lebenslagen durchgesprochen, inklusive die obige Variante. Und weil wir in der Klausur zur Hälfte unsere Kampfrechenkünste beweisen mußten, kam das Trauma sofort wieder hoch. ;-) Pawlowsche Konditionierung von Studenten. Man sieht das Stück Zucker, das Gesicht verzieht sich und zuckt, und man hat zu schreien "ZWEIPOLVERFAHREN!". Auf diese Weise bestand man die Klausur. ;-) Würde man mich spontan fragen "Warum machst Du das? Warum geht das?" müßte ich allerdings erstmal "ähhhhhh" sagen und meinen ganzen Geist zusammennehmen, um das TET-Areal des Gehirns zu aktivieren (Stichwort Ersatzquellenmethoden der TET), dann eine Antwort in ganzen Sätzen zu bilden und nicht in das berühmt-berücktigte "Man sieht ja leicht, daß..." zu verfallen. ;-) Da fällt mir ein: Hänsel und Knödel, die gingen durch den Wald. Nach längerem Getrödel rief Hänsel plötzlich: "Halt!" Ihr alle kennt die Fabel, des Schicksals dunklen Lauf: Der Hänsel nahm die Gabel und aß den Knödel auf.
Dipl.- G. schrieb: > Hänsel und Knödel, > die gingen durch den Wald. > Nach längerem Getrödel > rief Hänsel plötzlich: "Halt!" > Ihr alle kennt die Fabel, > des Schicksals dunklen Lauf: > Der Hänsel nahm die Gabel > und aß den Knödel auf. Genial! Mehr kann ich da nicht sagen.... MfG Paul
Hänsel und Gretel gingen durch den Wald.... Zuerst war es nur Spass, dann wurde es ernst... Ernst ist heute 11 Jahre alt!
Bitte melde dich an um einen Beitrag zu schreiben. Anmeldung ist kostenlos und dauert nur eine Minute.
Bestehender Account
Schon ein Account bei Google/GoogleMail? Keine Anmeldung erforderlich!
Mit Google-Account einloggen
Mit Google-Account einloggen
Noch kein Account? Hier anmelden.


