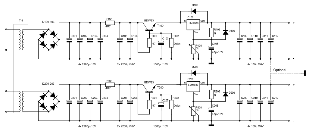
Hallo, ich möchte gerne ein Universal PSU bauen (siehe Anhang). Kann ich zwei unsymmetrische Spannungen vorsehen und, wenn eine symmetrische Spannung benötigt wird, einfach in Reihe Schalten (gestrichelte Linie Optional) ? Also Masse nach Plus der anderen als "neue" Masse ? Danke und Gruß
Nanu... so viele Elkos und dann keine HF-Abblockkondensatoren? Bei den 47µF Elkos an den Reglern bin ich mir auch nicht sicher, ob sie dadurch nicht zu träge werden.
Also da hätte ICH so meine Zweifel. der untere Regler regelt die positive Seite des unteren Ausganges dieser soll dann gegen GND gelegt werden also würde der untere Regler schliesslich GND regeln ich würde sagen, so hier http://www.elektronik-kompendium.de/public/schaerer/bilder/u3p_06.gif wird eher ein Schuh draus du brauchst dann einen Regler für den negativen Pol und nicht einen für das gemeinsame GND Lasse mich gerne eines Besseren belehren. my two cents
magic s. schrieb: > Nanu... so viele Elkos und dann keine HF-Abblockkondensatoren? > > Bei den 47µF Elkos an den Reglern bin ich mir auch nicht sicher, ob sie > dadurch nicht zu träge werden. ich würde auch noch jeweils einen 100n vor und hinter den Regler setzen
Mike B. schrieb: > Also da hätte ICH so meine Zweifel. > > > Lasse mich gerne eines Besseren belehren. > my two cents Kann uns jemand eines besseren belehren ?
>Ja, das kannst du machen. Kein Problem
Das erste Problem wirst Du haben, sobald Du einen Kurzschluss am Ausgang 
hast.
Dann verhält sich das System so, als ob Du 2 Netzteile mit jeweils 
anderer Polarität zusammenschaltest.
  Manfred schrieb: > Ja, das kannst du machen. Kein Problem Seh ich auch so. Ist nicht schön, geht aber. Der ganze Entwurf ist Schein... Wofür ist der Teil mit dem BDW93? Der Spannungsregler macht maxi 1,5A dafür braucht man nach dem Gleichrichter nur einen 2,2mF Kondensator. Was sollen die Elkos am Ausgang? Gleichspannung glätten? Wofür ist D106/206? Fragen über Fragen.
Die Siebelkos nach dem Gleichrichter sind wahrscheinlich viel zu gross. 2200µF reichen voll und ganz aus. Man kann über den Dauem ca. 1000µ pro Ampere rechnen. Die Elkos am Ausgang machen das Regelverhalten sehr sehr träge. Ohne Last können Minuten vergehen bis ein eingestellter Spannungswert am Ausgang erscheint. Schau ins Datenblatt, 10µF/100µF werden dort in den Beispielen verwendet. Such den Absatz zu den Ausgangs-Kondensatoren. Zum BDW93: Hier ein klein bisschen runter scrollen bis "Prinzipschaltung". http://www.elektronik-kompendium.de/public/schaerer/lnpowsup.htm
Mike B. schrieb: > Also da hätte ICH so meine Zweifel. > > der untere Regler regelt die positive Seite des unteren Ausganges > dieser soll dann gegen GND gelegt werden > > also würde der untere Regler schliesslich GND regeln Was interessiert es den LM317 was der Mensch sich als GND im Schaltplan markiert? (Der einzige Fehler ist hier die irreführende Kennzeichnung des negativen Ausgangs beider Seiten mit dem gleichen Massesymbol, was als Verbindung interpretiert werden kann. In dem Fall würde eine Reihenschaltung tatsächlich nicht funktionieren.)
Nils S. schrieb: > > 2200µF reichen voll und ganz aus. Man kann über den Dauem ca. 1000µ pro > Ampere rechnen. Stirbt dieser alte Schwachsinn aus der Zeit der Röhrentechnik nie aus?
John D. schrieb: > Stirbt dieser alte Schwachsinn aus der Zeit der Röhrentechnik nie aus? Daumen sind doch nützlich.
Es sollten auch noch Sicherungen vor die Gleichrichter - das schützt den Trafo und der Widerstand der Sicherung reduziert die Spitzenströme, ist also nicht ganz sinnlos. Die 4,7 Ohm Widerstände in Reihe sind übertrieben und zu groß. Wenn schon sollten die Widerstände vor/hinter den Gleichrichter und dann auch kleiner. Auch den Kap. Multiplier braucht man eigentlich nicht: die modernen Spannungsregler sind bei der Unterdrückung von 100 Hz Rippel schon sehr gut - für höhere Frequenzen wären low ESR Elkos und ggf. eine Induktivität sinnvoller und effektiver. Wenn man die beiden Regler in Reihe Schalten will, sollte noch eine Diode in Sperrichtung an die Ausgänge: Damit wird verhindert das die Spannung deultich negative wird, wenn die Spannungen in Reihe sind und einer der Regler in die Begrenzung (thermisch oder Strom) geht.
technikus schrieb: > Kann ich zwei unsymmetrische Spannungen vorsehen und, wenn eine > symmetrische Spannung benötigt wird, einfach in Reihe Schalten Jein. Man sollte dann Verpolschutzdioden einbauen (hier 1N4001).
| 1 | +-----+ | 
| 2 | o--+ +-----+--|>|--+---+--|LM317|----+-- + | 
| 3 | | | | | | +--+--+ | | 
| 4 | S:S +--(--|>|--+ | +--R1---+ | 
| 5 | S:S | | C1 R2 | | 
| 6 | S:S | +--|<|--+ | +--|>|--+ (1N4001) | 
| 7 | S:| | | | | C3 | 
| 8 | S:+--+-----|<|--+---+-----+-------+ | 
| 9 | S: +-----+ +-- GND | 
| 10 | S:+-----+--|>|--+---+--|LM317|----+ | 
| 11 | S:| | | | +--+--+ | | 
| 12 | S:S +--(--|>|--+ | +--R3---+ | 
| 13 | S:S | | C2 R4 | | 
| 14 | S:S | +--|<|--+ | +--|>|--+ (1N4001) | 
| 15 | | | | | | | C4 | 
| 16 | o--+ +--+-----|<|--+---+-----+-------+--- - | 
Die ganze Kondensatororgie kannst du übrigens weglassen, ein Spannungsregler regelt langsame Abweichungen aus, dafür ist ein ein Regler. Was er allerdings nicht ausregeln kann, sind hochfrequente Schwingungen, daher stehen in den Datenblätter kleine Kondensatoren direkt an Ein- und Ausgang des Reglern die Hochfrequenz schneller als der Regler abpuffern. Alles was langsamer ist, also grössere Kapazitätswerte, ist überflüssig weil der Regler das wegregelt. Allerdings regelt der LT1086 langsamer als ein LM317 und braucht daher auch laut Datenblatt grössere Kondensatoren. Die Rückstromdioden sind in deiner Schaltung nicht nötig, will am Eingang kein Kurzschluss sein kann. Eine Ableitdiode von ADJ ist gar nicht nötig (liest eigentlich keiner Datenblätter?) http://www.dse-faq.elektronik-kompendium.de/dse-faq.htm#F.9
[OT] Das ganze sieht nach 'viel hilft viel' brummfreie Spannungsversorgung aus der HighEndHiFi-Ecke aus. Fehlt nur der Hinweis, daß die Kondensatoren abwechselnd mit Mozart und Metallica eingebrannt werden müssen ;-)
Won K. schrieb: > [OT] > Das ganze sieht nach 'viel hilft viel' brummfreie Spannungsversorgung > aus der HighEndHiFi-Ecke aus. > Fehlt nur der Hinweis, daß die Kondensatoren abwechselnd mit Mozart und > Metallica eingebrannt werden müssen ;-) Stimmt ;) Richtig erkannt!
MaWin schrieb: > technikus schrieb: >> Kann ich zwei unsymmetrische Spannungen vorsehen und, wenn eine >> symmetrische Spannung benötigt wird, einfach in Reihe Schalten > > Jein. > > Man sollte dann Verpolschutzdioden einbauen (hier 1N4001). > +-----+ > o--+ +-----+--|>|--+---+--|LM317|----+-- + > | | | | | +--+--+ | > S:S +--(--|>|--+ | +--R1---+ > S:S | | C1 R2 | > S:S | +--|<|--+ | +--|>|--+ (1N4001) > S:| | | | | C3 > S:+--+-----|<|--+---+-----+-------+ > S: +-----+ +-- GND > S:+-----+--|>|--+---+--|LM317|----+ > S:| | | | +--+--+ | > S:S +--(--|>|--+ | +--R3---+ > S:S | | C2 R4 | > S:S | +--|<|--+ | +--|>|--+ (1N4001) > | | | | | | C4 > o--+ +--+-----|<|--+---+-----+-------+--- - Danke dir! Meinst du die Dioden parallel zu C3/4?
technikus schrieb: > Korrektur > > So korrekt ? Nein. Welchen Schutz sollte die Reihenschaltung mit den 1 kOhm bringen?! Guck mal richtig hin, was MaWin gezeigt hat.
Ich habe wohl Tomaten auf den Augen :( Mein Plan entspricht doch jetzt den vom MaWin?!?
Michael L. schrieb: > Welchen Schutz sollte die Reihenschaltung mit den 1 kOhm bringen?! Ganz davon abgesehen, daß der R103 nach Datenblatt im Bereich von 100Ohm liegen sollte. So kann der Spannungsteiler nichtmehr nebenbei als Grundlast dienen und der Ausgang macht im Leerlauf (unter 10mA) was er will.
technikus schrieb: > Ich habe wohl Tomaten auf den Augen :( Ja: http://www.iknews.de/wp-content/uploads/2012/09/wiebitte_HaramisKalfar_fotolia-300x200.jpg ;-)
Der Vollständigkeit halber im Anhang der aktuelle Plan. Danke euch für die Unterstützung!
Wenn es sich um eine Spannungsversorgung für Audioanwendung handelt, würde ich über die Gleichrichterdioden je einen 22-33nF schalten. Gruß Thomas Edit: Was soll T100/T200 bewirken? Softstart?
Ja, für eine Audioanwendung. Ich dachte, die Kondensatoren parallel zu den Dioden (Soft Recovery) sollte man sich sparen?! T100/200 = Elektronische Brummsiebung bzw. Capmultiplier.
technikus schrieb: > Ich dachte, die Kondensatoren parallel zu den Dioden (Soft Recovery) > sollte man sich sparen?! Kommt immer darauf an was da dranhängt. Ein empfindlicher Vorverstärker oder eine kleine Endstufe. technikus schrieb: > T100/200 = Elektronische Brummsiebung bzw. Capmultiplier. Jo, habe ich jetzt auch gemerkt ;) Aber du hast doch schon 6000µF für die Siebung. Und warum der LT1086? Und ich würde den LM317 nehmen, der ist besser. Aber das musst Du für deine Anwendung selber entscheiden oder auch messen. Gruß Thomas
Hi, da LM317 und die 1086er Pinkompatibel sind, werde ich beide testen. OT: Bitte keine Grundsatzdiskussion um ein bisschen Kapazität zu viel ;) Gruß Stefan
technikus schrieb: > Mike B. schrieb: >> Also da hätte ICH so meine Zweifel. >> >> >> Lasse mich gerne eines Besseren belehren. >> my two cents > > Kann uns jemand eines besseren belehren ? Warum es besser sein kann 2x LM317 für das (Audio-)Netzteil zu nehmen als LM317/LM337: http://www.tnt-audio.com/clinica/regulators_noise2_e.html + http://www.tnt-audio.com/clinica/regulators2_impedance1_e.html
MaWin schrieb: > Eine Ableitdiode von ADJ ist gar nicht nötig (liest eigentlich > keiner Datenblätter?) http://www.ti.com/lit/ds/symlink/lm117.pdf: The bypass capacitor on the adjustment terminal can discharge through a low current junction. Discharge occurs when either the input, or the output, is shorted. Internal to the LM317-N is a 50-Ω resistor which limits the peak discharge current. No protection is needed for output voltages of 25 V or less and 10-μF capacitance. Figure 17 shows an LM317-N with protection diodes included for use with outputs greater than 25 V and high values of output capacitance. a. wir kennen die Ausgangsspannung nicht b. C < 10µF Dann sollten die ursprünglich D106 und D206 doch sinnvoll sein?
LM350 schrieb im Beitrag #4361046: > a. wir kennen die Ausgangsspannung nicht > b. C < 10µF 50V oder mehr sind wahrscheinlich deutlich zuviel. Ich gehe davon aus, dass er irgendwas zwischen 2x 9V und 2x 15V einstellt.
Nils S. schrieb: > Die Siebelkos nach dem Gleichrichter sind wahrscheinlich viel zu gross. > > 2200µF reichen voll und ganz aus. Man kann über den Dauem ca. 1000µ pro > Ampere rechnen. Statt Daumen zu lutschen solltest du wirklich mal rechnen. Bei 1000µF pro A hast du ein Spannungsdrop während einer Halbwelle von ca. 7-8V. Ist bei Röhrengeräten mit 100V Speisung ziemlich uninteressant, bei den 14-16V Eingangspannung in der Schaltung hättest du noch stabile 5-6V zur Verfügung Ganz toll, aber Hauptsache mal was geplappert!
Nils S. schrieb: > 2x 9V und 2x 15V einstellt. Highender treiben es (manchmal) Bunt. Da wird die Platine mit den OPs an oder über den Spezifikationen betrieben weil es besser klingt und klongt :) Da sind 2x18 V oder 2x mehr V drin. Und wenn ich mir vor den LM317 15 extra Bauteile hinbastel, weil dann der Rippel kleiner werden sollte, macht es die Diode zum Schutz nicht dick. Wobei ich wiederum nicht verstehe das in der Schaltung parallel zu den großen Elkos und Dioden keine kleinen Cs vorgesehen werden. :) Highend eben. Weniger Rippel, dafür mehr Rauschen und Spratzeln?
Der Andere schrieb: > Nils S. schrieb: >> Die Siebelkos nach dem Gleichrichter sind wahrscheinlich viel zu gross. >> >> 2200µF reichen voll und ganz aus. Man kann über den Dauem ca. 1000µ pro >> Ampere rechnen. > > Statt Daumen zu lutschen solltest du wirklich mal rechnen. > Bei 1000µF pro A hast du ein Spannungsdrop während einer Halbwelle von > ca. 7-8V. Ist bei Röhrengeräten mit 100V Speisung ziemlich > uninteressant, bei den 14-16V Eingangspannung in der Schaltung hättest > du noch stabile 5-6V zur Verfügung > > Ganz toll, aber Hauptsache mal was geplappert! Das dauert noch 1-2 Generationen bis man 1A/1000µF vergisst :D War halt früher so, da hatte man nichts, nicht mal Kapazität.
;) Die Ableitdioden am Adj. kommen wieder rein. Ich möchte 317er bzw1086er einsetzen um ein Universalnetzteil aufzubauen. Mal benötigt man eine symmetrische und zusätzlich eine unsymmetrische Spannun, mal zwei symmetrische Spannungen. Das Netzteil bekommt 4 Züge, so sind max. zwei symmetrische Spannungen möglich... Vielen Dank für die anregende Diskussion !
LM350 schrieb im Beitrag #4361046: > a. wir kennen die Ausgangsspannung nicht Bei 16V Elkos ausreichend genau.
Bitte melde dich an um einen Beitrag zu schreiben. Anmeldung ist kostenlos und dauert nur eine Minute.
  
  Bestehender Account
  
  
  
  Schon ein Account bei Google/GoogleMail? Keine Anmeldung erforderlich!
Mit Google-Account einloggen
Mit Google-Account einloggen
  Noch kein Account? Hier anmelden.




 Thread beobachten
 Thread beobachten Seitenaufteilung abschalten
 Seitenaufteilung abschalten