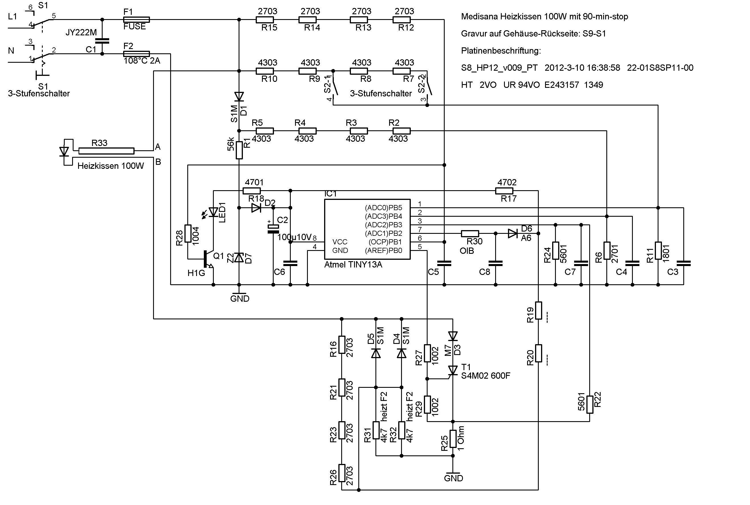
3-Stufen-Schalter 0 - 1 - 2 - 3 Gravur auf Gehäuse-Rückseite: S9-S1 Platinenbeschriftung: S8_HP12_v009_PT 2012-3-10 16:38:58 22-01S8SP11-00 HT 2VO UR 94VO E243157 1349 Anbei Schaltplan und Bauteilliste. Prozessor ist ein ATTINY13A TINY13A. Unklar ist, ob die beiden unbezeichneten Rs (im Plan nenne ich sie R31 und R32) vorher auch schon 4k6 hatten und warum sie verbrannten. Sie sind unmittelbar um eine 108°C-Thermosicherung angebracht und sollen sie vermutlich gezielt auslösen können. Ich habe eine Idee, will aber zuerst Eure geschätzte Meinung hören. Typenbezeichnung und Hersteller folgen noch! Ebenso unklar ist die Funktion: Ich vermute Wellenpaketsteuerung, aber der Thyristor T1 kann ja nur Halbwellen schalten, die andere Halbwelle geht über die beiden anders herum gepolten Dioden D4 und D5. Das Kissen ist 2 Jahre alt (Garantie gerade abgelaufen) und hat nur 46 Ohm, das könnte zu wenig sein, da 230V / 46 Ohm = 5A. Aber selbst bei 250 oder 500 Ohm dürften die R31 und R32 ziemlich schwitzen.
    Re: 3-Stufen Heizkissensteuerung mit 90 min stop defekt: 2Rs verkohlt und TemperaturSicherung ausgel
  
  eProfi schrieb: > Das Kissen ist 2 Jahre alt (Garantie gerade abgelaufen) Dann hat der Timer des TINY13A ja perfekt funktioniert.
    Re: 3-Stufen Heizkissensteuerung mit 90 min stop defekt: 2Rs verkohlt und TemperaturSicherung ausgel
  
  Es handelt sich nicht um ein Medisana, sondern um ein Sanitas SHK30 baugleich mit Beurer SHK30: http://www.sanitas-online.de/web/de/produkte/waerme/heizkissen/SHK30.php Bild: http://www.sanitas-online.de/web/_bilder/Produktbilder/3_Waerme/SHK30.jpg Zitat: "Mit elektronischer Temperaturregelung" Ob da wirklich geregelt wird? DLs 12 99
    Re: 3-Stufen Heizkissensteuerung mit 90 min stop defekt: 2Rs verkohlt und TemperaturSicherung ausgel
  
  Sieht so aus wie das Kissen das ich habe - aber ohne Timer. Wenn du Werte brauchst...
    Re: 3-Stufen Heizkissensteuerung mit 90 min stop defekt: 2Rs verkohlt und TemperaturSicherung ausgel
  
  Experimente mit Heizkissen würde ich aus versichungstechnischen Gründen vermeiden. Foto eines handelsüblichen Autoheizkissens anbei.
    Re: 3-Stufen Heizkissensteuerung mit 90 min stop defekt: 2Rs verkohlt und TemperaturSicherung ausgel
  
  Hallo und guten Tag, gestern hat meine Heizdecke - genau der beschriebene Typ - den Geist aufgegeben (Thermosicherung ausgelöst). Überbrücke ich diese zur Probe, kochen die beiden parallel geschalteten Widerstände hoch und beginnen sich auszulöten. So recht schlau werde ich aus der Schaltung nicht. Der Widerstand der Heizdecke ist 110 Ohm. Lasse ich den Thyristor mal außen vor, bleiben die beiden Dioden sowie die beiden vorgeschalteten parallelen Widerstände und die Heizdecke an ca. 110 Veff..... also runde 5 Watt an den Widerständen. Die müssen sich ja Auslöten! Da hilft auch der Thyristor nicht, denn diesebAWKr bedient ja die andere Halbwelle. Frage: hast du das Rätsel lösen können? Grüße Gerd
    Re: 3-Stufen Heizkissensteuerung mit 90 min stop defekt: 2Rs verkohlt und TemperaturSicherung ausgel
  
  > Autor: Abdul K. (ehydra) Werte sind immer gefragt ;-) Eine Nachfrage beim Besitzer ergab, dass das Kissen öfters nass wurde. Habe es dann am Regeltrafo ohne die Elektronik geprüft: ein Bewegen des Kissens rief sehr unterschiedliche Ströme hervor. Plötzlich stieg der Strom bei 100V auf über 5A, das war das Ende vom Lied. > Der Widerstand der Heizdecke ist 110 Ohm. Die Funktion ist mir auch noch nicht ganz klar, aber es handelt sich eindeutig um eine Sicherung für genau diesen Fall, dass das Kissen niederohmig wird. Es ist defekt (unsicher) und soll nicht mehr eingeschaltet werden können.
    Re: 3-Stufen Heizkissensteuerung mit 90 min stop defekt: 2Rs verkohlt und TemperaturSicherung ausgel
  
  Wieviel Ohm haben die zwei Widerstände (von mir R31 und R32 genannt) bei Dir? Das Kissen hat eine Maximalleistung von 100W (Schnellaufheizung). Wenn es tatsächlich nur mit einer Halbwelle heizt, müsste der Widerstand 260 Ohm sein (200W bei Vollwellenansteuerung: R=U^2/P=52900/200=264,5). Diese 260 Ohm verringern die Leistung der beiden Rs nur minimal. Handelt es sich um nichtlineare Bauteile? Ist im Kissen eine weitere Diode, mit der ein "Windungsschluss" detektiert wird? Würde jedoch mit Vollwelle angesteuert (geht wegen D3 nicht), müsste das Kissen 529 Ohm haben, das reduziert die R-Leistung schon merklich, da sowohl Strom als auch Spannung (U=230*(2300/2829)=187V, P=187*187/2300=15,2W) sinken. DLs 58 208 131
    Re: 3-Stufen Heizkissensteuerung mit 90 min stop defekt: 2Rs verkohlt und TemperaturSicherung ausgel
  
  Die in Frage stehenden Widerstände weisen einen Parallelwiderstand von 2,3 KOhm auf. Dem Farbkode nach (kontrolliert nach Ansprechen der Sicherung gemessen und vor der späteren Wiederinbetrienahme zu Messzwecken) hätte der Widerstand nur jeweils 4700 Ohm betragen müssen (gelb, violett, rot). Jetzt nach der kurzzeitigen Wiederinbetrienahme mit angeschlossener Heizdecke stimmt der Farbkode nicht mehr bzw. hat sich in Richtung schwarz verfärbt. Die Widerstandskörper selbst sehen noch völlig intakt aus. Achja, die Heizdecke wurde beim Kurzest normal warm - so schien das mir zumindest. Die Reihenschaltung R-heizdecke + 2300 Ohm ergibt eine ungefähre Verlustleistung von U^2 / R = 110 V ^2 / 2400 V/A ca. 5 Watt Klingt nicht dramatisch, ist aber für die beiden Widerstände ganz sicher zuviel. Entweder begehe ich einen Denkfehler oder hier stimmt an anderer Stelle etwas nicht. Dann doch doch ein Fehler in der Heizdecke? Wahrscheinlich schon. Der Widerstandsdraht mäandert durch die Decke. Hier fällt auf, dass Hin- und Rückleitung zusammen in einem Strang/Kabel geführt sind. Liegt hier irgendwo ein Schluss vor? Um dies beurteilen zu können, müßte der Widerstand einer intakten Decke gemessen werden.
    Re: 3-Stufen Heizkissensteuerung mit 90 min stop defekt: 2Rs verkohlt und TemperaturSicherung ausgel
  
  Hallo Gerd, meine Idee mit der Diode im Kissen:
| 1 | A ----------------------------------------------------------- | 
| 2 | | | 
| 3 | - | 
| 4 | Diode V | 
| 5 | - | 
| 6 | | | 
| 7 | B ----------------------------------------------------------- | 
Die Diode ist in seriell zu D3 und antiseriell zu D4 und D5 und bewirkt, dass in den beiden Widerständen überhaupt keine Leistung erzeugt wird. Gibt es im Kissen "weiter vorne" einen Schluss (das meinte ich mit "Windungsschluss"), der die Heizleistung evtl. nur geringfügig erhöhen würde, wird die Diode kurzgeschlossen und die Widerstände lösen die Temp-Sicherung aus. So weit ich mich erinnere, ist zwischen dem Bedienteil und dem Kissen eine nicht verdrehbare Steckverbindung, das würde zu dieser Theorie passen. Da "mein" Kissen ja nach dem Test eine Unterbrechung hat, wollte ich es sowieso öffnen, dann sehen wir weiter. Kannst Du inzwischen messen, ob dein Kissen bewegungsempfindlich ist?
    Re: 3-Stufen Heizkissensteuerung mit 90 min stop defekt: 2Rs verkohlt und TemperaturSicherung ausgel
  
  Bingo, ich lag richtig: Darüber läuft auch die Temperaturregelung. Jetzt wird klar, wofür die (bei mir nicht bestückten) R19 und R20 gut sein sollen. Patent von Beurer von 1998: DE4315488 C2 Verfahren und Schaltungsanordnung zur Temperaturregelung von mit Wechselstrom betriebenen Heizgeräten http://www.google.com/patents/DE4315488C2?cl=de verweist auf DE2933072A1 (Dreamland Electrical Appliance) verweist auf DE3706184A1 (Beurer) Was es nicht alles gibt.
    Re: 3-Stufen Heizkissensteuerung mit 90 min stop defekt: 2Rs verkohlt und TemperaturSicherung ausgel
  
  Also da sage ich nur: sauberes Sicherheitskonzept bei gleichzeitig geringem Aufwand! Jetzt hab ich auch das Röhrchen am Ende des Heizdrahtes verstanden :-) es beinhaltet die von dir angesprochene Diode. Wirklich nicht blöd was die hier tun, eine Halbwellenseite für die Heizung, die andere Halbwellenseite für das Erkennen eines Nebenschluss. Saubere Sache :-) Also gut, eine neue Decke muss her :-( War nicht alt, selten genutzt, aber Garantie natürlich abgelaufen :-(( Die Zuverlässigkeit dieser Heizmatten ist ja eher schlecht. Im Auto hatte ich auch schon dreimal einen Defekt.
    Re: 3-Stufen Heizkissensteuerung mit 90 min stop defekt: 2Rs verkohlt und TemperaturSicherung ausgel
  
  Mich würden mal die Innereien der Heizdecke selbst interessieren. Man liegt da ja direkt auf 230V. Durch die dauernden Bewegungen ist die doch irgendwann durchgerieben... Mach die defekte bitte mal auf.
    Re: 3-Stufen Heizkissensteuerung mit 90 min stop defekt: 2Rs verkohlt und TemperaturSicherung ausgel
  
  Aus Gründen meiner Gesundheit, der Sicherheit, des Brandschutzes u.v.a., würde ich, nicht zuletzt weil eine neue Heizdecke preislich in der Kategorie: Kost fast nix, liegt, mir eine Reparatur sparen.
    Re: 3-Stufen Heizkissensteuerung mit 90 min stop defekt: 2Rs verkohlt und TemperaturSicherung ausgel
  
  > Mach die defekte bitte mal auf. Zu Befehl, bin gerade dabei ;-) > Durch die dauernden Bewegungen ist die doch irgendwann durchgerieben... Die Heizschlangen sind gut in Watte gepolstert, das Ding scheint mir hochwertig verarbeitet zu sein. Gleich mehr dazu... Der eigentliche Sinn einer Heizdecke ist ja nicht, sich daraufzulegen, sondern vor dem Schlafengehen damit das Bett anzuwärmen und sie zum Schlafengehen aus dem Bett zu nehmen.
    Re: 3-Stufen Heizkissensteuerung mit 90 min stop defekt: 2Rs verkohlt und TemperaturSicherung ausgel
  
  eProfi schrieb: > Der eigentliche Sinn einer Heizdecke ist ja nicht, sich daraufzulegen, > sondern vor dem Schlafengehen damit das Bett anzuwärmen und sie zum > Schlafengehen aus dem Bett zu nehmen. Das vergessen leider viele, denn da müsste sie ja Heizmatratze heißen. Und die 20jährigen Heißmatratzen zum drauflegen werden mit zunehmendem Alter rarer. ;-D
    Re: 3-Stufen Heizkissensteuerung mit 90 min stop defekt: 2Rs verkohlt und TemperaturSicherung ausgel
  
  So, Obduktion beendet: Der Lagenaufbau: 1 beiger Flanellbezug mit dunkelgrauer Umrandung 2 watteartiges weißes Vlies 3 temperaturfestes weißes geprägtes Kunststoff-Gewebe (sieht aus wie Glasfasermatte), darin sind mit der Nähmaschine 27 Bahnen eingenäht, in denen mäanderförmig das 4 Heizkabel liegt 5 wie 3 6 wie 2 7 wie 1 Das knapp 3 mm dicke und ca. 6 m lange Heizkabel mit der Beschriftung "4 514.524 1.7/31.4 0613" ist wie ein Koaxialkabel aufgebaut, nur dass statt der Abschirmung der 0,1 mm dicke dünne Heizdraht aufgewickelt ist (ca. 300 Windungen pro m). Der Innenleiter ist eine Wendel um extrem dünne Längsfasern. Das "Dielektrikum" besteht aus niedrigschmelzendem Kunststoff, so dass bei einer Überhitzung die beiden Leiter elektrische Verbindung bekommen, was zum Auslösen der Temperatursicherung führt, weil die Diode am Ende überbrückt wird, die im Normalbetrieb den Stromfluss durch die beiden Auslösewiderstände (um F1 herum) unterbricht. An dem einen Ende ist besagter (nicht verdrehbarer) Stecker angespritzt (mit einer annähbaren Lasche zur Befestigung), am anderen Ende ist die Diode in einem mit Schmelzkleber innenbeschichtetem Schrumpfschlauch. Sehr durchdachte Konstruktion und saubere Verarbeitung, lobenswert! Die kritische Stelle bei mir liegt nur 15 cm vom Stecker entfernt, ich vermute als Ursache eine lokale Überhitzung (Betrieb im eingewickelten Zustand?). Inwieweit die Feuchtigkeit eine Rolle gespielt haben kann?? Das Kissen gilt ja als waschbar. Beschriftung der eingenähten Kurzanleitung: SANITAS SHK 30 CE PCTAB02 Textiles Vertrauen Geprüft auf Schadstoffe nach Oeko-Tex(R)Standard 100 06.0.43510 Hohenstein (D) Nicht nass benutzen - Niche bei Hilflosen, Kleinkindern oder hitzeunempfindlichen Personen verwenden -- Allzu lange Anwendung kann zu Hautverbrennungen führen -- Nur in Verbindung mit Schaltertype S9-S1 betreiben (GB)(F)(E)(I)(NL)(P)(TR)(GR)(DK)(FIN)(N)(S)(RUS)(PL)(CZ)(SK)(SLO)(H)(RO) (??) Übersetzungen in 20 Sprachen Z04 Hans Dinslage GmbH Riedlinger Str. 28 88524 Uttenweiler, Germany -- durchgestrichene Abfalltonne (nicht mit dem Hausmüll entsorgen) -- 30°C Waschschüssel (bei 30°C waschbar) -- durchgestrichenes Dreieck (nicht bleichen) -- durchgestrichener Kreis im Quadrat (nicht in den Wäschetrockner) -- durchgestrichenes Bügeleisen (nicht bügeln) -- durchgestrichener Kreis (nicht chemisch reinigen) 672.542-0112 http://www.sanitas-online.de/web/de/unternehmen/unternehmen.php (Hans Dinslage ist der Großhändler / Vertreiber der Marke Sanitas) Beschriftung der Platine von Gerd: 198-05013-00 S8 HP11 V1_4 2007.02.13 HW-8 94VO 0822 Die Platine ist älter als meine, hat andere Bauteilbezeichnungen und Werte, z.B. Temp-Sicherung 250V 2A 102°C 083 Gerd, hast Du ein ebenso gutes Foto von der Rückseite? Sind bei Dir die Widerstände für die Temperaturregelung (bei mir R19 und R20) bestückt? Welcher Prozessor wurde verwendet? Downloads: 68 320 280 117
    Re: 3-Stufen Heizkissensteuerung mit 90 min stop defekt: 2Rs verkohlt und TemperaturSicherung ausgel
  
  Interessanter Einblick und vielen Dank! Da kann ich ja beruhigt weiterschlafen.
    Re: 3-Stufen Heizkissensteuerung mit 90 min stop defekt: 2Rs verkohlt und TemperaturSicherung ausgel
  
  Guten Abend in die Runde, hab ich das richtig verstanden: Im Kissen selbst ist eine Schutzschaltung. Sobald diese ausgelöst hat, geht die Steuerung nicht mehr (LED aus, keine Heizleistung) - und das scheint der häufigste Grund eines Defektes dieser Heizdecke zu sein? Bei mir sind die beiden großen Widerstände auch schwarz. Das deutet, wenn ich die bisherigen Ausführungen hier richtig verstehe, darauf hin, dass diese heiß geworden sind (und somit den Überhitzungsschutz abgeschaltet haben). Höchstwahrscheinlich durch einen Defekt der Heizdecke bzw auslösen der Schutzschaltung im Kissen. Hab ich das richtig verstanden? Danke. Gruß Christian
    Re: 3-Stufen Heizkissensteuerung mit 90 min stop defekt: 2Rs verkohlt und TemperaturSicherung ausgel
  
  Ja. Das Steuergerät könnte man nach einem Tausch der Temperatursicherung weiterverwenden. Das Kissen selbst ist defekt, da der niedrigschmelzende Kunststoff einen Schluss verursacht (Sicherheitsabschaltung nach (lokaler) Überhitzung). Kissen einzeln wird man nicht bekommen. Also komplett neu kaufen.
    Re: 3-Stufen Heizkissensteuerung mit 90 min stop defekt: 2Rs verkohlt und TemperaturSicherung ausgel
  
  So sehr ich die Begeisterung über das Nachvollziehen der patentwürdige Bastel-Spararbeit auch verstehe, so sehr ärgert es mich, dass so was in ein 50-EUR-Gerät eingebaut wird. Wenn im Patent schon von Sensor-Draht gesprochen wird, wäre ein echter Sensordraht, der auch Problemsituationen ohne Selbstzerstörung abfängt bzw abregelt, nett gewesen. zB kam mein Beurer-Heizkissen gefaltet in einem Karton und faltete sich von selbst wieder zusammen, wenn es nicht belastet wurde, was dann vermutlich zur Überhitzung führte. Auch wenn ich das nicht mitbekommen habe. Das HK110, dass ich gerade wieder mal ausgepackt hatte, und von dem ich dachte, das es funktioniert, verbuche ich daher unter extrem schlechten Design (für den Kunden), trotz der an sich guten Verarbeitung der Materialien und der sicheren Technik und werde Beurer erstmal meiden. Die Frage wäre, was es an alternativen Schutztechniken für dieses Problem gibt. (Die Begeisterung über diese hier kann ich jedenfalls nur im Rahmen einer Ingenieurs-Puzzle-Aufgabe nachvollziehen.) Ansonsten: Laut Anleitung kann man das defekte Kissen einschicken. Von daher könnte es im ein oder anderen Fall doch Ersatz geben, der ggf günstiger ist, als ein neues Kissen. Müsste man mal anfragen. Wobei ich bei dem Design nicht ganz nachvollziehen kann, was, außer zurecht empörten Kunden, der Grund sein sollte, da ja beide Komponenten defekt sind. Man spart also bestenfalls Bezug und Verpackung.
    Re: 3-Stufen Heizkissensteuerung mit 90 min stop defekt: 2Rs verkohlt und TemperaturSicherung ausgel
  
  Mir schipperte vor Tagen ein quasi jungfräulich aussehendes Heizkissen HK P10 in die Werkstatt. Bin aus der Schaltung und den Messwerten ebensowenig schlau geworden und beim Googeln stracks hier gelandet. Meine Platine ist eine "S8_HP12_v009" von 2018 und hat ein abweichendes Layout, die beiden Widerstände, die die Thermosicherung heizen, haben nur noch braune einfach Lackschicht und sind definitiv 4k7. Fehlerbild exakt das gleiche: Heizkissen leitet in beide Richtungen. Das Ende des Heizdrahtes landet bei mir wieder im Anschluss-Gnubbel. Ich habe den Schaltplan für mich angepasst: Heizkissenwiderstand nach links verschoben und den Aufbau des Kissens müde angedeutet mit der Diode. Außerdem ist D7 falschrum gewest.
    Re: 3-Stufen Heizkissensteuerung mit 90 min stop defekt: 2Rs verkohlt und TemperaturSicherung ausgel
  
  eProfi schrieb: > Darüber läuft auch die Temperaturregelung. > Jetzt wird klar, wofür die (bei mir nicht bestückten) R19 und R20 gut > sein sollen. Kannst Du das bitte etwas detaillierter ausführen? Wie genau geht die Temperaturmessung? hh
Bitte melde dich an um einen Beitrag zu schreiben. Anmeldung ist kostenlos und dauert nur eine Minute.
  
  Bestehender Account
  
  
  
  Schon ein Account bei Google/GoogleMail? Keine Anmeldung erforderlich!
Mit Google-Account einloggen
Mit Google-Account einloggen
  Noch kein Account? Hier anmelden.





 Thread beobachten
 Thread beobachten Seitenaufteilung abschalten
 Seitenaufteilung abschalten