Hallo, ich bin gerade beim umbauen einer Taschenlampe die einen neuen LED Treiber bekommt. Der Treiber hat verschiedene Modis/Leuchtstufen die sich durch kurzes oder langes drücken (vorwärts/rückwärts der Modis) und unterbrechen der Masse über einen Schalter der an der Endkappe der Lampe sitzt schalten lassen. Da die Lampe aber auch einen vorderen Seitentaster bekommen soll bräuchte ich einen Taster/Öffner in SMD Bauform welcher mir die Masse zum Treiber auch vorne in der Lampe unterbrechen kann. In der Lampe fließt ein Strom von etwa 6A also bin ich gezwungen das ganze über einen Mosfet zu schalten, da normale SMD Taster/Öffner einen solch hohen Strom nicht vertragen. Für die Gate Spannung soll eine 3V Litium Zelle zum Einsatz kommen. Also 3V Batterie-->SMD Taster/Öffner--->FET-->Treiber. Das einzigste was die Schaltung können muss ist Minus schnell und zeitnah über einen FET zum Treiber zu unterbrechen. Bei nicht drücken soll über den FET ständig der Strom zum Treiber fließen. Welche FET`s kämen hier in Frage und wie sollte die Schaltung aussehen? Das ganze sollte so klein wie möglich werden und der FET so wenig Widerstand wie nur möglich besitzen um keine großen Verluste am Treiber zu haben. Vielen dank schonmal. Gruß Jens
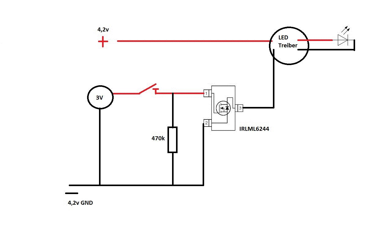
z.B. IRLML6244 schalte das Gate mit dem Taster und belege das Gate per Pull-up oder pull-down Widerstand so vor, wie Du es im Ruhezustand haben willst.
Danke, also quasi so wie ich es oben gezeichnet habe? Nochmal kurz was ich erreichen möchte: - Minus soll geschalten werden - maximal 6A - durch drücken des Tasters Minus zeitnah unterbrechen Dann brauche ich nur noch einen Taster der bei gedrückt halten die Verbindung unterbricht.
Achso das wichtigste fast vergessen... Wie hoch der Stromverbrauch bei dieser Schaltung ist brauche ich bei 100nA Gate-to-Source Leakage denke ich garnicht zu auszurechnen oder? Eher ist die Batterie durch selbstentladung im Keller als das sie leer genuckelt wird.
Jens schrieb: > Eher ist die Batterie durch selbstentladung im Keller als das sie leer > genuckelt wird. So isses. Hier ein MOSFET Tipp, der bezüglich Qg und RDSon beste Werte aufweist: http://www.ti.com/lit/ds/symlink/csd16342q5a.pdf Kann natürlich sein, dass dir das Gehäuse nicht schmeckt.
Jens schrieb: > also quasi so wie ich es oben gezeichnet habe? Ja, genau so. Ein Mosfet, der etwas mehr Strom verträgt, ist natürlich sicherer, oder nimm 2 von meinen genannten, was besser passt.
Vielen dank für die Antworten ;). Ich habe mir nun mal ein paar von den IRF6201 bestellt. Auf Empfehlung von Bernd werde ich mir die 3V Batterie sparen und direkt an der Versorgungsspannung für den Treiber die Steuerspannung für das Gate abgreifen. So spare ich Platz und kann den etwas größeren IRF6201 unter bringen. Ich habe aber noch ein größeres Problem... Es scheint keine SMD Taster als Öffner zu geben, dann fällt das ganze mit dem Seitentaster ins Wasser :(. Im Mobilfunk Bereich wird wohl so etwas verwendet aber ich konnte trotzdem noch nichts finden.
Wieso braucht man für das Gate eigentlich eine separate Stromversorgung? Kann man die Schaltspannung über den Taster nicht direkt an die 4,2V Versorgungsspannung anschließen?
Bitte melde dich an um einen Beitrag zu schreiben. Anmeldung ist kostenlos und dauert nur eine Minute.
Bestehender Account
Schon ein Account bei Google/GoogleMail? Keine Anmeldung erforderlich!
Mit Google-Account einloggen
Mit Google-Account einloggen
Noch kein Account? Hier anmelden.
