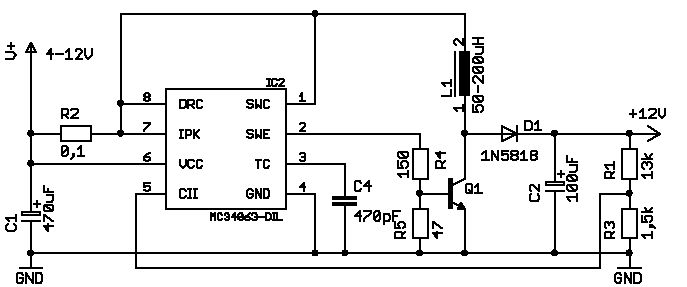
Eine Kurze Frage: Ich würde gerne folgende Schaltung als Step Up Converter von 12 auf 15V nutzen. ALs Ausgangsstrom benötige ich 1A. Ich würde nun gerne wissen was für einen Typ ich für den externen transistor kann. Ich hätte noch n paar TIP 31 da allerdings bin ich mir etwas unsicher ob die in meinem Fall schon eine Kühlung brauchen. Wäre es als Alternative möglich den Transistor durch ein Mosfet zu ersetzen? bzw wenn ich den ersetze brauche ich da dann zusätzlich ne Vorstufe mit nem bipolaren um das gate anzusteuern? Ich wärte für schnelle Hilfe dankbar LG malte
Man kann an einen MC34063 einen MOSFET schalten obwohl er nicht dafür ausgelegt ist, entweder durch einen niederohmigen pull down oder 2 bipolare Kleinleistungstransistoren als MOSFET Treiber, aber warum sollte man das tun ? Ein UC3843 ist für MOSFETs gebaut und kann das alles viel einfacher machen, vor allem lässt sich mit ihm viel einfacher eine stabile Regelschleifen aufbauen.
Bei Verwendung als Schalter sind MOSFETs eigentlich das bessere Bauelement. Aber hier soll die Einganggspannung auch 4V erreichen, die Spannung an SWE hat also höchstens 4V Hub und wird auch noch um den Faktor 4 heruntergeteilt. normale MOSFETs brauchen 6 oder mehr V Spannungshub am Gate, um richtig zu schalten. FETs mit 5V Spannungshub werden schon als Besonderheit (low-level-mosfet) angeboten. In bestimmten Bereichen der Schaltfrequenz könnte der Mosfet Vorteile bringen. Aber dann direkt am SWE, ohne Spannungsteiler, besser noch mit Treiber dazwischen. Muss man halt ausprobieren.
MaWin schrieb: > Man kann an einen MC34063 einen MOSFET schalten obwohl er nicht dafür > ausgelegt ist, entweder durch einen niederohmigen pull down oder 2 > bipolare Kleinleistungstransistoren als MOSFET Treiber, wie müssen die denn geschaltet sein? ein npn von Masse zu gate und der Andere von gate zu PIN 2? oder als darlington? > aber warum > sollte man das tun ? Ein UC3843 ist für MOSFETs gebaut und kann das > alles viel einfacher machen, vor allem lässt sich mit ihm viel einfacher > eine stabile Regelschleifen aufbauen. naja das ist als Zwischenlösung gedacht für Reihenschaltungen von jeweils 2 Power LEDs an denen jedoch im Betrieb 6,3 Volt anliegen pro Stück (vermutlich weil dort intern 2 in reihe sind). Das ganze soll ein weihnachtsgeschenk werden, ich habe es allerdings nicht geschafft bissher ein Netzteil mit 15V Ausgang zu besorgen und habe noch welche mit 12V da und wollte als zwischenlösung ein step up einsetzen um die 15V zu bekommen
Peter R. schrieb: > Bei Verwendung als Schalter sind MOSFETs eigentlich das bessere > Bauelement. > > Aber hier soll die Einganggspannung auch 4V erreichen, die Spannung an > SWE hat also höchstens 4V Hub und wird auch noch um den Faktor 4 > heruntergeteilt. naja die eingangsspannung sind 12V die einzelnen werte für die Auslegung muss ich noch bestimmen und der spannungsteiler würde da auch wegkommen > normale MOSFETs brauchen 6 oder mehr V Spannungshub am Gate, um richtig > zu schalten. FETs mit 5V Spannungshub werden schon als Besonderheit > (low-level-mosfet) angeboten. > > In bestimmten Bereichen der Schaltfrequenz könnte der Mosfet Vorteile > bringen. Aber dann direkt am SWE, ohne Spannungsteiler, besser noch mit > Treiber dazwischen. also sozusagen nen bc xxx zwischen gate und Pin 2? > Muss man halt ausprobieren. Wie ist das wenn ich nen TIP 31 benutze? muss ich den dann kühlen?
M. S. schrieb: > für Reihenschaltungen von > jeweils 2 Power LEDs an denen jedoch im Betrieb 6,3 Volt anliegen > wollte als zwischenlösung ein step up einsetzen Wie wäre es, die 2 einfach parallel (jeweils mit eigenem Vorwiderstand) zu schalten ? Dein TIP schaltet jedenfalls erheblich zu langsam.
Ich wollte getaktete Konstantstromquellen benutzen weil die Dinger sollen mit 200mA betrieben werden. Aber die idee hatte ich auch schon das ich die 10 LEDs erstmal alle parallel schalte und die geschichte so aufbaue das eine umrüstung auf reihe ziemlich fix geht. Muss ich nur mal gucken in wie viel einzelwiderstände ich den vorwiderstand aufteile weil ich habe nur 1/4 W da Okay dann fällt der eh raus.
Also ich bin bei 30 Ohm und ner gesamtverlustleistung von 1,14 W https://www.conrad.de/de/metallschicht-widerstand-15-axial-bedrahtet-0207-06-w-thomsen-1-st-418030.html sollte hinhauen oder? 1,14 W verteilt auf zwei 0,6W Widerstände?
> habe noch welche mit 12V da und wollte als zwischenlösung ein > step up einsetzen um die 15V zu bekommen Schon mal geschaut, ob du nicht eins der vorhanden 12V-Netzteile auf 15V umbauen kannst?
naja die meisten sind ja so versiegelt das das schwierig ist und die beleuchtung soll eig nicht mit nem billignetzteil betrieben werden wo ich noch dran rumgefrickelt hab. Und das 12V Meanwell das man öffnen könnte ist mirn bisschen zu schade :/ es sei denn das ding hat ein internes poti, das könnte natürlich auch sein. Weil die dinger gibts bei reichelt in 1000 abstufungen, von daher vermute das diese sich nur dadurch unterscheiden das das interne Poti von dem spannungsteiler ansers eingestellt ist oder bauen die für jede spannung ein eigene baureihe?
M. S. schrieb: > Weil die dinger gibts bei > reichelt in 1000 abstufungen, von daher vermute das diese sich nur > dadurch unterscheiden das das interne Poti von dem spannungsteiler > ansers eingestellt ist oder bauen die für jede spannung ein eigene > baureihe? Deine Vermutung trifft nicht zu.
Also wird für jede spannung ein eigenes gerät entworfen oder wie?
Ich hätte zu dem MC34063 nochmal eine andere Frage. Ich wollte ja für je 2 Power LEDs eine Konstantstromquelle nehmen welche ich nach diesem schaltplan mit einem MC 34063 aufbauen wollte. Was ich nun gerne wissen würde ist, ob es wichtig ist das die zuleitung von der konstantstromquelle zu der LED (wegen restwelligkeit usw) kurz ist oder ob die auch ein paar meter lang sein kann? kann man das machen oder kriege ich da evtl probleme?
Die Leitung kann ein paar Meter lang sein weil die Induktivität in der Schaltung keine schlechte Rolle spielt, zur Vermeidung der Störabstrahlung sollte sie aber verdrillt sein, die Kabelkapazität stört die Schaltung auch nicht, lediglich die Kabelkapazität nach aussen.
okay danke das wollte ich nur wissen :) hätte ja sein können weil der strom ja schon noch ne ziemliche restwelligkeit hat.
Bitte melde dich an um einen Beitrag zu schreiben. Anmeldung ist kostenlos und dauert nur eine Minute.
Bestehender Account
Schon ein Account bei Google/GoogleMail? Keine Anmeldung erforderlich!
Mit Google-Account einloggen
Mit Google-Account einloggen
Noch kein Account? Hier anmelden.

