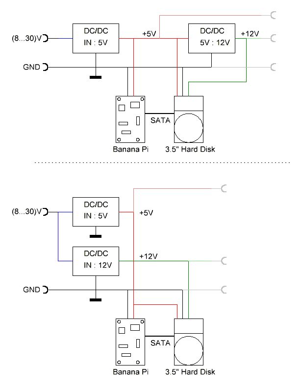
Hallo, für meinen Banana Pi mit angeschlossener 3,5"-Festplatte möchte ich eine Stromversorgung in der max. Größe des Banana-Pi bauen. Die Eingangsspannung kommt derzeit von einem Netzteil einer ext. Festplatte (12V, 1,5A), könnte aber auch was anderes sein. Den Eingangsspannungsbereich habe ich mal so grob auf 8V bis 30V festgelegt, damit man auch ein 9V Netzteil anschließen könnte oder eins vom Laptop. Damit alles nicht zu heiß wird kommt nur ein DC/DC in Frage. Entweder beide in Reihe, also [U_Ein -> 5V -> 12V] oder parallel, also [U_Ein -> 5V] und [U_Ein -> 12V] (1. Bild oben). Jetzt habe ich das realisiert mit einem LM2576-5.0 (5V) und dahinter mit einem LM2577-ADJ (12V). Die 5V sind ok aber die 12V ist zu schwach. Die Festplatte läuft an aber sobald die Köpfe ausgeparkt werden bricht für ein paar zehn Millisekunden die Spannung auf unter 10V zusammen. Zudem wird die Speicherdrossel am 5V-Regler schweineheiß, ist also zu klein. Das dumme ist, das der LM5276 bzw. LM2577 mit "nur" 52kHz takten, sodass die Speicherdrossel entsprechende Induktivität haben muss (5V-Zweig 180µH). Von daher wäre ein Schaltregler mit vllt. 200kHz angebracht, damit die Spule kleiner ausfällt. Die folgenden beiden Punkte würde ich gerne optimieren: - Die Spule müsste also schonmal größer werden (dickerer Draht) -> Platzmangel, also dickerer Draht aber weniger Induktivität = höherer Schaltfrequenz - wegen der bescheidenen Effizienz der LM2576/2577 (ca. 70% lt. Datenblatt) wird gerade der 5V Regler warm und muss auf einen entsprechenden Kühlkörper geschraubt werden. Da würde ich wenn es eben geht drauf verzichten, zumal auch die Leistung des Netzteils des ext. Festplatte wohl grenzwertig ist. Also möglichst wenig Verluste erzeugen. Meine Frage wäre jetzt: * Welche Topologie ist aus meinem Bild oben vorzuziehen? DC/DC parallel oder seriell? Bei paralleler Anordnung muss der 12V-Regler in der Lage sein, mit einer Eingangsspannung von unter 12V und über 12V klarzukommen (Buck/Boost-Betrieb). * Welche Regler sind geeignet, haben also eine entsprechende Schaltfrequenz und evtl. guten Wirkungsgrad, auf jeden Fall besser als das Gemüse, was ich hier noch habe? Wenn es das Zeug beim Reichelt gäbe, wäre es nicht schlecht. :D Evtl. ginge auch ein Regler mit 2 Ausgängen, aber ich denke, da wird die Auswahl sehr dünn werden und preislich vllt. auch. Alternativ dachte ich auch an einen Schaltregler, der die Leistung aufbringt und eine selbstgewickelte Speicherdrossel mit 2 Windungen versorgen kann (2. Bild) bzw,. eine Speicherdrossel zu tunen (2. Wicklung selber draufwickeln, Ringkern vorzugsweise).
nimm ne 2,5"-Platte und Du hast kein 12Volt-Problem mehr.
K. H. schrieb: > Eingangsspannungsbereich habe ich mal so grob auf 8V bis 30V festgelegt > Suche DC/DC-Regler (8-40)V -> 5V/12V f. BananaPi + 3,5" HD Das kann schon ein nicht unwesentlicher Unterschied sein 30V <-> 40V. Einige dich.
Oliver R. schrieb: > nimm ne 2,5"-Platte und Du hast kein 12Volt-Problem mehr. Das so eine Antwort kommt habe ich mir schon gedacht. Warum einen Banana Pi betreiben, wenn es auch anders ginge? Warum also eine neue Festplatte kaufen, wenn eine 3,5" 500GB Platte noch vorhanden ist? Warum nicht das Problem lösen und nicht davor weglaufen? Den die Ausgangspinne im 1. Bild rechts in grau gemalt sind optional für evtl. Peripherie und da könnte es der Fall sein, dass 12V gebraucht werden. Umsonst habe ich das nicht da rein gemalt. W.A. schrieb: > Das kann schon ein nicht unwesentlicher Unterschied sein 30V <-> 40V. > Einige dich. Ich habe gerade gesucht, wo überhaupt 40V geschrieben steht.... in der Überschrift. :( So'n scheiß aber auch..... Ich habe gesehen, dass bei 36V oftmals eine Grenze ist. 30V würden aber mMn. reichen.
K. H. schrieb: > Warum also eine neue Festplatte kaufen, wenn eine 3,5" 500GB Platte noch > vorhanden ist? Warum nicht das Problem lösen und nicht davor weglaufen? > Den die Ausgangspinne im 1. Bild rechts in grau gemalt sind optional für > evtl. Peripherie und da könnte es der Fall sein, dass 12V gebraucht > werden. Weil es unnötig aufwändig ist, eine Spannungsversorgung zu wollen, die sowohl oberhalb als auch unterhalb der Zielspannung Energie liefern soll. zusätzlich hat ein solches Konzept einen schlechten Wirkungsgrad.
Schau mal bei ti.com, die haben einen Designer. Vielleicht hilft der weiter.
Bitte melde dich an um einen Beitrag zu schreiben. Anmeldung ist kostenlos und dauert nur eine Minute.
Bestehender Account
Schon ein Account bei Google/GoogleMail? Keine Anmeldung erforderlich!
Mit Google-Account einloggen
Mit Google-Account einloggen
Noch kein Account? Hier anmelden.

