Hallo, könnte es möglich sein, ein altes oszi zu nutzen und das Signal bevor es auf die Röhre kommt, an ein PC µC zu geben? Also sozusagen Vertikal- und Horizontalablenkung auszulesen aber dabei die Eigenschaften eines guten robusten Oszis zu nutzen. Oder Ablenkspannung und Triggerung auslesen.... Ich hab ja drei EO213 rum liegen. Leider sind die Schaltebenen sensibel. Wollt mir ein gutes daraus bauen. Daher die besten Y-Kasetten raussuchen. Schaltebenen sind versilbert und leider sind die Kontaktfähigkeiten schwieriger als bei Nerds die ne Frau kennenlernen wollen.
Tocotronix S. schrieb: > könnte es möglich sein, ein altes oszi zu nutzen und das Signal bevor es > auf die Röhre kommt, an ein PC µC zu geben? Schau mal, was dazu in der Beschreibung des Bordcomputers vom Trabant steht.
Webcam vor den Schirm kleben. Dann hast du auch eine Speicherfunktion inkl..
Was soll das bringen, da kann man doch lieber gleich das Originalsignal abtasten.
Natürlich ist das möglich, aber ob das empfehlenswert ist... Zum einem ist weniger als nicht, in einem normalen Oszilloskop vorhanden, was Dein Vorhaben unterstützen könnte. Zum anderen ist die Datenerfassung von "schnellen" Signalen nicht ganz trivial. Die in einen normalen µC eingebauten A/D-Wandler sind in vielerlei Hinsicht damit überfordert. Das anfallende Datenvolumen wird schnell exorbitant. Und, und, und. Ach so, nachträgliche Änderungen an einem analogen Messverstärker sind auch so eine Sache. Aber es gilt auch hier: Wo ein Wille ist, ist auch ein Weg. Es sei denn Du willst eine Drehtür zuschlagen.
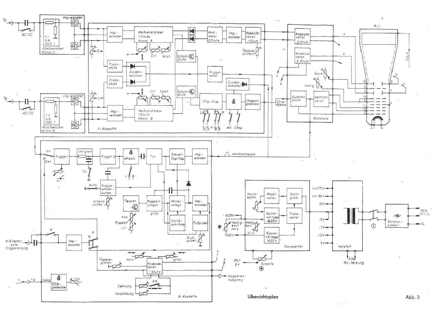
also schnelle signale bleiben nach der leistungsstufe bzw. am Anschluss an der Röhre des oszi immer noch schnelle signale? Oder kann man den Signalverlauf der einen am Ende erscheint abgreifen?
Wenn Du hinter dem Eingangsverstärker das Signal abgreifst, geht Dir u. A. der Bezug zur "Realität" abhanden. Hat der tolle Sinus nun 10 mV oder 30 V effektiv? Schau Dir mal die Preise für USB-Oszilloskope an und, wenn Du mal an ein Schaltbild herankommst, wie aufwändig das Ganze ist. Hat schon seinen Grund.
Die Eingangssignale werden bis zu den y-Ablenkplatten in der Röhre nur verstärkt (+ evtl. Offset etc.). Digital oder gespeichert existiert da nichts. Theoretisch kann man die Signale auch dahinten irgendwie abgreifen, aber der einzig sinnvolle Weg wäre, dazu ein Digitaloszi zu verwenden. Masochisten mit einem Jahr Langeweile könnten die Potis und Schalter durch etwas vom PC ansteuerbares ersetzen und das Bild mit der erwähnten Webcam aufnehmen. Damit hätte man das Prinzip der CCD-Speicheroszis in schlecht nachgebaut.
Apropos Masochisten... Die Platine für die Beschleunigung liegt mit einem dicken Elko auf 1620V gegen Erde. Besser vorher schauen, wo man hin fassen darf.
Hehe das EO213 ist mein Oszi, wenn ich du wäre, würde ich mir ein richtiges kaufen und gut ist ^^
Tom schrieb: > Damit hätte man das Prinzip der CCD-Speicheroszis in > schlecht nachgebaut. Dann hast Du das Prinzip des CCD/FISO nicht verstanden.
Hahaha. Ob noch jemand die Methode mit den Diodenschaltern kennt? Hab mal mein 100MHz Tektronix repariert. Da waren eine Menge dieser Schalter drin, aber nicht explizit so als Schalter deklariert auf dem Schaltplan. Was meint ihr? Sind die Signaleigenschaften davon überhaupt gut genug? Sehr cool fand ich damals, daß jeder Transistor mit Sockel eingebaut wurde. Die Dinger konnten also innerhalb von Sekunden getauscht werden.
Tocotronix S. schrieb: > also schnelle signale bleiben nach der leistungsstufe bzw. am Anschluss > an der Röhre des oszi immer noch schnelle signale? Na warum sollten denn die Signale auf einmal "langsamer" werden?! - Und nein, "Drosselspulen" dienen nicht dazu Signale "abzubremsen"... Warum baust du nicht einen kleinen Verstärker und schließt diesen direkt an den PC an?! Die Soundkarte kann (für gewöhnlich), egal wie man es dreht und wendet, nur Signale bis circa 20 kHz vearbeiten. Da ist mir der Weg über das Oszi irgendwie nicht klar...
Hans F. schrieb: >> Damit hätte man das Prinzip der CCD-Speicheroszis in >> schlecht nachgebaut. > > Dann hast Du das Prinzip des CCD/FISO nicht verstanden. Diese Spezialkonstruktion hatte ich bei dem Kommentar im Kopf, mit kleiner und somit schneller Röhre und einer direkt angeflanschten CCD-Kamera: http://pangolin.com/TE/354/354.html
Bitte melde dich an um einen Beitrag zu schreiben. Anmeldung ist kostenlos und dauert nur eine Minute.
Bestehender Account
Schon ein Account bei Google/GoogleMail? Keine Anmeldung erforderlich!
Mit Google-Account einloggen
Mit Google-Account einloggen
Noch kein Account? Hier anmelden.
