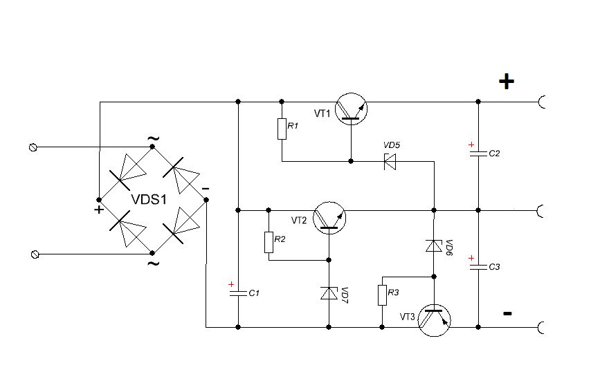
Guten Tag, Kurze Frage: Woher kommt diese rote Leitung (siehe oben)? Ist das etwa die Erdleitung? d.h. man kann es direkt mit der Erdleitung von so einem Schukostecker verbinden oder ist es was anderes? Danke
Nein, das hat nichts mit "Erdung" zu tun, das ist vielmehr eine "Mittelpunktschaltung für symmetrische Ausgangsgleichspannungen" siehe: http://elektroniktutor.de/analogtechnik/m2_glr.html
Christian schrieb: > Guten Tag, > > Kurze Frage: Woher kommt diese rote Leitung (siehe oben)? Ist das etwa > die Erdleitung? d.h. man kann es direkt mit der Erdleitung von so einem > Schukostecker verbinden oder ist es was anderes? > > Danke Na von der Mittelanzapfung des Trafos. Die Summe der beiden Teilwicklungen (gleichgerichtet durch die Graetzbrücke) ergibt die Gesamtspannung, die an den Cs anliegt. Die Mittelanzapfung bildet die Hälfte (vorausgesetzt die beiden Teilwicklungen sind gleich), sodaß du am Ausgang eine positive Spannung und eine negative Spannung jeweils gegen die Mittelanzapfung (die rote Linie) bekommst.
Christian schrieb: > Woher kommt diese rote Leitung (siehe oben)? Einfach zu sehen: sie kommt von der Mitte der beiden Trafowicklungen und geht an zwei Kondensatoren. Das wird später vermutlich mal die Masse einer bipolaren Versorgung...
Ok, Danke. Ich dachte, dass es auf das Eisen von so einem Trafo kommt, was mich auch etwas stützig gemacht hat. Ist es dann auch möglich ohne die Mittelanzapfung eine negative Spannung zu erzeugen? Ich habe auch solche Schaltung gefunden. Verstehe ich es richtig, dass es in dem Fall meine gesamte Spannung von der jeweiligen Wicklung einfach halbiert wird und ich kriege z.B. bei 30V gesamt, etwa(+15V; 0V; -15V)?
Christian schrieb: > Ist es dann auch möglich ohne die Mittelanzapfung eine negative Spannung > zu erzeugen? Es gibt viele Möglichkeiten, deine virtuelle Masse Schaltung ist nur eine davon. Welche sinnvoll ist, hängt vom Strombedarf ab. http://www.dse-faq.elektronik-kompendium.de/dse-faq.htm#F.9 http://www.dse-faq.elektronik-kompendium.de/dse-faq.htm#F.9.2
Bitte melde dich an um einen Beitrag zu schreiben. Anmeldung ist kostenlos und dauert nur eine Minute.
Bestehender Account
Schon ein Account bei Google/GoogleMail? Keine Anmeldung erforderlich!
Mit Google-Account einloggen
Mit Google-Account einloggen
Noch kein Account? Hier anmelden.

