Hallo an alle Audiophile! Bin auf der Suche nach einer guten Klangregler-Schaltung. Gutes SNR, weiter Dynamikbereich, Anheben und Absenken bis +-20dB. Es soll für einen Instrumenten-Mischer mit Verstärker werden (Gitarre, Mikrofon, Bass usw.). Eigentlich hätte ich gern mal was Digitales gebaut, mit DSP, aber der Aufwand scheint mir nicht ohne zu sein und ich finde nur bruchstückhaft Referenzdesigns. Daher lieber Analog-Technik. So, jetzt des Pudels Kern: Hab verschiedene Klangregler-Schaltungen aus dem Netz und Büchern unter die Lupe genommen, z.B. Active Baxandall Circuit von http://www.learnabout-electronics.org/Amplifiers/amplifiers42.php Aber auch andere. Hab den Krämpel mal simuliert (AC Analysis). Und der Frequenzverlauf ist gräuslich! In Mittelstellung der Potis ist der Frequenzverlauf nicht neutral und auch nicht symmetrisch, bei Maximalposition ist die Höhenverstärkung nur 10dB, während die Bassverstärkung 20dB erreicht. Und so einen Käse bekomme ich bei den meisten vorgeschlagenen Schaltungen, z.B. auch die hier erzeugt nach meiner Analyse keine sauberen Ergebnisse: http://ok1ike.c-a-v.com/soubory/tipy/1%20IC%20TONE%20CONTROL%20PRE%20AMPLIFIER.JPG Ausnahme bildet da Single opamp tone control von http://www.simplecircuitdiagram.com/2010/02/03/single-op-amp-tone-control/ Hier ist der Frequenzverlauf sauber neutral in Mittelstellung, und die Maxima bzw. Minima liegen bei +-20dB. Und diese Schaltung ist mit die simpelste! Wie kann das sein? Wieso kursieren da soviel schlechte Schaltungs-Vorschläge im Internet? Oder hab ich was falsch simuliert? Gibt's jemanden, der mich zu ner digitalen Lösung ermutigen kann? Danke! Grüße Christoph
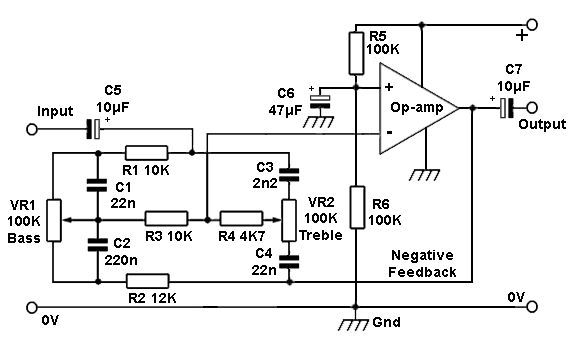
Die linke Schaltung ist schlichtweg falsch. Das untere Ende gehört an GND und nicht an den OPV-Ausgang. Mit OPV ist die rechte Schaltung richtig. Früher waren OPVs sehr teuer, deshalb findet man die Schaltung wohl nicht so häufig. Aber sie war immer schon gut und auch bekannt. Aber Bastler wollen ja was selber erfinden und nicht bewährte Schaltungen nachbauen. Da kommt es nur darauf an, daß man einen Unterschied hört. Heutzutage nimmt man Klangsteller-ICs und steuert sie mit Gleichspannung. Dann hat man auch keine Gleichlaufprobleme der Tandempotis. Das Ohr ist ja eh ein Gewöhnungssinn, wie alle anderen Sinne auch. Wenn man die Höhen aufdreht, merkt man es. Aber nach ein paar Minuten hat man sich daran gewöhnt und nimmt den Unterschied nicht mehr war. Ich hab auch mal ne Weile an Klangstellern und Equalizern gespielt, aber bin dann doch zu neutral zurückgekehrt. Für HiFi-Puristen sind Klangsteller total überflüssig.
Hi Peda! Naja, an einen Klangregler-IC hab ich auch gedacht, und mir den LM1036 angeguckt. Der hat allerdings nen empfohlenen Eingangspegel von 300mV, und da weiß ich nicht, ob ich mit dem ein oder anderen Instrument darüber liege. Außerdem soll der SNR von einer diskret aufgebauten Schaltung besser sein. Klangregler überflüssig? An so gut wie jedem Gitarren-Verstärker ist so'n Ding dran, häufig auch noch Verzerrer oder Hall.
> Klangregler überflüssig?
... und so ein EQ für Gesang hat mehr Knöpfe als ein Space-Shuttle.
Peter D. schrieb: > Das untere Ende gehört an GND und nicht an den OPV-Ausgang. Da muss ich Wiedersprechen das ist rechts genauso und richtig. bei der linken schaltung sind nur R3 und R4 zusätzlich. Ansonsten sind die Schaltungen gleich bis auf die unterschiedliche dimensionierung, zu der auch R3 und R4 gehören (sind rechts eben 0). Die schaltung kann man auch mit Transistoren aufbauen. Nennt sich auch Kuschwanzregler. MfG
Peter D. schrieb: > Das Ohr ist ja eh ein Gewöhnungssinn, … nach ein paar Minuten hat man > sich daran gewöhnt und nimmt den Unterschied nicht mehr war. Mit anderen Worten: Klangreglung und Equalizer sind quatsch? Oder soll das heißen, man benötigt sie genau dann, wenn man zwischen verschiedenen Signal-Ketten umschaltet, also z.B.: * Andere Lautsprecher-Boxen * CD, Radio, TV, Soundkarte, … (Kassette, Platte, …) * Anderer Musiktitel, anderes Video, Werbung … damit keine Umgewöhnung des Gewöhnungssinns erforderlich ist? Also braucht man sie doch, aber die Regelung müsste automatisch passieren, oder? (Es wäre sonst ja auch ein Klang-steller kein -regler. Egal.) Peter D. schrieb: > Heutzutage nimmt man Klangsteller-ICs und steuert sie mit > Gleichspannung. Oder mit I²C. Damit ließe sich das auch gut automatisieren. … just my 2 cents.
Hallo zusammen, da muss ich Peter recht geben. Klangregler sind überflüssig, wenn denn die anderen Komponenten bis hin zum Hörraum in Ordnung sind. Was ihr meint, Beispiel Gitarrenverstärker usw., dient der Erzeugung eines Klanges. Dieser hat mit dem Orginal Geräusch nichts gemein. Gruß Roman
Christoph M. schrieb: > Wieso kursieren da soviel schlechte > Schaltungs-Vorschläge im Internet? Weil sich beim Thema Audio jeder kompetent fühlt, der schon mal ein Radio eingeschaltet hat.
Peter D. schrieb: > Die linke Schaltung ist schlichtweg falsch. > Das untere Ende gehört an GND und nicht an den OPV-Ausgang. Das sehe ich nicht so. Beide Schaltungen sind im Prinzip identisch, Baxandall-Netzwerk in der Gegenkopplung. Müssen vom Ausgang gespeist werden. ALLERDINGS sind links die Kondensatorwerte falsch, die müssen paarweise gleich sein. Außerdem sind die Impedanzen sehr hoch, das gibt unnötig Rauschen. Ich würde um den Faktor 10 bis 20 tiefer gehen. Douglas Self hat im letzten Elektor-Preamp 1k Potis eingesetzt, allerdings mit 2 Ops zum treiben. Generell sollte vor die Schaltungen eine niederohmige Treiberstufe. --Thomas
Peter D. schrieb: > Die linke Schaltung ist schlichtweg falsch. > Das untere Ende gehört an GND und nicht an den OPV-Ausgang. > Mit OPV ist die rechte Schaltung richtig. Also, ich sehe zwischen beiden Schaltungen keinen prinzipiellen Unterschied. Links haben wir mit R1 bis R4 zusätzliche Widerstände die den Frequenzverlauf etwas beeinflussen. Das war es aber. Rechts ist die rudimentäre Version eines Kuhschwanzreglers. Für einen Vorverstärker mag eine Klangreglung heutzutage bei einigen Leuten verpönt sein. Bei den AV- Receivern, z.B. dem Rx-V773 von Yamaha, gibt es in der Konfiguration der Wiedergabeeinstellungen trotzdem eine Klangreglung, natürlich für jeden Kanal. Die alte Klangreglung spielt aber nur noch bei der Konfiguration noch eine Rolle. Der Clou sind heute Klangprogramme. Auf der Fernbedienung gibt es aber auch noch den Button STRAIGHT, für Puristen. mfg klaus
Eine sehr gute Anlaufstelle rund um Audio ist immer Elliot: http://sound.westhost.com/projects-0.htm
Matthias S. schrieb: > Eine sehr gute Anlaufstelle rund um Audio ist immer Elliot: > http://sound.westhost.com/projects-0.htm Stimmt. Würde ich für bodenständige Ansprüche auch empfehlen. http://sound.westhost.com/project97.htm mfg klaus
Peter D. schrieb: > Die linke Schaltung ist schlichtweg falsch. > Das untere Ende gehört an GND und nicht an den OPV-Ausgang. Unfug. Die rechte und die linke Schaltung sind in allen wesentlichen Punkten identisch.
Die beschriebenen Baxandall-Schaltungen waren in den HiFi-Verstärkern der 80er-Jahre der Standard - nicht jedoch in den klassischen Fender/Marshall-Gitarrenverstärkern. Dort wurden passive Klangregler eingesetzt, zu finden unter dem Begriff "tone stack". Es gibt keine ideale Klangregelung für jeden Anwendungszweck - und dazu kommen die individuellen, weit gestreuten Klangvorstellungen.
Bernd K. schrieb: > Unfug. Die rechte und die linke Schaltung sind in allen wesentlichen > Punkten identisch. Nö, die linke Schaltung ist asymmetrisch dimensioniert, d.h. unterschiedliche Bauteilewerte für Dämpfung und Anhebung, wie es für passive Schaltungen vorgesehen ist. Daher ergibt sich auch eine unterschiedliche Kennlinie bezogen auf die Potistellung. Klangsteller-ICs haben typisch eine ähnliche Kennlinie, wie die rechte Schaltung.
Peter D. schrieb: > Klangsteller-ICs haben typisch eine ähnliche Kennlinie, wie die rechte > Schaltung. Naja, sind denn analoge Klangsteller-ICs jetzt für Gitarren oder andere Musikinstrumente und Mikros geeignet? Hab nämlich gesehen, dass die nur bis 300mV Pegel verzerrungsfrei arbeiten und das Rauschen ist laut Datenblatt auch nicht ohne!? Der LM1036 hat z.B. bei 300mV eine harmonische Verzerrung von 0,03%, bei 600mV aber schon von 1%. Und der SNR liegt bei Vollaussteuerung (300mV) bei 80dB, dementsprechend bei 30mV bei 60dB. Klingt für mich wie eine Lösung, die gut mit skalierten normierten Signalen arbeiten kann, aber Bassgitarre, Mikro, Schlagzeug... da ist die Signalstärke wahrscheinlich weit gestreut und man benötigt viel Dynamik???
Mark S. schrieb: > Es gibt keine ideale Klangregelung für jeden Anwendungszweck Es gibt aber schon Grundanforderungen: Die Potis sollten Gleichspannungsfrei sein, und der Höhenregler sollte den Bassverlauf nicht beeinflussen bzw. umgekehrt, und der Effekt der Schaltung sollte nicht von der Eingangsimpedanz abhängig sein Christoph M. schrieb: > In Mittelstellung der Potis ist der > Frequenzverlauf nicht neutral und auch nicht symmetrisch Na ja, 10k und 12k sind auch nicht symmetrisch. Christoph M. schrieb: > diese Schaltung ist mit die simpelste! Na ja, sie erwartet VCC/2, es fehlt bloss der Spannungsteiler R5 R6 C6, ansonsten sind die identisch, bis auf den hier richtigen Widerstandswert. Ich würde sowieso nur Schaltungen mit positiver und negativer Versorgungsspannung aufbauen um den Einschaltplopp zu verhindern. Dann entfällt R5 R6 C6 sowieso. Und einen OpAmp als Eingangspuffer vorschalten, der fehlt bei beiden. Christoph M. schrieb: > Eigentlich hätte ich gern mal was Digitales gebaut, mit DSP, aber der > Aufwand scheint mir nicht ohne zu sein und ich finde nur bruchstückhaft > Referenzdesigns. Daher lieber Analog-Technik. Zwischendrin gäbe es den SC switches capacitor Filter http://www.timstinchcombe.co.uk/index.php?pge=lmf100 http://www.ti.com/lit/ds/symlink/tas3002.pdf hat schon viele Beinchen, wohl wahr. Den Fujitsu Whisper gibt es leider nicht mehr (er war auch nicht ganz HiFi).
Die Klangsteller-ICs sind hauptsächlich für die Wiedergabe von Musik gedacht. Und der LM1036 ist auch nicht gerade high end. Effektgeräte für Musiker haben oft andere Anforderungen. Die können sich auch je nach Musikrichtung und Instrument ändern. Ich würde einen Equalizer mit wählbaren Presets empfehlen. Schau Dich einfach mal in der Gitarrenverstärker-Szene um.
Christoph M. schrieb: > Der LM1036 hat z.B. bei 300mV eine harmonische Verzerrung von 0,03%, bei > 600mV aber schon von 1%. Ich hatte das Ding in 2-facher Ausfertigung früher in meinem Bassverstärker - kontrolliert von einem I²C DAC. Der Chip klingt nicht schlecht, aber seine geringe Austeuerbarkeit erfordert auf jeden Fall einen Aufholverstärker, ehe es zur Endstufe geht. Ausserdem ist er, soweit ich weiss, abgekündigt, so das es nur noch Reststückzahlen gibt.
Bitte melde dich an um einen Beitrag zu schreiben. Anmeldung ist kostenlos und dauert nur eine Minute.
Bestehender Account
Schon ein Account bei Google/GoogleMail? Keine Anmeldung erforderlich!
Mit Google-Account einloggen
Mit Google-Account einloggen
Noch kein Account? Hier anmelden.

