Das Netzteil vom Fernseher sieht so aus als wäre da ein Widerstand durch. Ich bräuchte dringen hilfe ob der wirklich hin ist und was für einer das ist.
Hast Du kein Messgerät? Den Wert siehst Du anhand der Farbringe, ob er durch ist sagt mir meine Glaskugel aber nicht. Wenn Du mit den Farben nichts anfangen kannst, lass die Finger davon! Old-Papa
Old P. schrieb: > Den Wert siehst Du anhand der Farbringe Achso so einfach? Dann sag doch mal auf welchen Wert du kommst.
Der Schaden an der Platine und der Zustand des Widerstandes passen nicht zusammen. So wie die Platine aussieht, war der Originalwiderstand schwarz und der jetzt eingelötete ist nur ein Ersatz. Welchen Wert der Widerstand ursprünglich hatte kann nur noch der Schaltplan klären. Gruß Tom
Ja mit den Farbringen war ich auch schon so weit. Und wenn ich Ahnung hätte würde ich hier nicht schreiben. Sehr hilfreich deine Antwort.
Ne das ist der Original widerstand. Noch wurde nix gelötet aber das hätte ich vor wenn ich wüsst was für einer das ist
Der Widerstand hat einen Wert von 8,2 Megaohm und vermutlich 0,5 bis 1 Watt Leistung. An der Stelle ist aber Vorsicht geboten, wenn trotz des hohen Widerstandes so ein Schaden ensteht müssen dort sehr hohe Spannungen im Spiel sein. Gruß Tom
82,5 Ohm kann auch sein, kommt darauf an ob der vierte Ring der Multiplikator ist oder die Toleranz darstellt?
So wird das nix. Es kann auch ein 0,82 Ohm oder 8,25 Ohm Widerstand sein. Aber wenn der so aus dem Kontext gerissen fotografiert wird, sind eben sinnvollere Antworten schwierig. Fotografier das mal von etwa weiter weg, und auch die Leiterseite und sag uns, was das für ein Fernseher ist.
Der Trend geht zum Zweitwiderstand. Es gab vllt. schon mal eine Reparatur. Wenn er parallel zur Steckdose liegt, ist er für die Fehlersuche i.M. unbedeutend. Darüber könnte die Rückseite der Baugruppe Aufschluss geben.
Hannäs schrieb: > 82.5 Ohm TomA schrieb: > 8,2 Megaohm Matthias S. schrieb: > 0,82 Ohm oder 8,25 Ohm Ich biete 820 kOhm.
MM schrieb: > Hannäs schrieb: >> 82.5 Ohm > > TomA schrieb: >> 8,2 Megaohm > > Matthias S. schrieb: >> 0,82 Ohm oder 8,25 Ohm > > Ich biete 820 kOhm. die Frage des TO ist berechtigt, irgendwie passt der weiße Ring NICHT
Hi Es gibt keinen 5-Ring Code, bei dem der lezte Ring Weiss ist. Also müsste es mit 9 losgehen. Welche Farbe hat der zweite Ring von links? MfG Spess
Verbaut ist der originale Widerstand, (hab mir Bilder zum Vergleich angeschaut) spontan hätte ich jetzt gesagt 8,2MΩ mit TK von 10ppm aber das hört sich irgendwie ziemlich groß an...
Da es sich hier um ein Schaltnetzteil handelt, bei dem vermutlich keine sehr hohen Spannungen auftreten, würde ich nun auch eher von 82,5 Ohm ausgehen. Von rechts nach links abgelesen ergibt sich Grau=8, Rot=2, Grün=5, Gold=Tol./Multiplikator, Weiß=? Die führende 82 läßt auf einen Normwert (E12/E24) schließen. @Spess: Der zweite Ring von links ist golden, damit scheidet er als Zahlenwert aus. Gruß. Tom
Es wäre an der Zeit das Messgerät aus dem Werkzeugkasten zu befreien. Der eigentliche Defekt liegt wahrscheinlich nicht auf der Netzfilterplatine.
David schrieb: > Das ist die Platine um die es sich handelt Hat die nur eine Seite? Die Breite der rückseitigen Leiterbahn am unteren Ende von R102 spricht für Ströme von mehreren Ampere. Wenn die Bahn nicht aus Jux so breit ist, schein auch 82,5Ω noch hoch gegriffen. Da der Widerstand nicht irgendwie gequält aussieht, sollte doch eine Messung mehr Erkenntnis bringen.
5 Ringe mit 2.Gold oder 5.Weiß gibt es nicht.
Grau-Rot-Grün-Gold sind 8,2M 5%
-- dann müssten es Lichtbögen statt Überlastung sein, aber J1 ist zu
nahe.
Grau-Rot-Grün-Gold-Silber sind 82,5 Ohm 10%
-- 5 Ringe bei 10% Toleranz?
>Wenn Du mit den Farben nichts anfangen kannst, lass die Finger davon!
Mit deinem Vorschlag müssten so etwa 99,99% von uns die Finger davon
lassen. Was soll dann aus diesem Forum werden?
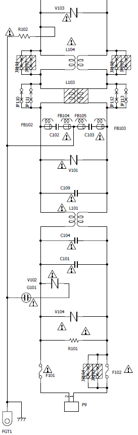
Man könnte ja einfach im Servicemanual nachsehen: R102 D0B1825JA033 M 8.2 MOHM J 1 W Und daneben der Warnhinweis: nur Originalteil verwenden. (Der Widerstand sitzt zwischen L und PE.)
Rechts außen auf der Platine ist nochmals so ein gold-weiß-beringter, der R101: lässt sich über diesen etwas herausfinden?
Ein Widerstand im Megaohmbereich in so einem Schaltnetzteil? Ich behaupte mal es ist ein 82,5 Ohm mit 20% 5 Farbringe 1. Ring Grau = 8; 2. Ring Rot = 2; 3. Ring Grün = 5 Macht bisher 825 dann der 4. Ring in Gold = Multiplikator 0,1, das macht dann 82,5 und der letzte Ring wäre die Tolenanz. Hier gilt: Silber = 10% Gold = 5% Braun = 1% Rot = 2% Grüm = 0,5% Blau = 0,25% Violet = 0,1% und keine Farbe ist 20% Damit jetzt aber keiner auf die Idee kommt der Widerstandswert hat nur 4 Ringe (Das wären dann die besagten 8,2 Megaohm) haben die Jungs einen weißen Ring als "keine Farbe" draufgedruckt. Damit hat Hannäs die richtige Lösung.
>Das ist der R101 .. Das sind auch die einziegen Eine Einziege ? ;-) @ Michael H. (mueckerich) >Ein Widerstand im Megaohmbereich in so einem Schaltnetzteil? Ich >behaupte mal es ist ein 82,5 Ohm mit 20% Bißchen unlogisch, einen R auf weniger als 1% genau zu spezifizieren, und den dann doch mit 20% zu beringen ...
Hi >Ein Widerstand im Megaohmbereich in so einem Schaltnetzteil? Ich >behaupte mal es ist ein 82,5 Ohm mit 20% Und was sagst du dazu Beitrag "Re: Was für ein Widerstand ist da ?" MfG Spess
Michael H. schrieb: > Ein Widerstand im Megaohmbereich in so einem Schaltnetzteil? Ich > behaupte mal es ist ein 82,5 Ohm mit 20% Klar! 82,5ohm zw. Hot und Cold. Der Darwin Award lässt grüßen!
spess53 schrieb: > Beitrag "Re: Was für ein Widerstand ist da ?" Damit der Widerstand bei dem Wert sein 1W ausspielen kann, müssten da wesentlich mehr als 1000V anliegen. Kein Wunder, dass der nicht warm geworden ist.
Dieser R ist ja auch gar nicht kaputt. Das vermutet ja nur der TO ...
hinz schrieb: > Man könnte ja einfach im Servicemanual nachsehen: > > > R102 D0B1825JA033 M 8.2 MOHM J 1 W > > Und daneben der Warnhinweis: nur Originalteil verwenden. > > (Der Widerstand sitzt zwischen L und PE.) .... und soll sicher irgendwelche Kondensatoren entladen, wenn der Stecker aus der Dose gezogen wird. So wie es aussieht, ist seine Zementschicht auch leicht aufgeplatzt, das Ding hat vielleicht Überspannung abbekommen. Mithin auch das Netzteil, da wird wohl noch mehr defekt sein als nur der R. Der 5. Ring (weiß) sagt wahrscheinlich aus, das es ein spezieller "Sicherheits-R" ist. Old-Papa
spess53 schrieb: > Es gibt keinen 5-Ring Code, bei dem der lezte Ring Weiss ist. Also Es kann nicht sein was nicht sein darf. Was der im konkreten Fall bedeuten soll, wer 'Weiss' :)
1234657890 schrieb: > Klar! 82,5ohm zw. Hot und Cold. Der Darwin Award lässt grüßen! Endlich jemand der den Kern der Sache und das ganz offensichtliche erkannt hat! Ich frage mich ernsthaft warum so viele blinde und unwissende sich berufen fühlen hier einen Kommentar abgeben zu müssen! Nix für ungut, aber man stelle sich einmal vor, der TO baut an dieser Stelle einen 820 Ohm Widerstand ein... Wozu dient wohl der Aufdruck auf der Platine? Was ist das für eine dicke schwarze Linie??? Selbstverständlich hat der Widerstand 8,2 Megaohm und ist keinesfalls für den Defekt des Netzteils verantwortlich.
netzteiler schrieb: > Selbstverständlich hat der Widerstand 8,2 Megaohm und ist keinesfalls > für den Defekt des Netzteils verantwortlich. Wieso kann es auf keinen fall sein ?
>Wieso kann es auf keinen fall sein ?
Weil er eben keine wesentliche Funktion für die eigentliche Funktion des
NT zu erfüllen hat.
Hier noch ein Beitrag zum mysteriösen weissen Ring: http://www.elektron-bbs.de/elektronik/farbcode/r.htm Das ist ein Sicherungswiderstand. Der weisse Ring gibt die Spannungsfestigkeit an.
Kurt A. schrieb: > Der weisse Ring gibt die > Spannungsfestigkeit an. Er entschädigt darüber hinaus auch Kriminalitätsopfer: https://www.weisser-ring.de/internet/
Bitte melde dich an um einen Beitrag zu schreiben. Anmeldung ist kostenlos und dauert nur eine Minute.
Bestehender Account
Schon ein Account bei Google/GoogleMail? Keine Anmeldung erforderlich!
Mit Google-Account einloggen
Mit Google-Account einloggen
Noch kein Account? Hier anmelden.



