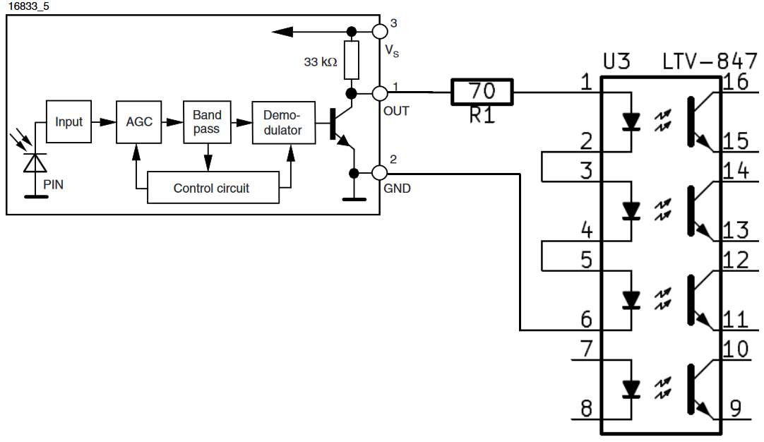
Hallo, ich suche nach einer Lösung um ein IR-Signal aus einem TSSP4P38 für drei Geräte verfügbar zu machen. Dafür wollte ich einen LTV-847 Optokoppler nutzen um damit das Signal vom IR-Empfänger durchschleifen. Leider kommt am Ausgang des Optokopplers nichts an. Die Schaltung ist im Anhang. LG
Würdest du die LEDs der Optokoppler parallelschalten (natürlich mit einem Vorwiderstand für jede), dann könnte auch was am Optokopplerausgang ankommen. Vielleicht ist der dann aber auch noch zu langsam (Ich habe mich nicht das Datenblatt dazu angesehen).
Hallo, in das Datenblatt des TSSP4P38 hast Du aber schonmal reingeschaut, speziell das Blockdiagramm? Wie soll das so gehen? Gruß aus Berlin Michael
STK500-Bsitzer schrieb: > Würdest du die LEDs der Optokoppler parallelschalten (natürlich mit > einem Vorwiderstand für jede), dann könnte auch was am > Optokopplerausgang ankommen. Kannst du mal erklären, wie du auf diesen Vorschlag kommst? Ob da nun drei LEDs in Serie oder parallel an einem Widerstand von 30k Vorwiderstand hängen, macht nun wirklich keinen Unterschied. Da fließt einfach zu wenig Strom. Ich empfehle die Lektüre der Seite 1 des Datenblattes. http://www.vishay.com/docs/82474/tssp4p38.pdf
p.s. Und um es gleich vorweg zu nehmen. Eine Parallelschaltung dürfte unter Beachtung der Absolut Maximum Ratings vom TSSP4P38 sowieso nicht in Frage kommen.
Danke schon mal für die schnellen Antworten. STK500-Bsitzer schrieb: > Würdest du die LEDs der Optokoppler parallelschalten (natürlich mit > einem Vorwiderstand für jede), dann könnte auch was am > Optokopplerausgang ankommen. Wenn das Signal an nur einem Eingang des Optokopplers liegt kommt am Ausgang auch nichts an. STK500-Bsitzer schrieb: > Vielleicht ist der dann aber auch noch zu langsam (Ich habe mich nicht > das Datenblatt dazu angesehen). Im Datenblatt steht etwas von "Cut-Off-Frequency 80kHz". Michael U. schrieb: > in das Datenblatt des TSSP4P38 hast Du aber schonmal reingeschaut, > speziell das Blockdiagramm? Wolfgang schrieb: > Da fließt einfach zu wenig Strom. > Ich empfehle die Lektüre der Seite 1 des Datenblattes. > http://www.vishay.com/docs/82474/tssp4p38.pdf Okay, das Datenblatt habe ich mir schon angeguckt. Für mich sieht das so aus das dass Funktionieren sollte. Bin aber für andere Vorschläge offen wie man das IR-Signal für drei Empfänger verfügbar machen kann.
Wolfgang schrieb: > Kannst du mal erklären, wie du auf diesen Vorschlag kommst? > Ob da nun drei LEDs in Serie oder parallel an einem Widerstand von 30k > Vorwiderstand hängen, macht nun wirklich keinen Unterschied. Ich habe mir das Innenleben des IR-Receivers nicht angesehen. Würden sie auch noch gegen Vcc geschaltet sein, wäre es noch besser. Die drei Optokoppler-LEDs kommen auf eine Spannung zwischen 3,6V und 4,2V. Das könnte als Reihenschaltung noch hinkommen.
Hallo, der Empänger ist aktiv Low, bei 0,5mA ist die Ausgangsspannung 100mV, maximal zulässiger Strom ist 5mA, welche Spannung da am internen Transistor abfällt, ist nicht erwähnt. Das ist ein Logikausgang, kein Treiber für LEDs o.ä. npn-Transistor dazwischen, der die Optokoppler schaltet. Basis kann dan auch direkt and en Ausgang, der interne Widerstand gegen +Ub begrenzt den Bassistrom ausreichend. Gruß aus Berlin Michael
Jonas B. schrieb: > Okay, das Datenblatt habe ich mir schon angeguckt. Für mich sieht das so > aus das dass Funktionieren sollte. Sicher?
Jonas B. schrieb: > ich suche nach einer Lösung um ein IR-Signal aus einem TSSP4P38 für drei > Geräte verfügbar zu machen. > > Dafür wollte ich einen LTV-847 Optokoppler nutzen um damit das Signal > vom IR-Empfänger durchschleifen. Haben diese Geräte denn unterschiedliche Massepotentiale? Falls nicht, würde ein einzelner Transistor zur Verstärkung reichen. Falls doch, musst Du einen Transistor zur Verstärkung zwisdchen TSSP und OK schalten.
Jonas B. schrieb: > Danke schon mal für die schnellen Antworten. > > STK500-Bsitzer schrieb: >> Würdest du die LEDs der Optokoppler parallelschalten (natürlich mit >> einem Vorwiderstand für jede), dann könnte auch was am >> Optokopplerausgang ankommen. > > Wenn das Signal an nur einem Eingang des Optokopplers liegt kommt am > Ausgang auch nichts an. Aha. "Parallelschaltung" hast du also auch nicht begriffen. Genauso wenig wie auch "open collector Ausgang". > Okay, das Datenblatt habe ich mir schon angeguckt. Für mich sieht das so > aus das dass Funktionieren sollte. Das ist falsch. > Bin aber für andere Vorschläge offen wie man das IR-Signal für drei > Empfänger verfügbar machen kann. Zuerst mal solltest du überlegen, woher denn der Strom kommen soll, der durch die LED der drei Optokoppler fließen muß. Aus dem IR-Empfänger kommt der jedenfalls schon mal nicht. Dann wäre es angebracht, mal kurz darüber nachzudenken, welchen Logikpegel die Schaltung hinter dem Optokoppler sieht, wenn der IR-Empfänger an seinem Ausgang ein H (bzw. L) liefert. Als nächstes könntest du darüber nachdenken, ob es wirklich eine so clevere Idee ist, drei IR-LED in Reihe an einer Betriebsspannung von 5V betreiben zu wollen. Stichworte: Exemplarstreuung der Flußspannung, Betriebsspannungsschwankung, Stromkonstanz. Dann wäre als nächstes die Frage zu klären, wieviel Strom du wirklich durch die IR-LED schicken mußt. Hint: im Datenblatt steht der Maximalwert den die LED im Optokoppler aushält. Es ist keineswegs so, daß du die LED immer mit diesem Maximalwert befeuern mußt.
Bitte melde dich an um einen Beitrag zu schreiben. Anmeldung ist kostenlos und dauert nur eine Minute.
Bestehender Account
Schon ein Account bei Google/GoogleMail? Keine Anmeldung erforderlich!
Mit Google-Account einloggen
Mit Google-Account einloggen
Noch kein Account? Hier anmelden.

