Ich versuche das Prinzipschaltbild eines Umrichters zu verstehen: https://de.m.wikipedia.org/wiki/Umrichter#/media/Datei%3AThree_Phase_AC_AC_voltage_DC.jpg Der rechte Teil als Wechselrichter ist mir klar, aber warum sind im linken Teil (Gleichrichter) auch IGBTs? Sollten die Dioden nicht reichen?
Synchrongleichrichter haben weniger Verluste als Dioden. Außerdem wird der Gerät so auch rückspeisefähig.
Ah Ok. Also wenn die Gates der IGBTs nicht angesteuert werden, dann müsste der Gleichrichter durch die (Body-) Dioden aber trotzdem funktionieren, oder? Wenn dann die Gates dementsprechend angesteuert werden, dann leiten die IGBTs parallel zur Diode. Dann sind aber die Verluste geringer. Richtig? Aber so kann ich den Ausgang des Gleichrichters doch noch nicht steuern (die Gleichspannung ein- / ausschaltbar machen)? Müsste ich denn nicht noch zwei zusätzliche IGBTs antiseriell in DC+ und DC- einschleifen? Ich möchte gerne die Gleichspannung schalten und ggf. über PWM regeln.
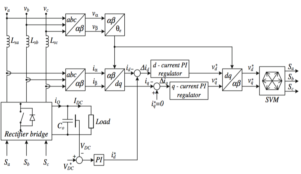
Bei dieser Prinzipschaltung handelt es sich um einen Spannungszwischenkreisumrichter. Du hast schon richtig gesagt, wenn die IGBT des Gleichrichters ausgeschaltet sind handelt es sich um einen passiven Diodengleichrichter. Dieser weist aber eine enorme Netzstromverzerrung auf und produziert Netzblindleistung. Des Weiteren hast du eine vom Netz vorgegebene Ausgangsgleichspannung. Schaltet man nun IGBT oder MOSFET parallel zu den Dioden ist es möglich die Ausgangsgleichspannung zu steuern oder zu regeln. Mit dieser Gleichrichtertopologie kannst du aber die Ausgangsgleichspannung nur hochsetzen. Außerdem ist es möglich mit einer geeigneten Ansteuerung (z.B Spannnungs-Raumzeigermodulation) den Netzstrom mit einem geringen Glättungsaufwand sinusförmig einzuprägen und die Netzblindleistung auf null regeln. Das Blockschaltbild der Regelung befindet sich im Anhang. Um das zu verstehen muss man sich erstmal mit der Raumvektordarstellung des Dreiphasensystems auseinandersetzen. Kennst du dich mit der Park - und Clarke-Transformation aus ? Das war die Kurzfassung was man mit der Schaltung alles so anstellen kann.
jojo schrieb: > Also wenn die Gates der IGBTs nicht angesteuert werden, dann müsste der > Gleichrichter durch die (Body-) Dioden aber trotzdem funktionieren, > oder? IGBTs haben prizipiell zunächst keine Bodydioden. Aber häufig wird eine Diode extra im selben Package eingebaut. Nun schaue man sich mal die Polrichtung an. Das hat nichts mit Synchrongleichrichter. Für den Zweck müßten die IGBTs in dieser Schaltung im Rückwärtsbetrieb laufen. Will man das? http://www.elektronikpraxis.vogel.de/leistungselektronik/articles/385708/ Der skizzierte Schaltkreis kann in beide Richtungen arbeiten. Allerdings könnte man mit entsprechender Ansteuerung, je nach Art der Induktivitäten, auch eine Phasenverschiebung nach hinten bewirken. Das läßt sich aber nicht so allgemein sagen, weil man dazu die Bauteiledaten kennen müßte.
Bitte melde dich an um einen Beitrag zu schreiben. Anmeldung ist kostenlos und dauert nur eine Minute.
Bestehender Account
Schon ein Account bei Google/GoogleMail? Keine Anmeldung erforderlich!
Mit Google-Account einloggen
Mit Google-Account einloggen
Noch kein Account? Hier anmelden.
