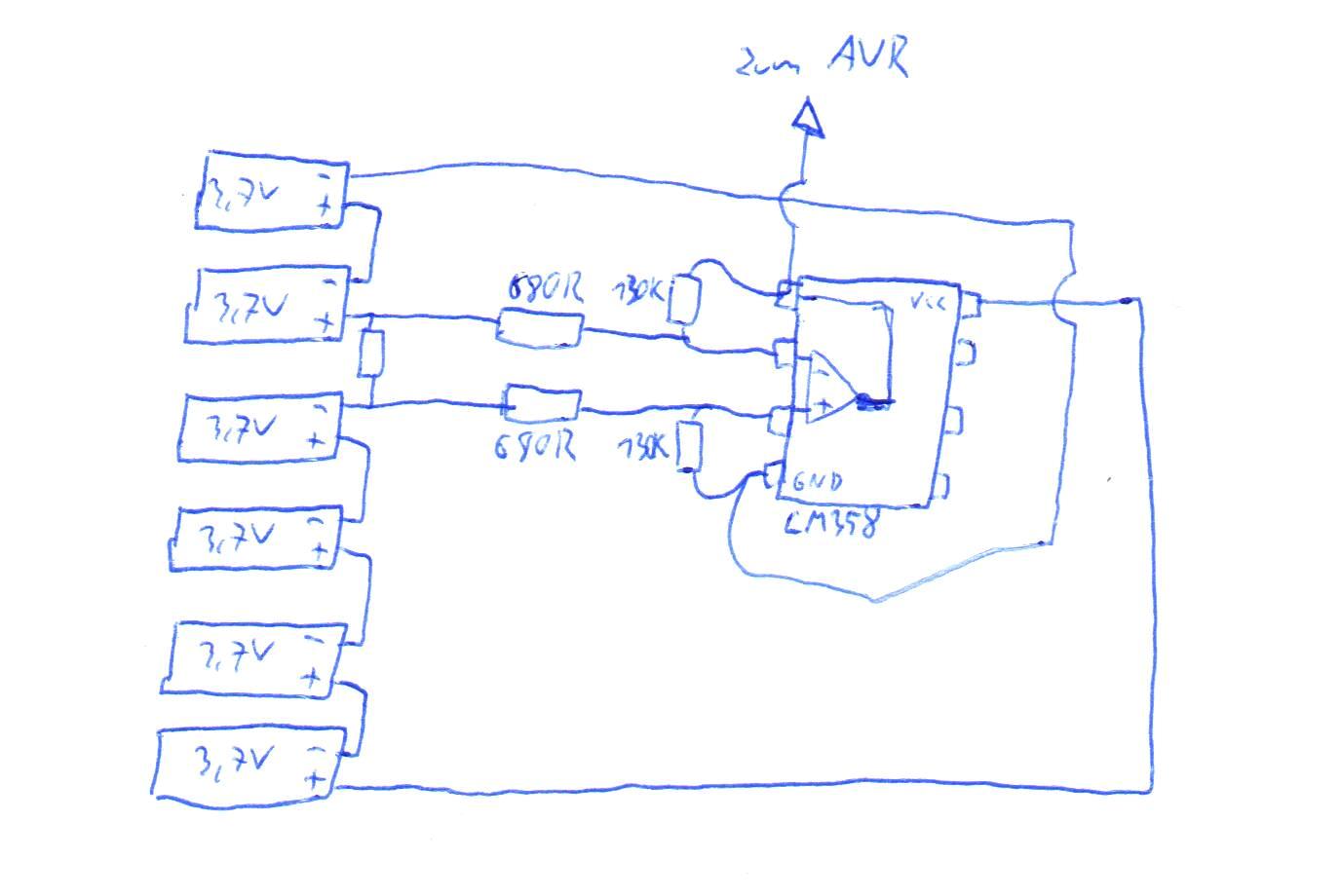
Hallo zusammen :) Entschuldigt den vagen Titel, aber ich weiß nicht wie ich das knapp beschreiben könnte. Ich habe hier einen LM358 als Differenzverstärker, mit dessen Hilfe ich den Strom durch ein 6-Zellen-LiPo-Akkupack messen möchte. Als "Shunt" dient hierbei der Draht zwischen Zelle 2 und 3. Versorgungsspannung für dem LM358 soll der Akku selbst sein. Nun das Problem: Wenn ich als verstärkende Spannung z.B. ein Labornetzteil anschließe, funktioniert alles wunderbar. Will ich nun aber die Spannung die am "Shunt" abfällt verstärken, liegt die Ausgangsspannung am LM358 durchgehend bei ca. 590mV Anbei eine Zeichnung vom angedachten und erfolglos getesteten Aufbau. lg, couka edit: Sry für das doppelte Bild, hatte eigentlich vor die größere Datei wieder zu löschen, geht aber anscheinend nicht mehr.
Dir ist ein kleiner Kunstfehler unterlaufen:-) Der Spannungsabfall an R ist ja bei Laststrom negativ. Wenn Dein OPV ein Doppelpoliges Netzteil hätte, würdest Du den Fehler schon bemerkt haben weil die Ausgangsspannung relativ zum Bezugspunkt negativ gehen würde. Wechsle beide Eingänge um und es wird funktionieren. Diesen Fehler kann man leicht machen. Mfg, Gerhard
Danke für den Hinweis, aber leider ist mir der Fehler nur beim abmalen unterlaufen... Schade ^^ Aber auch wenn es das wäre, sollte der Opamp ja bei I=0 etwa 0V ausgeben, tut er aber nicht :/ lg, couka
Was passiert wenn beide Eingänge umgepolt werden? Die Ausgangsspannung ist ja 130000/680(E2-E1), wo E2 der untere Strang ist und E1 der obere. Es ist wichtig, dass der Verstärker nicht invertierend arbeitet was nur bei E2>E1 gegeben ist. Der Positive Eingangspannung muss hier höher sein wie am invertierenden Eingang, sonst geht der Ausgang negativ (wenn er könnte)
Couka R. schrieb: > Will ich nun aber die Spannung die am "Shunt" abfällt verstärken, liegt > die Ausgangsspannung am LM358 durchgehend bei ca. 590mV Das ist wahrscheinlich nur der OPV Offset. Bei einer Verstärkung von ca 200 ist das nicht ungewöhnlich.
Eine Verstärkung von 130E3 / 580 = 220 ohne Offsetkorrektur, wobei der Offset bis zu 5mV sein kann, kann dann auch schonmal 500mV am Ausgang geben.
Ich bastle auch gerne mit dem LM358 und kämpfe mit dessen offset bei Strommessungen. Willst du ab kleiner 1mV Spannungsabfall am shunt verstärken, musst du den positiven Eingang über den offset anheben und den Spannungsabfall am shunt dazu addieren. Die angehängte Schaltung ist meine Stromsenke. Betrachte U2B. Mit R6 + R7 stelle ich ca 5mV am positiven Eingang des Verstärkers ein was in etwa 0,7V am Ausgang ergibt. Dieser Wert ist dann der Nullpunkt für die Stromberechnung zB. ADC Wert 254. Bei 1mV Spannungsabfall am shunt und einer Verstärkung von zb. 200 wären es dann 0,7V + 200mV = 0,9V. Da du einen AVR benutzt kannst du ja den Nullpunkt so berechnen dass Werte unter 254 null sind, alles darüber berechnest du wie gewohnt.
Jetzt kloppt doch endlich mal den 358 in die Tonne und verwendet etwas modernes. Ein MCP617 ist auch nicht teuer und hat nur noch 150uV Offset max
Oh D. schrieb: > Jetzt kloppt doch endlich mal den 358 in die Tonne Oh D. schrieb: > Ein MCP617 ist auch nicht teuer reichelt keine treffer.... das zum wegwerfen der 358er. und genommen wird erst mal was im schrank liegt. neu kaufen kann ja jeder.
Auch wichtig, bei solchen Differenzverstärkern, ist die Paarung der Widerstände des Gegenkopplungsnetzwerks. Wenn die nicht stimmt, ist die Gleichtaktunterdrückung auch schlecht. Also wenn möglich, wenigstens eine Möglichkeit zur Trimmung vorsehen!
> reichelt keine treffer....
das zum wegwerfen der 358er.
Die Mixcrochip Teile kauft man bei microchipdirect.com . Das lohnt sich
erst ab groesseren Stueckzahlen, zB 50 Stueck.
Der 617 ist auch ein RRO fuer 5V max. ist daher nicht der genaue Ersatz
fuer den 358, dessen Bandbreite hat er auch nicht.
Aber eine Verstaerkung von 200 fuer den 358 bei einer Offsetspannung von
3mV ist eben auch illusorisch.
Oh D. schrieb: > Aber eine Verstaerkung von 200 fuer den 358 bei einer Offsetspannung von > 3mV ist eben auch illusorisch. Für mich liegt genau hier die Herausforderung da Elektronik mein Hobby ist. Als Entwickler für die Industrie kauft man sich natürlich den passenden OP und bastelt nicht an de Schaltung. Naja, zumindest bis zu einem gewissen Punkt ;-)
Gerald R. schrieb: > Für mich liegt genau hier die Herausforderung da Elektronik mein Hobby > ist. Pfuschen als Herausforderung? Da gibt es bessere Möglichkeiten der Profilierung. :-(
Oh D. schrieb: > Aber eine Verstaerkung von 200 fuer den 358 bei einer Offsetspannung von > 3mV ist eben auch illusorisch. Unter welchen Bedingungen/Einschränkungen ist eine Verstärkung von 200 mit dem LM358 denn nicht mehr illusorisch? Denn brauchen tu ich ich die Verstärkung, soviel steht fest ^^ lg, couka
Laut Datenblatt des LM358N "max DC GAIN 100dB". Verstärkung 200 sind wenn ich richtig recherchiert habe ca.46dB. 100dB sollte dann eine Verstärkung von 100000 sein. Also sehe ich auf dem Papier kein Problem, auch meine Schaltung die ich oben gepostet habe liefert recht genaue und plausible Schätzungen von 3-5000mA. Warum versuchst du es nicht einfach?
Gerald R. schrieb: > Warum versuchst du es nicht einfach? Ich glaub dir auch ohne es selber nachzubauen, dass deine Schaltung gut funktioniert, aber sie passt halt nicht auf mein Problem, so weit ich das sehe :) Die Spannungsdifferenz die ich messen will, liegt eben nicht zwischen GND und x mV, sondern zwischen ca. 7,5V und 7,5V + x mV. Ist nicht so, dass ich noch nie einen funktionierenden Differenzverstärker aufgebaut hätte, nur dass es diesmal eben nicht hinhaut wie sonst und ich versteh nicht warum ^^ lg, couka
Das macht keinen Unterschied ob von GND oder nicht. Du musst nur die Differenz zwischen den Eingängen minimal über die offset Spannung bringen wenn kein Strom über den Shunt fließt. Dann addierst du den Spannungsabfall über den Shunt dazu. Du hast über den Spannungsteiler ca. 38mV am positiven Eingang was auch die ca.600mV am Ausgang erklärt. Bei Stromabnahme wird sich der Wert sicher ändern oder nicht? Wie viel Ampere willst du eigentlich messen? Oder welchen Spannungsabfall erwartest du an der Leitung? Dass sich bei fallender Akkuspannung die Werte auf Grund des Spannungsteilers ändern sollte dir auch klar sein.
Welche Toleranzen haben denn die Widerstände? Vielleicht die daraus eventuell folgende schlechte Gleichtaktunterdrückung Schuld an der Misere.
>Wie viel Ampere willst du eigentlich messen? Gemessen werden sollen Ströme bis 100A, Auflösung von 2-3A dürfte reichen. >Oder welchen Spannungsabfall erwartest du an der Leitung? Ich rechne mit einem Spannungsabfall bis zu 25mV, daher die Verstärkung von 200, um auf 0-5V am AVR zu kommen. Es können auch höhere Ströme bis zu 300A auftreten, daher ist der AVR Eingang mit 10kOhm und einer 5,1V Zenerdiode nach GND geschützt. Der Wert dieser Überströme ist nicht interessant. >Dass sich bei fallender Akkuspannung die Werte auf Grund des >Spannungsteilers ändern sollte dir auch klar sein. Ist mir eig nicht klar, nein... Ist der Zweck eines Differenzverstärkers nicht gerade der, dass der Ausgang nur von der Differenz und nicht der Höhe der Eingangsspannungen abhängt? lg, couka
Ich meinte damit den Spannungsteiler zum Anheben des positiven Verstärkereinganges. Das trifft auch nur dann zu wenn du keine Referenzspannung hast und den Aufbau so machst wie ich beschrieben habe. Aber deine 600mV am Ausgang ändern sich dich auch mit der jetzigen Schaltung oder?
Gerald R. schrieb: > Ich meinte damit den Spannungsteiler zum Anheben des positiven > Verstärkereinganges. Achso, gut dann benutze ich zum anheben eben eine geregelte Spannung. Die muss dann aber bis auf einige 10µV stabil sein, soweit ich das sehe, oder? Da wird ein 7805 und ein Spannungsteiler wohl nicht reichen. > Aber deine 600mV am Ausgang ändern sich dich auch mit der jetzigen > Schaltung oder? Nein, ich hab die Schaltung aber bisher auch nur bis ~5A (also 12,5mV U_shunt) getestet, da der eigentliche Verbraucher (ein Motor) auf dem Tisch nicht so einfach belastet werden kann, wie ein Leistungs-R. Kann also durchaus sein, dass der Spannungsabfall am Shunt in der Offsetspannung untergegangen ist (?). lg, couka
Couka R. schrieb: > Kann also durchaus sein, dass der Spannungsabfall am Shunt in der > Offsetspannung untergegangen ist (?). > > lg, couka Davon gehe ich aus. Aber 12mV bei 5A? Eher 1,2mV. Das wären sonst 240mV bei 100A. Dazu brauchst du den Offset nicht kompensieren. Zum Testen reicht ein 7805 sicher aus. Du teilst ja die Spannung bis auf wenige mV runter.
Gerald R. schrieb: > Couka R. schrieb: > >> ...nur bis ~5A (also 12,5mV U_shunt) getestet... > >> Kann also durchaus sein, dass der Spannungsabfall am Shunt in der >> Offsetspannung untergegangen ist (?). >> >> lg, couka > > Davon gehe ich aus. > Aber 12mV bei 5A? Eher 1,2mV. Hoppala, da ist wohl das Komma verrutscht, hast recht. > Zum Testen reicht ein 7805 sicher aus. > Du teilst ja die Spannung bis auf wenige mV runter. Na, dann schau ich mal und meld mich wieder :) lg, couka
Couka R. schrieb: > Unter welchen Bedingungen/Einschränkungen ist eine Verstärkung von 200 > mit dem LM358 denn nicht mehr illusorisch? Bei Verwendung einer zusätzlichen, negativen Betriebsspannung und präziser Offsetspannungskompensation. Die Kompensations- spannung sollte von einer Referenzspannungsquelle abgeleitet werden. Ausserdem sollte die ganze Schaltung in einem Thermo- stat betrieben werden, um die temperaturabhängige Offsetspan- nungsdrift zu verringern. Normale Menschen nehmen allerdings einfach einen besser geeigneten OPV. :-)
Bitte melde dich an um einen Beitrag zu schreiben. Anmeldung ist kostenlos und dauert nur eine Minute.
Bestehender Account
Schon ein Account bei Google/GoogleMail? Keine Anmeldung erforderlich!
Mit Google-Account einloggen
Mit Google-Account einloggen
Noch kein Account? Hier anmelden.


