Ich habe eine ganze Menge von Multimetern in Wohnung, Garage, Werkzeugkiste etc. Es sind nicht alle vom gleichen Fabrikat, aber sie haben alle eine Anzeige von 3 Stellen. Sie weichen aber zum Teil erheblich untereinander ab. Im 200mV-Gleichspannungsbereich beispielsweise um bis zu 80mV. Nun möchte ich eine Referenzspannungsquelle mit TL431B bauen, die laut Datenblatt 0,5% Toleranz hat. D.h. es ergäbe sich eine Spannung von 2,5V +/- 12,5mV. Das ist meiner Meinung nach schon nicht schlecht, obwohl die Meßgeräte im 200mV-Bereich ja alle +/- 1mV in der letzten Stelle "herumgaukeln" können. Ich könnte auch extra Schaltkreise wie REF01,02,03 oder LT1021 bestellen, würde aber die TL431 lieber nehmen, weil ich davon jede Menge hier habe. Frage: Was haltet ihr davon, einen TL431 so beschalten, daß er 2,5 Volt "hergibt" und dann einen OPV mit umschaltbarer Verstärkung hintendran zu machen, um Vielfache von 2,5 Volt (5 Volt, 10 Volt) "herzustellen"? Kalli Brator
Thomas S. schrieb: > so etwas in der Art? Ja, so etwas in der Art. Ich kann (und will) es aber nicht kaufen, u.A., weil ich kein Paypal-Konto habe und auch keines will. Kalli Brator
Kalli Brator schrieb: > Frage: Was haltet ihr davon, einen TL431 so beschalten, daß er 2,5 Volt > "hergibt" und dann einen OPV mit umschaltbarer Verstärkung hintendran zu > machen, um Vielfache von 2,5 Volt (5 Volt, 10 Volt) "herzustellen"? Ich würde sagen, das ist nicht besonders genau. Wenn man schon eine Referenzspannungsquelle mit mäßger Genauigkeit nimmt und dann noch OpAmps hinten anschaltet kann man nicht mehr viel erwarten. Das Ding muss dann in jedem Fall mit einer besseren Ref Spannung abgeglichen werden. Hast du so was und was bringts dann überhaupt? > Ja, so etwas in der Art. Ich kann (und will) es aber nicht kaufen, u.A., > weil ich kein Paypal-Konto habe und auch keines will. Sehen sie dann im nächsten Thread: Hilfe wer kann mir was aus China bestellen hab kein PayPal (und will auch keins).
> Sehen sie dann im nächsten Thread: Hilfe wer kann mir was aus China > bestellen hab kein PayPal (und will auch keins). Das Schätzeisen gibts auch über Amazon. Das war jetzt einfach.
Kalli Brator schrieb: > Sie weichen aber zum Teil erheblich untereinander > ab. Im 200mV-Gleichspannungsbereich beispielsweise um bis zu 80mV. Kandidaten mit Abweichungen von 40% würde ich erstmal auf grobe Fehler untersuchen oder gleich ganz aussondern. Dafür reicht ein scharfer Blick aufs Innenleben, ein einfacher Festspannungsregler und ein paar, nicht zu hochohmige, Widerstände als Spannungsteiler.
> ab. Im 200mV-Gleichspannungsbereich beispielsweise um bis zu 80mV. Ach du scheisse! Sind das so 5euro Teile? Wenn ja dann wegwerfen. Wenn das mal was gutes war dann entweder erst mal reparieren oder auch wegwerfen. Die Frage ist doch ob ein Messgeraet das so ungenau werden kann ueberhaubt kalibrierfaehig ist. > Frage: Was haltet ihr davon, einen TL431 so beschalten, daß er 2,5 Volt > "hergibt" und dann einen OPV mit umschaltbarer Verstärkung hintendran zu > machen, um Vielfache von 2,5 Volt (5 Volt, 10 Volt) "herzustellen"? Das ist nicht besonders genau. Aber bei dir kann es ja nur besser werden. :-D Du koenntes dir vielleicht eine ganz ausgefeilte Schaltung aufbauen, damit nach Hannover zur Maker-Fair fahren und dort mal die Spannung vermessen lassen. Fuer ein 3.5stelliges Multimeter sollte das ausreichen. Olaf
Kalli Brator schrieb: > würde aber die TL431 lieber nehmen, weil ich davon jede Menge > hier habe. Schade. Hier ein paar schöne Videos zum Thema: https://www.youtube.com/watch?v=sKFT9LouyTY und das erste Upgrade dazu: https://www.youtube.com/watch?v=QnH5O-AhqAU noch eine Konstantstromquelle: https://www.youtube.com/watch?v=EXTRKXhvBJU
Cyblord -. schrieb: > Wenn man schon eine > Referenzspannungsquelle mit mäßger Genauigkeit nimmt und dann noch > OpAmps hinten anschaltet kann man nicht mehr viel erwarten. Das Ding > muss dann in jedem Fall mit einer besseren Ref Spannung abgeglichen > werden. Hast du so was und was bringts dann überhaupt? Wenn ich so etwas hätte, bräuchte ich sicher nicht noch extra eine ungenauere Konstruktion zu bauen. Cyblord -. schrieb: > Sehen sie dann im nächsten Thread: Hilfe wer kann mir was aus China > bestellen hab kein PayPal (und will auch keins). Mach Dir da mal keine Sorgen drum. Olaf schrieb: > Ach du scheisse! > Das ist nicht besonders genau. Aber bei dir kann es ja nur besser > werden. :-D > > Du koenntes dir vielleicht eine ganz ausgefeilte Schaltung aufbauen, > damit nach Hannover zur Maker-Fair fahren und dort mal die Spannung > vermessen lassen. Deine Art von Antwort ist so hilfreich wie ein Furunkel am Arsch. Dank für Nichts!... @HP-Freund Danke für die Links. Das sind auf jeden Fall schon einmal gute Anhaltspunkte. Kalli Brator
Wie schon gesagt, der TL431 ist sehr ungenau. Aber es ist machbar. Ich habe hier so etwas mit zwei TL431 in Reihe um +-2,5V oder 5V zu haben. Nach dem TL431 Spannungsteiler mit Potis um 10tel und 100tel abzugleichen. Dann einen LT1013 als Spannungsfolger um den Ausgang auch ein wenig belasten zu können. Der LT1013 ist günstig und hat relativ gute Eigenschaften was Drift und Offset angeht. Betrieben wird das mit 2x9V. Abgeglichen habe ich das Teil mehrfach bei einem Freund mit 4 und 5 stelligem Multimeter. Das 5 stellige wird jährlich kalibriert und das 4 stellige damit abgeglichen. Ich habe jedes mal nachstellen müssen, auch wenn nur zwei Tage dazwischen lagen. Gute Widerstände und Potis sind teuer, die Umgebungstemperatur spielt eine grosse Rolle, die OPs sind zwar gut aber nicht perfekt, ... Für einfache Messaufgaben reicht das, ist aber den Aufwand nicht Wert.
Warum nicht das beste (konstanteste) Messgerät anhand eines Fremdgeräts überprüfen und den Fehler dann im Bedarfsfalle rechnerisch berücksichtigen? So kann man auch mit "ungenauen" Geräten genaue Messergebnisse bekommen ohne an ihnen herumzuschrauben. "Was man im Messgerät drin hat, kann man getrost nachhause tragen."
Fast jedes billig Multimeter kann man abgleichen und das würde ich auch tun, solange man eine akzeptable Referenz zur Verfügung hat. Herumgerechne beim Ablesen ist eine schöne Fehlerquelle. Habe ich allerdings nichts, über dessen absoluten Wert ich mir sicher sein kann, lasse ich die Finger vom Poti.
Die Lösung ist doch eigentlich, sich mal endlich EIN ordentliches MM zu kaufen und das ggf. alle paar Jahre kalibrieren lassen. Was bringen denn 10 Schrott-Multimeter im ganzen Haus verteilt, wenn die am Ende so ungenau sind dass man sich das Messen damit auch sparen kann. > Fast jedes billig Multimeter kann man abgleichen und das würde ich auch > tun, solange man eine akzeptable Referenz zur Verfügung hat. Hat er aber gerade NICHT. Und ich sage man kann ohne eine bessere Referenz auch keine gute Referenz bauen.
Nils S. schrieb: > Ich habe hier so etwas mit zwei TL431 in Reihe um +-2,5V oder 5V zu > haben. Nach dem TL431 Spannungsteiler mit Potis um 10tel und 100tel > abzugleichen. Dann einen LT1013 als Spannungsfolger um den Ausgang auch > ein wenig belasten zu können. Das geht auch! Ich habe ja etliche TL431, da kann ich das auch so machen. Vernünftige OPV mit wenig Drift sind auch verschiedene da. Nils S. schrieb: > Abgeglichen habe ich das Teil mehrfach bei einem Freund mit 4 und 5 > stelligem Multimeter. Peter R. schrieb: > Warum nicht das beste (konstanteste) Messgerät anhand eines Fremdgeräts > überprüfen und den Fehler dann im Bedarfsfalle rechnerisch > berücksichtigen? Das ist eben das Problem: Ich wüßte hier Niemanden, bei dem ich einen Vergleich mit einer besseren Referenz machen könnte, sonst käme ich gar nicht auf die Idee, so etwas bauen zu wollen. Es ist quasi ein "Henne/Ei-Problem". Ich muß praktisch ein Bauelement haben, auf das "von Natur aus" Verlass ist, wenn im Datenblatt z.B. steht: "2,5V +/-0,1%" Kalli
Kalli Brator schrieb: > Frage: Was haltet ihr davon, einen TL431 so beschalten, daß er 2,5 Volt > "hergibt" und dann einen OPV mit umschaltbarer Verstärkung hintendran zu > machen, um Vielfache von 2,5 Volt (5 Volt, 10 Volt) "herzustellen"? So ähnlich habe ich das auch gemacht. Bei der Auswahl der Bauteile war mir die Genauigkeit der Spannungen egal, sondern es kam mir auf die Langzeit- und Temperaturstabilität an. Die "krummen" Werte habe ich dann mit einem geliehenen Kalibrator genau bestimmt. Die Spannungen sind etwas unterhalb der Vollausschläge gewählt.
Für sowas wie Hermann es gebaut hat, würde sich ein LTZ1000 eignen.
Nils S. schrieb: > Für sowas wie Hermann es gebaut hat, würde sich ein LTZ1000 eignen. Na, das ist ja ein niedliches Ding -mit interner Heizmöglichkeit. :-) Nein, das Problem ist: Ich möchte, da schlechtes Wetter und dadurch unverhofft Zeit über das Wochenende so eine Quelle bauen, ohne Spezial- bauelemente vorrätig zu haben. Früher ging das ja auch irgendwie -eben bloß wie? Kalli
Moin, Da bin ich aber doch jetzt neugierig geworden: Und wozu brauch' ich dann die hochgenauen Messgeraete, insbesondere in > Wohnung, Garage, Werkzeugkiste etc.? Was machts fuer'n Unterschied, ob angeblich 235V aus der Steckdose kommen oder 210V? Ob meine Autobatterie angeblich 11.9V hat oder 13.2V? Ob nach dem 7805 nun 4.95V Volt oder 5.1V sind? Ob die Steckdose OK ist, ob die Autobatterie oder der Festspannungsregler OK ist, krieg' ich nicht anhand von absoluten Spannungen raus, sondern anhand vom Verhalten bei verschiedenen Lasten/Betriebsarten. Die absolute Spannung ist doch da eher wurscht, bzw. ist halt so. Weiss ich dann halt, dass dieses Multimeter in diesem Messbereich halt tendentiell zu viel/zu wenig anzeigt. So ne Kalibiererei waer mir echt zu viel Gedoens, fuer das, was ich so in > Wohnung, Garage, Werkzeugkiste etc. zu messen hab'. Gruss WK
Kalli Brator schrieb: > Nein, das Problem ist: Ich möchte, da schlechtes Wetter und dadurch > unverhofft Zeit über das Wochenende so eine Quelle bauen, ohne Spezial- > bauelemente vorrätig zu haben. Früher ging das ja auch irgendwie -eben > bloß wie? Also wenn du nur irgendeine Beschäftigungstherapie brauchst, dann bau doch einfach deine Schaltung, wie im Eingangspost von dir selbst beschrieben. Nur dann frag nicht danach wie GUT das dann nachher ist wenn dich die Antwort im Grunde so wieso nicht interessiert. Zum wirklichen kalibrieren von irgendwas taugt es nicht, um Zeit totzuschlagen hingegen schon.
> Das ist eben das Problem: Ich wüßte hier Niemanden, bei dem ich ... LT1021C-5 LT1021C-10 LTC6655 MAX6225,6241,6250 MAX6325,6341,6350 > Ich möchte, da schlechtes Wetter und dadurch unverhofft Zeit ... Damit würde es dann allerdings nichts.
Dergute W. schrieb: > Und wozu brauch' ich dann > die hochgenauen Messgeraete, Mein Gott! Ich weiß nicht, wozu Du sie brauchst. Da der Rest Deiner Antwort auch absolut nutzlos ist, an Dich der gleiche Dank wie an Olaf: Danke für Nichts! @S.Landolt Die LT1021C-5 habe ich bei Ebay gefunden und werde wohl doch eine Bestellung tätigen. Dann lasse ich das jetzt und baue es dann damit. Kalli
Kalli Brator schrieb: > Ich möchte, da schlechtes Wetter und dadurch > unverhofft Zeit über das Wochenende so eine Quelle bauen, ohne Spezial- > bauelemente vorrätig zu haben. Nun, früher hat man mal neue ZinkKohleZellen genommen. Die haben unbelastet eine Spannung von 1,64V mit einer Abweichung von < 1%.
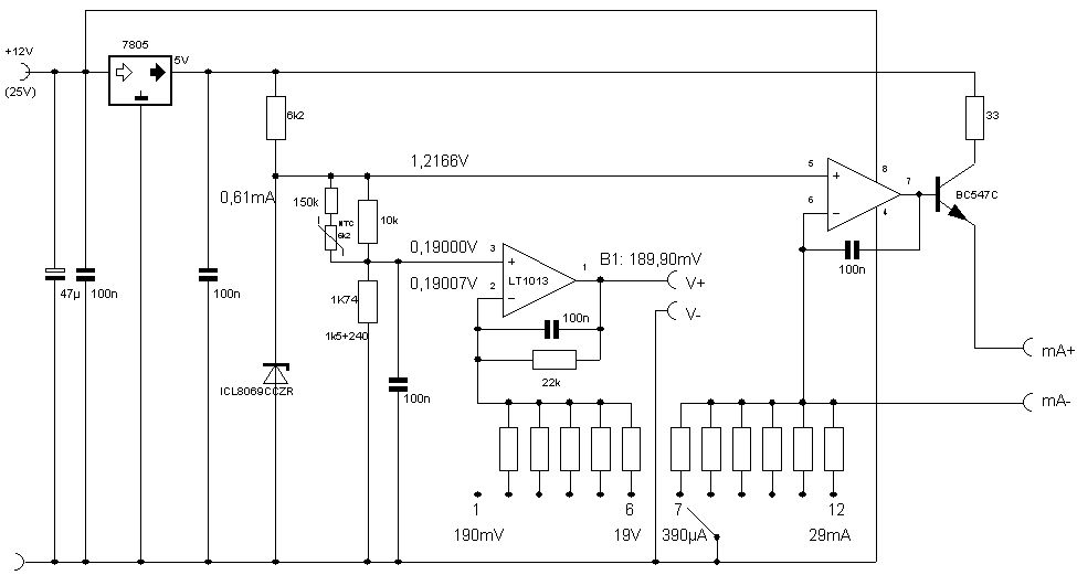
Kalli Brator schrieb: > so eine Quelle bauen, ohne Spezial- > bauelemente vorrätig zu haben. Früher ging das ja auch irgendwie -eben > bloß wie? Ich musste auch nehmen, was ich gerade da hatte, weil ich den Kalibrator wieder abgeben musste. Das ist dann wie im Anhang geworden. Ich hätte auch lieber Super-Bauteile genommen, denn so stabil ist es nicht geworden. Ihr habt bestimmt noch Verbesserungsvorschläge. Ein LTZ1000 ist schon nicht schlecht.
Harald W. schrieb: > Nun, früher hat man mal neue ZinkKohleZellen genommen. > Die haben unbelastet eine Spannung von 1,64V mit einer > Abweichung von < 1%. Das wußte ich nicht. Danke für diese Auskunft. Hermann schrieb: > Ich musste auch nehmen, was ich gerade da hatte, weil ich den Kalibrator > wieder abgeben musste. Das ist dann wie im Anhang geworden. Prima, Hermann. Ich sehe, daß die Grundidee von Dir und mir die gleichen waren. Du hast ja sogar noch eine Temperaturkompensation vorgesehen. So löte ich es mal fliegend auf ein Stück Universalplatine -ohne die Stromquelle. Mal sehen, was ich zu sehen kriege. Kalli
Moin, Kalli Brator schrieb: > Mein Gott! Ich weiß nicht, wozu Du sie brauchst. Da der Rest Deiner > Antwort auch absolut nutzlos ist, an Dich der gleiche Dank wie an Olaf: > Danke für Nichts! Ok, das bestaetigt meine Vermutungen. Danke dir :-) Gruss WK
Kalli Brator schrieb: > Das geht auch! Ich habe ja etliche TL431, da kann ich das auch so > machen. > Vernünftige OPV mit wenig Drift sind auch verschiedene da. Eine OPA brauchst du dazu nicht - schau dir im (TI-)Datenblatt http://www.ti.com/lit/ds/symlink/tl431.pdf mal die Messschaltung Fig. 21 an. Damit kannst du jede Spannung > 2.5V erzeugen. Beachte aber: die Widerstände zur Beschaltung gehen direkt in die Toleranz mit ein und ein 1%-Widerstand ist nur neu, bei Raumtemperatur und ohne Behandlung (ESD, Lötvorgang, Temperaturzyklen) im 1%-Toleranzbereich. Das Problem hat beim der OPA-Lösung aber genauso und hinzu kommt der Einfluss des OPA selbst. Ein Vergleich mit einer kalibrierten Referenz ist auf jeden Fall sinnvoll.
HildeK schrieb: > Eine OPA brauchst du dazu nicht - schau dir im (TI-)Datenblatt.... Ja, die Schaltung habe ich gesehen. Ich möchte aber die Quelle ein wenig belasten können, so daß ich die Widerstände ziemlich niederohmig machen müßte und darüber hinaus möchte ich die 2,5 Volt, 5 und 10 Volt umschaltbar haben. Da erscheint mir die Methode von Hermann vernünftig, denn letzten Endes habe ich auch nur immer 2 "aktive" Widerstände um den OPV, um dessen Verstärkung umzuschalten. Trotzdem bedanke ich mich für Deinen Hinweis. Kalli
Kalli Brator schrieb: > und darüber hinaus möchte ich die 2,5 Volt, 5 und 10 Volt > umschaltbar > haben. http://www.pollin.de/shop/dt/NDc4OTI4OTk-/Bauelemente_Bauteile/Aktive_Bauelemente/Spannungsregler/AD584JH.html Dieser beherscht die Wuschspannungen auch, wenn die Genauigkeit ausreichend ist Wenn nicht, es gibt auch noch den AD584L.
Ich habe mir was mit dem LT1021 aufgebaut lt. Datenblatt hat der eine Genauigkeit von 0,05%. Diesen gibt es auch in andere Spannungen als wie in meinem Fall 10 Volt. Sollte man eine bessere Referenz haben als 0,05% dann kann man diesen Chip auch abgleichen.
Kalli Brator schrieb: > Ich könnte auch extra Schaltkreise wie REF01,02,03 oder LT1021 > bestellen, würde aber die TL431 lieber nehmen, weil ich davon jede Menge > hier habe. Als Transfernormal kannst Du auch eine Silberoxid-Knopfzelle nehmen (Quecksilberoxid wäre besser, aber die sind ausgestorben). Die halten ihre Spannung (unbelastet) recht lange stabil und sind einigermassen temperaturunabhängig. ELV hat früher solche Knopfzellen mit "Kalibrierzertifikat", d.h. mit einem 3478A auf fünf Stellen ausgemessen, verkauft. Damit konnten die Leute dann zu Hause ihr DMM7000 abgleichen.
Bitte melde dich an um einen Beitrag zu schreiben. Anmeldung ist kostenlos und dauert nur eine Minute.
Bestehender Account
Schon ein Account bei Google/GoogleMail? Keine Anmeldung erforderlich!
Mit Google-Account einloggen
Mit Google-Account einloggen
Noch kein Account? Hier anmelden.


