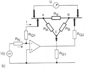
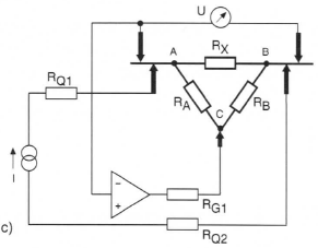
Hallo zusammen, ich habe eine Frage, zu einer Aktiv Guarding Schaltung. Vorweg möchte ich kurz darstellen, wofür sie benötigt wird. Durch die Schaltung b) wird dargestellt, wofür das aktive Guarding benötigt wird. RX,RA,RB befinden sich auf einer Platine und es soll, RX ermittelt werden. Durch Einfügen des Operationsverstärkers, soll das Potential, des Punktes A auf die Virtuelle Masse des Operationsverstärkers gelegt werden.(wenn da nicht der Übergangswiderstand durch Adaption der Platine wären) Durch Erden des Punktes c (Guarding) , soll sich zwischen Punkt A und C keine Potentialdifferenz befinden. Hierdurch würde der Strom nur durch den Punkt Rx fließen und der Widerstand könnte gemessen werden. Nun kommen wir zu meiner Frage: Durch die Beschaltung c) (aktives Guarding), soll der Einfluß der Übergangswiderstände auf das Guardpotentials eliminiert werden. Hierdurch sollen die möglichen Potentialdifferenz zwischen den Punkten A und C ausgeregelt werden. Ich versteh die Funktion des Operationsverstärkers in der Schaltung c) nicht. Kann mir jemand vielleicht erklären was in dieser Schaltung passiert? Ist die Leitung am Eingang des Operationsverstärkers auf beide Eingänge gebrückt? Dnake & Viele Grüße Tom
Tom D. schrieb: > Ich versteh die Funktion des Operationsverstärkers in der Schaltung c) > nicht. > Kann mir jemand vielleicht erklären was in dieser Schaltung > passiert? > Ist die Leitung am Eingang des Operationsverstärkers auf beide > Eingänge gebrückt? Das auf keinen Fall. Der Ausgang bildet immer die Differenz zwischen positivem und negativem Eingang ab. Wären diese kurzgeschlossen, läge am Ausgang nur der DC-Offset an. Evtl. Impedanzwandler, die niederohmige Rückkopplung wurde einfach nicht eingezeichnet?
Guten Tag, Danke für deine Antwort, mit der niederohmigen Rückkopplung meinst du, dass der Ausgang auf den Invertierenden oder nicht-Invertierenden Eingang des Operationsverstärker zurückgeführt wird (Mitkopplung bzw Gegenkopplung) und das der jeweilige andere Eingang auf einem anderen Potential liegt ? Nein leider ist die Schaltung nur so Abgebildet. Als Erkärung steht da nur, dass sie die Potentialdifferenz durch die Übergangswiderstände eliminieren soll. Viele Grüße
Tom D. schrieb: > Danke für deine Antwort, mit der niederohmigen Rückkopplung meinst du, > dass der Ausgang auf den Invertierenden oder nicht-Invertierenden > Eingang des Operationsverstärker zurückgeführt wird (Mitkopplung bzw > Gegenkopplung) und das der jeweilige andere Eingang auf einem anderen > Potential liegt ? Ja
Hi, hier ein kurzer, aber sehr verständlicher Vortrag zu dem Thema: https://www.youtube.com/watch?v=MagCAtx3uok Der OP in c) ist ein Buffer. Er sorgt dafür, dass die Potentialdifferenz über RA=0V wird, daher wird hier effektiv der Stromfluss im parasitären Pfad unterbrochen. Im Prinzip der gleiche Ansatz wie bei der Messung mit Spannungsquelle. Cheerio, Marcus
Bitte melde dich an um einen Beitrag zu schreiben. Anmeldung ist kostenlos und dauert nur eine Minute.
Bestehender Account
Schon ein Account bei Google/GoogleMail? Keine Anmeldung erforderlich!
Mit Google-Account einloggen
Mit Google-Account einloggen
Noch kein Account? Hier anmelden.

