Forum: Analoge Elektronik und Schaltungstechnik Rauscharme OP Verstärkungen


von Tim96 (Gast)


Angehängte Dateien:

Lesenswert?

Hallo zusammen,

was ist der Unterschied in Hinblick auf rauscharme OP-Verstärker von fB 
und f-3dB?

Ich habe eine Fragestellung die darauf abzielt:
Die 3dB Bandbreite soll durch eine Schaltungsmaßnahme auf 20kHz begrenzt 
werden.

Mein Ansatz ist folgender:
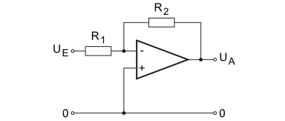
Eine Kapazität parallel zum Rückkopplungswiderstand R2 (siehe Anlage).

Und entsprechend nach C auflösen mit
.
Ich habe jedoch noch in meinen Vorlesungsunterlagen folgende Beziehung 
gefunden

Welche Formel muss ich nun für die Berechnung dient mir nun zur 
Begrenzung
der 3dB Bandbreite?

Danke und Gruß
Tim

von Fire H. (fireheart)


Lesenswert?

Hallo Tim

Ich bin in diesem Thema zwar jetzt nicht mit der absoluten Weisheit 
gesegnet, aber zunächst fällt mir mal ein, dass Du das Rauschen über das 
gesamte übertragene Frequenzspektrum aufintegrieren musst.
Jetzt ist es aber so, dass Du zwar bei 20kHz die "Eckfrequenz" des 
Filters gesetzt hast, somit also bei dieser Frequenz -3dB Abschwächung 
hast. Andererseits ist es aber so, dass gerade beim Aufintegrieren des 
Rauschens, der über 20kHz übertragene Anteil - obwohl mit 20dB/Dekade 
fallend - doch noch einiges zur Integralsumme beiträgt.
Könnte es sein, dass dieses PI/2 genau dies berücksichtigt?
Somit kannst Du leicht mit einer Rauschbandbreite rechnen, anstelle 
wirklich zu integrieren beginnen...

Noch drei Punkte aus meiner Erinnerung:

* Widerstandswerte möglichst klein wählen (Rauschen der Widerstände)
* Angeblich ist das Rauschverhalten eines NICHT invertierenden 
OP-Verstärkers besser als das eines invertierenden ... denk mal drüber 
nach
* Wenn Du alles versucht hast und noch zu viel Rauschen hast, dann 
beginne die Verstärker parallel zu schalten.

von Mark S. (voltwide)


Lesenswert?

Fire H. schrieb:
> * Wenn Du alles versucht hast und noch zu viel Rauschen hast, dann
> beginne die Verstärker parallel zu schalten.

Das trifft nur zu wenn es gilt die Rauschspannung zu minimieren, nicht 
jedoch für den Rauschstrom. Dazu müßte der TO sich erstmal äußern, wohin 
die Reise gehen soll.

von Helmut S. (helmuts)


Lesenswert?

> Die 3dB Bandbreite soll durch eine Schaltungsmaßnahme auf 20kHz begrenzt
werden.

Da ist die normale Formel gefragt.

f_3dB = 1/(2*pi*f*R*C)


Die Rauschbandbreite fB kann man benutzen um die Rauschspannung Ur beim 
passiven RC-Tiefpass für f von 0 bis f gegen unendlich zu berechnen.

fB = f_3dB*pi/2

Dazu muss man erst die Rauschspannungsdichte en bei tiefen Frequenzen 
berechnen und dann mit mit der Wurzel der Bandbreite fB multiplizieren.
en hat die Einheit V/Wurzel(Hz)

en = sqrt(4*k*T*1Hz*R)

Ur = en*Wurzel(fB)


Beispiel:

R=10kOhm, fg=f_3dB=20kHz  ->  C=0,7958nF

en = 12.875nV/sqrt(Hz) Rauschspannungsdichte des 10kOhm Widerstandes

Ur = 12.875nV/sqrt(Hz)*Wurzel(20kHz*pi/2) = 2,282uV


Wenn man eine Tiefpass mit einem Opamp hat, dann gilt die fB-Formel 
nicht, da das Spannungsrauschen des Opamps hinzukommt.

von Audiohans (Gast)


Lesenswert?

wobei das eine statistische Betrachtung ist, was das Rauschen angeht. 
Das ist gerade im NF-Bereich aber nicht ganz richtig. Da sind oft 
Einstreuungen von beliebten Frequenzen zu beobachten, die dazu führen, 
dass das effektive Rauschen, welches durch die Regelfunktion des OPs 
kommt und sich nicht mit anderem zufälligen Rauschen wegkürzt, als 
insgesamt HÖHEr abbildet, als es eigentlich zu erwarten wäre.

Bitte melde dich an um einen Beitrag zu schreiben. Anmeldung ist kostenlos und dauert nur eine Minute.
Bestehender Account
Schon ein Account bei Google/GoogleMail? Keine Anmeldung erforderlich!
Mit Google-Account einloggen
Noch kein Account? Hier anmelden.