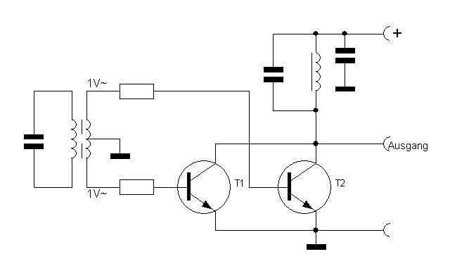
Hallo, habe ein HFE-Oszillator und muss nun auf der Untersetzerplatine eine Frequenzverdopplung mit einem XOR-Gatter entwickeln? I-WELCHE Tipps? EVtl. mit einem Tiefpass?? Anbei auch das Schaltbild auf dem die Freq.verdopplung verwirklicht werden soll. Vielen Dank :)
Elektronik S. schrieb: > habe ein HFE-Oszillator Für Elektro-Dumpfbacken wie mich: was ist "HFE-Oszillator"?
Ein XOR Gate funktioniert auch als binärer Ringmodulator. Um damit eine Frequenz zu verdoppeln sendest Du das Signal direkt in einen Gate Eingang, und verzögert ein einen anderen. Du bekommst dann genau die doppelte Freuenz raus. Um auf die nötige Verzögerung zu kommen kannst Du im einfachsten Fall einen Allpass Filter benutzen. Den Filter musst Du dann auf die Frequenz anpassen. 90° Phase-Shift bei der Eigenfrequenz des Oszillators sind optimal. Liegst Du daneben, dann bekommst Du kein 50% Tastverhältnis. Eine Spice Simulation wird Dir da sicher helfen.
könntest du mir das evtl. erläutern wie ich das mit dem filter auf der Schaltung realisieren kann?
das ist der Oszillator, der auf die untersetzerplatine gesetzt (gelötet) wird.
Das wird wieder ein Thread vom Stil: Forum erledigt Hausaufgaben des Schülers oder des Studenten.
das ist keine hausaufgabe, sondern ein projekt ... bin an der Entwicklung tätig...bin aus dem hausi-alter schon raus
Elektronik S. schrieb: > bin an der Entwicklung tätig... Dann müsstest du ja um so besser wissen wo es lang geht.
... und ich Dumpfbacke bin immer noch nicht klüger geworden. Frickelfritze schrieb: > Für Elektro-Dumpfbacken wie mich: was ist "HFE-Oszillator"?
Frickelfritze schrieb: >Dann müsstest du ja um so besser wissen wo es lang geht. Ach ja, richtig, das hatten wir hier schon mal: Beitrag "Re: Arduino: Problem beim casten" >Und die recht doch sehr amüsanten Beleidigungen von einem (erwachsenen?) >Menschen :D Mach dir nichts draus, das ist die Währung im MC-Netz: Fragen im Austausch gegen Beleidigungen. Das läuft dann etwas so: 1. Frage => Gegenfrage 2. Frage => leichte Beleidigung 3. Frage => Präsentation der Lösung und zum Vergnügen noch eine schwere Beleidigung dazu
Elektronik S. schrieb: > habe ein HFE-Oszillator und muss nun auf der Untersetzerplatine eine > Frequenzverdopplung mit einem XOR-Gatter entwickeln? Warum so kompliziert? Arbeitspunkt einer Verstaerkerstufe in den C-Bereich verschieben und die erste Oberwelle ausfiltern. Schon ist die Frequenz verdoppelt. Fourier laesst gruessen.
Wenn man wüsste, um welche Frequenz es sich handelt und was mit der erzeugten Frequenz gemacht werden soll, könnte man ja vielleicht präziser helfen. Warum muss es ein XOR Gatter sein? Wie helmi1 schrieb, macht man das eigentlich seit Generationen anders.
Helmut L. schrieb: > Warum so kompliziert? Arbeitspunkt einer Verstaerkerstufe in den > C-Bereich verschieben und die erste Oberwelle ausfiltern. Schon ist die > Frequenz verdoppelt. Fourier laesst gruessen. Elektronik S. will Hausaufgaben gelöst haben und nicht irgendwelche vagen Hinweise auf Lösungen.
Der Haken an der Sache mit dem XOR Gatter ist, das die Verzögerungsleitung dafür sorgt, das das nur innerhalb eines engen Bereiches funktioniert. Ansonsten ist das hier nicht so kompliziert, du teilst den Ausgang des 126 auf zwei Schienen auf, eine geht direkt auf den Eingang eines 7SZ86, die andere über eine Delayline, die im simplesten Fall aus einer L und einem C besteht. Ob das sinnvoll ist und ob dein rudimentärer Mischer mit den Pegeln aus der Small Logic Serie überhaupt funktioniert, ist aber eine andere Frage.
In der Schaltung ist doch ein Tristate-Buffer. Wo ist das XOR?
Hallo, Könnte mir das etwa jmd grob in der schaltung zeichnen? Ansatzweise zumindest? :) Vielen Dank ;)
Jetzt ist Elektronik Student zu "E s" mutiert. Und will immer noch keinen eigenen Beitrag leisten.
E s schrieb: >Könnte mir das etwa jmd grob in der schaltung zeichnen? Ansatzweise >zumindest? :) Probiere das mal aus. Den zweiten Schwingkreis auf die Doppelte Frequenz abstimmen.
Frickelfritze >Jetzt ist Elektronik Student zu "E s" mutiert. >Und will immer noch keinen eigenen Beitrag leisten. Hi Fritz, wir haben Deine Meinung jetzt schon mehrmals gelesen. Du kannst jetzt ruhig sein. Gruß, Franz
Am Ausgang habe ich noch den Auskopplungskondensator vergessen, der müßte da noch eingefügt werden.
Von 10 auf 20mhz soll die Frequenz verdoppelt werden.
@Frickeldings Wenns dir nicht passt, dann verlasse meinen Thread! Hast hier nichts verloren!
Es schrieb: > Von 10 auf 20mhz soll die Frequenz verdoppelt werden. Was passiert mit der Frequenz? Bei Verwendung eines XOR bekommst du Nebenwellen und Rauschen ohne Ende frei Haus. Für Zwecke der Nachrichtentechnik ist das dann nur sehr begrenzt nutzbar.
Ja, aber es soll eine XOR-Gatterverdopplung verwirklicht werden... so ist die Vorgabe
früher hat man den Input durch eine Kaskade von 74ls14 geleitet und an jeder Stufe mit einem C verzögert. Dann Xor mit dem Eingangssignal. Ist natürlicher frequenzabhängig.
Wie könnte ich in die obige Schaltung zb einen Allpass-Filter einbauen? Vielen Dank
ES schrieb: > Wie könnte ich in die obige Schaltung zb einen Allpass-Filter > einbauen? > Mit Hilfe von Draehten. Spaghetti haben zwar eine aehnliche Form, aber deutlich schlechtere HF-Eigenschaften. WK
Ok, danke. Aber in welchem Teil der Schaltung könnte man das verwirklichen? Am IC?
E s schrieb: > Könnte mir das etwa jmd grob in der schaltung zeichnen? Ansatzweise > zumindest? Er suggeriert dass er nur einen winzigen Hinweis braucht um die Schaltung zu realisieren. Dann kommt die Salami-Taktik mit der er alle Details des Problems nacheinander gelöst bekommen will: ES schrieb: > Aber in welchem Teil der Schaltung könnte man das verwirklichen? Am IC? Diesen Troll-Mechanismus hab ich jetzt schon öfters im Forum erlebt. Würde mich nicht wundern wenn das Pseudonym Stefan Hackbusch dahinter stehen/stecken würde .....
Moin, ES schrieb: > Ok, danke. > > Aber in welchem Teil der Schaltung könnte man das verwirklichen? Am IC? Das kannst du ueberall dort verwirklichen, wo du ausreichend Pegel hast und niederohmig genug bist, um das XOR-Gatter und den Phasenschieber anzusteuern. Vielleicht geht's nur mir so, weil ich bescheuert bin: Aber ohne die Werte der Bauteile - also nur mit dem gegebenen Schaltplan - kann ich nicht sagen, ob das ueberhaupt ein Oszillator ist oder nur ein Verstaerker. Und so von der Schaltungstechnik her, haett' ich die Frequenzen, fuer die das Ding ist, was immer es ist, auch deutlich uber 10MHz angesetzt. WK
Vielen Dank nochmal.. das ist die Rückseite der Schaltung.. habe ich vergessen hochzuladen.. meine Vorgehensweise wäre nun.. die Werte reinzumachen R's, C's etc.. 2 Transistoren, ein (xor-gatter) für ic1.. und auf der Rückseite auch ein ic und ein op... anschließend testen und dann die Schwingkreis optimieren.
Moin, ES schrieb: > meine Vorgehensweise wäre nun.. die Werte reinzumachen R's, C's etc.. 2 > Transistoren, ein (xor-gatter) für ic1.. und auf der Rückseite auch ein > ic und ein op... anschließend testen und dann die Schwingkreis > optimieren. Ja, das hoert sich fuer mich so an, als wuerde dieses Vorgehen zum Rest der Aufgabe gut passen. Aber ich hab' immernoch starke Zweifel bezueglich meiner Faehigkeiten, den Oszillator zweifelsfrei zu erkennen. Oder zumindest Pegel. Ist aber nur mein Problem. Was ich mir noch ueberlegt hab' - Spaghetti sind sicher ungeeignet zum Transport von 10MHz HF. Wenn man aber Cannelloni nimmt und die Hackfleischfuellung haette ein Epsilon_r von ca. 1e6 oder besser mehr - dann koennte das evtl. schon als Hohlleiter klappen und die 10MHz koennten da durchgehen... WK
das ist ja lediglich der Schaltplan von der Untersetzerplatine des Oszillators. Das HFE(was darauf gelötet wird) ist bereits entwickelt. Hierbei muss nun die Untersetzerplatine bearbeitet werden.
Helmut -. schrieb: > Was ist ein HFE? Fragen hilft leider nichts .... wen der TO selbst nicht weiss was es ist .... Frickelfritze schrieb: > ... und ich Dumpfbacke bin immer noch nicht klüger geworden. > > Frickelfritze schrieb: >> Für Elektro-Dumpfbacken wie mich: was ist "HFE-Oszillator"?
Frickelfritze schrieb: > Fragen hilft leider nichts .... wen der TO selbst nicht weiss > was es ist .... Das ist so ein geheimes Aera 51 Ding. Alles aus dem UFO in Roswell...
Ich bin auch noch am grübeln, wie mit einem XOR-Gatter die Frequenz verdoppelt werden soll? Das einzig sinnvolle was mir dazu einfällt ist, das XOR-Gatter als Phasendetecktor in eine PLL-Schaltung zu verwenden. Also einen VCO mit der doppelten Frequenz aufbauen, die Frequenz mit einem Frequenzteiler durch 2 teilen mit der Eingangsfrequenz vergleichen und den VCO nachregeln.
In +-------+
----+----------| |
| | +---- Out
R | EXOR |
| | |
+----------| |
| +-------+
C
|
GND
Bei jeder Eingangsflanke gibt es einen Impulse am Ausgang. Also doppelte
Impulse = doppelte Frequenz.
War frueher im jeden Datenseparator fuer Floppys so zu finden.
Man darf allerdings jetzt keine symetrische Ausgangsform erwarten.
Besser und ueberlicherweise wird das durch verzerren und ausfiltern der
gewuenschten Harmonischen gemacht. Oder durch simple
Zweiggleichrichtung.
Also auf Trafo geben mit Mittelanzapfung und da zwei Dioden ran. Filtern
danach muss eh in jedem Fall. Wer meint ohne auszukommen der Pfuscht.
Bitte melde dich an um einen Beitrag zu schreiben. Anmeldung ist kostenlos und dauert nur eine Minute.
Bestehender Account
Schon ein Account bei Google/GoogleMail? Keine Anmeldung erforderlich!
Mit Google-Account einloggen
Mit Google-Account einloggen
Noch kein Account? Hier anmelden.


