Hier meine erste Platine (also abgesehen von diversen Lochraster-Bauten) – hab ich irgendwas grob falsch gemacht / übersehen? Das ganze wird ein Shield für einen RaspberryPi zum Ansteuern von insgesamt 16 LED-Strips, also 2 kaskadierte Shift-Register und jeweils ein BS 170 für jeden Strip (ein Strip braucht 12V / 60mA, von der Leistung sollte das also passen). Die 12V kommen von einem externen Netzteil, die 5V für Shiftregister und Raspi erzeugt ein Recom 78E5. Freu mich über Feedback!
Sehen wir die Lötseite? ansonsten ist der Spannungswandler falsch angeschlossen. Bitte auch nicht den Schaltplan verschweigen.
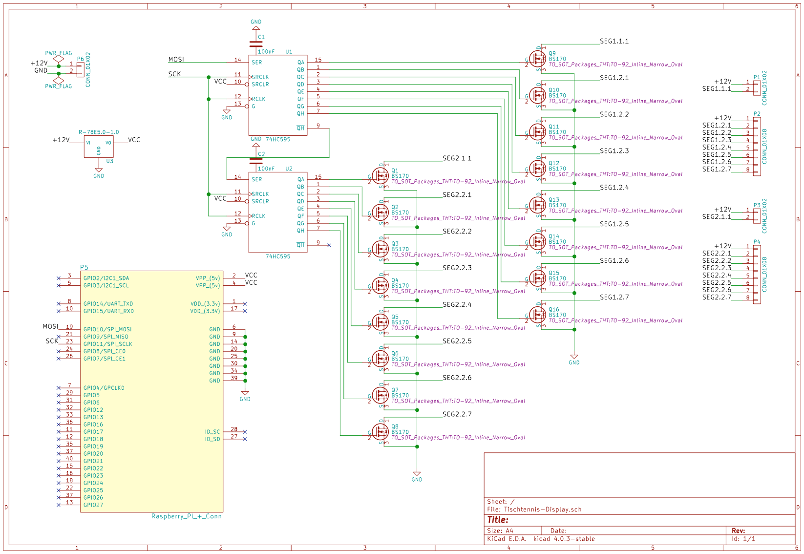
Flip schrieb: > Sehen wir die Lötseite? ansonsten ist der Spannungswandler falsch > angeschlossen. Hm, das ist die Ansicht ist von oben. Hat der Recom nicht von links nach rechts VI – GND – VO? Ich hätte das laut Datenblatt zumindest so interpretiert. Schaltplan anbei!
Da es sich ja um einige LEDs zu handeln scheint, die aus den 12V betrieben werden, schadet es sicherlich nicht, die Leiterbahnen ein wenig dicker zu machen. Genug Platz ist ja da. Und wenn man schonmal dabei ist, würde ich die 12V zu den LEDs vielleicht auch noch mit ner kleinen Polyfuse sichern.
Ich vermisse da ein paar Elkos am Spannungswandler. Außerdem hat der RPi doch 3V3 GPIOs, wie passt das zu 5V TTL Bauteilen? Was passiert wenn der RPi per USB versorgt wird, darf der Recom Wandler Spannung "rückwärts" sehen? Gibt es Pullup/Pulldown Widerstände, damit die Ausgänge deaktiviert bleiben bis deine Software sie anspricht? Evtl. solltest du noch ein EEPROM einbauen (ID Pins) damit der RPi die passenden Treiber selbst lädt. 16 x 60mA sind knapp 1A auf 12V für die LEDs + dazu noch den Strom für den RPi. Da würde ich breitere Leiterbahnen nehmen. Verpolschutz wäre auch sinnvoll.
Tr schrieb: > Ich vermisse da ein paar Elkos am Spannungswandler. Braucht der Recom die? (Im Datenblatt sind unter „Standard Application“ ein C1 (ohne nähere Angabe) und ein C2 (10µF MLCC) eingezeichnet, beide mit Bemerkung „optional“ … > Außerdem hat der RPi doch 3V3 GPIOs, wie passt das zu 5V TTL Bauteilen? Guter Punkt. Funktioniert zwar erfahrungsgemäß (i.e. bei allen meinen bisherigen Experimenten), aber sicher besser, wenn ich hier HCT-Teile nehme. Werd ich ändern! > Was passiert wenn der RPi per USB versorgt wird, darf der Recom Wandler > Spannung "rückwärts" sehen? Ziemlich sicher nicht, nehm ich an :-) Aber die Gefahr nehm ich in Kauf (das ganze wird fix in ein Gehäuse verbaut, vom RPi ist dann nur mehr die Netzwerkbuchse zugänglich, und über die fließt hoffentlich kein Strom [PoE kann der RPi ja gar nicht m.W., oder?]) Das ID-EEPROM heb ich mir für ein späteres Projekt auf. Die automatische Konfiguration der GPIO-Pins wär natürlich praktisch, aber andererseits muss auf dem RPi sowieso die maßgeschneiderte Software zur Ansteuerung der LEDs laufen, und die kann die GPIO-Initialisierung genauso übernehmen. Breitere Leiterbahnen für das 12V-Netz sind eine gute Idee, das werd ich auch noch ändern. Wie kann ich einen möglichst einfachen Verpolschutz realisieren?
Stefan D. schrieb: > Wie kann ich einen möglichst einfachen Verpolschutz realisieren? Mit ner Diode? Ist aber blöd, wenn da ein bisschen Strom fließt und das alles in Wärme verbraten wird. Was sich stattdessen auch sehr einfach aber ohne großen Voltage Drop verwenden lässt, ist die ideale Diode mit MOSFET. Siehe hier http://electronics.stackexchange.com/a/223944 Und was war mit der Polyfuse? Meinen Beitrag hast du ja irgendwie geschickt ignoriert...
Horst schrieb: > Stefan D. schrieb: >> Wie kann ich einen möglichst einfachen Verpolschutz realisieren? > > Mit ner Diode? Ist aber blöd, wenn da ein bisschen Strom fließt und das > alles in Wärme verbraten wird. > Was sich stattdessen auch sehr einfach aber ohne großen Voltage Drop > verwenden lässt, ist die ideale Diode mit MOSFET. > > Siehe hier > http://electronics.stackexchange.com/a/223944 Schau ich mir an, danke! > Und was war mit der Polyfuse? Meinen Beitrag hast du ja irgendwie > geschickt ignoriert... Den Teil mit der Polyfuse hab ich tatsächlich übersehen, sorry! Wogegen würde die hier konkret schützen – Kurzschluss in einem der LED-Strips, nehm ich an?
Stefan D. schrieb: > Schaltplan anbei! Sachmal, das sind doch Schiebregister.... Und du verwendest nur MOSI und CLK? RCLK=CLK d.h. Du willst immer alle Bits Live durch schieben? AVR-Tutorial: Schieberegister >Braucht der Recom die? (Im Datenblatt sind unter „Standard Application“ >ein C1 (ohne nähere Angabe) und ein C2 (10µF MLCC) eingezeichnet, beide >mit Bemerkung „optional“ … „optional“ heißt: Funktioniert zum testen auf dem Labortisch. Wenn es nicht auf dem selbigen liegen bleiben soll, würde ich die einbauen. > Wie kann ich einen möglichst einfachen Verpolschutz realisieren? Das Simpelste ist eine Diode: Dioden-Übersicht. Gibt aber, gerade bei dem Strom, noch mehr Möglichkeiten: http://www.lothar-miller.de/s9y/categories/39-Verpolschutz Zum Thema Polyfuse & Co, wenn du keine Angst vor SMD hast: BTS721 / ITS711
Stefan D. schrieb: > Braucht der Recom die? Der Recom wohl nicht zwingend. Ich finde es gehört zu einer sauberen Entwicklung, die Spannungsversorgung zu puffern und damit den EMV Dreck auf der Platine zu halten. Der nächste Elko ist momentan erst im Netzteil und am anderen Ende vom RPi, beide aber auch schon mit den Schaltflanken der jeweiligen Regler beschäftigt. Wenn du evtl. selber noch eine PWM mit 60mA Lasten machst gehört das IMHO wenigstens grundlegend entstört. Bzw. wenn es ganz blöd kommt stören sich die drei Schaltregler gegenseitig und irgendwer gibt nach.
Julian .. schrieb: > Stefan D. schrieb: > Sachmal, das sind doch Schiebregister.... > Und du verwendest nur MOSI und CLK? > > RCLK=CLK d.h. Du willst immer alle Bits Live durch schieben? > AVR-Tutorial: Schieberegister Ich weiß, der ganz saubere Weg ist, RCLK getrennt anzusteuern und erst, wenn das fertige Bitmuster in den Registern liegt, das ganze in die Outputlatches zu schieben. Aber bei 16 Bits ists meiner Erfahrung nach kein Problem, auch die ganzen Zwischenzustände direkt an den Outputs haben – da flackert trotzdem nichts. Andererseits sind da eh noch so viele unbenutzte GPIO-Pins … vielleicht änder ich das doch noch :-) In das Verpolschutz-/Polyfuse-Thema les ich mich dann morgen ein, danke!
Stefan D. schrieb: > Braucht der Recom die? Hallo Stefan, magst Du recht haben. Aus dem Schaltbild hatte ich aber (auch) erst mal angenommen dass das ein Linerarer ist. Hier wäre zu überlegen ob Du nicht die Elkos mit Layoutest und dann im Schaltplan eine Notiz hinzufügst: "Normalbestückung ist Recom ...., bei Alternativbestückug mit .... ist .... nötig." Das macht dem Leser das Ganze klarer. Klar dass Du das für Dich nicht benötigst. BTW: Die Art die 100n im Schaltplan an die Schieberegsiter anzuschließen ist ungewöhnlich. Man würde vermuten dass die für den Betrieb nötig sind (a la Tank-Cap). BTW: Man kann auch Informationen an den Bauteilen ausblenden die für den Schaltplan nicht wichtig sind, das sind zum Beispiel die Gehäuseinformationen an den Transistoren. Das mit dem Elko am Eingang zum Thema EMV wurde schon gesagt, ein kleiner Kerko sowie eine Induktivität zur Unterdrückung der HF-Abstrahlung sowie der genannte Verpolschutz und eien Sicherung sind nicht verkehrt. Was passiert eigentlich bei einem Kurzschluss einer der Ausgänge mit +12V? Sollte da ein Kurzschlusschutz hin? rgds
Man könnte die ganze Schaltung noch etwas reduzieren, indem man auf die Ausgangs-FETs verzichtet und ein Shift-Register mit integrierten FET verwendet. z.B. TPIC6B595 (gibt es meines Wissens bei Reichelt). Der kann 500mA und bei 8*60mA=480mA sollte es gerade noch passen (vermutlich werden ja nicht alle LEDs mit 100% duty-cycle dauerhaft leuchten, so daß der Durchschnittswert darunter und damit die Erwärmung gering ist. Trotzdem würde ich einen Kühlkörper anbringen) Dem RECOM würde ich in jedem Fall (wie im Datenblatt beschrieben) einen Eingangs-Pi-Filter verpassen. Bei mir haben sich 4,7uF + 10uH + 4,7uF recht gut bewährt. Wenn man mehrere parallel schaltet hatte ich ohne Filter bereits massive Probleme, wobei auch das Layout eine große Rolle spielt (sternförminge Spannungsverteilung ist unerlässlich) @6a66: Der Recom ist IHMO dauerhaft Kurzschlussfest.
Seit dem ich die ICs jetzt dreimal verwendet habe bin ich ein freund der TLC5925 / TLC5926 / TLC5927 Led Treiber. Die verhalten sich wie ein shift Register und brauchen für die LED Ansteuerung nur einen externen Widerstand um den Strom aller LEDs einzustellen. Zudem laufen die auch mit 3 Volt Versorgungsspannung so das du dir den recom evtl sparen kannst? Ich weiß jetzt nicht was der rpi an Versorgungsspannung hat. Wenn du eh ne Platine ätzt, SOIC ist nicht so klein das man das nicht mit Hausmitteln gut ätzen könnte. Gibt es bei eibtron bzw. Direkt bei ti mit ca. 6 Euro Versand.
Willem B. schrieb: > Seit dem ich die ICs jetzt dreimal verwendet habe bin ich ein freund der > TLC5925 / TLC5926 / TLC5927 Led Treiber. Das ist die noch bessere Alternative. Allerdings erfordern manche ICs aus der Reihe ein wenig mehr Aufwand durch das externe Timing. Ich verwende z.B. beim TLC5940/5941 den CLKOUT des uC und einen Zähler ala 74HC4060/74HC4020 um das BLANK-Signal zu triggern, damit ich die Timer noch frei habe (wenn ich z.B. einen ATTiny verwende). Dann noch das Blank-Signal aus dem 74HC40x0 über ein OR-Gatter mit einem Blank-Pin aus dem uC verknüpft, damit ich BLANK HIGH->XLAT HIGH->XLAT LOW->BLANK LOW machen kann, um die Werte aus dem Eingangsregister zu übernehmen. Andere TLC-Treiber haben keinen externen Blank mehr, aber dadurch eine feste Bit-Ausflösung der PWM. Siehe z.B. TLC5949.
Tr schrieb: > Der Recom wohl nicht zwingend. Ich finde es gehört zu einer sauberen > Entwicklung, die Spannungsversorgung zu puffern und damit den EMV Dreck > auf der Platine zu halten. Klingt plausibel, danke. Jetzt beginn ich das endlich (langsam) zu verstehen :-) 6a66 schrieb: > BTW: Die Art die 100n im Schaltplan an die Schieberegsiter anzuschließen > ist ungewöhnlich. Man würde vermuten dass die für den Betrieb nötig sind > (a la Tank-Cap). Guter Hinweis. Wie macht ihr das vom Ablauf: Die Kerkos im Schaltplan ganz weglassen und erst im Platinenlayout berücksichtigen? Wie geht man dann damit um, wenn man die Netzliste wg. Änderungen im Schaltplan neu einlesen muss? Soweit ich KiCAD verstehe, kann ich wählen, ob „überflüssige“ Bauteile (die nicht mehr in der Netzliste vorkommen) gelöscht werden sollen (dann müsst ich die Kerkos anschließend nochmal neu hinzufügen), oder dass solche Bauteile einfach ignoriert werden (dann müsste ich eventuell „wirklich“ überflüssige Bauteile anschließend manuell löschen). Klingt irgendwie beides nicht so praktisch. Flo S. schrieb: > Man könnte die ganze Schaltung noch etwas reduzieren, indem man auf die > Ausgangs-FETs verzichtet und ein Shift-Register mit integrierten FET > verwendet. z.B. TPIC6B595 (gibt es meines Wissens bei Reichelt). Der > kann 500mA und bei 8*60mA=480mA sollte es gerade noch passen An die hab ich ursprünglich eh gedacht, aber ich glaub das wird leistungsmäßig knapp: Ich mach hier kein PWM, und der Fall, dass alle 8 Ausgänge über einen längeren Zeitraum durchgehend an sind, wird vorkommen. Das sind dann 8*60mA*12W=5,76W – da müsst ich wohl schon sehr ordentlich kühlen, oder? Willem B. schrieb: > Seit dem ich die ICs jetzt dreimal verwendet habe bin ich ein freund der > TLC5925 / TLC5926 / TLC5927 Led Treiber. Danke für den Tipp, die Teile kannte ich noch nicht! Schau ich mir näher an und behalte sie im Auge für zukünftige Projekte.
Stefan D. schrieb: > Flo S. schrieb: >> Man könnte die ganze Schaltung noch etwas reduzieren, indem man auf die >> Ausgangs-FETs verzichtet und ein Shift-Register mit integrierten FET >> verwendet. z.B. TPIC6B595 (gibt es meines Wissens bei Reichelt). Der >> kann 500mA und bei 8*60mA=480mA sollte es gerade noch passen > > An die hab ich ursprünglich eh gedacht, aber ich glaub das wird > leistungsmäßig knapp: Ich mach hier kein PWM, und der Fall, dass alle 8 > Ausgänge über einen längeren Zeitraum durchgehend an sind, wird > vorkommen. Das sind dann 8*60mA*12W=5,76W – da müsst ich wohl schon sehr > ordentlich kühlen, oder? Du meintest 12V oder? Aber so schlimm ist es nicht. Der maximale Rds(on) ist im Datenblatt angegeben mit 9,5Ohm. (Bei 125°C, 100mA und 4,5V). Also bei P=I²*R wären das im schlimmsten Fall 8*(60mA)²*9,5=274mW pro IC. Wenn man Raumtemperatur und den typischen Rds(on) annimmt, also 4,2Ohm, wären es nur noch 8*(60mA)²*4,2=121mW. Also halb so wild. Die 5,76W verbruzzeln ja nicht im IC als Verlustleistung, sondern bringen deine LEDs zum leuchten. ;-)
Flo S. schrieb: > Du meintest 12V oder? Ja klar, sorry, Tippfehler. > Aber so schlimm ist es nicht. Der maximale Rds(on) ist im Datenblatt > angegeben mit 9,5Ohm. (Bei 125°C, 100mA und 4,5V). > Also bei P=I²*R wären das im schlimmsten Fall 8*(60mA)²*9,5=274mW pro > IC. > Wenn man Raumtemperatur und den typischen Rds(on) annimmt, also 4,2Ohm, > wären es nur noch 8*(60mA)²*4,2=121mW. Also halb so wild. Die 5,76W > verbruzzeln ja nicht im IC als Verlustleistung, sondern bringen deine > LEDs zum leuchten. ;-) Groschenfall Natürlich, das war ein kompletter Denkfehler von mir – danke für die Erklärung, wieder was gelernt!
Stefan D. schrieb: > Guter Hinweis. Wie macht ihr das vom Ablauf: Die Kerkos im Schaltplan > ganz weglassen und erst im Platinenlayout berücksichtigen? Nein: Wenn VCC Pin am Smbol vorhanden (wie bei Dir )dann dieses auf die Spannung ziehen. Dort dann gegen GND den Abblockkondensator anschließen. (siehe Bild). Wenn Kein Symbol vorhanden dann nur den Kondensator daneben mit VCC und GND. Alternativ die ganzen Blockkondensatoren in einer Bank irgendwo aufführen. Je nach Präferenz. Stefan D. schrieb: > Wie geht man > dann damit um, wenn man die Netzliste wg. Änderungen im Schaltplan neu > einlesen muss? Es werden IMHO IMMER alle Bauteile des Schaltplans im Layout verarbeitet (Dekret). Was im Layout nicht reinsoll soll im Schaltplan auskommentiert werden, was ins Layout reinsoll MUSS im Schaltplan drinnen sein - ad wird nichts nachträglich eingefügt. rgds
Stefan D. schrieb: > Braucht der Recom die? Eingangsseitig kann man einen platzieren. Ausgangsseitig sollte man nur Kerkos nach Datenblatt verwenden. Manche knallen da gern mehrere Mikrofarad an den Ausgang und wundern sich, das die Kiste warm wird.
Einige Leiterbahnen gehen recht nahe an Pins von den FETs (Q5,6,7,8,10,11) vorbei. Mag zwar unkritisch sein, aber da genug Platz vorhanden ist, kann man die Leiterbahnen auch so verlegen, dass es da nicht so eng zu geht. Die Leiterbahn zwischen U1-9 und U2-14 kann man etwas mehr in die Mitte verschieben. Grenzwertig ist, Bauteile mit unterschiedlicher Orientierung zu platzieren, aber das dürfte hier nur von untergeordneter Wichtigkeit sein. Masseflächen sollte man, wenn nicht explizit nötig, vermeiden. Ist nur eine Unsitte, aber technisch hier nicht erforderlich.
Nochmal zu den Kondensatoren: Ich hab mir jetzt die Application Notes von Recom durchgelesen, dort empfehlen sie als EMC-Filter 2x 10µF MLCC plus 10µH (http://www.recom-power.com/fileadmin/EMEA/Downloads/Application_Notes/App_Notes_27112014.pdf, Seite 23). Passen dafür zB diese konkreten Bauteile? http://www.reichelt.de/Vielschicht-SMD-G1206-High-Cap/X7R-G1206-10-16/3/index.html?ACTION=3&LA=2&ARTICLE=89740&GROUPID=4340&artnr=X7R-G1206+10%2F16 und http://www.reichelt.de/SMD-1206-1210-1812/L-1210F-10-/3/index.html?ACTION=3&LA=2&ARTICLE=138574&GROUPID=7225&artnr=L-1210F+10%C2%B5 Brauch ich dann zusätzlich noch einen Elko am Eingang? Wenn ja, wie dimensioniert? Vor oder nach der Induktivität? 6a66 schrieb: > Nein: Wenn VCC Pin am Smbol vorhanden (wie bei Dir )dann dieses auf die > Spannung ziehen. Dort dann gegen GND den Abblockkondensator anschließen. > (siehe Bild). Wenn Kein Symbol vorhanden dann nur den Kondensator > daneben mit VCC und GND. Alternativ die ganzen Blockkondensatoren in > einer Bank irgendwo aufführen. Alles klar, danke!
Stefan D. schrieb: > Nochmal zu den Kondensatoren: Ich hab mir jetzt die Application Notes > von Recom durchgelesen, dort empfehlen sie als EMC-Filter 2x 10µF MLCC > plus 10µH > (http://www.recom-power.com/fileadmin/EMEA/Downloads/Application_Notes/App_Notes_27112014.pdf, > Seite 23). > > Passen dafür zB diese konkreten Bauteile? > http://www.reichelt.de/Vielschicht-SMD-G1206-High-Cap/X7R-G1206-10-16/3/index.html?ACTION=3&LA=2&ARTICLE=89740&GROUPID=4340&artnr=X7R-G1206+10%2F16 > und > http://www.reichelt.de/SMD-1206-1210-1812/L-1210F-10-/3/index.html?ACTION=3&LA=2&ARTICLE=138574&GROUPID=7225&artnr=L-1210F+10%C2%B5 > > Brauch ich dann zusätzlich noch einen Elko am Eingang? Wenn ja, wie > dimensioniert? Vor oder nach der Induktivität? Das ist das schwierigere Teil. Leider ist es nicht damit getan einfach Teile mit den passenden Werten zu besorgen. Am besten wäre es die konkreten Teile z.B. in LTSpice zu simulieren, falls Modelle verfügbar und dann auf der konkreten Platine zu messen. Die von Dir ausgewählten Teile sind beide nicht geeignet. Der Kondensator ist mit 16V maximaler Spannung (bei 12V Eingangsspannung) etwas knapp dimensioniert, wobei auch das Voltage-Derating eine Rolle spielt (Kapazität wird geringer mit steigender Spannung). Die Induktivität, die Du Dir ausgesucht hast ist mit einem maximalen Strom von 320mA auch etwas knapp angesetzt. Dein 5V-Teil wird vermutlich nicht so viel Strom verbrauchen, aber im Fehlerfall ist die Induktivität dem Strom nicht gewachsen. Auch spielen Dinge, wie Sättigung des Kerns, Q-Faktor usw. eine Rolle und auch hier scheint eine RF-Induktivität ungeeignet. Man baut sich so auch schnell einen Anti-Filter. ;-) Für solche Filterschaltungen funktionieren Teile mit niedrigem Q-Faktor besser (Du willst ja keinen Schwingkreis aufbauen, sondern die ungewollte HF-Energie in Wärme umwandeln) und bei Spannung und Strombelastbarkeit gerne das doppelte von dem was maximal zu erwarten ist, um auf der sicheren Seite zu sein. Für eine Hobby-Schaltung würde ich deshalb dazu Raten einen Elko (zw. 22-100uF) vor den Recom zu schalten (der zu erwartende Stromverbrauch ist ja gering).
Danke für die ausführliche Erklärung. “Elko only” it shall be! :-) Der Stromverbrauch wird bei ca. 700mA-800mA liegen (RPi ohne Peripherie, plus die 2 TPIC6B595, die ich jetzt doch statt den normalen Schieberegistern + MOSFETs verwenden werde).
Stefan D. schrieb: > Danke für die ausführliche Erklärung. “Elko only” it shall be! :-) Es wird sicher noch jede Menge anderer Meinungen dazu geben. Wenn ich mehrere dieser RECOM und auch die Dinger von TRACO parallel Schalte ist ein Pi-Filter pro Regler und ein gemeinser Elko auf jedenfall sinnvoll, da die Dinger nicht synchronisiert sind und mit ähnlicher Frequenz takten, gibt es lustige Überlagerungen auf der Eingangsseite. Aber für so eine Hobbyschaltung und ein RECOM-Regeler genügt meines Erachtens ein Elko. Solang sich Dein RPi nicht gestört fühlt ist alles in Ordnung.
Ich hab Schaltung und Platine jetzt nochmal überarbeitet: * TPIC6B595 statt „normaler“ Schieberegister plus MOSFET * 74HCT125 als Pegelwandler (3,3V vom RPi -> 5V für die TPICs) * RCK und SCK getrennt angesteuert * Elko beim Recom * Hohlbuchse für die Stromversorgung (wird ein externes 12V-Netzteil, und das hat schon einen passenden Hohlstecker dran). Bei der Massefläche hab ich versucht darauf zu achten, dass möglichst keine Zipfel oder Streifen vorhanden sind.
Pin 5 und 4 von U18 sollte man auf GND legen. In so einem einfachen Schaltplan zeichnet man DIRKETE Signalverbindungen und nicht Dutzende Labels. Denn so ist es eher eine Netzliste als ein verständlicher Schaltplan.
Guck dir mal die Leiterbahn von P3 Pin2 an. Die Zerschneidet dir die Massefläche und GND von C1 sitzt auch noch auf der anderen Seite. GND von U4 ist arg dünn (8x80mA?). C4 bringt im Moment wenig. Setzte den besser auf die linke Stirnseite von U4.
Und wenn du schon die ERC Fehler nicht behebst, dann mach wenigstens die marker weg.
Falk B. schrieb: > Pin 5 und 4 von U18 sollte man auf GND legen. Guter Punkt, danke. Hab ich geändert. Jonas G. schrieb: > Und wenn du schon die ERC Fehler nicht behebst, dann mach > wenigstens die > marker weg. Die sind bei den 3 Netzen, wo ich ein Signal vom RPi verwende (SCK, RCK, MOSI). Was ist der korrekte Weg, um die loszuwerden? PWR_FLAGs dranhängen? Julian .. schrieb: > Guck dir mal die Leiterbahn von P3 Pin2 an. > Die Zerschneidet dir die Massefläche und GND von C1 > sitzt auch noch auf der anderen Seite. Ist geändert, hab die jetzt oben verlegt und erst für das letzte Stück ein Via und eine Leiterbahn unten verwendet. > GND von U4 ist arg dünn (8x80mA?). > > C4 bringt im Moment wenig. Setzte den besser > auf die linke Stirnseite von U4. Hab den C4 wie vorgeschlagen verschoben, und alle Massebahnen mit 0,508 angelegt, danke!
Inzwischen ist die Platine fertig produziert (bei Ätzwerk, bin mit dem Ergebnis absolut zufrieden), bestückt und scheint tatsächlich korrekt zu funktionieren – hier mal ein Test (noch mit einzelnen LEDs statt der 12V-LED-Strips, die sind nämlich noch nicht fertig verkabelt): https://www.youtube.com/watch?v=2lUJpLzWls4 Danke nochmals an alle für Feedback und Tipps!
Bitte melde dich an um einen Beitrag zu schreiben. Anmeldung ist kostenlos und dauert nur eine Minute.
  
  Bestehender Account
  
  
  
  Schon ein Account bei Google/GoogleMail? Keine Anmeldung erforderlich!
Mit Google-Account einloggen
Mit Google-Account einloggen
  Noch kein Account? Hier anmelden.






