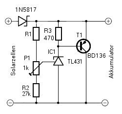
Hallo, ich habe testweise die Schaltung im Bild nachgebaut. P1 hab ich rausgelassen, R1 mit 22K und R2 mit 27K gesteckt. Somit müsste sich eine Ausgangsspanung von ca. 4,5V am Ausgang einstellen. Nun ist es aber so, dass ab ca. 5V Eingangsspannung über ein Netzteil, der Strom stark ansteigt und dabei die Diode und der Transistor ziemlich heiß werden. Dabei ist es egal ob am Ausgang der Schaltung ein Akku anliegt oder nicht. Hat jemand eine Idee vorher das kommt ? Ich wollte eine "einfache" Schaltung mit der ich über eine Solarzelle 6V/70mA meinen Akku mit 4,5V Ladeschlussspannung lade. Gruss
P. F. schrieb: > dabei die Diode und der Transistor ziemlich > heiß werden. Tja, das ist die ehrenvolle Aufgabe eines Shuntregler - er verbrät alles, was oberhalb seiner Schwellspannung liegt, in der Shuntstufe. Ist also ganz normal. Am Ausgang sollten sich bei richtigem Aufbau und Abgleich geregelte 4,5V zeigen, dann ist alles ok. Shuntstufe muss dann gekühlt werden und als Diode solltest du eine stärkere einbauen. Eine Solarzelle ist allerdings viel 'weicher' als ein Netzteil ohne Strombegrenzung, der Transistor wird also im realen Leben nicht so warm wie mit dem Netzteil, vor allem nicht mit einer 70mA Zelle.
P. F. schrieb: > Nun ist es aber so, dass ab ca. 5V Eingangsspannung über ein Netzteil, > der Strom stark ansteigt und dabei die Diode und der Transistor ziemlich > heiß werden. Ein Netzteil ist eben kein Solarpanel. Vergleiche mal die Ausgangskennlinien.
Matthias S. schrieb: > …und als Diode solltest du eine stärkere einbauen. Stärker bedeutet höhere Strombelastbarkeit. Es spricht aber nichts dagegen, aus dem Shunt- einen Linearregler zu machen und eine Strombegrenzung basierend auf der Eingangsspannung vorzunehmen. Hängt eben von der Solarzelle und dem Akku ab, mit welcher Effizienz (=bei welcher Spannung und welchem Strom) das Licht gespeichert wird. Und von 500mW 60% Verlust mit mehr Bauteilen zu beheben, rechnet sich bei 40Ct/kWh nicht.
Du hast noch einen Fehler beim Test. Deine Solarzelle liefert, wie du beschrieben hast max. 70mA. Wenn du die Schaltung jetzt mit einem Netzzeil testest, musst du auch die Strombegrenzung auf diese 70mA einstellen. Wenn du jetzt den Spannungsgradienten durchfährst kann der Strom, egal ob mit oder ohne Akku nicht über diese Grenze gehen. Die max. Verlustleistung entsteht ohne Akku. Dann noch mal schauen, ob was zu warm wird. Grüße Slartibartfaß
Boris O. schrieb: > Es spricht aber nichts > dagegen, aus dem Shunt- einen Linearregler zu machen und eine > Strombegrenzung basierend auf der Eingangsspannung vorzunehmen. Shuntregler ist für Solarzellen schon eine brauchbare Sache und nichts ungewöhnliches oder schlechtes.
Matthias S. schrieb: > Tja, das ist die ehrenvolle Aufgabe eines Shuntregler - er verbrät > alles, was oberhalb seiner Schwellspannung liegt, in der Shuntstufe. Ist > also ganz normal. Das war mir klar, aber dass das Ding so heiß wird, dass ich mir den Finger verbrannt hab war mir nicht klar. Boris O. schrieb: > Es spricht aber nichts > dagegen, aus dem Shunt- einen Linearregler zu machen und eine > Strombegrenzung basierend auf der Eingangsspannung vorzunehmen. Hängt > eben von der Solarzelle und dem Akku ab, mit welcher Effizienz (=bei > welcher Spannung und welchem Strom) das Licht gespeichert wird. Und von > 500mW 60% Verlust mit mehr Bauteilen zu beheben, rechnet sich bei > 40Ct/kWh nicht. Ich hatte das mit den LM317 versucht, jedoch hat der Regler für meine Anwendung einen zu hohen "Eigenbedarf". Um am Ausgang 4,5V zu bekommen, komme ich mit der 6V Nennspannung der Zelle bereits an die Grenzen. Slartibartfaß schrieb: > Wenn du die Schaltung jetzt mit einem Netzzeil testest, musst du auch > die Strombegrenzung auf diese 70mA einstellen. Teste ich mal aus.
P. F. schrieb: > Das war mir klar, aber dass das Ding so heiß wird, dass ich mir den > Finger verbrannt hab war mir nicht klar. Mit der entsprechenden Eingangsquelle kannst du das Teil sogar in eine Sternschnuppe verwandeln. P = U*I
P. F. schrieb: > Matthias S. schrieb: >> Tja, das ist die ehrenvolle Aufgabe eines Shuntregler - er verbrät >> alles, was oberhalb seiner Schwellspannung liegt, in der Shuntstufe. > > Das war mir klar, aber dass das Ding so heiß wird, dass ich mir den > Finger verbrannt hab war mir nicht klar. Ein Shuntregler funktioniert nur im Zusammenspiel mit der Strom- begrenzung der Eingangsspannungsquelle. Es ist mir schleierhaft, wie man das einerseits "wissen" können will und dann andererseits eine 70mA Solarzelle durch ein Netzteil ohne(?) Strombegrenzung ersetzt. Matthias S. schrieb: > als Diode solltest du eine stärkere einbauen. Warum das? Für eine 70mA Solarzelle ist eine 1A Diode doch wohl mehr als ausreichend.
Ne Solarzelle ist aber eine Stromquelle. Ein Netzteil ist in der Regel eine Spannungsquelle.
Axel S. schrieb: > Ein Shuntregler funktioniert nur im Zusammenspiel mit der Strom- > begrenzung der Eingangsspannungsquelle. Es ist mir schleierhaft, wie man > das einerseits "wissen" können will und dann andererseits eine 70mA > Solarzelle durch ein Netzteil ohne(?) Strombegrenzung ersetzt. Wenn man nichts konstrutiven beitragen kann, sollte man es leiber ganz lassen. Die ganze Welt besteht aus aufbauen, probieren, verbessern.
Matthias S. schrieb: > Eine Solarzelle ist allerdings viel 'weicher' als ein Netzteil ohne > Strombegrenzung, der Transistor wird also im realen Leben nicht so warm > wie mit dem Netzteil, vor allem nicht mit einer 70mA Zelle. Ich hatte gestern abend nur kurz ans Netzteil angeschlossen, um zu kontrollieren ob tatsächlich die eingestelle Spannung rauskommt. Zudem hatte ich nur noch künstliches Licht für die Zelle und da kam aber nur noch murks raus.
P. F. schrieb: >> Ein Shuntregler funktioniert nur im Zusammenspiel mit der Strom- >> begrenzung der Eingangsspannungsquelle. Es ist mir schleierhaft, wie man >> das einerseits "wissen" können will und dann andererseits eine 70mA >> Solarzelle durch ein Netzteil ohne(?) Strombegrenzung ersetzt. > > Wenn man nichts konstrutiven beitragen kann, sollte man es leiber ganz > lassen. Die ganze Welt besteht aus aufbauen, probieren, verbessern. Genau diese Antwort von Axel ist aber zielführend und zeigt die Lösung für Dein Problem.
P. F. schrieb: > Die ganze Welt besteht aus aufbauen, probieren, verbessern. Nur die Welt derjenigen, die ihren Kopf nicht gebrauchen.
P. F. schrieb: > Wenn man nichts konstrutiven beitragen kann, sollte man es leiber ganz > lassen Du solltest den von dir kritisierten Text nochmal lesen. Der ist durchaus konstruktiv. > Die ganze Welt besteht aus aufbauen, probieren, verbessern. Manche Sachen kann man vorher voll einfach (wenigstens überschlägig) ausrechnen. Und spart sich damit die verbrannten Finger. Denn wenn du immer nur "herumprobierst", dann wirst du dich auch in 20 Jahren noch über sowas Triviales wundern... P. F. schrieb: > Ich hatte gestern abend nur kurz ans Netzteil angeschlossen, um zu > kontrollieren ob tatsächlich die eingestelle Spannung rauskommt. Ein wichtiger Teil des Shunt-Reglers ist der Vorwiderstand, der in der Solarzelle, aber nicht im Labornetzteil eingebaut ist. Das sollte man wissen, wenn man so ein Ding anwendet.
Matthias S. schrieb: > ... und als Diode solltest du eine stärkere einbauen. Das ist doch Unfug. Wozu soll man eine andere Diode einbauen? Eine 1N5817 kann 1A. Das wird doch wohl dicke für eine Solarzelle mit 70mA Kurzschlussstrom ausreichen. Der Rest wurde schon gesagt ...
P. F. schrieb: > Die ganze Welt besteht aus aufbauen, probieren, verbessern. Du solltest berücksichtigen, dass sich im MINT-Bereich in den letzten Jahrhunderten einiges an Verständnis für die funktionalen Zusammenhänge aufgebaut hat. Dieses Wissen zu nutzen, hat es erst möglich gemacht, dass Flugzeuge vom "Reißbrett" funktionieren oder elektronische Schaltungen nicht beim ersten Anschalten abrauchen.
P. F. schrieb: > Axel S. schrieb: >> Ein Shuntregler funktioniert nur im Zusammenspiel mit der Strom- >> begrenzung der Eingangsspannungsquelle. Es ist mir schleierhaft, wie man >> das einerseits "wissen" können will und dann andererseits eine 70mA >> Solarzelle durch ein Netzteil ohne(?) Strombegrenzung ersetzt. > > Wenn man nichts konstrutiven beitragen kann, sollte man es leiber ganz > lassen. Die ganze Welt besteht aus aufbauen, probieren, verbessern. Wenn du nicht fähig bist, eine konstruktive Antwort zu verstehen, dann liegt der Fehler bei dir, nicht beim Antwortenden. Und wenn du noch nicht mal das Grundprinzip des Shuntreglers begriffen hast, dann wirst du beim Ausprobieren auf die Nase fallen, aber nicht mal wissen warum. Verbessern kannst du dann auch nichts.
Und jedes Fachwissen der Schlaumeier, die mich hier "zerpflücken", weil ich es gewagt habe mal etwas herum zu experimentieren, kam über Nacht oder wurde in die Wiege gelegt ? Ein Lernprozess gab es anscheinend nie....
Was für einen Akku willst du da anschließen? Hoffentlich keinen LiIon. Der würde dann nämlich viel mehr Hitze und schlussendlich Licht- und Rauchmeldung geben.
Dirk K. schrieb: > Was für einen Akku willst du da anschließen? Hoffentlich keinen LiIon. > Der würde dann nämlich viel mehr Hitze und schlussendlich Licht- und > Rauchmeldung geben. 3x NiMH, hatte ich gerade hier.
Dieses MINT-Wissen ist aber in den letzten 25 Jahren auch wieder rapide verloren gegangen. Vielleicht sollten wir der Diode erst mal was vortantzen. Anschließen diskutieren wir über die Gefühle des Transistors, als es ihm so heiß wurde. Zwischendurch kann man den Schaltplan noch bunt ausmalen und in die Hände klatschen.
P. F. schrieb: > Und jedes Fachwissen der Schlaumeier, die mich hier "zerpflücken", weil > ich es gewagt habe mal etwas herum zu experimentieren, kam über Nacht > oder wurde in die Wiege gelegt ? Nein. Sie haben aber nicht an der von ihnen nicht verstandenen Antwort herumgemosert, sondern versucht, zu verstehen, was der mit seiner "unkonstruktiven Aussage" meint. Oder hätte die von dir gern gehörte Antwort lauten sollen: "Probier weiter! Du schaffst das!" Dirk K. schrieb: > Was für einen Akku willst du da anschließen? Hoffentlich keinen LiIon. Warum? > Der würde dann nämlich viel mehr Hitze und schlussendlich Licht- und > Rauchmeldung geben. Aber das würde tadellos funktionieren, wenn als Quelle die Solarzelle verwendet wird. Oder ein Serienwiderstand zwischen Netzteil und Shuntregler platziert wird. Oder die Strombegrenzung des Netzteils passen eingestellt wird...
Lothar M. schrieb: > Dirk K. schrieb: >> Was für einen Akku willst du da anschließen? Hoffentlich keinen LiIon. > Warum? Wegen der angepeilten 4.5V Ladeschlußspannung? Aber gut, auch für 3x NiMH sind 4.5V arg grenzwertig. Sowie überhaupt der Versuch einer spannungsbegrenzten Ladung bei NiMH. Andererseits könnten 70mA durchaus noch unterhalb des erlaubten Dauerladestroms liegen. Kommt auf die Zellen an, von denen wir nichts wissen.
Axel S. schrieb: > auch für 3x > NiMH sind 4.5V arg grenzwertig Ich habe mehrere Ladeschlussspannungen auf verschiedene Seiten gelesen. Mal 1,45V, mal 1,5V, oder 1,55V. Ich vermutet das könnte auch von Hersteller zu Hersteller unterschiedlich ausfallen. Axel S. schrieb: > Kommt auf die > Zellen an, von denen wir nichts wissen. 3x AAA NiMH mit je 900mAh. Aufgedruckt ist "Ladestrom max 190mA". Somit würde ich im schlimmsten Fall dauerhaft mit unter 1/10 C laden. Ich denke das ist zwar nicht optimal, aber noch im Rahmen.
LiIon - insbesondere, wenn es Recycle-Zellen wie Ultrafire anstatt Markenzellen sind - mögen nicht mehr als 4,2V. Bei 4,5V wird es fast sicher warm, kurz hell, und man darf aufräumen. Hingegen finde ich den Ansatz einer Spannungsbegrenzung auch bei NiMH nicht unsinnig. Einfach als zusätzliche Sicherungsmaßnahme, sodass die Zellen nicht heillos über- respektive kaputtladen im Fehlerfall.
P. F. schrieb: > Axel S. schrieb: >> auch für 3x >> NiMH sind 4.5V arg grenzwertig > > Ich habe mehrere Ladeschlussspannungen auf verschiedene Seiten gelesen. > Mal 1,45V, mal 1,5V, oder 1,55V. Ich vermutet das könnte auch von > Hersteller zu Hersteller unterschiedlich ausfallen. Das liegt in erster Linie daran, daß die Klemmenspannung bei NiMH nicht zur Beurteilung des Ladezustands taugt. Deswegen machen sich ernstgemeinte Ladegeräte ja den Aufwand mit Delta-U Messung. Dirk K. schrieb: > Hingegen finde ich den Ansatz einer Spannungsbegrenzung auch bei NiMH > nicht unsinnig. Das wird sicher keinen zusätzlichen Schaden anrichten. Es wird aber andererseits die Zellen auch nicht sicher vor Überladung schützen.
Axel S. schrieb: > Deswegen machen sich > ernstgemeinte Ladegeräte ja den Aufwand mit Delta-U Messung. Dafür müsste ich einen Controller einbauen, ich wollte es ziemlich einfach halten. Wäre das überhaupt nur mit ATtiny ohne OP möglich oder wäre es dann viel zu ungenau ?
Axel S. schrieb: > Deswegen machen sich > ernstgemeinte Ladegeräte ja den Aufwand mit Delta-U Messung. ... was aber bei einem so kleinen Ladestrom (70mA) leider nicht geht.
Axel S. schrieb: > Das wird sicher keinen zusätzlichen Schaden anrichten. Es wird aber > andererseits die Zellen auch nicht sicher vor Überladung schützen. Würden die mir es denn bei kleiner als 1/10C Dauerladen übel neben ?
P. F. schrieb: > Ich habe mehrere Ladeschlussspannungen auf verschiedene Seiten gelesen. > Mal 1,45V, mal 1,5V, oder 1,55V. Ich vermutet das könnte auch von > Hersteller zu Hersteller unterschiedlich ausfallen. Da kann man eigentlich nur noch dazu sagen: "aufbauen, probieren, verbessern." :-(
P. F. schrieb: > Axel S. schrieb: >> Das wird sicher keinen zusätzlichen Schaden anrichten. Es wird aber >> andererseits die Zellen auch nicht sicher vor Überladung schützen. > > Würden die mir es denn bei kleiner als 1/10C Dauerladen übel neben ? Der erlaubte Dauerladestrom steht im Datenblatt des Akkus - sofern der Hersteller den Akku überhaupt für Dauerladung ausgelegt hat. Typische Werte sind zwischen C/10h und C/20h.
Wie ist das denn mit den Ladestrom wenn der Akku voll ist ? Der sinkt doch bis auf ein paar mA. Mal angenommen der Akku hat dann eine Spannung von 3x1,5V (http://www.elektronik-kompendium.de/sites/bau/1101251.htm). Rein recherisch dürfte doch dann kein Strom mehr fliessen, wenn die Ladequelle ebenfalls 4,5V hat.
P. F. schrieb: > Ein Lernprozess gab es anscheinend nie.... Ja, dieser Lernprozess fand typischerweise in einer mehrjährigen Ausbildung statt und nicht durch plumpes rumprobieren.
Wolfgang schrieb: > Du solltest berücksichtigen, dass sich im MINT-Bereich in den letzten > Jahrhunderten einiges an Verständnis für die funktionalen Zusammenhänge > aufgebaut hat. > Dieses Wissen zu nutzen, hat es erst möglich gemacht, dass Flugzeuge vom > "Reißbrett" funktionieren oder elektronische Schaltungen nicht beim > ersten Anschalten abrauchen. jaja heute wird alles sofort vom Reißbrett in die Produktion gegeben. Testen ob's Funktioniert... können ja die Kunden. Ings. ohne den geringsten Praxisbezug... das sind eh die Besten :)
Harald W. schrieb: > plumpes rumprobieren Selbst zu einer Ausbildung gehört nicht nur die Theorie. Plumpes rumprobieren, oder wie ich es nenne ein paar Grundladen schaffen (Betonung liegt auf ein paar) und die eine oder andere Testschaltung zusammenstecken und versuchen zu verstehen bevor man lötet, sehe ich schon als Sinnvoll an. Selbst der Elektronik-Guru schlecht hin, hat klein angefangen und versucht es zu kapieren. Und heute macht er sich über Hobby-Elektroniker lustig die jetzt auf den selben Stand sind, wie er es mal war. Traurig.
P. F. schrieb: > Wie ist das denn mit den Ladestrom wenn der Akku voll ist ? Der > sinkt > doch bis auf ein paar mA. Mal angenommen der Akku hat dann eine Spannung > von 3x1,5V (http://www.elektronik-kompendium.de/sites/bau/1101251.htm). > Rein recherisch dürfte doch dann kein Strom mehr fliessen, wenn die > Ladequelle ebenfalls 4,5V hat. Nein, das ist bei dem Akkutyp nicht so. Die "Akku-voll-Spannung" hängt nicht wenig von der Akkutemperatur ab und der Strom an diesem Punkt reduziert sich auch nicht, denn die Akkuspannung sinkt sogar nach diesem Punkt wieder ein wenig ab, was sich die -dU Ladegeräte zunutze machen. Wie aber schon geschrieben wurde, sollten 70mA (welche von einer Solarzelle, wenn es die angegebene Leistung ist, sowieso kaum bzw. gar nicht komplett erreicht werden), als Dauerladestrom nicht sehr schädlich für die Zellen sein. Da gibts schlimmeres.
Wolfgang schrieb: > Das ist doch Unfug. Wozu soll man eine andere Diode einbauen? Oh, wenn er das Ding weiter am Netzteil betreibt, ist das schon eine gute Idee. Wenn du allerdings ein wenig weiterliest und nicht nur das zitierst, was dir gerade aufstösst, dann solltest du feststellen das * du nicht der erste warst, der dran rummeckert * das Problem schon längst geklärt ist * du nichts konstruktives beigetragen hast, denn Wolfgang schrieb: > Der Rest wurde schon gesagt ... Danke also für deinen völlig überflüssigen Beitrag All das habe ich auch schon in der ersten Antwort ganz weit oben geschrieben.
P. F. schrieb: > Plumpes rumprobieren, oder wie ich es nenne ein paar Grundladen > schaffen. Grundlagen lernst Du nicht durch probieren, sondern durch lernen der dazugehörigen Theorie. > Selbst der Elektronik-Guru schlecht hin, hat klein angefangen > und versucht es zu kapieren. Und heute macht er sich über Hobby- > Elektroniker lustig die jetzt auf den selben Stand sind, wie er > es mal war. Traurig. Die Phase des rumprobierens ohne Kenntnis der zugehörigen Theorie hat bei mir im Alter von ca. 15 Jahren aufgehört. Wie alt bist Du?
Harald W. schrieb: > Die Phase des rumprobierens ohne Kenntnis der zugehörigen Theorie > hat bei mir im Alter von ca. 15 Jahren aufgehört. Wie alt bist Du? Ich nehme an, Du hast die 15 inzwischen erheblich überschritten. Ich habe in der Berufsschule gelernt "Es wird wohl einen Transistor geben, der sich wie eine Röhre verhält" ... Jahre später ein Bekannter "Die Röhre soll ungefähr wie ein FET funktioniert haben" :-) Für die Jungschen hier: BF245 ist ein Vertreter dieser Bauart. Als ich professionelle Elektronik begonnen habe, gab es weder LTspice noch Internet, immerhin waren Taschenrechner schon unter 300 DM erhältlich. Leiterplatten habe ich von Hand geklebt, das erste CAD im Konzern kostete siebenstellig. Dafür habe ich ausgiebig erfahren, mit dem Scope (Analogspeicher) umzugehen und Messfehler zu erkennen. Immerhin gab es schon DVMs, wenn auch nur von HP und zum vierstelligen Preis. Was ist heute los - formulierte ein Kollege von mir sehr zutreffend: "Früher hast Du eine Lösung erarbeitet, heute schmiert man erstmal ins Internet, dass man ein Problem hat". Dem mag ich nichts hinzufügen. Dieses Forum - na ja, komplettes Abbild der Gesellschaft: Leute mit gutem Fachwissen, Leute mit wenig bis ohne, die aber ihre Antworten ordentlich lesen und nacharbeiten und am anderen Ende stinkefaule Kiddis, die hier fertige Schaltungsentwicklungen erwarten und dann noch pampig werden.
Bitte melde dich an um einen Beitrag zu schreiben. Anmeldung ist kostenlos und dauert nur eine Minute.
Bestehender Account
Schon ein Account bei Google/GoogleMail? Keine Anmeldung erforderlich!
Mit Google-Account einloggen
Mit Google-Account einloggen
Noch kein Account? Hier anmelden.
