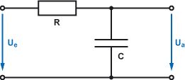
Hallo. Ich habe eine Frage bezüglich Hoch- und Tiefpässen. Zuerst muss ich erwähnen, dass ich ein blutiger Anfänger bin was Elektrotechnik betrifft. Die angehängte Dateien zeigen einen Hoch- und einen Tiefpass. Ich weiß, dass ein Hochpass die tiefen Frequenzen sperrt und die hohen durchlässt, aber ich kann mir nicht erklären warum das so ist. Das gleiche Problem beim Tiefpass. Kann mir von euch einer eine genaue "Funktionsbeschreibung" eines Hoch- und Tiefpasses hier in den Thread schreiben? Für jegliche Hilfe bin ich sehr dankbar. Mit freundlichen Grüßen, Jens
Stell dir das mal als Spannungsteiler vor, wobei einer der Widerstände eben Frequenzabhängig ist.
Jens P. schrieb: > Ich weiß, > dass ein Hochpass die tiefen Frequenzen sperrt und die hohen durchlässt, > aber ich kann mir nicht erklären warum das so ist. Es ist eigentlich ganz simpel. Ein Kondensator sperrt Gleichstrom und lässt Wechselstrom durch. Je höher die Frequenz ist, desto mehr Strom kommt durch. Letztlich wird beim Kondensator der kapazitive Widerstand mit zunehmender Frequenz kleiner. Bei Deinen Bildern hast Du jeweils einen Kondensator und einen ohmschen Widerstand. Die Grenzfrequenz des Filters ist dann erreicht wenn der kapazitive Widerstand gleich dem ohmschen Widerstand ist. Xc = 1 / (2 x 3,14 x C x f) http://www.elektronik-kompendium.de/sites/slt/0206171.htm mfg klaus
Ich habe mir früher (zu meinen Anfangszeiten) immer die Grenzwerte für extrem niedrige Frequenzen (= DC) und extrem hohe Frequenzen vorgestellt. Der Widerstand ist dabei frequenzunabhängig. Der Kondensator ist bei DC einfach undurchlässig - man könnte ihn weglassen. Damit siehst du sofort, dass beim HP nichts mehr durchkommt und beim TP der Kondensator weggelassen werden kann. Umgekehrt, bei hohen Frequenzen ersetzt du den Kondenstator durch einen Kurzschluss. Beim HP wird zwar die Quelle durch den R belastet, ansonsten gibt es aber keine Einschränkung - das Signal kommt ungehindert am Ausgang an. Beim TP jedoch schließt der Kondensator das Ausgangssignal kurz - es kommt nichts mehr am Ausgang an. Auch für komplexere Schaltungen kann man so eine Übersicht gewinnen. Und zwischen diesen extremen Grenzen gibt es einen Übergangsbereich, der bei f=1/(2πRC) die Ausgangsspannung auf 1/sqrt(2) = 0.707 absinken lässt - gegenüber dem Durchlassbereich.
@Jens P.: Meine Vorredner haben Dir ja schon gute Tipps gegeben. Solltest Du noch weitere Tipps benötigen, so melde Dich hier nochmals. Ich für meinen Teil hatte früher (vor meinem E-Technik-Studium) dieselben Fragen zu genau denselben Schaltungen. Im Studium wurden dann genau diese Fragen zu 100% beantwortet. Danach scheint alles - wie immer im Leben - ganz simpel ... Zum Glück braucht man aber nicht unbedingt studieren, um Deinen Hoch- und Tiefpass genau zu berechnen - ein gutes Buch tut's ebenfalls. Das hier setzt Vorwissen deutlich unterhalb des Abitur-Levels voraus und bringt Dich soweit, dass Du die o.g. Schaltungen verstehen und berechnen kannst (und noch viel mehr): "Grundwissen Elektrotechnik" von Leonhard Stiny, ISBN 3772355897 Außerdem vermittelt das Buch ganz gut die Grundlagen und ist dabei halbwegs kurzweilig (soweit es der Stoff zuläßt). Trotzdem: ohne Fleiß kein Preis: auch hier kommt der Tiefpass erst auf Seite 230 - aber bis dahin hast Du auch verstanden, warum ... Soweit meine Empfehlung, wenn Du etwas mehr hinter die Kulissen schauen möchtest und trotzdem nicht sofort ein halbes Studium absolvieren willst. Solltest Du mathematisch versiert und interessiert sein, sind evtl. andere Bücher für Dich interessanter. Dann melde Dich hier einfach nochmals. Viele Grüße Igel1
Bitte melde dich an um einen Beitrag zu schreiben. Anmeldung ist kostenlos und dauert nur eine Minute.
Bestehender Account
Schon ein Account bei Google/GoogleMail? Keine Anmeldung erforderlich!
Mit Google-Account einloggen
Mit Google-Account einloggen
Noch kein Account? Hier anmelden.

