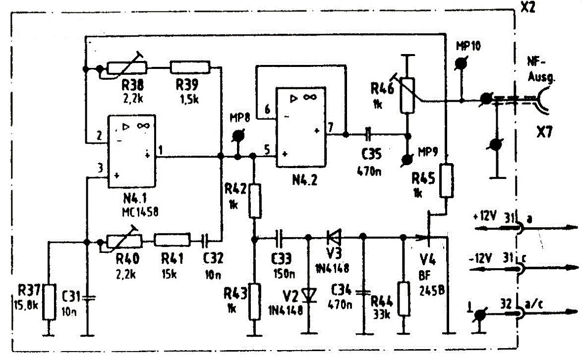
Guten Tag. Im Anhang habe ich eine komplette Schaltung angehängt und ich wollte einfach mal schauen, ob ich die Schaltung richtig verstanden habe. Ich habe mit N4.1 einen Wien-Robinson-Oszillator, welcher durch R37, C31, sowie durch R40, R41 (Frequenzeinstellung) und C32 seine Frequenz (1kHz) erlangt auf der er schwingt. Er schwingt weil die Wienbrücke eine Phasenverschiebung von 0° aufweist und der OP keine Phasendrehung besitzt. Somit kann durch die Mitkopplung das Ausgangssignal wieder auf den Eingang zurückgeführt werden. Da das Aus- und Eingangssignal die gleiche Phasenlage haben, kommt es zu einer sinusförmigen Schwingung. R38 in Kombination mit R39 bestimmen meinen Verstärkungsfaktor. Der Impedanzwandler ist dafür da, dass er mir den Wien-Robinson entlastet. Der Spannungsteiler halbiert mir meine Spannung, die an MP8 anliegt. V2 schaltet mir meine positiven Halbwellen gegen Masse kurz und die negativen Halbwellen durchqueren V3. Wofür ist C33 und C34, sowie C35 da? Bei der Funktion von V4 bin ich mir unsicher, erbitte hier ein wenig Hilfe, warum er da ist und was er macht. Mit R46 kann ich die Amplitude meines 1kHz Sinussignals einstellen, welches dann am Ausgang X7 anliegt. Ich hoffe ich konnte alles recht durchleuchtend erklären ^^ Falls es einfacher geht könnt ihr mir das gerne schreiben. Falls etwas falsch oder fehlerhaft ist, bitte auch korrigieren. Mit freundlichen Grüßen, Maxim
Maxim M. schrieb: > Da das Aus- und Eingangssignal die gleiche Phasenlage haben, kommt es zu > einer sinusförmigen Schwingung. Nö, gleiche Phasenlage ist Schwingbedingung schlechthin. Ohne Verstärkungsbegrenzung würden die Verstärker in den Anschlag fahren, und es entsteht ein (einigermaßen) Rechteck. > R38 in Kombination mit R39 bestimmen meinen Verstärkungsfaktor. Das ist nur ein Teil der Miete. Der zweite Teil besteht aus R45 und V4. Diese bilden eine Verstärkungregelung (über den vorgeschalteten Spannungsverdoppler), und erst durch diese schafft man es, dass da auch wirklich ein sauberer Sinus rauskommt, da man den Verstärker immer genau an dem Punkt hält, wo die Schwingbedingung gerade noch so erfüllt wird. > V2 schaltet mir meine positiven Halbwellen gegen Masse kurz und die > negativen Halbwellen durchqueren V3. > > Wofür ist C33 und C34, sowie C35 da? https://de.wikipedia.org/wiki/Spannungsverdoppler#Greinacher-Schaltung
Jörg W. schrieb: > Der zweite Teil besteht aus R45 und V4. Diese bilden eine > Verstärkungregelung (über den vorgeschalteten Spannungsverdoppler), > und erst durch diese schafft man es, dass da auch wirklich ein > sauberer Sinus rauskommt, da man den Verstärker immer genau an > dem Punkt hält, wo die Schwingbedingung gerade noch so erfüllt > wird. Das heißt, dass mein Kondensator C33 sich auf die Spitzenspannung meines halbierten Signals auflädt? Nach der Diode V3 habe ich dann nur noch die negative Halbwelle, allerdings mit der doppelten Halbwellenspannung, welche dann auch am Gate anliegt? Aber das würde ja heißen, dass wenn ich beispielsweise 5V am MP8 anliegen habe diese auf 2,5V herunterbreche und die dann wieder auf 5V anhebe? Warum macht man sich solch einen Aufwand? LG
Maxim M. schrieb: > Jörg W. schrieb: >> Der zweite Teil besteht aus R45 und V4. Diese bilden eine >> Verstärkungregelung (über den vorgeschalteten Spannungsverdoppler), >> und erst durch diese schafft man es, dass da auch wirklich ein >> sauberer Sinus rauskommt > > Das heißt, dass mein Kondensator C33 sich auf die Spitzenspannung meines > halbierten Signals auflädt? > Nach der Diode V3 habe ich dann nur noch die negative Halbwelle, > allerdings mit der doppelten Halbwellenspannung, welche dann auch am > Gate anliegt? Betrachte nicht die einzelnen Bauteile, sondern die Gesamtschaltung ab R42 bis R44. Dann siehst du da einen Gleichrichter, der die Ausgangs- spannung (und zwar nur den Wechselspannungsanteil) von N4.1 in eine Gleichspannung umwandelt. Diese Gleichspannung steuert nun wiederum den FET V4. Und V4 wiederum bestimmt die Verstärkung von N4.1. Das Gesamtkunstwerk aus dem OPV N4.1, dem Gleichrichter und V4 ergibt eine Amplitudenstabilisierung. Wenn die Amplitude am Ausgang von N4.1 ansteigt, kriegt V4 eine größere Gatespannung - und zwar, weil V4 ein Sperrschicht-FET ist, eine größere negative Gatespannung - woraufhin V4 stärker leitet und die Verstärkung des OPV verringert. Als Folge bleibt die Amplitude auf einem relativ stabilen Wert, der u.A. von der Steilheit des FET V4 abhängt. > Aber das würde ja heißen, dass wenn ich beispielsweise 5V am MP8 > anliegen habe diese auf 2,5V herunterbreche und die dann wieder auf 5V > anhebe? > Warum macht man sich solch einen Aufwand? Die Ansprechspannung der Regelung wird im wesentlichen von den Eigen- schaften des FET V4 bestimmt. Ohne den Spannungsteiler R42/R43 wäre wohl die Amplitude am Ausgang von N4.1 zu gering. Daß der Gleichrichter die Spannung verdoppelt, ist hier nur ein Nebeneffekt. Daß man diese Gleichrichterschaltung verwendet und keine Einweggleichrichtung, dürfte darin begründet sein, daß man so die Amplitude beider Polaritäten erfaßt und nicht nur einer.
Axel S. schrieb: > Daß man diese > Gleichrichterschaltung verwendet und keine Einweggleichrichtung, dürfte > darin begründet sein, daß man so die Amplitude beider Polaritäten erfaßt > und nicht nur einer. Ausserdem ist die Frequenz der "Brummspannung" doppelt so hoch, was die Regelung insbesondere bei niedrigen Frequenzen verbessert.
Harald W. schrieb: > Regelung insbesondere bei niedrigen Frequenzen Naja, 's ist ja eher ein Festfrequenz-Generator. ;-)
Harald W. schrieb: > Ausserdem ist die Frequenz der "Brummspannung" doppelt so hoch Nein, ist sie nicht. Der Spannungsverdoppler lädt nur einmal je Periode am Ausgang nach, aber nicht einmal je Halbwelle. In der positiven Halbwelle wird nur C33 über V2 aufgeladen (nachgeladen) und in der negativen Halbwelle wird die Spannung an C33 zur Eingangsspannung addiert und über V3 dann C34 nachgeladen.
Nachtrag: Der R44 bestimmt im wesentlichen meinen Eingangswiderstand des FET. Der Widerstand R1 sorgt ebenfalls dafür, dass das Gate bei fehlendem Eingangssignal auf einem definierten Wert sprich Masse liegt.
Maxim M. schrieb: > Der Widerstand R1 sorgt ebenfalls dafür, dass das Gate bei fehlendem > Eingangssignal auf einem definierten Wert sprich Masse liegt. R44 natürlich.
Maxim M. schrieb: > Der R44 bestimmt im wesentlichen meinen Eingangswiderstand des FET. ... R44 bestimmt mit C34 die Aufregelzeitkonstante der Amplitudenregelung und den Klirrfaktor. Die Spannung an ihm ändert sich nämlich auch innerhalb einer Schwingung ein wenig und verändert dadurch die Verstärkung (Signalamplitude) innerhalb einer Schwingung (--> Klirrfaktor). Bei fehlendem Signal liegt das Gate auf Masse, der JFET ist voll aufgesteuert (D-S niederohmig) und die Verstärkung maximal (größer als für konstante Schwingung nötig) --> die Schaltung kann anschwingen.
Bitte melde dich an um einen Beitrag zu schreiben. Anmeldung ist kostenlos und dauert nur eine Minute.
Bestehender Account
Schon ein Account bei Google/GoogleMail? Keine Anmeldung erforderlich!
Mit Google-Account einloggen
Mit Google-Account einloggen
Noch kein Account? Hier anmelden.
