Hallo Zusammen, Ich habe folgendes Problem: Ich setze für meine Hobbybrauerei ein Rühwerk der Firma Janke und Kunkel IKA Werk RW20 ein... (ein älteres Modell :-) http://www.geminibv.nl/labware/ika-rw20-bovenroerder/ika-rw20-bovenroerder-3-2591.jpg.jpg/image_large Das Rührwerk hat nun das Problem, das der Motor plötzlich keine Kraft mehr hat. Er dreht zwar aber kann kaum von selber anlaufen. Man muss ihn "anwerfen", dann dreht er, auf beide Seiten, je nachdem auf welche man ihn anwirft... auch wird der Motor schnell sehr heiss... Ich dachte zuerst, dass der Kondensator defekt ist, habe den Motor auseinander gebaut und feststellen müssen das da noch eine Schaltung drin ist... hmmm... könnt ihr mir helfen den Fehler zu finden? bzw. hat jemand eine Ahnung wie diese Schaltung funktioniert...? und welches Bauteil bei einem Defekt solche Symptome hervorrufen würde? Besten Dank für eure Hilfe ps: sorry für den chaotischen Schaltplan :-)
Hanns schrieb: > das der Motor plötzlich keine Kraft mehr hat. Er dreht zwar aber Evtl. Kondensatornetzteil ansehen, Gleichrichter ansehen ...
Die Motorwicklung sollten in der Schaltung nachvollziehbar sein. Was für ein Bedienelement ist das am Antrieb? Stufenschalter oder Potentiometer? Kann man in der Schaltung nicht zuordnen. Hanns schrieb: > Er dreht zwar aber kann kaum von selber anlaufen Muss kein elektrisches Problem sein. Kann auch an defekten Kugellagern liegen.
Werde die Motorwicklungen noch ergänzen... das Bedienteil ist für die verstellbare mechanische Untersetzung. es hat abgesehen vom ein/aus Schalter keine weiteren elektrischen Bedienteile... Die Mechanik ist in Ordnung, dreht sehr leicht... gruss Hanns
> Er dreht zwar aber kann kaum von selber anlaufen. Man muss ihn > "anwerfen", dann dreht er, auf beide Seiten, je nachdem auf welche man > ihn anwirft... auch wird der Motor schnell sehr heiss... Solch ein Fehler ist typisch für Asynchronmaschinen, denen eine Phase fehlt.
Beim Eingangspost hätte ich jetzt spontan gesagt dass da noch ne Bremse an ist, aber wenn der sich per Hand frei drehen lässt, dann nicht. Lässt der sich auch in die falsche Drehrichtung anwerfen? Wenn ja: Eine Phase hinüber. Welche: Ausschlussprinzip.
P.S. Beide Drehrichtungen sehe ich gerade. Ja, dann eine Phase hinüber. Mach mal auf und guck ob der Spulenkopf stellenweise schwarz ist und das Vergussharz bröckelt.
Elektrofan schrieb: > Solch ein Fehler ist typisch für Asynchronmaschinen, denen eine Phase > fehlt. Und das kannst du anhand der Schaltung und dem verlinkten Bild erkennen. WOW, musst ja ein richtiger GURU sein.
Cyborg schrieb: > Und das kannst du anhand der Schaltung und dem verlinkten Bild > erkennen. Dazu braucht man weder Schaltungen noch Bilder, sondern lediglich Grundkenntnisse zu Asynchronmotoren.
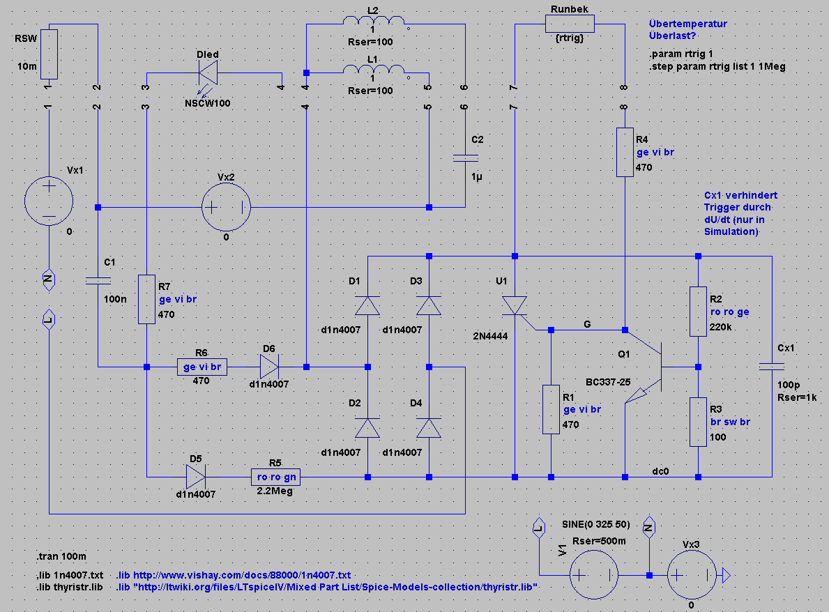
Habt ihr euch diese seltsame Ansteuerung einmal genauer angesehen? Auf den ersten Blick die übliche Brücke mit Schalter im DC-Zweig. Hier wird das aber durch D6 verhindert. Die einzige Lösung, die mir eingefallen ist, führt dazu, dass nur die negative Halbwelle über U1/D4 steuerbar ist, während die positive über D3 immer durchgelassen wird. Das bedeutet, dass auch ein Fehler in der Ansteuerung die gleichen Symptome zeigt, die ansonsten bei kaputter Wicklung/Kondensator etc. auftreten. Links wenn der Steueranschluss 8 hochohmig/offen ist - rechts der Normalbetrieb.
abvgt schrieb: > Hier > wird das aber durch D6 verhindert. Das biegt R7 und die LED wieder gerade. Zu mehr aber jetzt keine Lust.
oh doch schrieb: > Das biegt R7 und die LED wieder gerade. Solange man den Motor nicht verkehrt anklemmt - warum sehe ich so etwas erst nach dem Absenden? Rein rethorische Frage... Also sind doch eine Wicklung bzw. der Kondensator hinüber.
Hallo! Ich habe ein ähnliches Problem mit meinem bei eBay erstandenen Rührwerk. Der Verkäufer hatte das Gerät als funktionsfähig angeboten und stellt sich jetzt dumm... Nun bin ich auf der Suche nach jemandem, der mir das Gerät reparieren kann (Raum Offenburg/ Freiburg). Hat jemand von euch einen Tipp? Habe schon bei diversen Elektrikern angefragt, aber die wollen das Gerät nicht reparieren. Der Hersteller repariert unter Umständen, aber die Reperatur wäre recht teuer. Ich selber traue mir das nicht zu. Bin zwar handwerklich versiert, aber mit Elektronik hatte ich bisher nie was am Hut... Über Hilfe würde ich mich sehr freuen!! Viele Grüße, Anne
Bitte melde dich an um einen Beitrag zu schreiben. Anmeldung ist kostenlos und dauert nur eine Minute.
Bestehender Account
Schon ein Account bei Google/GoogleMail? Keine Anmeldung erforderlich!
Mit Google-Account einloggen
Mit Google-Account einloggen
Noch kein Account? Hier anmelden.









