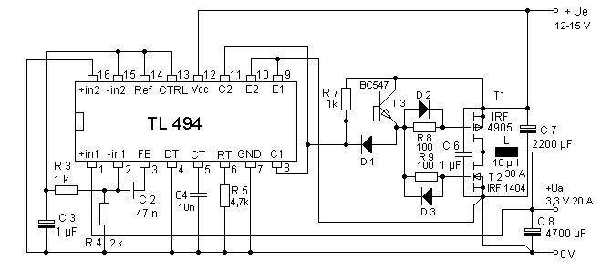
Randbedingungen beim Aufbau eines diskreten Synchongleichrichters Hallo allerseits, es wäre doch mal interessant, einen Schaltwandler mit einem Synchrongleichrichter aufzubauen, um dessen Verhalten besser kennen zu lernen. Im ersten Anlauf habe ich mir dieses Schaltbild heraus gesucht, bei dem der Leistungsteil recht übersichtlich und nachbausicher erscheint. Um den Steuerteil geht es mir hier in erster Linie nicht. http://www.joretronik.de/Web_NT_Buch/Kap6/Kapitel6.html Bild 6.1 K Step-Down-Wandler mit aktivem Schalter statt Diode Die Frequenz dürfte laut Formel bei 23 kHz liegen. Die beiden Transistoren im IC sind mit den Emittern an GND und lassen Strom vom Pluspol über den Arbeitswiderstand R7 = 1 kOhm fließen, um den oberen P-FET einzuschalten. Mit Hilfe der Dioden D2 und D3 ist entweder der P-FET oder der untere N-FET eingeschaltet. D1 und T3 beschleunigen das Abschalten des obren P-FETs. Eine separate Diode gibt es nicht, denn diejenige im N-FET kann zur Wirkung kommen. Nun hätte ich einige Fragen: 1. Mir fällt auf, daß vor den beiden FETs 100 Ohm-Widerstände geschaltet sind. Das ist nach meiner Erfahrung unüblich hoch. Für 23 kHz könnte die Flankensteilheit gerade noch ausreichen. Müßte man aufgrund unterschiedlicher Gate Ladungsmengen diese Widerstände anpassen, damit die Schaltung auch mit anderen als den angegebenen FET-Typen funktioniert? 2. Sind die beiden 100 Ohm Widerstände genauso ausgewählt, daß sich die Wirkungen der beiden FETs gerade so überschneiden? Es darf doch keine Lücke in den Leitzeiten offen bleiben, denn sonst würde es eine starke Spannungsüberhöhung oder einen Kurzschluß geben. Die Body-Diode des unteren FET würde im einen Fall leiten. 3. Müßte man diese beiden Widerstände an andere FET-Typen grundsätzlich anpassen? 4. Würde der Lestungsteil der Schaltung mit genau diesen FET-Typen auf Anhieb funktionieren? Ich wäre da eher skeptisch. 5. Wird das üblicherweise so gebaut im normalen Leben für die angestrebte hohe Stromstärke oder ist das nur Lehrbuchtauglich? 6. Andere Varianten von Synchrongleichrichtern steuern den zweiten FET über eine zusätzliche Wicklung auf der Spule. Warum macht man das hier nicht? Schon mal anke für die Antworten. Mit freundlichem Gruß
Christian S. schrieb: > Würde der Lestungsteil der Schaltung mit genau diesen FET-Typen auf > Anhieb funktionieren? Das denke ich schon. So, wie sie ist. (Anpassung an, und Ausnutzung von, relativ ähnliche(r) Qg) Aber bei Veränderungen sind diese natürlich mit Folgen verbunden. Auch wird ja je nach FET Christian S. schrieb: > Um den Steuerteil geht es mir hier in erster Linie nicht Der Leistungsstufe geht es aber immer um den (An-)Steuerteil. Was Du meinst, unabhängig betrachten zu können, ist es nicht. Und auch die erforderlichen Eigenschaften des (vom Ansteuerungs- bzw. Treiberteil teilweise getrennt betrachtbaren) Regelungsteiles werden an die Topologie und deren genauen Zweck angepaßt. Christian S. schrieb: > 5. Wird das üblicherweise so gebaut im normalen Leben für die > angestrebte hohe Stromstärke oder ist das nur Lehrbuchtauglich? Nun, heutzutage sind integrierte Treiber sowie ebensolche Controller oder gar (bis auf die passiven Teile) komplette Konverter immer leichter zu erwerben. Allerdings ist gerade der TL494 in vielen Bastelkisten noch vielfach vorhanden... Also: "Nur lehrbuchtauglich" - das ist schwer übertrieben bzw. grundsätzlich unzutreffend, ja gar beleidigend für Jörgs schöne (ja, auch sehr lehrreiche) Sammlung an Infos und Schaltungen... ^^ ...die gesamte Seite entspricht eher der Bezeichnung "Praktische Anwendungen". Freilich ließe diese sich in vieler Hinsicht noch ergänzen (z.B. LLC mit ZVS; oder mehr zur PSFB; jedoch nicht zwingend nötig, und der man hat noch anderes zu tun, als eine Lehrseite zu pflegen), aber ich halte sie für einen guten Einstieg. Christian S. schrieb: > Warum macht man das hier nicht? Warum sollte "man"? ^^ (Alleine schon, weil man statt einer fertigen Drosselspule eine Eigenfertigung, oder zumindest schwerer aufzutreibendes Bauteil, verwenden müßte.) Nicht böse gemeint, aber ich wiederhole: Das ist eine freiwillig ins Netz gestellte (und fachlich gute) Seite, ohne Verpflichtung, jede Modernisierung / Aktualisierung des derzeitigen "State-of-the-Art" sofort miteinzubeziehen /zu ergänzen. Und: Was dort steht, ist recht praxisnah, und gilt "noch immer". Oder wolltest Du eine Zusammenfassung der Unterschiede und Vorteile bei/mit diesen möglichen Modernisierungen? Dachte, dazu findet man schon bei den IC-Herstellern Aufklärung. Thematik insgesamt sehr umfangreich. (Gibt ja viele Verbesserungen.) Daß Jörg nicht alles nur denkbare über Schaltnetzteile hinzufügen kann und will, ist zumindest mir kein "Rätsel"... ^^ Evtl. solltest Du Dich auf einzelne Teile der Thematik beschränken, und dazu recherchieren, oder auch dann hier bei der Recherche im Netz auffindbare Stolpersteine, bzw. halt schwierigere Einzelfragen, zur Diskussion stellen. (Ich fürchte, in diesem Thread sind es zu viele auf einmal...) Du weißt doch schon einiges, ich traue Dir zu, zumindest den Großteil selbst herauszufinden. (Ernsthaft.) Außer natürlich, meine beiden mögl. Interpretationen Deiner Fragegründe sind falsch - dann klär mich bitte auf, ok? ^^
"...je nach FET...": Man könnte auch die FETs noch mehr an die Schaltung anpassen, oder noch mit Schottky parallel arbeiten, etc. Das aber trifft hier wohl nicht ganz Jörgs Gedanken, aus dem guten, alten TL494 (mit möglichst wenig Aufwand und Kosten) ein ausreichendes Maximum an Flexibilität und auch Effizienz herauszuholen.
Hallo, ja, danke schon mal. Dann hat die nächste Experimentierschaltung schon mal eine gute Prognose. "(Ich fürchte, in diesem Thread sind es zu viele auf einmal...)" Nunja, das war eben die Menge, die mir zu dieser Schaltung eingefallen ist. Denn falls ich am realen Aufbau mit dem Oszilloskop dessen Verhalten studiere, können gerade diese 100 Ohm Widerstände zusammen mit der Auswahl der FETs (eine kleine Auswahl habe ich da, aber mehr als 4...5 Typen gibt die Lagerhaltung dann auch nicht her) mir viel Ungewißheit bereiten, falls der Leistungsteil wirklich gar nicht das erwartete macht oder die Tendenz zeigt, sich selbst zu zerstören. Eine wirksame Strombegrenzung wäre auch hier wieder ein klarer Vorteil. "Und: Was dort steht, ist recht praxisnah, und gilt "noch immer"" Paraxisnah ist auf Jörgs Seite schon alles, sowie die Erklärungen dazu. Das sollte keine niederschmetternde Kritik sein. Nur gab es mal die Geschichte mit den drei Transistoren, die zur "peak current protection" eingesetzt werden aus einem TL494-application report von Texas (Seite 20 unten), die auf Anhieb jedenfalls gar nicht funktionierte. Diese war nur eine Prinzipschaltung, die noch zusätzliche Widerstände erfordert. Außerdem funktioniert diese drei-Transistor-Halteglied nur in einem begrenzten Frequenzbereich und kann sich bei zu hoher Frequenz aufhängen. Die innere Verstärkung darf auch nicht zu hoch sein... Das meine ich mit "Lehrbuchtauglich". Die Schutzschaltung zum SG3525 funktioniert ja ganz gut beispielsweise. An den neumodischeren Sachen bin ich primär nicht interessiert, da ich die Gehäuse schon gar nicht handhaben kann. Und mit ICs im DIL-Gehäuse kann ich das fachliche genauso gut lernen und damit experimentieren. Mal schauen, ob sich die Wirkung der beiden FETs irgendwann auf dem Oszilloskop schön beobachten läßt. Es dauert aber noch mit dem Aufbau. MfG
Christian S. schrieb: > Eine wirksame Strombegrenzung wäre auch hier wieder ...einer von Jörgs genannten "Funktionsbausteinen", siehe: http://www.joretronik.de/Web_NT_Buch/Kap6/Kapitel6.html#6.1 ...Bild6.1E.
Diesen Funktionsbaustein habe ich mehrfach aufgebaut und erprobt. Bei mir funktioniert er nicht wie erwartet. Ich habe ihn allerdings mit kleinen Widerstandswerten (etwa die Hälfte) bei 12 V verwendet und nochmals bei 5V auf dem Steckbrett ausprobiert und untersucht. Jedenfalls habe ich die neu aus der Tüte entnommenen Z-Dioden nicht auf korrekte Zenerspannung ausgemessen. In diesem Fall der Stepdown-Experimentierschaltung werde ich also auf andere erfolgreich erprobte Bausteine ausweichen, z.B. den Stromspiegel. mfG
Christian S. schrieb: > Diesen Funktionsbaustein habe ich mehrfach aufgebaut und erprobt. Bei > mir funktioniert er nicht wie erwartet. Hm. Christian S. schrieb: > Ich habe ihn allerdings mit > kleinen Widerstandswerten (etwa die Hälfte) bei 12 V verwendet und > nochmals bei 5V auf dem Steckbrett ausprobiert und untersucht. > Jedenfalls habe ich die neu aus der Tüte entnommenen Z-Dioden nicht auf > korrekte Zenerspannung ausgemessen. Letzteres dürfte nicht die einzige mögliche Ursache für Fehlfunktion sein. Was alles wurde wie genau umdimensioniert??? Da müssen so einige Voraussetzungen stimmen. Christian S. schrieb: > In diesem Fall der Stepdown-Experimentierschaltung werde ich also auf > andere erfolgreich erprobte Bausteine ausweichen, z.B. den Stromspiegel. So? Zeig mal, was genau Du da als Beispiel verbauen wollen würdest...
Homo Habilis schrieb: > Der gute alten TL494... ...war zu der Zeit, als der Artikel geschrieben wurde, vermutlich ein "modernes innovatives" Bauteil.
Christian S. schrieb: > 1. Mir fällt auf, daß vor den beiden FETs 100 Ohm-Widerstände geschaltet > sind. Das ist nach meiner Erfahrung unüblich hoch. Für 23 kHz könnte die > Flankensteilheit gerade noch ausreichen. > Müßte man aufgrund unterschiedlicher Gate Ladungsmengen diese > Widerstände anpassen, damit die Schaltung auch mit anderen als den > angegebenen FET-Typen funktioniert? Mir fällt auf, dass noch Dioden parallel geschaltet sind. Was dann »üblich« oder »unüblich« anbelangt, hängt vom gewünschten Schaltverhalten ab. Mit den 100 Ohm wird nicht nur der Gatestrom begrenzt, die Gate-Kapazität wird auch entkoppelt. Gemeinsam mit einer Leitungsinduktivität gibt das einen Schwingkreis und die Schaltflanken klingeln. Bei 23kHz ist noch längst keine kritische Grenze für die beiden FETs erreicht. Die beiden gehen sicher noch in einem 250kHz oder gar 500kHz-Wandler. Dafür reicht aber der TL494 weder hinsichtlich der Regelgeschwindigkeit, noch bzgl. der Ansteuerleistung. Eine Hilfswicklung macht die Spule aufwändiger. Vielleicht führst du dir die Beschaltung des IC mal zu Gemüte (es werden auch ein P- und ein N-Kanal eingesetzt, Bezugspotenziale berücksichtigen), warum das sog. shoot-through unwahrscheinlich ist.
Hallo, "Gemeinsam mit einer Leitungsinduktivität gibt das einen Schwingkreis und die Schaltflanken klingeln." interessant. An der Schaltung zur Strombegrenzung habe ich im Prinzip die Widerstände halbiert und 2N3906 als Transistoren verwendet, die 200mA können. Also 4,7k zu 2,2k, 470 zu 220. Dioden beibehalten.
Die Stromspiegelgeschichte hier würde ich nochmals einbauen: https://www.mikrocontroller.net/attachment/292543/PICT4173_Strombeg.jpg T1 und T2 bleiben so, T3 und T4 müßten ans TL494 angepaßt werden. Letztendlich soll Pin4 des TL494 auf +5V gezogen werden an 10k Arbeitswiderstand. MfG
Bitte melde dich an um einen Beitrag zu schreiben. Anmeldung ist kostenlos und dauert nur eine Minute.
Bestehender Account
Schon ein Account bei Google/GoogleMail? Keine Anmeldung erforderlich!
Mit Google-Account einloggen
Mit Google-Account einloggen
Noch kein Account? Hier anmelden.
