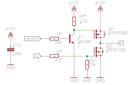
Hallo Leute, vielleicht kann mir mal jemand helfen. Ich habe mir den "AVR Brushless Motor Controller" von Ulrich Rading nachgebaut. Allerdings würde ich den Motor gerne mit 27Volt, anstatt mit 12V betreiben. Das funktioniert soweit auch ganz gut, allerdings werden die Gatevorwiderstände (R1= 270 Ohm) der High-Side sehr sehr heiß. So wie ich das verstanden habe, stellen diese ja zusammen mit der Gatekapazität die Zeitkonstante "Tau" dar (Tau=R*C). Nur habe ich bei 27V eine deutlich höhere Verlustleistung als bei 12V am Widerstand. Könnte jetzt einen dickeren Widerstand benutzen, aber das kann ja nicht die Lösung sein. Wie würde man es richtig machen bzw. es richtig berechnen. Den betreffenden Ausschnitt habe ich mal angehängt, hoffe Herr Rading nimmt es nicht übel.
Walter J. schrieb: > Allerdings würde ich den Motor gerne mit 27Volt, anstatt mit 12V > betreiben. > Das funktioniert soweit auch ganz gut, allerdings werden die > Gatevorwiderstände (R1= 270 Ohm) der High-Side sehr sehr heiß. Mit der gezeigten Schaltung? Dann dürfte wohl die maximale Gate-Source-Spannung des p-Kanal-Mosfet überschritten werden. Man verwendet in diesem Fall eine andere Schaltung. Der T1 bekommt einen Emitterwiderstand, der Basiswiderstand entfällt. Der Emitterwiderstand wird so dimensioniert, dass bei High-Pegel am Eingang ein Emitterstrom von ~45mA fließt (RE=100R). R1 wird nun so dimensioniert, dass an ihm bei 45mA etwa 10...15V liegen (R1=270R).
Danke ArnoR, hab es mal umgezeichnet. Der Basiswiderstand ist raus, und einen Emitterwiderstand R4 von 100Ohm eingefügt. Habe ich deine Antwort damit richtig verstanden und auch umgesetzt?
und, hätte ich jetzt nicht einen Spannugsteiler durch mit 270R und 100R? Dann würden am Gate von Q1 ja nur 7,3Volt anliegen und nicht 10-15V
Walter J. schrieb: > Habe ich deine Antwort damit richtig verstanden und auch umgesetzt? Naja, das hängt von den 12V da links ab, die Schaltung an sich ist richtig. Eigentlich bin ich von einer Eingangsspannung von 5V ausgegangen. Bei 12V wäre die Dimensionierung anders.
Walter J. schrieb: > und, hätte ich jetzt nicht einen Spannugsteiler durch mit 270R und 100R? > Dann würden am Gate von Q1 ja nur 7,3Volt anliegen und nicht 10-15V Nein. Bei einer Spannung von 5V an der Basis von T1, liegen am RE 4,3V und es fließt ein Konstantstrom von 43mA durch R4 -> Emitter -> Kollektor -> R1. Dieser Strom erzeugt dann an R1 11,6V. Die restlichen 27V-4,3V-11,6V=11,1V liegen an der Kollektor-Emitter-Strecke von T1. Der T1 ist nicht gesättigt, somit ist die Schaltung kein Spannungsteiler zwischen R1 und R4.
Walter J. schrieb: > und, hätte ich jetzt nicht einen Spannugsteiler durch mit 270R und 100R? > Dann würden am Gate von Q1 ja nur 7,3Volt anliegen und nicht 10-15V Ach so, wenn es so wäre, wäre es auch genau anders herum. Am kleineren Widerstand läge natürlich auch die kleinere Spannung.
Ups, die habe ich vergessen zu ändern. Über dem eingezeichneten Kondensator liegen auch 27V Volt an. An der Basis von T1 das 5V-Schaltsignal des Mikrocontrollers. Vielleicht könntest du dir die Mühe machen und mir nochmals die richtige Dimensionierung aufzeigen und vielleicht auch rechnerisch darstellen, falls du die Zeit dazu findest.
Da warst du schon schneller als ich. Dann passt ja die Schaltung deiner Erklärunng nach schon soweit für die 27Volt und die fälschlichen 12 Volt am Kondensator haben also nur Verwirrung gestiftet. Wie gesagt, die 12 Volt sind nicht die Eingangsspanung an der Basis, 5V stimmen schon.
Walter J. schrieb: > Vielleicht könntest du dir die Mühe machen und mir nochmals die richtige > Dimensionierung aufzeigen und vielleicht auch rechnerisch darstellen, > falls du die Zeit dazu findest. Um 20:26h bereits gemacht. Ist das klar genug?
Ja, ist es jetzt, wie ich um 20:35 auch erkannt habe ;-). Vielen dank jedenfalls, werde ich so aufbauen
ArnoR, und alle anderen, auch wenn ich nerve. Die Schaltung funktioniert wunderbar. Aber ich würde gerne noch mehr verstehen. 1. Warum wird der Emitterstrom auf 45mA festgelegt. Kann mir das bitte nochmal jemand genauer erklären (warum gerade 45mA) oder auch sagen, wo ich diesen Wert im Datenblatt ablesen kann? 2. Wie verhält es sich bei dem LowSide Treiber? Hier habe ich einen Spannungsteiler aus 33Ohm und 10kOhm vorm Gate. Bei 5 Volt würden also 4,984V am Gate anliegen. Warum dann überhaupt ein Spannungsteiler?
Walter J. schrieb: > 1. Warum wird der Emitterstrom auf 45mA festgelegt. Kann mir das bitte > nochmal jemand genauer erklären (warum gerade 45mA) oder auch sagen, wo > ich diesen Wert im Datenblatt ablesen kann? Die Basisspannung beträgt 5V Die Emitterspannung liegt 0,7V tiefer (also 4,3V) Wenn 4,3V an 100Ohm abfallen, dann fließen 43mA Walter J. schrieb: > 2. Wie verhält es sich bei dem LowSide Treiber? > Hier habe ich einen Spannungsteiler aus 33Ohm und 10kOhm vorm Gate. > Bei 5 Volt würden also 4,984V am Gate anliegen. Warum dann überhaupt ein > Spannungsteiler? Die beiden Widerstäne sind nicht als Spannunsgteiler gedacht (auch wenn sie natürlich die Spannung etwas runterteilen). R2 dient dazu, das Gate definiert auf 0V zu ziehen, wenn am Eingang noch kein definiertes Signal anliegt (z.B. direkt nach dem Einschalten). R3 dient dazu, den Umladestrom fürs Gate zu begrenzen, damit der µC-Ausgang nicht überlastet wird.
Danke für die Antwort. Noch eine Frage: Die von ArnoR vorgeschlagende Beschaltung des BC846, hat die einen speziellen Namen unter welchem man in der Literatur fündig wird? Handelt sich ja scheibar um eine Art Emitterschaltung, aber es fehlt der Basiswiderstand.
Walter J. schrieb: > Die Schaltung funktioniert wunderbar. Sonntags nach dem Essen. Ist es wirklich so schwer, vor dem Zusammenbau bzw. Umbau einer Schaltung wenigstens mal die Datenblätter der verwendeten Bauteile zu lesen ? Der http://www.infineon.com/dgdl/irfr1205.pdf?fileId=5546d462533600a40153562d126c2045 ist für 10V Gate-Spannung spezifiziert, und du lieferst über UL bloss 5V. Daß dabei etwas nicht solide funktionieren wird, sollte doch wohl klar sein. Es gäbe tausende geeignete MOSFETs, z.B. IRLU2905, warum suchst du zielgenau einen, der nicht passt ? Dann wäre auch aufgefallen, daß UGS nur 20V betragen darf.
Wo bitte steht im Datenblatt etwas von 10V? Ugs(th) liegt bei 2-4V. D.h. das ich den mit 5V durchgeschaltet bekommen, sofern ich keinen sonderlich hohen Strom benötige. So zumindest würde ich es aus dem dem Id/Vgs Diagramm (Figure3) entnehmen.
Walter J. schrieb: > Ugs(th) liegt bei 2-4V. D.h. das ich den mit 5V durchgeschaltet > bekommen, sofern ich keinen sonderlich hohen Strom benötige. Dein nicht sonderlich hoher Strom darf dann nur im Bereich von 250 uA Id liegen denn für diesen Id sind die 2-4 V. Schau dir unbedingt nochmal die Kurve an und schau mal wo da 250 uA Id ist (auf alle Randbedingungen für Ugs(th) achten!).
Habs jetzt mal angehangen, die 250µA sind nicht zu erkennen. Aber ich hätte es jetzt so verstanden, als wenn ich bei den eingezeichnetten Randbedingungen Tj=26°C, Vds=25V und 20µs Pulseweite ab Ugs=5V ganze 28A durchschicken könnte. Davon abgesehen war ich davon ausgegangen das die oft diskutierte Schaltung von Herrn Radig funktioniert. Auch sprechen wir im moment ja von der LowSide. Meine Frage von 13:23Uhr bezog sich auf die HighSide und die Beschaltung des BC846, da diese ja jetzt von der ursürünglichen Originalschaltung abweicht.
Walter J. schrieb: > Wo bitte steht im Datenblatt etwas von 10V? Bereits in der Mitte des Deckblatts: Continuous Drain Current, VGS @ 10V > Ugs(th) liegt bei 2-4V. D.h. das ich den mit 5V durchgeschaltet > bekommen, sofern ich keinen sonderlich hohen Strom benötige. Nicht wieder diese Dummheit. Sie ist wohl nicht auzurotten. UGS(th) ist die Spannung, unter der der MOSFET sicher SPERRT. Nicht die Spannung ab der er leitet. > So zumindest würde ich es aus dem dem Id/Vgs Diagramm (Figure3) > entnehmen. Nicht wieder diese Dummheit. Das Diagramm ist TYPISCH. D.h. die notwendige Spannung für die jeweilige Kurve kann (entsprechendd der Schwankung bei der Angabe des UGS(th) 1:2 betragen. Die Kurve für 5V kann also auch 3,53V oder 7,07V benötigen. Das wurde wirklich HUNDERTMAL in diesem Forum durchgekaut. Klar, einer ist immer der Letzte.
MaWin, dein Gestänker hilft nicht weiter. Zumal es hier im Forum im FET Tutorial und auch in den Aplication Notes genau andersrum beschrieben wird. Ugs(th) ist dort die Spannung ab der der FET minimal leitfähig wird. Das er unter dieser 2-4V Toleranzspanne zuverlässig sperrt ist der logische Schluss. Auch sind die 10V im Datenblatt nur ein Beispielwert und kein absoluter mindest- bzw. Spitzenwert für die der Hersteller seine Daten erfasst hat und garantiert.
...und gleichzeitig versuche ich zu verstehen, warum die Schaltung von Herrn Radig deiner Meinung nach MaWin(bezogen auf die LowSide-FETs), nicht funktionieren soll. Auch nach nochmaligem Blick ins Datenblatt nicht, 1. Tut sie das. 2. Ist diese Schaltung in vielen Foren zu finden und wird von vielen Usern verwendet. Das es bessere Wege gibt, ist sicherlich so. Aber hat mit meiner ursprünglichen Frage von heute Mittag garnichts zu tun.
Walter J. schrieb: > Auch sind die 10V im Datenblatt nur ein Beispielwert und kein absoluter > mindest- bzw. Spitzenwert für die der Hersteller seine Unsinn: Die 10V sind ein Nominalwert oder Nennwert, bei dem der MOSFET seine spezifizierten Daten garantiert bringt.
Sorry Mark, das war damit gemeint aber unglücklich ausgedrückt.
Walter J. schrieb: > mit meiner ursprünglichen Frage von heute Mittag: > Handelt sich ja scheibar um eine Art Emitterschaltung, aber es fehlt der > Basiswiderstand. Ja, das ist eine Emitterschaltung (mit Stromgegenkopplung). Wozu sollte die einen Basiswiderstand brauchen? Walter J. schrieb: > ...und gleichzeitig versuche ich zu verstehen, warum die Schaltung von > Herrn Radig deiner Meinung nach MaWin(bezogen auf die LowSide-FETs), > nicht funktionieren soll. MaWin sagt nicht, dass die nicht funktioniert, sondern dass die, wegen der Lage und Toleranzen der Schwellspannung dieses Mosfet, nicht sicher funktioniert (auch wenn die das in deinem Fall macht). Und dass der Hersteller den ON-Widerstand, also das "richtige Durchschalten" des Mosfet, nur bei 10V Ugs garantiert, aber nicht bei 5V. Wenn man als Eingangssignal nur 5V hat, nimmt man einen Logik-Level-Mosfet mit Garantiewerten für den ON-Widerstand bei 4,5V.
Walter J. schrieb: > Zumal es hier im Forum im FET Tutorial und auch in den Aplication Notes > genau andersrum beschrieben wird. Ugs(th) ist dort die Spannung ab der > der FET minimal leitfähig wird. Oberhalb der UGS(th) beginnt der lineare Abschnürbereich, er ist dort mitnichten im Schaltbetrieb eingeschaltet, das ist erst beim etwa doppelten erreicht. > Auch sind die 10V im Datenblatt nur ein Beispielwert und kein absoluter > mindest- bzw. Spitzenwert für die der Hersteller seine Daten erfasst hat > und garantiert. Falsch. Bei den angegebenen (hier 10V) misst der Hersteller im Bauteiltest die Daten des MOSFETs, also den maximalen Strom bzw. RDSon. Er garantiert die Einhaltung nur und genau bei diesen 10V. Er garantiert rein gar nichts bei der "typical" Kurve. Walter J. schrieb: > warum die Schaltung von Herrn Radig deiner Meinung nach MaWin > (bezogen auf die LowSide-FETs), nicht funktionieren soll. Muss ich jetzt wirklich auf die Seite von Radig ? Er muss nur einen LogicLevel MOSFET an Stelle des IRFR1205 nehmen, ist die Bedeutung von LogicLevel so schwer verständlich ? Auch Radig will seine Motoren nicht mit nur 250uA bestromen.
Bitte melde dich an um einen Beitrag zu schreiben. Anmeldung ist kostenlos und dauert nur eine Minute.
Bestehender Account
Schon ein Account bei Google/GoogleMail? Keine Anmeldung erforderlich!
Mit Google-Account einloggen
Mit Google-Account einloggen
Noch kein Account? Hier anmelden.



