Hallo! Ich habe ein Multimeter UniT UT71A auf Ebay ersteigert (Zustand neu). Nun habe ich bei den ersten Messungen der Kapazität festgestellt, dass diese nicht funktionert (zeigt nur 0,00000 an). Auf die Polung der Elkos habe ich natürlich geachtet, die Elkos sind neu (400V, 3.3 µF). Batterien sind ausgetauscht. Ich habe das Multimeter vorsichtig geöffnet und dabei sofort einen schwarzen Draht endeckt, der mit einem Ende lose war/ist. Auf Bildern der Platine im Web ist er nicht vorhanden. Was bezweckt der Draht? Wo gehört das lose Ende ran. Hat jemand einen ähnlichen Fehler an seinem Multimeter schon ein Mal behoben? Kann da jemand helfen? MfG, Imhotep92
Nun der Draht war wohl mal mir dem Emiter von Q3 verbunden. Das wäre zumindest die Erklärung warum dort ein kleiner Krater zu sehen ist. Sieht für mich nach einem Bugfix aus der schlecht gemacht wurde. Thomas
Thomas schrieb: > Nun der Draht war wohl mal mir dem Emiter von Q3 verbunden. Meintest du nicht eher Q4? Sieht man auch bei einem UT71C. https://sigrok.org/wimg/1/11/Ut71c_pcb_backside_lower.jpg
Danke für die Info! Ich habe das lose Ende an Emitter Q4 angelötet. Verändert hat das allerdings nichts. Unklar ist weiterhin wo das andere Ende des Drahtes hingeht und welche Funktion das haben soll. Auf der Rückseite der Platine befinden sich in dieser Höhe die Drehradkontakte. Komischerweise ist hier gerade kein Kontakt vorgesehen. Dies ist aber in anderen Bilder im Netz auch so. Hat jemand hierzu eine Idee? MfG, Imhotep92
Torsten G. schrieb: > Hat jemand hierzu eine Idee Verkäufer fragen. Notfalls Geld zurück denn das Teil ist defekt obwohl es, wie Du schriebst, als neuwertig verkauft wurde.
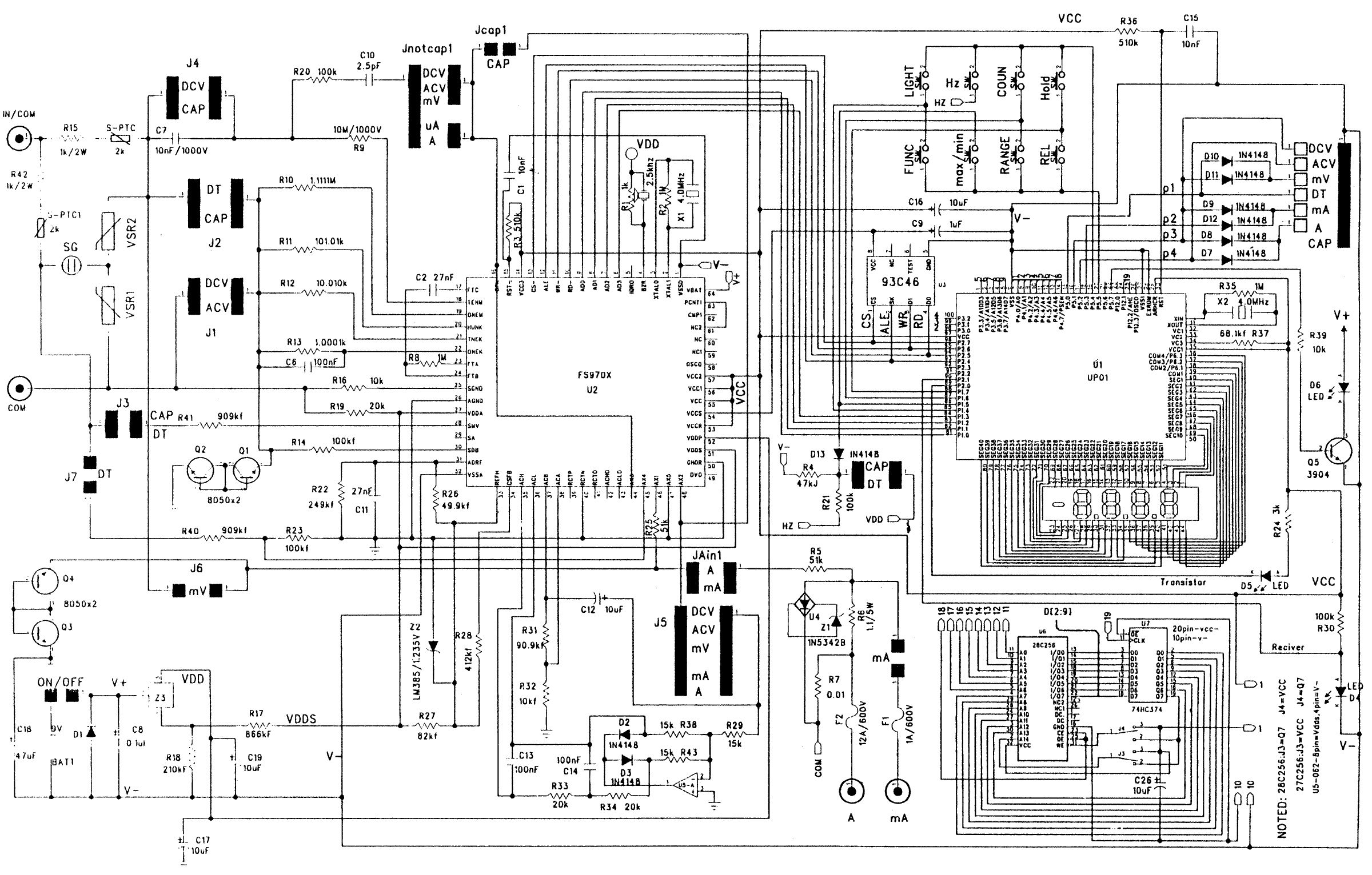
Eventuell findet man die Antwort im Schaltplan. Hab allerdings nicht den vom 71A gefunden, aber diesen Schaltungsteil findet man beim 70C wieder.
Danke für die Hinweise! Habe im Internet recherchiert und herausgefunden das das UT71 und das Voltcraft 940 baugleich sein sollen. Für das Voltcraft gibt es einen Schaltplan (s. Anhang). Ich kann mir den Draht trotzdem nicht erklären. Weiß jemand wo auf dem Schaltplan oder der Platine die Bauteile für die Kapazitätsmesseung zu finden sind?
@Torsten In dem Plan habe ich mal den Signalweg eingezeichnet für die Kapazitätsmessung (in rot). Das Prinzip kann man dem Datenblatt des ES51966 entnehmen. Die Drahtbrücke könnte die Verbindung von OVH an Emitter Q3 zum Schalter OVH sein.
Zuerst großen Dank für die Mühe @Frank. Aber ist am Emitter Q4 nicht GND laut Schaltplan? Habe noch nicht alles eingezeichnete nachmessen können. Aber festgestellt das GND dort nicht ankommt. Deute ich den Schaltplan falsch oder ist das schon einmal ein Fehler des Gerätes?
Torsten G. schrieb: > oder ist das schon einmal ein Fehler des Gerätes? Vermutlich. Wenn die schmale Leiterbahn, die mit der Durchkontaktierung oben rechts, ebenfalls GND ist, gibt es keinen Zweifel mehr. Links - dein Bild, rechts - das von sigrok.org
So nun habe ich mit dem Diodentest ermittelt, dass der Emitter von Q3 an GND hängt und der Emitter von Q4 über den Draht und die nachfolgende Leiterbahn am R22 Widerstand. Dieser ist wiederum mit Pin 18 (OVH) des ES51966F verbunden. Merkwürdig! Neben dem Widerstand R22 steht eine "100", auf dem Widerstand leider nichts. Bedeutet das nun 100 Ohm oder entsprechend der 3-digit-Codetabelle 100 = 10 Ohm. Mit meinem verbliebenen Billigmultimeter zeigt er nur nicht messbar an.
Torsten G. schrieb: > Merkwürdig! Es spielt keine Rolle, ob du Q3 und Q4 umdrehst - das ist eine symmetrische Spannungsbegrenzung(ca. 6V) über den Durchbruch der BE-Diode. Die Verbindung stimmt also. > Neben dem Widerstand R22 steht eine "100", auf dem Widerstand leider > nichts. Warum sollten die Planersteller bei R22 eine Ausnahme machen?
granuc schrieb: > Warum sollten die Planersteller bei R22 eine Ausnahme machen? Da habe ich den falschen Knopf erwischt. Also, für R22 sollten auch mit einem Billigmultimeter 100R zu messen sein. Wenn der tatsächlich kaputt ist, dann wurde dabei auch der OVH-Eingang beschädigt. Du solltest aber trotzdem versuchen R22 auszutauschen. Normalerweise wird der OVH-Eingang über PTC1-Q3/Q4-R22 geschützt. Wenn aber die Leitung schon lose war, als eine Überspannung auftrat ...
Oh, das klingt nicht gut. ich habe ein Bild von meinem "billigen" Multimeter Düwi 07975 angehängt. Müsste das in dieser Einstellung messbar sein? Neben dem R22. Lässt sich auch der direkt neben dem PTC1 befindliche R40 mit 10R nicht messen. Wiederum direkt daneben R34 hat 0,9 kOhm. Bei R40 steht im Schaltplan 10R und 100k. Aber 10R = 10Ohm und nicht 100k? Oder?
@Torsten Funktioniert die Widerstands- und Diodenmessung? Die benutzen beide auch OVH und OVX.
R40 ist 100K. Sieh dir mal Seite 21 und 23 im Datenblatt an.
Widerstandsmessung funktioniert nicht. Die AutoRange springt in der Anzeige zw. kOhm/MOhm und die Balkenanzeige blinkt. Bei der Diodenmessung springen die Werte. Was sicher funktioniert sind die Spannungsmessungen.
Torsten, angesichts deines "backgrounds" (die Schaltplananagaben und den Umgang mit dem düwi sollte man schon beherrschen für eine solche Internetreperatur) - was spricht dagegen, das Teil zurück zu geben? Aber ich befürchte fast, es GIBT einen Grund...und wenn es nur "günstig geschossen" ist. Klaus.
Das Gerät ist bei Ebay ersteigert worden. Einen Kaufbeleg hatte der Verkäufer scheinbar nicht. Ob er es zurücknimmt ist fragwürdig. Zudem war es ein Geburtstagsgeschenk meiner Frau, die sich natürlich unheimlich ärgert. Das es eigentlich meinen Horizont übersteigt, ist mir schon klar. Aber mich interessiert das Thema auch sehr. Habe erfolgreich schon einige andere elektronische Geräte repariert.
Der Verkäufer muss es zurücknehmen, wenn im Angebot geschrieben stand das Gerät sei neuwertig.
Torsten G. schrieb: > Das Gerät ist bei Ebay ersteigert worden. Einen Kaufbeleg hatte der > Verkäufer scheinbar nicht. Ob er es zurücknimmt ist fragwürdig. Das "Keine Rücknahme, keine Garantie ... blabla" gilt natürlich nicht für den Fall, dass der Artikel nicht der Beschreibung entspricht. Wenn der Verkäufer sich querstellt, wendet euch gleich an eBay.
Gib das Gerät zurück. Die UT71x-Reihe erscheint mir verglichen mit dem UT61E oder auch dem UT139C maßlos überteuert. In der Bedienungsanleitung bei Reichelt, die ja eigentlich gesetzeskonforme Ware liefern, steht etwas von Sicherungen in 5x20. Ob das Gerät damit tauglich ist für CAT3 1000V und CAT4 600V wage ich zu bezweifeln. Was für Sicherungen hat Dein Gerät?
Nun, das Gerät wurde geöffnet und darin herum gelötet. Umtausch ist ausgeschlossen!
Ich habe unpräzise gefragt. Welche Abmessungen haben Deine Sicherungen? Sind sie durchsichtig oder mit Sand gefüllt?
Der Löter schrieb: > Nun, das Gerät wurde geöffnet Muss man auch, wenn man eine Sicherung tauschen will; das sollte also kein Problem darstellen. > und darin herum gelötet. Das allerdings schon (hatte ich überlesen). > Umtausch ist ausgeschlossen! Tja ...
Wenn du es auf Ebay gekauft hast, dann würde ich es umtauschen bzw. zurückgeben. Ist ja Garantie drauf. Ansonsten: Geiz ist nicht immer geil.
Ok, ihr habt mich überzeugt. Ich schreibe den Verkäufer an, ob er das Gerät zurücknimmt. Schade ich hatte mich über das Gerät zunächst sehr gefreut. Optik ist toll finde ich. Leider funktioniert es nicht. Gerade deswegen hatte ich es mir gekauft, damit ich endlich als "Anfänger" nicht noch durch verfälschte Werte verunsichert werde... ;o(. Sehr schade! Könnte ihr mir ein alternatives Multimeter empfehlen, wo man nicht gleich wieder eine Haverie hat? Wird sicher Fluke empfohlen, oder? Was ist z.B. mit dem preiswerteren Fluke 101? Taugt das was?
Peter M. schrieb: > Die UT71x-Reihe erscheint mir verglichen mit dem UT61E oder auch dem > UT139C maßlos überteuert. Ich habe ein UT61D, gekauft wegen der Schnittstelle zum PC. Bei diesem kann ich keine funktionierende Kapazitätsmessung erkennen. > Was für Sicherungen hat Dein Gerät? Gucke Dir diesen Thread doch einfach vollständig an, dann siehst Du die Versionen der Sicherungen.
Und hier mein UT71C (2015 gekauft) zum Vergleich. Ich habe Q3 und Q4 nicht auf der Seite gefunden. Komplett wollte ich es nicht zerlegen. Oben links scheint eine Revisionsnummer [-12] zu sein. Könnte wirklich ein Bugfix gewesen sein.
Manfred schrieb: > Peter M. schrieb: >> Die UT71x-Reihe erscheint mir verglichen mit dem UT61E oder auch dem >> UT139C maßlos überteuert. > Ich habe ein UT61D, gekauft wegen der Schnittstelle zum PC. Bei diesem > kann ich keine funktionierende Kapazitätsmessung erkennen. Meinst Du damit, Deine Kapazitätsmessung ist defekt? Das UT61D hat einen kleineren Shunt und ein Display mit Hintergrundbeleuchtung, was vorteilhaft ist. Nachteilig ist die vergleichsweise geringe spezifizierte Genauigkeit zum preisgleichen UT61E, dem eine Hintergrundbeleuchtung fehlt, die man aber hineinbasteln kann. > >> Was für Sicherungen hat Dein Gerät? > Gucke Dir diesen Thread doch einfach vollständig an, dann siehst Du > die Versionen der Sicherungen. Danke für den Hinweis! Ich hatte das Foto ignoriert.
Was mir noch aufgefallen ist - in deinem Originalbild sieht es so aus, als ob der Draht an der breiten GND-Leiterbahn angelötet wäre. Damit wären Q3/Q4 überbrückt ohne OVH zu schützen. Hast du das korrigiert oder ist das nur eine Täuschung durch die Aufnahme? Das ändert aber nichts daran, dass R22 100Ω haben sollte. Wenn du bei deinem anderen MM unsicher bist, versuch einfach verschiedene Messbereiche - für 100Ω wäre z.B. "200" angebracht - und vergleiche mit einem bekannten Widerstand (nicht aus dem defektem MM).
@granuc Nein, dass hatte ich auch zunächst angenommen, da das im Schaltplan ja auch so aussieht, dass der Emitter von Q3 an GND geht. Aber wie ich schon oben schrieb kam bei Überprüfung mit der Durchgangsprüfung heraus: Der Draht kommt mit dem festen Ende aus der rechts neben der breiteren Leiterbahn kommenden dünneren heraus. Diese dünner Leiterbahn hat bei der Durchgangsprüfung Kontakt mit R22. Dagegen ist der Emitter von Q4 mit GND verbunden. R22 zeigt in allen Multimetereinstellungen "1" an, deswegen meine Verunsicherung, ob die "100" im Schaltplan 100 Ohm bedeuten, oder ob mein altes Multimeter hier den Widerstand nicht messen kann. Das gilt auch für R40, bei dem ich ebenfalls "1" in allen Bereichen habe. Laut Schaltplan müssten es hier 100k also 100 kOhm sein.
Torsten K. schrieb: > R22 zeigt in allen Multimetereinstellungen "1" an, deswegen meine > Verunsicherung, ob die "100" im Schaltplan 100 Ohm bedeuten, oder ob > mein altes Multimeter hier den Widerstand nicht messen kann. Wie schon erwähnt, nimm einen bekannten Widerstand und nicht einen aus dem Multimeter - die 10R sehen für mich wie ein Default aus (sind auch an Dioden zu finden) - während R40, wie Frank schon sagte, 100k haben soll.
Peter M. schrieb: >> Ich habe ein UT61D, gekauft wegen der Schnittstelle zum PC. Bei diesem >> kann ich keine funktionierende Kapazitätsmessung erkennen. > Meinst Du damit, Deine Kapazitätsmessung ist defekt? Ja, sie hat noch niemals sinnvolle Werte angezeigt, fabrikneu von R*. Ich habe das weder reklamiert noch beforscht, weil ich für den Zweck ein eigenständiges Gerät habe. Hoffen wir, dass UT nicht generell ein Problem mit der Kapazitätsmessung hat. > Das UT61D hat einen kleineren Shunt und ein Display mit > Hintergrundbeleuchtung, was vorteilhaft ist. Darum habe ich mich nicht gekümmert, ich benutze meistens andere Geräte. > Nachteilig ist die vergleichsweise geringe spezifizierte Genauigkeit zum > preisgleichen UT61E, dem eine Hintergrundbeleuchtung fehlt, die man aber > hineinbasteln kann. Preisgleich geht bei mir anders, bei 40% sicher nicht mehr: http://www.reichelt.de/UT-61D/3/index.html?ACTION=3&LA=446&ARTICLE=97150&artnr=UT+61D&SEARCH=ut+61 http://www.reichelt.de/UT-61E/3/index.html?ACTION=3&LA=446&ARTICLE=97151&artnr=UT+61E&SEARCH=ut+61
Manfred schrieb: > Hoffen wir, dass UT nicht generell ein Problem mit der Kapazitätsmessung > hat. Meine beiden (UT61C bzw. E) - eines davon über Reichelt - funktionieren seit fast fünf Jahren problemlos.
Bitte melde dich an um einen Beitrag zu schreiben. Anmeldung ist kostenlos und dauert nur eine Minute.
Bestehender Account
Schon ein Account bei Google/GoogleMail? Keine Anmeldung erforderlich!
Mit Google-Account einloggen
Mit Google-Account einloggen
Noch kein Account? Hier anmelden.












