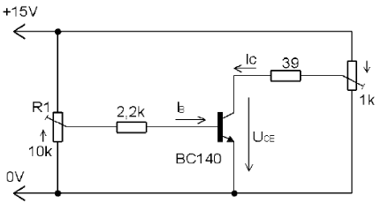
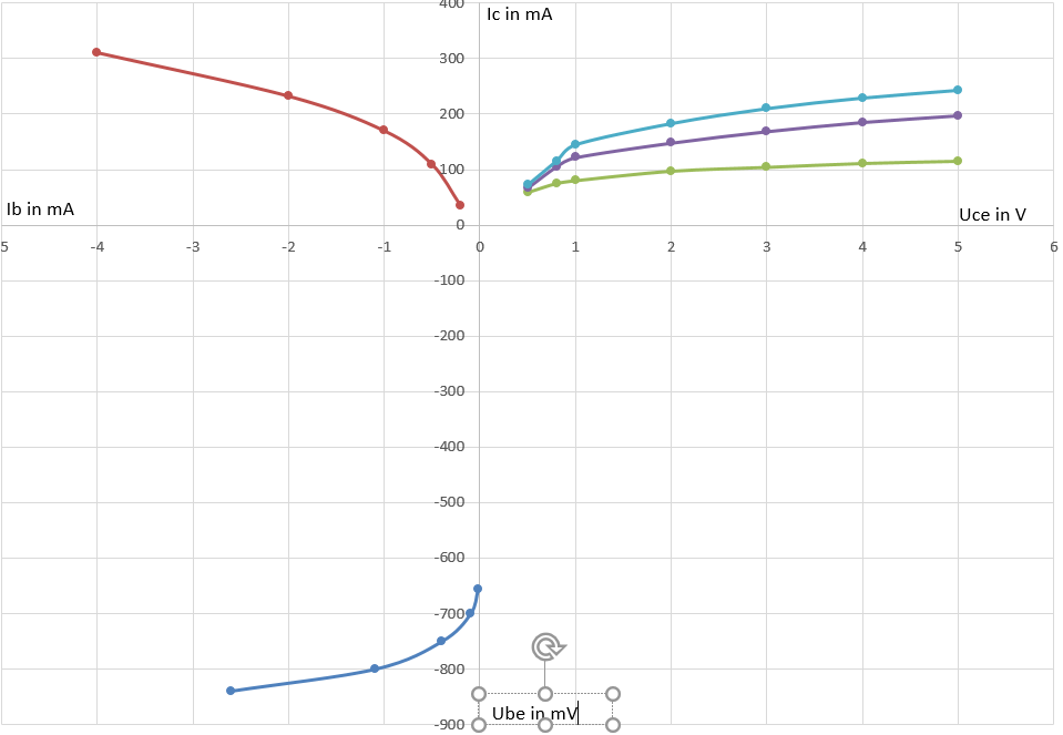
Hey, die Frage lautet Wie groß müssen IB und UBE gewählt werden, damit sich ein Arbeitspunkt mit UCE=3V und IC=150mA einstellt? Man hat vorhin den diff. Eingangswiderstand, stat. Verstärkung und diff. Verstärkung ausgerechnet. IB rechnet man einfach durch IC/B aus. Bei UCE habe ich da meine Schwierigkeiten. Schaltung und Vierquadranten-Kennlinien sind im Anhang.
Uce ist 15V - Spannungsabfall an den Widerständen. Der wiederum ist U=R*Ic.
Meinst du nur den Spannungsabfall an Ic, also 39 Ohm + Poti?
Ja, natürlich. Beim Poti musst du noch aufdröseln, das ist ja ein belasteter Spannungsteiler.
Danke, eine Frage noch. Wenn man jetzt den 1K Poti weglässt und den 39Ohm Widerstand an VCC anschließt, ist die Spannungsquelle dann niderohmig und man kann diese im Spannungsteiler vernachlässigen?
Dann ist Uce = 15V - Ic*39 Ohm. Was du da vernachlässigen willst, weiss ich nicht.
Michael G schrieb: > die Frage lautet Wie groß müssen IB und UBE gewählt werden Du kannst nicht Ib und Ube wählen, sondern nur entweder oder, weil sich bei Wahl des einen Wertes der andere jeweils nach den Transistoreigenschaften einstellt. Michael G schrieb: > Wenn man jetzt den 1K Poti weglässt und den > 39Ohm Widerstand an VCC anschließt, ist die Spannungsquelle dann > niderohmig und man kann diese im Spannungsteiler vernachlässigen? In deinem Fall ja. Du willst Ic=150mA, d.h. an den 39R fallen 5,85V ab, bei Versorgung=15V und für den Transistor bleiben etwa 9V. Uce ist also viel größer als Ucesat, d.h. der Widerstand hat auf den Strom nur sehr wenig Einfluss.
Bitte melde dich an um einen Beitrag zu schreiben. Anmeldung ist kostenlos und dauert nur eine Minute.
Bestehender Account
Schon ein Account bei Google/GoogleMail? Keine Anmeldung erforderlich!
Mit Google-Account einloggen
Mit Google-Account einloggen
Noch kein Account? Hier anmelden.

