Hallo, ich möchte mir nach dem originalen therwave Schaltplan ein Theremin nachbauen. Meine Frage ist nun, dass die Beschaffung der Spulen, bzw. Ersatztypen etwas schwierig sein könnte. Ich kann Schaltungen aufbauen, kenne mich mit Spulen jedoch so gar nicht aus. Diese variablen Spulen hat z.B. Reichelt und Conrad gar nicht im Programm. Bei Mouser bekomme ich zwar welche, aber nicht die geforderten Werte. Das ist wahrscheinlich wieder eine Glaskugelfrage, aber was für Spulen kämen hier denn in Frage? Muss ich exakt die 47mH verwenden? Was ist mit der Eigenfragenz und Q der Spule? Und was ist mit dem Widerstand, kann diese einfach in Serie zu beabsichtigten Typ angepasst werden? Aber auch die Spulen vor den Antennen stellen mir vor ein Rästel. Bei den Widerständen, Kondensatoren und Transistoren kann man ja nicht viel falsch machen, leider sind hier aber wohl die Spulen das tragende Element. Kann mir jemand mit Tips weiterhelfen? Bis dann!
Witzig, hat dich meine Antwort zu Pascals Frage dazu animiert? Die ganze Schaltung ist schwierig, weil die Frequenzen der Oszillatoren gegeneinander und auf die Antennen abgestimmt werden müssen. Die angegebenen Werte sind nur grobe Anhaltspunkte. Stelle dich darauf ein, dass du die Spulen nach dem Aufbau noch mehrmals verändern musst. Die Spulen musst du selbst herstellen. Leider gibt es nur noch wenige Händler, wo man Spulenkörper kaufen kann. Notfalls nimmst du eine Papprolle als Kern für die kleinen Werte oder einen Ferrit-Stab aus einem MW-Radioempfänger für die größeren Werte.
Ne, ich bin da ganz alleine drauf gekommen ;). Nachtrag: Hier noch ein Bild, wo die Leiterkarte drauf zu sehen ist.
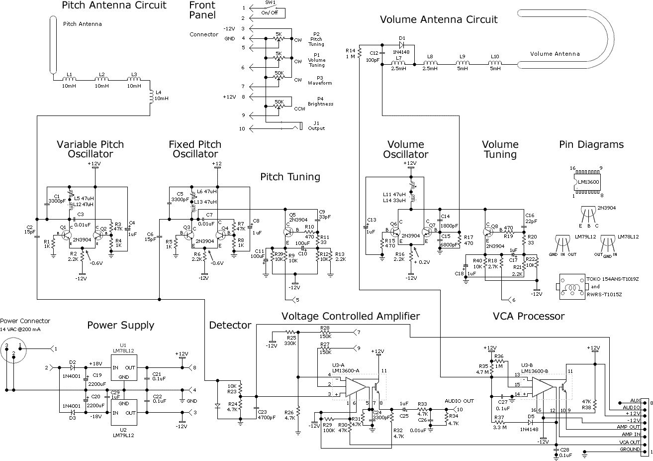
Stefan U. schrieb: > Sieht mir nach Holzstäbchen aus. Die Koppelspulen für die Antennen? Da würde ich eher auf Widerstände tippen. Macht man gerne auch für die Drosselspule am NF-Verstärker Ausgang. Ab ein paar 100 Ohm verändert der Widerstand die Charakteristik der Spule kaum noch. Gleichzeitig wird die Eigenresonanz der Spule gedämpft. Diese Festinduktivitäten zum Ankoppeln der Antennen sind von ihrem Wert allerdings unkritisch. Die sollen im wesentlichen bloß verhindern, daß das Theremin die Umgebung mit Störstrahlung verseucht. Wichtig für die Funktion sind die kleinen silbernen Becher. L5, L6 und L11 im Schaltbild. Mit 47µH eigentlich ein Standardwert. Über den Daumen gepeilt arbeiten die Oszillatoren bei 300kHz. Filterspulen bzw. Kern- bausätze für 455kHz AM-ZF wären also geeignet. Notfalls ausschlachten (Mittelwellenradios haben ohnehin keine Daseinsberechtigung mehr). Sonst gäbe es bei Pollin noch das "Sortiment Bandfilter, 25-teilig" - Bestellnummer 800 426 für €1,50. Da ist fast sicher ein passender Kern dabei. Eventuell sogar eine passende Spule.
Bei Mouser kann ich ja noch einzelne bestellen, z.B. 1, 15 oder 100 mH. Hauptsache der feste und variable Oszillator haben die gleiche Frequnz oder täusche ich mich da? Es sollte doch kein Problem sein, wenn die statt 300 mit 100 oder 500khz schwingen oder?
http://www.mouser.de/ProductDetail/Hammond-Manufacturing/1535G/?qs=sGAEpiMZZMsg%252by3WlYCkU2MW%252bnaobEtI7YEi5MDJmKs%3d Das ganze sieht dem doch recht ähnlich oder? 10mH.
Nils schrieb: > Bei Mouser kann ich ja noch einzelne bestellen, z.B. 1, 15 oder 100 mH. > Hauptsache der feste und variable Oszillator haben die gleiche Frequnz > oder täusche ich mich da? Für die Schwingfrequenz der beiden Oszillatoren sind die genauen Werte von L1..L4 und L7..L10 unerheblich. Dafür sind wie bereits gesagt L5 und L6 zuständig und die sind aus gutem Grund abgleichbar. Es gibt zwei Gründe, warum L1..L4 und L7..L10 jeweils als Reihenschaltung ausgeführt sind: 1. 10mH sind leichter beschaffbar als 40mH 2. die parasitäre Kapazität ist bei einer 10mH Spule geringer und wird durch die Reihenschaltung von 4 Spulen noch weiter verringert. Beachte auch, daß die Spulen offensichtlich kapazitätsarm gewickelt sind.
Besteht evtl. die Möglichkeit für L5, L6 und L11 eine feste Induktivität einzusetzen von ca. 50-100mH und statt dessen den parallelen Kondensator um einen trimmbaren Kondensator zu erweitern? So, dass ich den Schingkreis über den Trimmer und nicht die variable Induktivität abgleiche? Die bekomme ich immerhin noch überall zu kaufen. Nur bei L11 wäre ich mir nicht sicher, wie ich das ersetzen könnte. Kann man hierfür normale Festinduktivitäten nehmen (axial, radial)?
Nils schrieb: > Besteht evtl. die Möglichkeit für L5, L6 und L11 eine feste Induktivität > einzusetzen von ca. 50-100mH Du liegst Faktor 1000 daneben. L5, L6 und L11 haben den Nennwert 47µH. > und statt dessen den parallelen Kondensator > um einen trimmbaren Kondensator zu erweitern? Trimmkondensatoren sind nur bis einige 10pF Endwert handelsüblich. Der Schwingkreiskondensator zu L5 und L6 hat aber 3.3nF. Mit einem Trimmer kriegst du keinen ausreichenden Abgleich hin. Und bevor du fragst: nein, du kannst das L/C Verhältnis dieser Schwinkgreise nicht nach Belieben verändern, weil der Hauptoszillator ja kapazitiv verstimmt werden soll. Die ganze Abstimmung aus Antennenkapazität und Tonfrequenzumfang geht dann den Bach runter. > Nur bei L11 wäre ich mir nicht sicher, wie ich das ersetzen könnte. Kann > man hierfür normale Festinduktivitäten nehmen (axial, radial)? So wie es aussieht, scheint der genaue Wert von L11 in der Tat unkritisch zu sein. Ich verstehe diesen Teil der Schaltung nicht so recht. Aber es sieht so aus, als würde im Lautstärke-Zweig das Oszillatorsignal nur kapazitiv gedämpft werden. Dann hat die Schwingfrequenz nur Einfluß auf die Ansprechcharakteristik. Andererseits kann man passende Spulen durchaus noch kaufen. Eine Suche mit Google nach "AM ZF Filter 47µH" lieferte u.a. - http://picclick.de/10-St%C3%BCck-AM-Miniatur-Filter-Spulen-HF-Bausatz-Bandfilter-ZF-Filter-291912726483.html Hier muß man selber wickeln. Ca. 55 Windungen Kupferlackdraht für 47µH. - http://www.ebay.de/itm/Hochwertige-Miniatur-Filter-spulen-im-Kupfergehaeuse-Miniature-filter-coil-/170994152812 Typ 3814 ist nah genug dran um direkt verwendet zu werden. Eventuell die Reiheninduktivitäten L12 und L13 auf 22µH verkleinern.
Ok, dann muss das so gemacht werden. Jedoch entnehme ich der Leiterplatte, dass die in Reihe geschalteten Spulen ähnliche Typen sind wie L1-L4 und L7-L10. Soll ich hierfür einfach auch variable Spulen nehmen? Oder normale Wald und WIesen Festinduktivität? Oder muss ich da auch was gewickeltes mit Kern nehmen (siehe Bild der leiterplatte)?
Nils schrieb: > Ok, dann muss das so gemacht werden. Jedoch entnehme ich der > Leiterplatte, dass die in Reihe geschalteten Spulen ähnliche Typen sind > wie L1-L4 und L7-L10. Welche "in Reihe geschalteten Spulen"? L12/13/14? Nein. Das Bild von der Platine ist zwar reichlich unscharf, aber L14 sitzt im grünen Kleidchen unterhalb der Din-Buchse und hat offensichtlich eine axiale Bauform ähnlich wie ein Widerstand. L12 und L13 sind sicher ähnlich. L5, L6, L11 sind wie gesagt die silbernen Töpfe mit den schwarzen Löchern, in denen man den Ferritkern für den Abgleich sieht. > Soll ich hierfür einfach auch variable Spulen nehmen? Oder normale Wald > und WIesen Festinduktivität? Diese Festinduktivitäten sind da, um den Abgleichbereich von L5/6/11 zu begrenzen. Ähnlich wie man einen Festwiderstand in Reihe mit einem Trimmpoti schaltet. Bzw. bei L12 dürfte der Grund darin liegen, daß man so für L5/6/11 den gleichen Wert respektive das gleiche Bauelement verwenden kann. Beschaffung, Lagerhaltung. Wissenschon. Wenn du damit leben kannst, daß der Abgleich etwas hakeliger wird, kannst du auch 100µH abgleichbare Spulen für alle 3 nehmen ohne irgendwelche Reihenschaltungen. Ich gehe davon aus, daß L5/6/11 umgewidmete AM-Filterspulen sind. Standardbauelemente aus dem Radio-Bereich.
Bitte melde dich an um einen Beitrag zu schreiben. Anmeldung ist kostenlos und dauert nur eine Minute.
Bestehender Account
Schon ein Account bei Google/GoogleMail? Keine Anmeldung erforderlich!
Mit Google-Account einloggen
Mit Google-Account einloggen
Noch kein Account? Hier anmelden.

