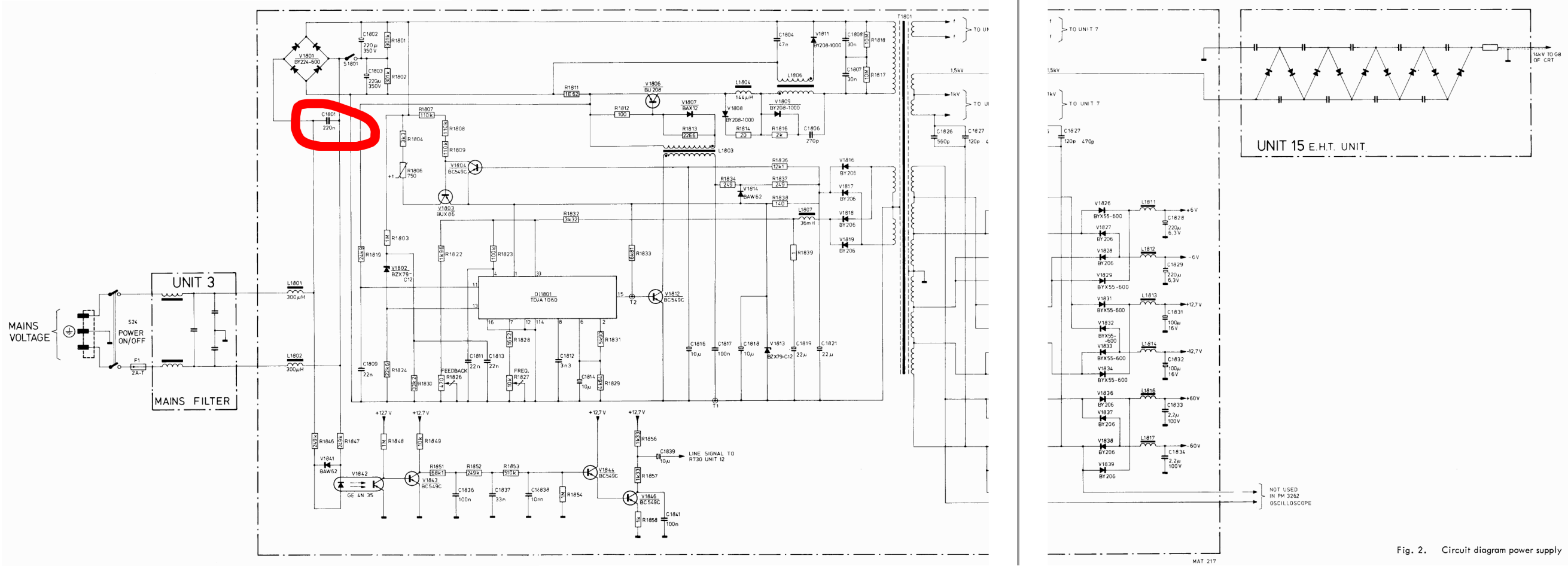
Guten Tag, bei meinem gebrauchten Oszilloskop von Phillips war der X-Kondensator des Power Supply Boards in Rauch aufgegangen. Es war ein: RIFA 0,22µf X 250V~, genauer PME 271 M622. Vor dem Austausch funktionierte das Gerät noch, trotz kaputtem Kondensator. Ich habe den Kondensator gegen einen aus einem alten Röhrenfernseher ausgetauscht: AD 0,22µf X2 250V~ Seitdem funktioniert der CRT-Bildschirm nicht mehr, und auf dem Unit 7 Focus P.C. Board (kümmert sich um den CRT) glimmt und rauscht das Bauteil V2029, was eine V103R2 Voltage Reference Tube ist. Es scheint wohl eine 103V Referenzspannung zu erzeugen. Ich habe bereits zwei Ersatzkondensatoren getestet, die aber beide gebraucht waren und aus der gleichen Quelle stammten, deshalb halte ich es für möglich, dass das die Ursache ist. Oder dass ich beim Auseinander- und Zusammenbauen einen Fehler gemacht habe. Ich habe eine Schaltskizze des Power Supply Boards angehangen, auf dem der getauschte Kondensator rot markiert ist. Außerdem angehangen ist ein Diagramm des Focus Unit, auf dem das glimmende und rauschende Bauteil rot markiert ist. Was könnte hier das Problem sein? Einfach mal kurz ohne Filterkondensator betreiben, um zu schauen ob irgendwas falsch zusammengebaut wurde?
IchGlaubMeinOsziRauscht schrieb: > Oder dass ich beim > Auseinander- und Zusammenbauen einen Fehler gemacht habe. Genau das. Der Kondensator dient zur Funkentstörung (Schaltnetzteil!), und hat sonst keinen Einfluss auf die Funktion des Oszis. > Was könnte hier das Problem sein? Einfach mal kurz ohne > Filterkondensator betreiben, um zu schauen ob irgendwas falsch > zusammengebaut wurde? Da musst Du selbst die Pläne bemühen und auf die Suche gehen. Zuerst mit der Stromversorgung anfangen. Stimmen die Spannungen? Keine auffälligen Rippel (Hinweis auf defekte Elkos)?
Bernhard D. schrieb: > Da musst Du selbst die Pläne bemühen und auf die Suche gehen. Zuerst mit > der Stromversorgung anfangen. Stimmen die Spannungen? Keine auffälligen > Rippel (Hinweis auf defekte Elkos)? Ich habe das vollständige Service Manual, daher habe ich auch die Schaltbilder. Nur ist das mein einziges Oszilloskop, viel andere Möglichkeiten Rippel zu erkennen habe ich nicht.
Kleine Korrektur: Das Oszilloskop funktioniert doch, aber das Rauschen der Röhre bleibt. Es war vor dem Kondensatoraustausch nicht da, und das Bauteil ist ein Spannungsregulator, der aktiviert wird. Ich habe den Verdacht dass durch den Kondensator Spannungsspitzen durchkommen, die dann vom der Röhre, die wie eine Zenerdiode funktioniert, abgeleitet werden. Dabei geht sie kurz an, macht ein Geräusch und dann wieder aus. Vielleicht kaufe ich mir doch mal einen neuen Entstörkondensator, da das dass einzige ist, was ich ausgetauscht habe.
IchGlaubMeinOsziRauscht schrieb: > Vielleicht kaufe ich mir doch mal einen neuen Entstörkondensator, da das > dass einzige ist, was ich ausgetauscht habe. Naja, den einen Euro könnte man schon investieren. ;) Edit: Dann bist Du zumindest auf der sicheren Seite. Und der Fehler liegt an anderer Stelle.
:
Bearbeitet durch User
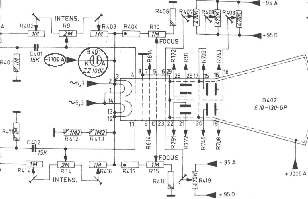
IchGlaubMeinOsziRauscht schrieb: > das glimmende und rauschende Bauteil Hi, was genau ist damit gemeint, ein akustisch wahrnehmbares Geräusch oder ein unsauberes, "verrauschtes" Schirmbild. Wenn das so ist, dann ist unter Umständen die Glimmröhre selbst defekt. Hat wohl kurzzeitig zuviel Spannung/Strom bekommen, und die Zünd- bzw. Brennspannungswerte haben sich verschoben. Defekte Geräte haben oft "Flöhe und Läuse" und dann auch nicht gleichzeitig, eventuell sogar sporadisch auftretend und abwechselnd. ciao gustav
Betreibe das offene Gerät mal im abgedunkelten Raum und stelle sicher, das das Rauschen kein 'Sprühen' der Hochspannung ist. Sowas ist auf Dauer recht ungesund, nicht nur, weil es die Messungen zermanscht, sondern mit der Zeit auch Isolierungen beschädigt. Kann passieren, wenn man die HV-Kabel nicht wieder genauso verlegt, wie sie waren und sie damit nicht genügend Abstand zur Umgebung haben. Verdächtig ist auch immer die Umgebung um die Kaskade.
:
Bearbeitet durch User
Karl B. schrieb: > was genau ist damit gemeint, ein akustisch wahrnehmbares Geräusch oder > ein unsauberes, "verrauschtes" Schirmbild. Ein akustisch wahrnehmbares Rauschen. Das Schirmbild ist klar und deutlich. Karl B. schrieb: > Wenn das so ist, dann ist unter Umständen die Glimmröhre selbst defekt Wenn es akustisch rauscht? Falls sie defekt ist, wie kann ich sie austauschen? Die gesamte Leiterplatte ist in eine Art Gummi eingegossen, vermutlich um die Hochspannung zu isolieren/das Bewegen von Drähten und Bauteilen zu verhindern.
Matthias S. schrieb: > stelle sicher, > dass das Rauschen kein 'Sprühen' der Hochspannung ist. Hi, habe mal im Manual für meinen 3231-er Oldtimer reingeschaut und stelle fest, dass der auch hier verwendete Glimmstabilisator an einer Spannung von 1100 Volt arbeitet. (An der Katode der Braun'schen Röhre liegen also ca. Minus 1000 Volt und an der Anode nochmals +3000 Volt an => insgesamt hat man es somit ca. 4000 Volt zu tun.) Würde jetzt erst einmal vorsichtshalber passen. ciao gustav
Heute hat das Bauteil komplett den Geist aufgegeben, das Rauschen hörte auf, aber das Oszi funktionierte auch nicht mehr. Zum Glück habe ich online ein Dokument gefunden, das beschreibt womit ich das Bauteil ersetzen kann. Meine Frage hierzu: Ich habe alle Bauteile da, aber das gesamte Circuit Board, auf dem das zu ersetzende Bauteil ist, ist in eine Art Gummi eingegossen. Entweder es ist als Isolierung gedacht, oder um das Bewegen von Bauteilen zu verhindern. Hat jemand schon mal damit gearbeitet? Würde es reichen die nötige Stelle aus dem Gummi zu schneiden und dann die Komponenten mit Heißkleber zu fixieren?
Bitte melde dich an um einen Beitrag zu schreiben. Anmeldung ist kostenlos und dauert nur eine Minute.
Bestehender Account
Schon ein Account bei Google/GoogleMail? Keine Anmeldung erforderlich!
Mit Google-Account einloggen
Mit Google-Account einloggen
Noch kein Account? Hier anmelden.



