Hallo, ich würde mich gerne an einem StepDown Wandler versuchen, möglichst nicht zu groß, möglichst kein SMD. Ich denke 400kHz wären gut, damit es nicht zu groß wird und noch beherschbar sein. Kennt jemand ein gutes IC dafür das diesen Spannungsbereich abdeckt? Es sollte schlussendlich Kurzschlussgeschützt sein Gibt es gute Tipps, was Filter etc wegen Störabstrahlung etc angeht?
Bis 60V gibts noch den LM2596HV, darüber kenne ich nichts mehr. Ich würde mal eher 250kHz anpeilen. Ein StepDown ist prinzipiell kurzschlussfest sofern Schalter und Induktivität den dann fließenden Strom dauerhaft aushalten. Nachhelfen kann man, indem man entweder den Duty Cycle begrenzt oder eine Strombegrenzung einbaut (bedingt aber Strommessung). Ich gehe davon aus dass jetzt Leute ICs posten werden die 75V aushalten. Falls nicht: Du könntest den IC für den Start mit nem Linearregler versorgen, sobald die Schaltung hochgelaufen ist, versorgst du den IC über die 14V Ausgangsspannung.
na stups mal die hersteller tools an such vlt nach einem controller den man syncen kann..
Stefan schrieb: > Hallo, > ich würde mich gerne an einem StepDown Wandler versuchen, möglichst > nicht zu groß, möglichst kein SMD. Ohne SMD wird es nix, denn bedrahtet bekommt man nix mehr neumodisches Zeugs, wozu auch? > Ich denke 400kHz wären gut, damit es nicht zu groß wird und noch > beherschbar sein. Ach? Interessanter Entscheidungsgrund > Kennt jemand ein gutes IC dafür das diesen Spannungsbereich abdeckt? Ja. > Es sollte schlussendlich Kurzschlussgeschützt sein Nona. > Gibt es gute Tipps, was Filter etc wegen Störabstrahlung etc angeht? Ja, gibt es. Alleine die Fragestellung zeigt, daß Du keinerlei Kenntnisse der Materie hast und auch nicht bereit bist vorher darüber mehr als ein bischen nachzudenken, wie so ein Konverter aussehen könnte. Daher - such Dir Deine Antworten selber und komm wieder wenn Du einen Entwurf hast, über den man diskutieren kann und zu dem Du konkrete Fragen stellen kannst. Schon alleine 21A Dauerstrom ist kein Bastelprojekterl, daß man mal ebenso mit geballter Ahnungslosigkeit angeht.. Aber wahrscheinlich wird hier wieder irgendwer dem TO die Lösung vorkauen MiWi
hinz schrieb: > Was soll das für eine Anwendung sein? Meine Glaskugel sagt: Wind oder Wassergenerator zum Laden eines Bleiakkus. Das wird so aber nicht funktionieren.
ja ein passendes IC wäre super. Wonach müßte ich denn da bei Mouser suchen? Spannungsrelgler ICs? PWM ICs? Ich frage nicht umsonst nacc hilfe, da mir eben die Ansätze fehlen :-) Sonst wäre die Frage ja irgendwie..naja..sinnlos :-) Ich habe hier einen DC/DC mit 60V 25A liegen, im 20khz Bereich doer soaws.. Also so oder so..soo aufwendig ist sowas nun wirklich auch nicht Wenn mein Eigenbau solch China spezifikation erfüllt wäre ich ja schon glücklich, aber um es ebne besser zu machen frage ich hier ja..ist ja eigentlich einfach zu verstehen weshalb ich hier frage ;-) Und das es deutlich teurer als 4.99€ wird ist auch klar aber er sollte halt sehr robust sein und selbst enwickelt und gerne auch etwas größer und besser zu reparieren Und nein, es geht nicht um ein Blei Ladegerät, die Anfroderungen habe ih ja geschrieben. Das einzige was vielelicht noch fehlt ist der Temperaurbereich von -20 bis +60Grad damit sollte alle wichtigen Angaben vorhanden sein udn Spekulationen überlüssig ;-) http://www.ebay.de/itm/200W-15A-DC-DC-8-60V-to-1-36V-Power-Buck-Converter-Step-down-Module-Wandler-/272277904231?hash=item3f65071b67:g:WWoAAOSwzLlXhGoM
Stefan schrieb: > damit sollte alle wichtigen Angaben vorhanden sein udn Spekulationen > überlüssig ;-) Damit kannst du dich jetzt an ein Ingenieurbüro wenden.
Moin, Stefan schrieb: > Also so oder so..soo aufwendig ist sowas nun wirklich auch nicht Ach was, von der Komplexitaet her sicher irgendwo zwischen Badewannenfuellstandsmelder- und Luegendetektorbausatz. Kann doch alles kein Hexenwerk sein. > Wenn mein Eigenbau solch China spezifikation erfüllt wäre ich ja schon > glücklich, aber um es ebne besser zu machen frage ich hier ja..ist ja > eigentlich einfach zu verstehen weshalb ich hier frage ;-) Tja, dann mach dich einfach mal so schlau, wie die chinesischen Entwickler sind. Dann klappts auch mit dem Eigenbau. > Und das es deutlich teurer als 4.99€ wird ist auch klar aber er sollte > halt sehr robust sein und selbst enwickelt und gerne auch etwas größer > und besser zu reparieren Das schreit eigentlich nach einem Motorgenerator, also eher ein elektromechanischer Umformer. scnr, WK
Stefan schrieb: > ja ein passendes IC wäre super. dann suche danach und komm wieder wenn Du ein paar Vorschläge hast. > Wonach müßte ich denn da bei Mouser suchen? s.o. > Spannungsrelgler ICs? PWM ICs? Was immer Du nach Lektüre einschlägiger Datenblätter (oder Forumsuche) für richtig hälst. > Ich frage nicht umsonst nacc hilfe, da mir eben die Ansätze fehlen :-) Eben. Dann fang mit den Ansätzen an wie zB. 5V aus 12V und heiße 1A... dann reden wir vielleicht weiter > Sonst wäre die Frage ja irgendwie..naja..sinnlos :-) Nein. und die herzigen ":-)" kannst Du auch vergessen, Häschenblick ist nicht sonderlich hilfreich wenn 21A durch die Gegend flitzen sollen. > Ich habe hier einen DC/DC mit 60V 25A liegen, im 20khz Bereich doer > soaws.. > Also so oder so..soo aufwendig ist sowas nun wirklich auch nicht Ach? 1,5kW ist nicht aufwendig? Dann bau es doch einfach mit dem gewünschten 1/5 der Leistung, die bei Dir am Tisch liegt nach... > Wenn mein Eigenbau solch China spezifikation erfüllt wäre ich ja schon > glücklich, aber um es ebne besser zu machen frage ich hier ja..ist ja > eigentlich einfach zu verstehen weshalb ich hier frage ;-) Ja, es ist zu verstehen aber solange Du nicht erst einmal selber Deine kleinen grauen Zellen bemühst halte ich jeden Versuch Dir das ganze vorzukauen für Sinn- und Verantwortungslos und für eine massive Zeitverschwendung derer, die Dir da "helfen" > Und das es deutlich teurer als 4.99€ wird ist auch klar aber er sollte > halt sehr robust sein und selbst enwickelt und gerne auch etwas größer > und besser zu reparieren Wenn das Ding läuft brauchst Du es nicht reparieren, davor wird bei der bisher zur Schau gestellen Eigeniniative bei den div. Inbetriebnahmen nicht viel übrigbleiben, daß Du reparieren kannst. > Und nein, es geht nicht um ein Blei Ladegerät, die Anfroderungen habe ih > ja geschrieben. > Das einzige was vielelicht noch fehlt ist der Temperaurbereich von -20 > bis +60Grad Du wirkst wie einer, der im dichten Nebel im Tal beginnt auf den Großglockner zu steigen: "es je eh nur gehen und nur ein paar Schritte und ich hab auch eine Winterjacke mit, damit mir nicht kalt wird" - in grandioser Unkenntnis, daß da oben Schnee liegt (auch im Sommer) Seiltechnik und Steigeisen nötig sind und es etliche Hindernisse wie zB. Höhenluft und meist Atemprobleme für Flachlandler gibt, die da am Weg liegen und im Talnebel nicht einmal erahnbar sind... > damit sollte alle wichtigen Angaben vorhanden sein udn Spekulationen > überlüssig ;-) Eh, die Spekulationen, daß Du vollkommen Ahnungslos bist waren schon nach Deinem ersten Posting ersichtlich, der Rest meinerseits ist nur der etwas grantige Versuch, daß Du ein bischen mehr als "das sind die Rahmenbedingungen, macht mal Vorschläge damit ich das nachbauen kann" liefern solltest. > http://www.ebay.de/itm/200W-15A-DC-DC-8-60V-to-1-36V-Power-Buck-Converter-Step-down-Module-Wandler-/272277904231?hash=item3f65071b67:g:WWoAAOSwzLlXhGoM Wenn Du die Zeit, die Du in die ebaysuche versenkt hättest wenigstens ein bischen nach Buckreglern und entsprechenden AppNotes gesucht hättest wäre Deine (und auch unsere) Zeit klüger vergeudet worden. MiWi
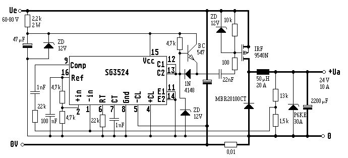
Hallo, nach den "konstruktiven" Beiträgen, hier das beste Vorbild: http://www.joretronik.de/Web_NT_Buch/Kap6/Kapitel6.html Bild 6.1 Das noch in der Spannung anpassen, dickere Drossel und dickere Diode, fetteren FET oder zwei davon und dafür braucht man gar kein noch spezielleres IC. Das könnte man doch mal schön betriebssicher aufbauen. Am besten mehrere Elkos verwenden. Wenn man das gut kann, könnte man es noch mit anderen ICs realisiert vorstellen. MfG
Christian S. schrieb: > Hallo, hier das beste Vorbild: > > http://www.joretronik.de/Web_NT_Buch/Kap6/Kapitel6.html > > Bild 6.1 > > Das noch in der Spannung anpassen, dickere Drossel und Diode, fetteren > FET oder zwei davon und dafür braucht man gar kein noch spezielleres IC. > Das könnte man doch mal schön betriebssicher aufbauen. Am besten mehrere > Elkos verwenden. > > MfG Die 12V Z-Diode mit dem 2W Widerstand ist so unschön. Die würde ich nur für den Start verwenden, sobald der Regler hochgelaufen ist kommt Vcc für den IC aus Ua. Im Allgemeinen sind die Schaltpläne von joretronik schön zum Verstehen, aber etwas altbacken. Manchmal wundere ich mich, dass tatsächlich FETs drin vorkommen.
Bin gespannt, ob der TO so etwas aufbaut und es zum Funktionieren bringt. Der FET ist über 100 Ohm 22nF angesteuert. Ob das so perfekt ist? MFG
Christian S. schrieb: > Hallo, nach den "konstruktiven" Beiträgen, hier das beste Vorbild: Wenn Du nicht verstanden hast wie die Konstruktivität zumindest meiner Beiträge zu verstehen ist.... hast Du vermutlich auch noch nicht solche Konverter mit den vom TO gewünschten Leistungen entwickelt... Weder 72V noch 21A sind Dinge, die mit ":-)" am Ende einer Frage zu bewältigen sind. > > http://www.joretronik.de/Web_NT_Buch/Kap6/Kapitel6.html Viel Spaß beim Einstellen der Kompensation unter allen Lastbedingungen Ich würde einem absoluten Anfänger in dem Bereich keinen Schaltregler-IC vorschlagen, der einerseits "nur" bis 300kHz spezifiziert ist und dessen Regelkonzept schon vor 30 Jahren etwas... nun ja... antiquiert war und dem mit dem auftauchen der ersten Current-Mode Converter-ICs sehr sehr schnell der Garaus gemacht wurde.. Unitrode hat in ihrem Application Handbook 1985/1986 (U-96 und U-97) auch nicht wirklich begriffen wie grundlegend ihr damals recht neuer UC1842 die Schaltreglerwelt verändern wird... Kurzschlußschutz ist bei dem SG3524 eher zufällig (erst wenn der 2200u leer wird) und nicht im Reglerkonzept enthalten, was sich bei nominalen Diodenströmen von 20A+ ev. recht unangenehm bemerkbar macht.... MiWi
Hallo, mit dem SG3524 hast Du bestimmt auch noch nichts aufgebaut. Hätte der TO doch etwas anderes verlangt. Und an Weihnachten nimmt man den TO ans Händchen und bringt ihm etwas bei. An Weihnachten ist Schimpfen verboten. Bietet man Dir Angriffsfläche nutzt Du sie sofort. Ich gehe jetzt Singen. Baut ihr, was ihr wollt, veraltet oder für Anfänger was neueres mit SMD-ICs. Unitrode ist auch nicht an nur einem Tag groß geworden. Du kannst jetzt weiter Schimpfen, ganz laut.
Christian S. schrieb: > Hallo, > > mit dem SG3524 hast Du bestimmt auch noch nichts aufgebaut. Oh doch, 1986 und 1987.... und darum kenn ich diese Krücke. Die Unitrode-Papers sind mir erst später zugeflogen, Internet war damals noch nicht so der Renner... > > Hätte der TO doch etwas anderes verlangt. > > Und an Weihnachten nimmt man den TO ans Händchen und bringt ihm etwas > bei. Richtig. Selbsterkenntnis durch nicht vorkauen von halbgaren Lösungen und wie im ersten Post schon genannt: mach was und zeige es her, dann reden wir weiter. Hubschrauberberatung spielt es nicht. > An Weihnachten ist Schimpfen verboten. Ach? > Bietet man Dir Angriffsfläche nutzt Du sie sofort. Sie muß mindestens "ich würde gerne... sucht mal für mich" und eine entsprechende Portion Größenwahn enthalten, sonst mag ich nicht. > > Ich gehe jetzt Singen. Baut ihr, was ihr wollt, veraltet oder für > Anfänger was neueres mit SMD-ICs. Unitrode ist auch nicht an nur einem > Tag groß geworden. > Du kannst jetzt weiter Schimpfen, ganz laut. Nö, ich zeige - etwas grantig - Grenzen von Vorschlägen auf und belege diese, damit vom TO ein Ausweg genutzt werden kann, schimpfen ist was ziemlich anderes. Frohes Fest MiWi
Lm5116 von Ti... Entsprechende Mosfet Drossel Kondensatoren und fertig....
No Y. schrieb: > Lm5116 von Ti... > Entsprechende Mosfet Drossel Kondensatoren und fertig.... Genau das lag in meinem Geschenk. Santa scheint da irgendwas vergessen zu haben - "it doesn´t work". Tja - ich hatte eh nicht dran geglaubt. ^^ "An Alle, an Alle! Diesseits und ... (...): Ein gesegnetes Weihnachtsfest!"
BITTE BITTE NUR ANTWORTEN WER ETWAS SINNVOLLES BEITARGEN KANN UND MAG!! DAS IST SO SCHWIERIG NICHT, EINFACH RAUSHALTEN WENN MAN NUR DUMM RUMLABERN WILL. DANKE Ich habe ja keine Ahnung aus welchem Zeitalter manche hier kommen, aber es gibt heute sehr schöne universal ICs mit denen sowas problemlos auch in einer solchen Leistungsklasse realisert werden kann von nicht Profis. Ich höre also raus 125khz oder etwas darüber wären ok, meine Info aus einem Buch vor längerer zeit waren, das viele kompakt ICs auch 400khz heutzutage problemlos einen Anfänger sowas ermöglichen. Das heir jeder aus einer einachen Dinge eine Wissenschaft macht ist ja nichts neues. da keine galvanische Trennung erforderlich ist, hält sich der Aufwand ebenfalls in Grenzen. Falls also noch jemand schöne gut erhältliche ICS spontan nennen kann, würde ich mich freuen. Wäre schön wenn wenigstes zur Weihnachtsszeit mal was brauchbares an Antowrten kommen würde. Erstmal danke für denn Lm5116, den werde ich mir mal ansehen und dabei stolper ich vielleicht über vergleichbare Chips. Und ich sehe schon der ist auch als nicht SMD erhältlich, das ist auch super (laut der ersten kommentare kaum erhätlich ist Unsinn, ich habe hier neben mir einen Wandler leigen, dessen ICs ebenfalls problemlos erhätlich sind)...
lol, ich sehe egrade das vorgeschlagene IC ist natürlich auch nur Dünschiss....was erwarte ich auch aus diesem Forum LOl.. Ich habe einfach zu viele Erwartungen in die Fähigkeiten der Leute hier gesetzt, ich muss meine Ansprüche weiter runter schrauben..lasst uns über LED ohne Vorwiderstände reden... Wer fängt an...
habe jetzt auf der LTC Seite schöne ICs gefunden sogar bereits mit fertigem Beispiel LAyout für 60 => 12V 30A Schon traurig das ein so trauriger Haufen wie hier versammelt ist, es nicht mal gebacken bekommt einfache brauchbare Antworten zu geben aber Zeit aht eine Dünnschissantwort nach der nächsten zu texten... Schon toll dieses Forum, ich suche wohl doch besser in den englischsprachigen nach brauchbaren Antwortet. Frohe Weihnachten und hoffentlich werdet ihr niemals Kinder groß ziehen
Ey warum ist der LM5116 Dünnschiss? Was passt dir an dem nicht? Damit kannst du genau das machen was du wolltest...
Wie bitte?? schrieb: > Ey warum ist der LM5116 Dünnschiss? Was passt dir an dem nicht? Damit > kannst du genau das machen was du wolltest... Weil aus "möglichst kein SMD" im ersten Post mittlerweile (vermutlich in dem Moment, wo er sich endlich wütendst als kürzlich angemeldeter User zu erkennen gab - siehe wechselnder Nick) "auf kein(st)en Fall SMD - SMD ist nämlich alles Dünnschiss (!)" wurde. Laß ihn lieber. Der ist grade auf 180, und lebt in seiner eigenen Welt.
Thomasopunkt? Lt. Profil noch nicht soo lange dabei und hast hiern großes Maul? Es gab einen "Thomas O.", und einer, der noch "Bastler" hintendran hieß. Sieh bloß zu, das ich da keine parallelen ziehe und halte den Ball flach! 21 A bei 14Volt macht man nicht ebenso mit "dicken FET und große Drossel". Schon gar nicht, wenn aus der Fragestellung des TO's eindeutig hervorgeht, das er Null Plan hat. Bei 20A würde ich vier kleinere Bucks im Zeit Versatz arbeiten lassen (interleaved). Das erfordert zusätzlich einen entsprechenden Controller, der das Timing übernimmt. Einfach ist das alles nicht. Das ebay-Angebot habe ich mir angesehen... Lassen sich diese Module synchronisieren? Dann nimm davon ein paar.
@Wie bitte?? ( ne ist kein Dünnschiss..mouser hatte erst ein für 173€ angezeigt...daher dachte ich gleich das es auch wieder so ein Sinnlosbeitrag ist. Schaue mir das Ic über die Feiertage mal an, klingt gut. Danke :-)
Bitte melde dich an um einen Beitrag zu schreiben. Anmeldung ist kostenlos und dauert nur eine Minute.
Bestehender Account
Schon ein Account bei Google/GoogleMail? Keine Anmeldung erforderlich!
Mit Google-Account einloggen
Mit Google-Account einloggen
Noch kein Account? Hier anmelden.
