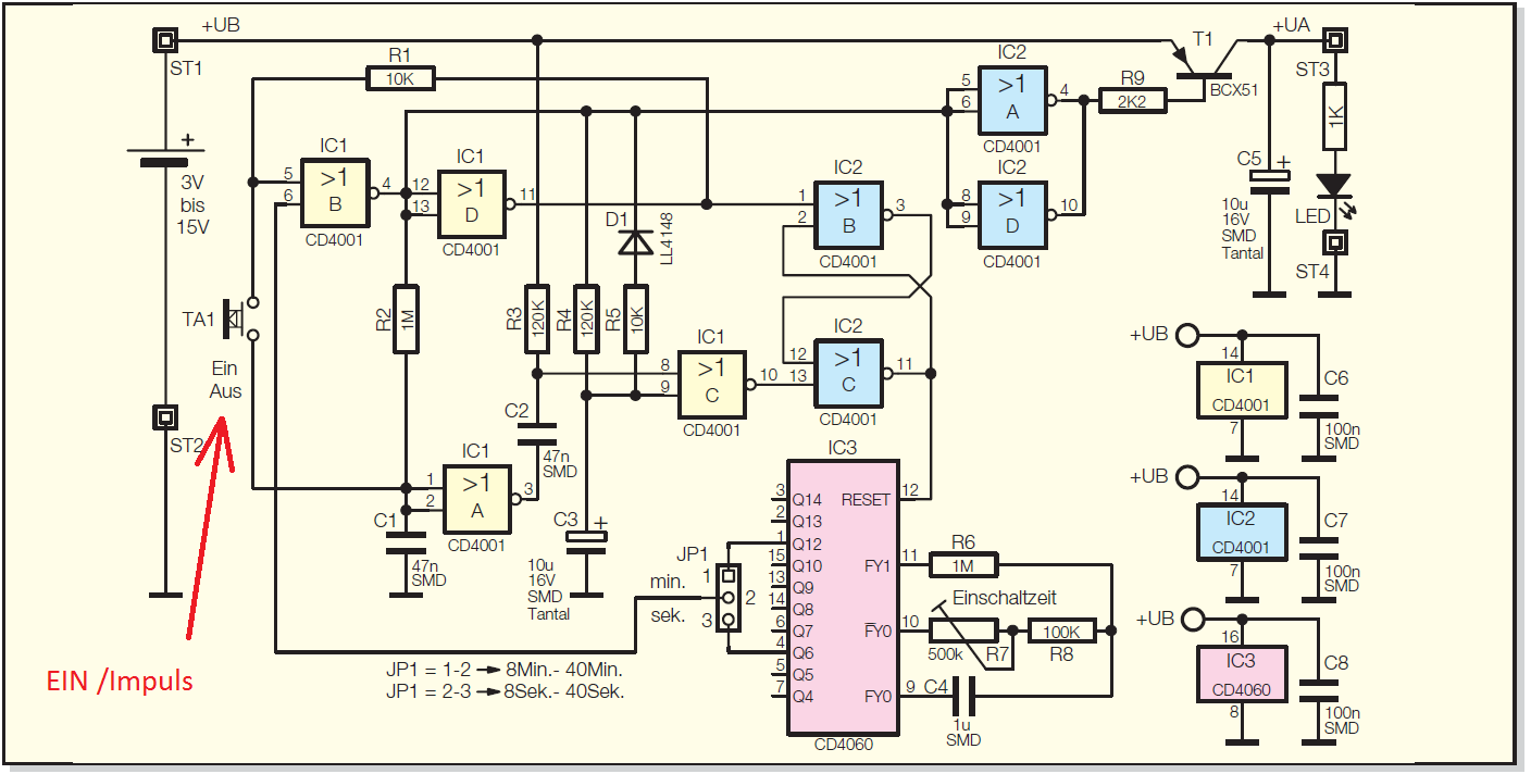
Hallo Zusammen, ich suche eine Lösung um einen Timer per Spannung zu aktivieren. Die Platine ist von SLV.AUf dem Bild ist der Taster eingezeichnet, aber in meinem Fall möchte ich mir ein Relais sparen und die Schaltung per Impuls auslösen. Kann jemand Helfen ? Danke und einen guten Rutsch zusammen Bernd
Aber eine mistige Schaltung ist das schon, vor allem die Tasterschaltung... Mit 4093 sehe das anders aus... Überhaupt ist der elektronische Aufwand ein Witz, das geht auch mit viel weniger Bauteilen... Guten Rutsch!
optokoppler habe ich schon gehabt ! Ging aber leider nicht immer. Gerne nehme ich auch eine andere fertige Timer Platine. Bin um jeden Tip Dankbar
hier wird für das gleiche Problem eine Lösung gesucht: http://forum.electronicwerkstatt.de/phpBB/Elektrische_Probleme/timer_schaltung_per_impuls_aktivieren-t147342f6_bs0.html
Es wäre leichter dir zu helfen, wenn du ein paar mehr Informationen lieferst: - wie hoch ist die Versorgungsspannung? - wie hoch ist die Spannung des Impulses? - wie lang ist der Impuls? Aus dem anderen Thread ist erkennbar, dass der Impuls offenbar Schwierigkeiten macht, da er kurz ist. - wie lang soll die Last nach dem Impuls eingeschaltet werden (min/max) - wie genau soll der Timer sein? - wie viel Strom zieht die Last max.? - ist die Schaltung für indoor oder outdoor gedacht (Temperaturbereich). - und: wie viel Strom darf die Schaltung max. ziehen (standby)
Hallo, > Kurt A. schrieb: > hier wird für das gleiche Problem eine Lösung gesucht: > http://forum.electronicwerkstatt.de/phpBB/Elektrische_Probleme/timer_schaltung_per_impuls_aktivieren-t147342f6_bs0.html gleicher Fragesteller und das gleiche Problem: Die Hintergründe sind geheim und werden nur nach sehr vielen Anfragen in winzigen Häppchen freigegeben. Oder wie es dort ein Teilnehmer schreibt: "Muss man dir jeden Poppel einzeln aus der Nase ziehen!" - Über den Zweck der Schaltung weiß man nix. - Über die Quelle und Art des Impulses weiß man nix. - Warum ein Relais nicht genommen werden soll, weiß man nix. - Warum der Optokoppler nicht gehen soll, ist unklar. - Welchen von den 2 auf dem Markt befindlichen Kopplern er ausprobiert hat und wie er das gemacht hat, weiß man nicht.
U. M. schrieb: > - Warum ein Relais nicht genommen werden soll, weiß man nix. Das immerhin hat er in dem anderen Thread beantwortet: "Mit einem Relais habe ich es schon getestet. Funktioniert aber sehr unzuverlässig, da der Impuls zu schnell ist."
Mani W. schrieb: > Aber eine mistige Schaltung ist das schon, 1 MegOhm / 47nF an einem LOGIK-Eingang CD4001, ab da habe ich aufgehört, weiter zu denken.
Ich wäre für so einen: http://docs-europe.electrocomponents.com/webdocs/13a1/0900766b813a1e60.pdf Allgemein gesehen zumindest. Auch wenn die Antwort in diesem Fall hier vermutlich nix mehr bringt.
Manfred schrieb: > 1 MegOhm / 47nF an einem LOGIK-Eingang CD4001, ab da habe ich aufgehört, > weiter zu denken. Da hast Du gut getan... Frage an den TO: Woher ist diese "Schaltung"?
Bitte melde dich an um einen Beitrag zu schreiben. Anmeldung ist kostenlos und dauert nur eine Minute.
Bestehender Account
Schon ein Account bei Google/GoogleMail? Keine Anmeldung erforderlich!
Mit Google-Account einloggen
Mit Google-Account einloggen
Noch kein Account? Hier anmelden.
