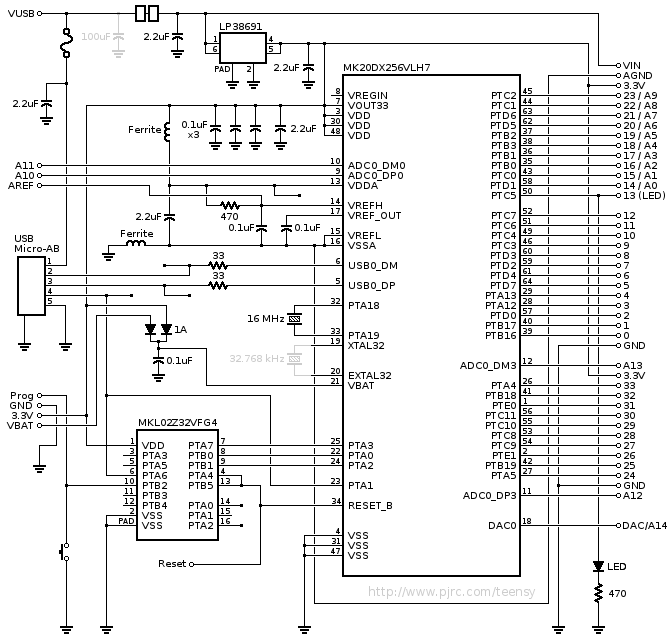
Hallo, Ich überlege einen Teensy3.2 (https://www.pjrc.com/store/teensy32.html) in einem batteriebetriebenen Gerät einzusetzen. Hierbei sollte jedoch auch der USB Port nutzbar bleiben, für die Konfiguration, idealerweise auch ohne Batterie. Laut PJRC soll man an Vin max. 5.5V anlegen, der verbaute Linearregler (http://www.ti.com/product/LP38691) "kann" aber eigentlich 2.7V bis 10V. Wäre es also OK, die 5V Zuleitung wie "vorgesehen" (siehe angehängten Schaltplan) aufzutrennen und eine SMD Schottky Diode einzufügen, um auch mehr als 5.5V einzuspeisen, etwa aus 2x3.6V in Reihe? Vielen Dank! Markus
Markus A.A. schrieb: > Laut PJRC soll man an Vin max. 5.5V anlegen, der verbaute Linearregler > (http://www.ti.com/product/LP38691) "kann" aber eigentlich 2.7V bis 10V. Theoretisch schon. Praktisch gibts Hindernisse: - Die Verlustleistung am Regler steigt. Überhitzt der Regler? - Da sind Kondensatoren drin, halten die das auch aus? Das wäre zu klären. Bedenke auch, dass zwei volle LiPos 2x4,1V haben, nicht 2x3,6V, falls du darauf hinaus willst.
Hängt davon ab ob -an vin noch mehr abgeschlossen ist -Die Kondensatoren die entsprechende Spannungsfestigkeit aufweisen -Der Spannungsregler die erhöhte Verlustleistung abführen kann Das zweite kannst du bei smd Kondensatoren nicht feststellen. Da hilft nur ausprobieren oder austauschen. Eine Sicherung nach der Batterie wäre nicht verkehrt. Und du solltest auf jeden Fall nach der Diode einspeisen, damit die höhere Spannung nicht an der USB Buchse anliegt.
avr schrieb: > Hängt davon ab ob > -an vin noch mehr abgeschlossen ist Nein, nichts > -Die Kondensatoren die entsprechende Spannungsfestigkeit aufweisen Schwer zu sagen. Aber ich habe noch nie welche mit weniger als 16V gesehen!? > -Der Spannungsregler die erhöhte Verlustleistung abführen kann Sitzt ganz normal auf der Platine... und die entnommene Leistung sollte kaum über 50mA gehen, der Regler schafft 500mA > > Das zweite kannst du bei smd Kondensatoren nicht feststellen. Da hilft > nur ausprobieren oder austauschen. Eine Sicherung nach der Batterie wäre > nicht verkehrt. OK > > Und du solltest auf jeden Fall nach der Diode einspeisen, damit die > höhere Spannung nicht an der USB Buchse anlieg Das wäre ja der Fall, wenn ich sie auf die PAds löten würde, eine Zweite noch in die Batterieleitung.
Markus A.A. schrieb: >> -Die Kondensatoren die entsprechende Spannungsfestigkeit aufweisen > Schwer zu sagen. Aber ich habe noch nie welche mit weniger als 16V > gesehen!? was heißt "schwer zu sagen"? (und es gibt durchaus Elkos mit weniger als 16V)
Hm, da sind soweit ersichtlich Kerkos verbaut, aber in der Tat gibts die auch mit weiniger als 16V Spannungsfestigkeit, das stimmt. Betroffen wäre wohl ein 2.2uF. Würde ich notfalls tauschen oder mal versuchen, beim Hersteller mehr rauszubekommen. Dazu habe ich noch diesen Thread gefunden: https://forum.pjrc.com/threads/32456-Teensy-3-2-MAX-VIN Demnach würde ich mir bei meiner eher geringen Stromaufnahme eher weniger sorgen machen.
Markus A.A. schrieb: > Demnach würde ich mir bei meiner eher geringen Stromaufnahme eher > weniger sorgen machen. Du sollst rechnen, nicht sorgen. Sonst kannst du deine Platine bald entsorgen ;-) Das Datenblatt sagt wie: http://www.ti.com/lit/ds/symlink/lp38691.pdf Wir haben 0,25A und 8,1V (deine Akkus, die sind auch mal voll): P=0,25A * (8,1V-3,3V) = 1,2W Das Package nehmen wir mal als SOT-223 an, da steht 68,5K/W im Datenblatt. Dann wird er so heiß: T=Rth*P = 68,5K/W * 0,48W = 82,2°C Das heißt: Bei 25° Umgebungstemperatur hat er dann 107°. Pfff, Autsch. Kaputt wirds zwar vermutlich nicht, aber sehr heiß schon. Andere Packages sind etwas besser, aber ob das mit 90° oder 110° herumglimmt, ist Jacke wie Hose.
Hurra, danke für die Mühe das alles zusammenzusuchen. Allerdings würde ich max. 50mA verbraten, eher 27mA. Somit lande ich bei nur einem Fünftel der von dir berechneten Verlustleistung. Hast du bei der Temperaturberechnung mit 100mA gerechnet?
Bitte melde dich an um einen Beitrag zu schreiben. Anmeldung ist kostenlos und dauert nur eine Minute.
Bestehender Account
Schon ein Account bei Google/GoogleMail? Keine Anmeldung erforderlich!
Mit Google-Account einloggen
Mit Google-Account einloggen
Noch kein Account? Hier anmelden.
