Hallo Schwarmintelligenz, leider lässt sich die Typenbezeichnung dieses Thyristors nur bedingt gut googlen, ich finde daher keine Bezugsquelle. Um mir einen Alternativtypen auszusuchen, fehlen mir leider die Kenntnisse im Bereich der Thyristoren. Ich vermute, daß der Thyristor hohe Peakströme aushalten kann/muss, wüsste aber nicht worauf ich sonst achten muss :( Datenblatt findet sich hier: http://pdf1.alldatasheet.com/datasheet-pdf/view/25554/STMICROELECTRONICS/TYP212.html Die Schaltung in der er Verwendung finden soll ist diese hier: http://forum.arcadecontrols.com/index.php?action=dlattach;topic=46549.0;attach=20913 Wäre super, wenn mir jemand helfen könnte. Den Verursacher des Thyristortods habe ich (vermutlich) auch schon ausgemacht. Ich habe exakt das Fehlerbild, das hier beschrieben ist: http://forum.arcadecontrols.com/index.php?topic=46549.0 Vielen Dank schonmal für eure Hilfe, Thorax
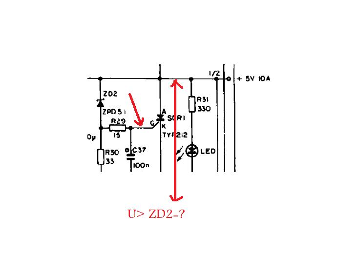
Der Thyristor kann eigentlich nur Überspannung verhindern. Wenn die Zenerspannung der 5,1V-Diode plus Thyristorschwelle überschritten sind, schließt er den Ausgang kurz. Ein Überstrom, wie ihn ein kurzgeschlossener Lüfter verursacht, löst ihn nicht aus. Entweder die Regelung hat einen Defekt, oder es kommt vom Lüfter her einen höhere Spannung.
Okay... Vielleicht wärs dann doch nicht so doof einfach das komplette Netzteil zu tauschen? Ich werd das nochmal überprüfen. Die 5V kann man auch per Poti noch feintrimmen. Wenn also mehr als 5,1V + 1,5V (Vgt) anliegen, dann schließt der Thyristor den Ausgang kurz? Regelung defekt heißt, ich müsste auch noch andere Komponenten überprüfen? @Hinz: Der MCR69-3 hat 100V Umax. Das sind nur die Hälfte vom TYP212... :-/ Aber die Ströme passen...
M. H. schrieb: > @Hinz: Der MCR69-3 hat 100V Umax. Das sind nur die Hälfte vom TYP212... > :-/ Immer noch weit mehr als die lausigen 5V. > Aber die Ströme passen... Eben.
Bei Deiner Fragestellung wäre ein neues Netzteil die schnellere Lösung. M. H. schrieb: > Regelung defekt heißt, ich müsste auch noch andere Komponenten > überprüfen? So ist es. Der Thyristor wurde wahrscheinlich nur wegen überhöhter Spannung gezündet und geopfert! Wenn Du die Ursache nicht findest, wirst Du noch viele Thyristoren tauschen oder die Folgeschaltung killen.
Noch eine Verständnisfrage: Wie kann ich den Thyristor überprüfen? Nur weil er mal heiß wurde, heißt das ja noch nicht, daß er defekt ist, oder? Hab keine Aufplatzer am Gehäuse festgestellt. Wenn ich das richtig sehe ist das also nur eine Absicherung für alles was an der 5V-Schiene hängt?
M. H. schrieb: > Wie kann ich den Thyristor überprüfen? http://www.dse-faq.elektronik-kompendium.de/dse-faq.htm#F.13.1 > Nur weil er mal heiß wurde, heißt > das ja noch nicht, daß er defekt ist, oder? Muss nicht defekt sein. > Hab keine Aufplatzer am > Gehäuse festgestellt. Das sagt nichts aus. > Wenn ich das richtig sehe ist das also nur eine > Absicherung für alles was an der 5V-Schiene hängt? Ja.
M. H. schrieb: > Nur weil er mal heiß wurde, heißt > das ja noch nicht, daß er defekt ist, oder? Hab keine Aufplatzer Klares JEIN für einen niedlichen TO220-Typ bei 10A für einige Zeit. Wir kennen weder Zeit noch Kühlung. 5V*10A=50W Prüfe selbst ob er noch richtig funktioniert.
Sooo.... das Netzteil läuft wieder. Fehlerursache waren kalte Lötstellen an den 11W/9W Leistungswiderständen. Diese wurden "stehend" verbaut und hatten sich losgewackelt. Der Thyristor hat außerhalb der Schaltung keine Auffälligkeiten gezeigt und in der Schaltung genau das gemacht was er sollte: Die Arcadeplatine vor Überspannung geschützt. Jetzt muss ich nur noch das Chassis der Röhre mit neuen Elkos bestücken. Da such ich mir aber lieber einen altgedienten Fernsehtechniker. Das ist mir zu "heiß" :D Herzliches Danke an alle!
Bitte melde dich an um einen Beitrag zu schreiben. Anmeldung ist kostenlos und dauert nur eine Minute.
Bestehender Account
Schon ein Account bei Google/GoogleMail? Keine Anmeldung erforderlich!
Mit Google-Account einloggen
Mit Google-Account einloggen
Noch kein Account? Hier anmelden.
