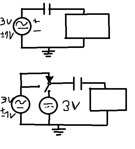
Hi, Ich habe in 2V PP Sinus Signal mit einem 3V DC offset. Dieses Signal wird über einen Kondensator in den Rest der Schaltung gekoppelt. Das Sinus Signal wird nur periodisch (sagen wir 2ms an, 2ms aus) betrieben und ist bei nicht-betrieb auf Ground (d.h. auch kein DC offset mehr). Ich habe das Problem, dass in der Schaltung beim ab und anschalten des Sinus Signals scheinbar Ladevorgänge stattfinden, was ich auf den Kondensator schiebe. Ich kann weder etwas an dem Kondensator, noch an dem Sinus-Signal ändern. Meine (digitaltechniker) Idee war, das Sinus-Signal als Steuer Spannung für einen elektronischen Schalter zu verwenden, der bei >0V das Sinus Signal, bei 0V eine 3V Spannung einer anderen Spannungsquelle anlegt, um zu verhindern, dass der kondensator sich entläd. Ich habe u.a. an einer Realisierung mit MOSFETS rumüberlegt, bin aber noch auf keinen grünen Zweig gekommen. Bin dankbar für alle Ideen :) Wenn jemand eine bessere Idee hat, die z.B. vllt keine zweite Spannungsquelle beinhaltet, bin ich auch absolut offen dafür.
Zunächst müsste man mal klären, für welches Problem Deine Idee eine Lösung ist. Was ist daran nachteilig, wenn da beim Ab- und Anschalten des Sinussignales Lade- bzw. Entladevorgänge stattfinden? An was ist der Kondensator angeschlossen?
Das ganze ist Teil eines Messaufbaus. Gemessen wird immer innerhalb der 2ms, in denen das Sinussignal anliegt. Die (Ent-)Ladevorgänge sind blöd für die Messung :/
Nun, noch besser wäre es ausführlicher, jedenfalls meiner Ansicht nach. Vieles mag sich nachher als irrelevant erweisen, aber das weiß man eben erst nachher. So muss man jetzt erst mal nachfragen und nachfragen. Falls der Kondensator, der S&H-Kondensator eines AD-Wandlers ist, wird sich der eigentlich nicht wesentlich aus der Bereich von 2 bis 4V bewegen. Du schreibst er tut es doch, aber wie sieht die Schaltung denn aus? Was ist die Last an dem Kondensator? Oder falls das nicht der S&H-Kondensator ist, welchem Zweck dient er dann?
Oh. Der Kondensator ist Teil eines Hochpasses, 4,7nF. Möglichst klein gewählt um das 40kHz Signal durchzulassen und den DC offset rauszufiltern. Ich werde mal zusehen, dass ich eine Komplettere Schaltungsskizze anfertige.
Patrick R. schrieb: > Oh. Der Kondensator ist Teil eines Hochpasses, 4,7nF. Möglichst klein > gewählt um das 40kHz Signal durchzulassen und den DC offset > rauszufiltern. Das ist eine blöde Idee<tm>. Zumal das ja eigentlich kein Offset ist, sondern mit ein- und ausgeschaltet wird. Tatsächlich hast du da am Eingang eine Überlagerung aus einem 250Hz Rechteck mit 3V Amplitude und deinem Meßsignal. Ich hätte das ja einfach direkt abgetastet, ohne den Kondensator dazwischen. Die Meßspannung liegt dann zwischen 2V und 4V und kann mit einem ADC der zwischen 0V und 4V mißt, gut erfaßt werden. Du verlierst nur 1 Bit Auflösung im Vergleich zur optimalen Verschiebung des Signals in den Eingangsbereich des ADC. Welche Frequenz hat denn dein Meßsignal? Wenn du es per Filter von den 250Hz trennen willst, darf es nicht zu niederfrequent sein.
Axel S. schrieb: > Welche Frequenz hat denn dein Meßsignal? Guggst Du einen Post über Deinem und in Deinem Zitat!
Bitte melde dich an um einen Beitrag zu schreiben. Anmeldung ist kostenlos und dauert nur eine Minute.
Bestehender Account
Schon ein Account bei Google/GoogleMail? Keine Anmeldung erforderlich!
Mit Google-Account einloggen
Mit Google-Account einloggen
Noch kein Account? Hier anmelden.
