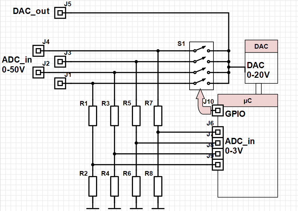
Hallo, Folgendes Ausgangsproblem: Ich hab einen 8-Kanal ADC mit einem vorgeschaltetem Spannungsteiler (Verhältnis 1:15). Der ADC kann dementsprechend Messungen bis knapp 50V durchführen (hinter dem Spannungsteiler ist der Maximalwert dann irgendwo unter 3,3V). Des weiteren hab ich einen 2-Kanal DAC der Werte bis ca. 20V ausgeben kann. Nun soll das System einen Selbsttest durchführen können (der Grund dafür ist etwas seltsam, aber es soll halt so sein ;-) ) Das heißt: Jeweils vier ADC-Channel sollen auf einen DAC-Channel geschalten werden. Dann werden die Messergebnisse ausgewertet. (Währenden dem Selbsttest liegen natürlich keine externen Spannungen am ADC an). Im Anhang ist ein kleines Prinzipschaltbild für eine DAC-Channel und vier ADC-Channel (das ganze wäre also noch doppelt). Das Problem ist nun das "dynamische Zusammenschalten". Steuern würde ich das ganze gerne über einen GPIO (0V/3.3V). Im Normalzustand (kein Selbsttest) sollen sich ADC und DAC nicht gegenseitig beeinflussen, egal welche Spannungskombinationen anliegen. Beim Selbsttest sollten ADC und DAC möglichst ohne Qualitätsverluste verbunden sein. Die DAC-Spannung beim Selbsttest ist relativ egal, sollten aber optimaler weise 2-3 verschiedene Werte sein. Welches Schaltelement soll ich zum Zusammenschalten am Besten verwenden (bzw. wie soll es beschaltet werden)? Ich bin leider überhaupt kein Experte was MOS-FET's, Bip-Transistor und Dergleichen angeht, deshalb wäre ich froh, wenn ihr mir ein paar wichtige Eckdaten angeben könnten, auf die ich achten müsste (falls sowas in überhaupt in Frage kommt). Danke im Voraus! Schöne Grüße waelder
waelder schrieb: > deshalb wäre ich froh, wenn ihr mir ein paar > wichtige Eckdaten angeben könnten, auf die ich achten müsste Das geht ja aus deiner Schaltung schon hervor: die Schalter müssen 50 V vertragen, und dazu was sonst noch so auf den externen Leitungen passieren kann. Die Schalter sind ja der Umwelt direkt ausgesetzt und nicht wie die ADC-Eingänge durch Widerstände geschützt. Damit scheiden viele integrierte Halbleiterschalter schon mal aus. Am problemlosesten wären wohl Reedrelais. Nebenbei bemerkt, wenn ADC und DAC die gleiche Referenzspannungsquelle verwenden, ist der Selbsttest nur bedingt aussagefähig. Georg
Danke für die schnellen Antworten. Eigentlich wollte ich auf mechanische Bauteile verzichten. Relais wären also nur eine Notfall-Lösung. Zum Thema Umwelteinflüsse: Das Gerät wird im ESD-Geschützten-Laborbereich eingesetzt. Die höchsten vorkommenden Spannungen sind ~35V, bis 50V ist also noch etwas Reserve. Dementsprechend kann ich solche Einflüsse also fast ausschließen. Das Gerät hat natürlich zwei Referenzspannungsquellen ;-) Trotzdem danke für die Antworten.
Flachpfeife schrieb: > natürlich ? "Natürlich" ist vielleicht etwas unpassend ausgedrückt. Die ADCs liefert der Microcontroller, der eine interne Referenzquelle besitzt. Der DAC ist ein seperater Baustein, der speziell für höhere Spannungen ausgelegt ist und per I2C angesteuert wird. Dieser hat eine 20V-Referenzquelle (bin mir aber grad nicht mehr sicher ob es genau 20V sind, aber zumindest sowas in die Richtung)
Bitte melde dich an um einen Beitrag zu schreiben. Anmeldung ist kostenlos und dauert nur eine Minute.
Bestehender Account
Schon ein Account bei Google/GoogleMail? Keine Anmeldung erforderlich!
Mit Google-Account einloggen
Mit Google-Account einloggen
Noch kein Account? Hier anmelden.
