Hi, folgende Überlegung: Am opamp Eingang (nichtinvertierend +): kleine Spannung liegt an -> Ausgang : höhere Spannung Stimmt es dann also, dass , da die Verstärkung von U und I sehr stark ist, der Verstärker (ich meine operationsverstärker) erstmal (ich würde fast schon sagen) übersteuert, und dann durch die Beschaltung (Spannungsteiler aus RS nach GND und mit R nach invertierender Eingang -) der hohen Verstärkung entgegenwirkt und diese so begrenzt..? Würde mich mal interessieren... Viele Grüße und Danke Pascal
Pascal S. schrieb: > Am opamp Eingang (nichtinvertierend +): kleine Spannung liegt an > -> Ausgang : höhere Spannung Nur wenn der invertierende Eingang eine kleinere Spannung hat. > Stimmt es dann also, dass , da die Verstärkung von U und I sehr stark > ist, der Verstärker (ich meine operationsverstärker) erstmal (ich würde > fast schon sagen) übersteuert, und dann durch die Beschaltung > (Spannungsteiler aus RS nach GND und mit R nach invertierender Eingang > -) der hohen Verstärkung entgegenwirkt und diese so begrenzt..? > Würde mich mal interessieren... Ja (unter der Annahme, dass RS zwischen invertierendem Eingang und GND liegt). Zusammengefasst: die reale Verstärkung wird durch die Beschaltung eingestellt.
OK Danke Kann man den Operationsverstärker nicht auch einfach aus Differenzverstärker und Gegentaktendsstufe diskret aufbauen?
Pascal S. schrieb: > Kann man den Operationsverstärker nicht auch einfach aus > Differenzverstärker und Gegentaktendsstufe diskret aufbauen? Doch. Ist aber teuer. Und es wird ein schlechter Operationsverstärker, weil du schon keine exakt gleichen Transistoren in der Differenzstufe hast.
Pascal S. schrieb: > Kann man den Operationsverstärker nicht auch einfach aus > Differenzverstärker und Gegentaktendsstufe diskret aufbauen? Ja, aber was ist da "einfach"?
Lothar M. schrieb: > Pascal S. schrieb: >> Kann man den Operationsverstärker nicht auch einfach aus >> Differenzverstärker und Gegentaktendsstufe diskret aufbauen? > Doch. Ist aber teuer. Und es wird ein schlechter Operationsverstärker, > weil du schon keine exakt gleichen Transistoren in der Differenzstufe > hast. Das stimmt, aber wenn es um Audiosignale geht ist der Unterschied glaube ich nicht relevant. Außerdem könnte man die opamps für kleinere Betriebsspannungen einsatzfähig machen
Pascal S. schrieb: > OK > Danke > Kann man den Operationsverstärker nicht auch einfach aus > Differenzverstärker und Gegentaktendsstufe diskret aufbauen? Richtig gute Eigenschaften hat der dann nicht, aber das geht, ja. Gibt diverse Audioverstärkerschaltungen die nen minimalen Differenzverstärker als Eingangsbeschaltung haben um Nichtlinearitäten in der Endstufe per Gegenkopplung wieder rauszubekommen. Nen OPV Ic zu verwenden ist meistens sinnvoller. Aber son Audiophiles Ohr hört halt raus ob da eine diskrete BJT Differenzverstärker-Eingangsstufe verbaut ist oder ein NE5532.
Könnte man einen Operationsverstärker auch mit einem Differenzverstärker in der Emitterfolger-Beschaltung verwenden?
Pascal S. schrieb: > Könnte man einen Operationsverstärker auch mit einem > Differenzverstärker > in der Emitterfolger-Beschaltung verwenden? Könnte man ein Auto auch mit einem Ottomotor in Vergaserausführung verwenden? Schaltplan wäre jetzt vielleicht hilfreich. Frage ist völlig unverständlich.
Pascal S. schrieb: > Könnte man einen Operationsverstärker auch mit einem Differenzverstärker > in der Emitterfolger-Beschaltung verwenden? Gegenfrage: Warum willst du auf Teufel-komm-raus einen Opamp diskret aufbauen? https://www.mikrocontroller.net/articles/Differenzverst%C3%A4rker#Diskreter_Aufbau Da wird die Thematik und die Probleme eines diskret aufgebauten Opamps erläutert.
Pascal S. schrieb: > Lothar M. schrieb: >> Pascal S. schrieb: >>> Kann man den Operationsverstärker nicht auch einfach aus >>> Differenzverstärker und Gegentaktendsstufe diskret aufbauen? >> Doch. Ist aber teuer. Und es wird ein schlechter Operationsverstärker, >> weil du schon keine exakt gleichen Transistoren in der Differenzstufe >> hast. > Das stimmt, aber wenn es um Audiosignale geht ist der Unterschied glaube > ich nicht relevant. Kommt auf die Schaltung an. Bei vielen Audio-Schaltungen ist Gleich- spannung am Ausgang (oder Eingang) nicht tolerierbar. Die sind dann also durchaus auch anfällig für Offset-Spannungen. Und eben die fängt man sich durch schlecht gepaarte Transistoren ein. > Außerdem könnte man die opamps für kleinere > Betriebsspannungen einsatzfähig machen Wie jetzt? Für noch kleinere? Du kriegst heute problemlos OPV, die bei 1.8V Betriebsspannung funktionieren. Früher (und damit meine ich vor ~30 Jahren) hat man tatsächlich diskrete OPV für Audio-Anwendungen gebaut. Denn damals gab es noch keine OPV mit guten Eigenschaften für Audio (vor allem wenig Rauschen). Diese Zeit ist aber lange vorbei. Die Auswahl an OPV ist heutzutage dermaßen breit, daß man für nahezu jede Anwendung einen findet, der einen diskreten Aufbau bei weitem schlägt. Ausnahmen findet man im Bereich sehr hoher Spannungen (Piezo-Treiber) oder hoher Ströme (NF-Endstufen).
Axel S. schrieb: > Du kriegst heute problemlos OPV, die bei 1.8V Betriebsspannung > funktionieren. Den TLV278X gibts schon seit der Jahrtausendwende... Pascal S. schrieb: > Könnte man einen Operationsverstärker auch mit einem Differenzverstärker > in der Emitterfolger-Beschaltung verwenden? Der Differenzverstärker ist prinzipiell ein Emitterfolger: zwei Transistoren, die auf einen gemeinsamen Lastwiderstand (bzw. eine Stromquelle) arbeiten. > Könnte man einen Operationsverstärker auch mit einem Differenzverstärker > in der Emitterfolger-Beschaltung verwenden? Zeig doch mal mit einem Schaltplan, der weltweiten Sprache der Elektronik, was du da jetzt meinst.
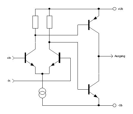
Dieses Bild zeigt einen normalen Operationsverstärker. Könnte man die Einzelwiderstände an den Emitter legen und die Konstantstromquelle (man könnte sich anstelle dessen ja dort einen R vorstellen) an den Kollektor legen?
Pascal S. schrieb: > Dieses Bild zeigt einen normalen Operationsverstärker. Wo beide Endtransistoren direkt hopps gehen werden. > Könnte man die Einzelwiderstände an den Emitter legen und die > Konstantstromquelle (man könnte sich anstelle dessen ja dort einen R > vorstellen) an den Kollektor legen? Dann ist es kein Differenzverstaerker mehr. Das Hauptmerkmal eines Diff_AMP ist es ja gerade einen gemeinsamen Emitterwiderstand bzw. Stromquelle zuhaben. Die beiden Transistoren sorgen dafuer das der konstante Strom durch den Emitterwiderstand / Stromquelle sich je nach aussteuerung des einen oder anderen Transistors auf die beiden Kollektorstroeme sich aufteilt. IC1 + IC2 = IRE
Pascal S. schrieb: > Dieses Bild zeigt einen normalen Operationsverstärker. Nein. Pascal S. schrieb: > ist natürlich sehr vereinfacht Einstein wird folgendes Zitat zugeschrieben: "Ich bin dafür, die Dinge so weit wie möglich zu vereinfachen. Aber nicht weiter." Das o.g. Schaltbild verstößt klar gegen den zweiten Satz. Denn es vereinfacht die Schaltung so weit, daß sie funktionsunfähig wird. Im Artikel Differenzverstärker: Diskreter Aufbau ist eine Schaltung, die sehr nahe am Minimum ist. Alternativ schau dir die Innenschaltung klassischer OPV an, z.B. LM324.
Hier mal noch eine Schaltung eines diskret aufgebauten OPV für die Verwendung in Audio-Schaltungen. Die stammt aus einem jener 30 Jahre alten Bücher (dieses ist von 1986)
Bitte melde dich an um einen Beitrag zu schreiben. Anmeldung ist kostenlos und dauert nur eine Minute.
Bestehender Account
Schon ein Account bei Google/GoogleMail? Keine Anmeldung erforderlich!
Mit Google-Account einloggen
Mit Google-Account einloggen
Noch kein Account? Hier anmelden.

