Mein erster Thread wird chaotisch, darum hier neu ;) Ich möchte diesen Bausatz (siehe Schaltplan) https://www.luedeke-elektronic.de/de/Elektronik-Bausaetze/Lichteffekte/Innenlicht-Verzoegerung-Ausschaltverzoegerung-KFZ-12V-DC-B1115.html so modifizieren, dass er anstelle eines Türkontakts mit einem Schaltplus angesteuert werden kann. Vorhanden: Masse, Dauerplus, Schaltplus (schwach) Ziel: Der Bausatz soll zwischen dafür sorgen, dass der Verbraucher am Dauerplus nur Strom bekommt, wenn Schaltplus anliegt, mit einer Nachlaufzeit von einigen Sekunden. Also dass am Schluss aus Dauerplus sozusagen Schaltplus mit Nachlaufzeit wird. Ist diese Modifikation möglich? Wenn Ja, wie muss ich den Schaltplan anpassen? Gruss Rafa
Du kannst statt des Schaltkontaktes einfach einen Kleinleistungs-npn-Transistor (BC547 z.B) mit entsprechend dimensioniertem Vorwiderstand verwenden. Legst du dort dein "Schaltplus" an, wird der gleiche Effekt erzielt, als würde sich der Schalter schließen (CE-Spannung vernachlässigt). Was du dann damit anfangen willst, erschließt sich mir nicht ganz. Ob dein Türkontakt aber ein Öffner oder Schließer ist, erschließt sich mir leider auch nicht.
Danke für den Vorschlag erstmal!!! So was in der Art habr ich mir gedacht > Was du dann damit anfangen willst, erschließt sich mir nicht ganz. Ich erhoffe mir davon, dass ich diese Schaltung dafür verwenden kann, ein Netzteil (12v auf 5v mit drehen des Zündschlüssels (Schaltplus kriegt Spannung) anzuschalten, beim Zurückdrehen des Zündschlüssels (Schaltplus weg) noch ein paar Sekunden anzulassen und dann abzuschalten. > Ob dein Türkontakt aber ein Öffner oder Schließer ist, erschließt sich mir > leider auch nicht. Bei mir ist kein Türkontakt im Spiel, ich gehe aber davon aus, dass der Türkontakt im Schaltplan beim Öffnen der Tür Strom fliessen lässt, damit die Beleuchtung angehen würde. Das wäre die Funktion, die auch das Schaltplus erfüllen müsste, d.h. Bei Spannung auf dem Schaltplus muss auch Spannung auf dem Verbraucher sein.
Wenn sich der Türkontakt schließt, sobald die Tür offen ist (der Kontakt
ist ein Öffner, der bei geschlossener Tür öffnet), dann solltest du das
so verwenden können. Dein Schaltplus ("Zündung ein") geht an, sobald der
Schlüssel gedreht wurde und demzufolge wird der npn durchgesteuert.
Ist die Zündung aus, sperrt Q2 und es fließt kein Basisstrom. Die 16 uA
Strommaufnahme bei 25°C, die der IC permanent aus dem Dauerplus zieht,
sollten für deine Batterie auch kein Problem darstellen. Um auf Nummer
Sicher zu gehen, kannst du die gesamte Schaltung ja noch über einen
kleinen Schalter abschaltbar machen, um sie komplett vom Bordnetz zu
trennen, wenn das Auto längere Zeit stehen sollte.
Kleiner Nachtrag noch: Es macht sicher Sinn, den geschalteten Pluseingang über eine Diode und einen Kleinen Elko, ggf. noch einen Kerko parallel abzublocken, um die Schaltung vor Transienten zu schützen, die im Auto gerne mal auftreten.
Hi Patrick Vielen Dank für deine Bemühungen. Hat leider nicht geklappt, was aber wahrscheinlich an mir und nicht am Bausatz lag :-/
Alternativ kannst du auch einfach ein 12-Volt-Relais nehmen, dessen Spule du aus dem Zündungsplus speist. Am besten nimmst du eins mit einem Wechslerkontakt, dann kannst du damit je nach Anschluss einen Öffner oder einen Schließer realisieren. Hast du den Bausatz zerschossen oder geht nur die Transistorlösung nicht? Das kannst du ja einfach testen, indem einen Schalter anlötest oder noch einfacher, zwei kurze Stücken Litze, die du aneinander hälst, um einen Türkontakt zu simulieren. Eine solche Schaltung kannst du auch einfach recht mit wenigen Bauelementen auf Lochraster aufbauen, wenn du willst und die nötigen Bauelemente hast. Lösungen mit einem 555, Komparatorschaltungen, die ein RC-Glied auswerten, sogar Schaltungen nur aus diskreten Widerständen, Transistoren, Kondensatoren und Dioden sind möglich. Auch hier führen viele Wege nach Rom.
Patrick schrieb: > Alternativ kannst du auch einfach ein 12-Volt-Relais nehmen, dessen > Spule du aus dem Zündungsplus speist. Am besten nimmst du eins mit einem > Wechslerkontakt, dann kannst du damit je nach Anschluss einen Öffner > oder einen Schließer realisieren. Hatte keinen Transistor da, darum war genau das mein Plan. > Hast du den Bausatz zerschossen oder geht nur die Transistorlösung > nicht? Das kannst du ja einfach testen, indem einen Schalter anlötest > oder noch einfacher, zwei kurze Stücken Litze, die du aneinander hälst, > um einen Türkontakt zu simulieren. So habe ich es getestet, es kam aber kein Strom beim Verbraucher an. Dafür hat es mir den Widerstand R2 der Schaltung gegrillt :-/ > Eine solche Schaltung kannst du auch einfach recht mit wenigen > Bauelementen auf Lochraster aufbauen, wenn du willst und die nötigen > Bauelemente hast. > Lösungen mit einem 555, Komparatorschaltungen, die ein RC-Glied > auswerten, sogar Schaltungen nur aus diskreten Widerständen, > Transistoren, Kondensatoren und Dioden sind möglich. Leider bin ich ein absoluter Elektronikanfänger... Wenn du mir eine solche Schaltung skizzieren könntest, wäre ich dir sehr dabkbar! Möglichst simpel, die Nachlaufzeit braucht auch nicht einstellbar zu sein und braucht muss auch nicht mehr als 2-3 Sekunden betragen... Ich habe auch noch das hier gefunden: 5HE 996 152-131 Ist halt etwas teurer, v.a. mit dem Versand in die Schweiz... Wenn du also eine Alternative hast, bin ich ganz Ohr :-)
Rafa M. schrieb: > > So habe ich es getestet, es kam aber kein Strom beim Verbraucher an. > Dafür hat es mir den Widerstand R2 der Schaltung gegrillt :-/ EDIT: Habe den Widerstand durchgemessen, ist noch intakt. Mittlerweile habe ich den Verdacht, dass das CMOS defekt ist. Kann ich das mit dem Multimeter irgendwie testen?
Hallo, die Lösung mit dem Relais wie im Bild. Um auszuschließen, dass der IC kaputt ist, nimm ihn mal aus der Fassung, schließe die Spannungsversorgung an. Die Spannung zwischen Pin 8 und Pin 1 des Cmos (rot vom Multimeter an 1, schwarz an 8). Hier musst du irgendwas um die zwölf Volt messen. Wenn nicht, ist vielleicht die Versorgungsspannung verpolt (Stromfluss wird durch die Diode verhindet -> keine Spannung! Ist diese Spannung da, kannst du die externe Beschaltung testen: Als erstes miss die Spannung über C2 (rot "oben" und schwarz "unten") Wenn der Kontakt geöffnet ist, sollte sie bei null Volt sein. Schließt du den Kontakt, muss die schlagartig auf fast die volle Betriebsspannung ansteigen. Öffnest du den Kontakt wieder, sollte die Spannung langsam wieder Richtung null Volt abfallen. Die Geschwindigkeit kannst du mit dem Poti regulieren. Die Endstufe kannst du dabei Testen, indem du am Ausgang des CMOS (immernoch ausgebaut!) mal die Versorgungsspannung anlegst (da, wo R1 an dein CMOS angeschlossen ist). Bei 12 Volt muss das Relais aus sein, bei null Volt muss es anziehen. um das zu machen, nimm einfach ein Stück Draht und brücke für 12 Volt die IC-Pins 1 und 2 bzw. für 0 Volt die Pins 8 und 2. Wenn das alles funktioniert, dann ist höchstwahrscheinlich dein IC hinüber. Was hast du denn, außer einem Multimeter, so für Ausrüstung?
Hallo und sorry für die lange Pause, war ziemlich ausgelastet. Jetzt bin ich zum messen gekommen und erhalte ganz komische Zahlen: Zwischen 1 und 8 des Cmos messe ich ca. 16.4 V! bei C2 messe ich bei geschlossenem Kontakt 6.7 V, bei geöffnetem Kontakt steigt die Spannung auf 16.4 V an. Die Wechsel sind immer sprunghaft, ein langsames Abfallen findet nicht statt. Die Eingangsspannung habe ich zur Sicherheit und um Störungen am Multimeter auszuschliessen auch nochmals nachgemessen, sie liegt bei 11.2V. Wenn ich diese Spannung erhöhe (13.9V) steigt die Spannung am Cmos auf 20V, bei C2 auf 20/13.1V an. Ich hoffe du kannst damit mehr anfangen als ich... :/ Messausrüstung habe ich ausser dem Multimeter leider keine :/ PS: Was ich auch beobachte ist eine starke Erwärmung von R2...
Rafa M. schrieb: > bei C2 messe ich bei geschlossenem Kontakt 6.7 V, bei geöffnetem Kontakt > steigt die Spannung auf 16.4 V an. Die Wechsel sind immer sprunghaft, > ein langsames Abfallen findet nicht statt. Da stimmt etwas nicht. Eventuell ist der Transistor falsch oder falsch eingebaut. Ein PNP Transistor schaltet bei negativer Ansteuerung. Daher sollte bei geschlossenem Kontakt die Spannung an C2 ca. der Versorgungsspannung entsprechen. Damit wirde C2 aufgeladen. Öffnet der Kontakt wird Q2 über R3 gesperrt und C2 wird über R6 / P1 langsam entladen. R2 darf nicht warm werden. Falls du in der Umgebung der PLZ CH-8580 Zuhause bist, könnte ich dir direkt helfen.
Rafa M. schrieb: > Zwischen 1 und 8 des Cmos messe ich ca. 16.4 V! Das klingt irgendwie alles nicht koscher, diese Schaltung ist prinzipiell nicht imstande, irgendeine Spannung dauerhaft zu erhöhen. Hattest du den Schaltkreis zum Messen aus der Fassung genommen? Was für eine Spannungsquelle nutzt du zum Testen? Versuche es doch einmal mit einem 9-Volt-Block. Der bringt zwar das Relais möglicherweise nicht zum Anziehen, aber den Rest der Schaltung kannst du damit auf seine Funktion prüfen. Rafa M. schrieb: > PS: Was ich auch beobachte ist eine starke Erwärmung von R2... Dass R2 sich erwärmt ist nicht möglich, hier fließt ja eigentlich kaum Strom. Mach doch bitte mal ein Foto von deiner Platine, oben und unten, vielleicht haben sich beim Löten irgendwelche Brücken gebildet / Kalte Lötstellen, Widerstände sind vertauscht (R2 zu klein -> zu hoher Strom, zu hohe Verlustleistung zum Beispiel.), die Diode verpolt, Transitor verdreht, Beinchen zusammen etc. Nur mit deinen Messwerten lässt sich da schwer eine Diagnose stellen. Miss mal in spannungslosem Zustand den Widerstand von R2 (ohne, dass der Türkontakt geschlossen ist). Du hast doch sicher eine Bestückungstabelle oder sowas dazubekommen, in der die Werte und Bauteiltypen stehen? Laut dem Produktfoto und meinem Farbempfinden sollte R2 22 kOhm sein, der wird selbst bei deinen 20 Volt, die irgendwann anscheinend auftreten, niemals so warm, dass du es merkst (max. ca. 18 Milliwatt, und 250 "kann" er). In welchem Zustand wird R2 warm, immer? Wenn, dann darf das nur passieren, wenn der Kontakt geschlossen ist. Wird er immer warm, hast du wahrscheinlich den falschen (zu niedrigen) Wert eingelötet UND irgendwo eine Zinnbrücke gebaut, die den Widerstand permanent unter Spannung setzt. Im Betrieb darf über R2 nur eine Spannung messbar sein, wenn der Kontakt geschlossen ist. Überprüfe das mal bitte! Rafa M. schrieb: > bei C2 messe ich bei geschlossenem Kontakt 6.7 V, bei geöffnetem Kontakt > steigt die Spannung auf 16.4 V an. Die Wechsel sind immer sprunghaft, > ein langsames Abfallen findet nicht statt. Guck mal bitte, ob du Q2 ordentlich verlötet hast (keine Brücken, richtig herum, Beinchen dürfen sich nicht berühren). Ist C2 richtig herum und die Lötstellen i.O.? Hast du mal mit dem Poti gespielt, ob das was an den Sprungartigen Wechseln ändert? Und nochmal: BITTE mache Fotos, sonst kann ich dir da echt nicht vernünftig weiterhelfen.
Kurt A. schrieb: > Falls du in der Umgebung der PLZ CH-8580 Zuhause bist, könnte ich dir > direkt helfen. Danke für das Angebot, leider bin ich näher bei Basel als 8580...
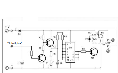
Hi Patrick Vielen Dank, dass du dir soviel Mühe mit mir gibst!!! Patrick schrieb: > Und nochmal: BITTE mache Fotos, sonst kann ich dir da echt nicht > vernünftig weiterhelfen. Leider bin ich im Moment nicht zuhause, d.h. ich kann dir weder Fotos schicken, noch neue Messungen vornehmen. Werde aber deine Vorschläge spätestens am Freitag ausprobieren. Patrick schrieb: > Laut dem Produktfoto und meinem > Farbempfinden sollte R2 22 kOhm sein, Das stimmt nicht ganz, es sind 220 Ohm (an R1 und R2) Die übrigen Teile: R3: 10 kOhm R4: 10 MOhm R5: 1 MOhm R6: 47 kOhm P1: 1Mohm oder 2.5MOhm Trimmer (gemäss Stückliste) C1: 220 Mikrofarad/16V C2: 10 Mikrofarad/16V Q1: BD140 PNP Q2: BC557/8 oder BC327 PNP
220 Ohm darf eigentlich nicht sein, das muss hochohmiger sein. Die Sache mit der erhöhten Spannung kann, nachdem ich drüber geschlafen habe, eigentlich nur daran liegen, dass du eine Wechselspannungsquelle zur Versorgung nimmst. Bis Freitag!
So, bin wieder da. Patrick schrieb: > 220 Ohm darf eigentlich nicht sein, das muss hochohmiger sein. 220 Ohm ist auf jeden Fall die Zahl auf der Stückliste und der Widerstand entspricht dem auch. Ich habe dieses Mal anstatt am Batterieladegerät direkt an einer 12V Autobatterie gemessen und bekomme tatsächlich andere Resultate, obwohl, der Multimeter bei der Eingangsspannung identisch 11.9 V anzeigt... Patrick schrieb: > Die Spannung zwischen Pin 8 und Pin 1 des Cmos (rot vom Multimeter an 1, > schwarz an 8). Hier musst du irgendwas um die zwölf Volt messen. Das kann ich nun in der Tat so messen. Beim öffnen des Schaltkontakts fällt diese Spannung schnell, aber nicht schlagartig auf 0 V ab. Patrick schrieb: > Als erstes miss die Spannung über C2 (rot "oben" und schwarz "unten") > Wenn der Kontakt geöffnet ist, sollte sie bei null Volt sein. > Schließt du den Kontakt, muss die schlagartig auf fast die volle > Betriebsspannung ansteigen. Hier habe ich nun komplett andere Messwerte: Bei geöffnetem Kontakt messe ich ca. -6 V, bei geschlossenem Kontakt ca. 3.3 V (Polung des Multimeters entspricht der Polung des Kondensators) Patrick schrieb: > Die Endstufe kannst du dabei Testen, indem du am Ausgang des CMOS > (immernoch ausgebaut!) mal die Versorgungsspannung anlegst (da, wo R1 an > dein CMOS angeschlossen ist). Bei 12 Volt muss das Relais aus sein, bei > null Volt muss es anziehen. um das zu machen, nimm einfach ein Stück > Draht und brücke für 12 Volt die IC-Pins 1 und 2 bzw. für 0 Volt die > Pins 8 und 2. Das funktioniert. Allerdings habe ich keine nutzbare Abfallverzögerung, d.h. wenn ich 8 und 2 brücke und den Kontakt öffne, fällt das Relais ziemlich sofort ab.
An der Leiterplatte kann ich keinen Fehler entdecken.Sie sieht auch sauber gelötet aus. Rafa M. schrieb: > am Batterieladegerät > der Multimeter bei der Eingangsspannung identisch 11.9 V anzeigt... Ein Batterieladegerät hat keine geglättete Gleichspannung. Das erklärt auch, warum du an der Schaltung dann 16.4V gemessen hast. C1 ist der Glättungskondensator. Durch die Glättung der pulsierenden Gleichspannung steigt die zu messende Spannung an. Das Spannungsmessgerät glättet die Spannung nicht. Es misst nur den Mittelwert der pulsierenden Gleichspannung. Rafa M. schrieb: > Das funktioniert. Allerdings habe ich keine nutzbare Abfallverzögerung, > d.h. wenn ich 8 und 2 brücke und den Kontakt öffne, fällt das Relais > ziemlich sofort ab. Hast dun den Trimmer (P1) schon auf den maximalen Widerstand gedreht? Ersetze C2 durch einen Elko mit höherer Kapazität oder erhöhe bei R6 den Widerstandswert. Eventuell hast du den IC CD4049 zerschossen beim experimentieren mit der höheren Spannung. Der kann laut Datenblatt maximal 20V ertragen.
Kurt A. schrieb: > Eventuell hast du den IC CD4049 zerschossen beim experimentieren mit der > höheren Spannung. Der kann laut Datenblatt maximal 20V ertragen. höchstwahrscheinlich habe ich den IC zerschossen. Die Versuche, welche ich vorgenommen habe, dienen ja dazu, den Fehler ausfindig zu machen. Ich verstehe nicht viel von Elektronik und habe daher ziemlich blind, die Anfragen von Patrick gemessen... Das funktioniert jetzt auch gut, bis auf die komischen Messungen an C2: Rafa M. schrieb: > Patrick schrieb: >> Als erstes miss die Spannung über C2 (rot "oben" und schwarz "unten") >> Wenn der Kontakt geöffnet ist, sollte sie bei null Volt sein. >> Schließt du den Kontakt, muss die schlagartig auf fast die volle >> Betriebsspannung ansteigen. > > Hier habe ich nun komplett andere Messwerte: Bei geöffnetem Kontakt > messe ich ca. -6 V, bei geschlossenem Kontakt ca. 3.3 V (Polung des > Multimeters entspricht der Polung des Kondensators) Dies kann ich mir gar nicht erklären... Ein Bauteil, bei welchem ich mir bei der Polung nicht sicher bin ist der BD140 auf der Position Q2... Ist der korrekt montiert? Kurt A. schrieb: > Ersetze C2 durch einen Elko mit höherer Kapazität Ich hätte noch einen Elko mit 16 V/ 1000 mikro Farad. Wäre der geeignet, oder ist das zuviel? Könnte auch einen zweiten Elko mit 220 mikroFarad parallel schalten. Kurt A. schrieb: > oder erhöhe bei R6 den > Widerstandswert. Was für einen Widerstandswert soll ich nehmen?
Rafa M. schrieb: > bei der Polung nicht sicher bin ist der BD140 auf der Position Q2... Ist > der korrekt montiert? Der BD 140 ist richtig. Rafa M. schrieb: > Könnte auch einen zweiten Elko mit 220 mikroFarad > parallel schalten. Du kannst den Elko problemlos parallel anlöten. Oder den kleinen 10 Mikrofarad Elko auslöten und den 220 Mikro einlöten. Auf die Polarität achten. Rafa M. schrieb: > Was für einen Widerstandswert soll ich nehmen? Da kannst du es mit 100k oder sogar mehr versuchen. Was steht auf dem Trimmpoti (P1) aufgedruckt? Hat dieser wirklich 1MOhm oder 2.5 MOhm? Deine gemessenen -6V kann ich auch nicht richtig verstehen. Denn wenn der Kontakt geschlossen wird, sollte der Transistor Q2 leiten und den Elko (C2) knapp bis zur Versorgungsspannung aufladen. Wird der kontakt geöffnet, entlädt sich der Elko über R6 und P1 bis er keine Spannung mehr hat. Über R5 und R4 wird die Spannung abgegriffen um über den CD4049 und BD140 das Relais anzusteuern. Ich werde übermorgen die Schaltung einmal zusammenstecken und nachmessen.
Bevor du wieder probierst, solltest du aber auf jeden Fall R2 austauschen, der macht das selbst bei einer funktionierenden Schaltung nicht lange mit, vielleicht grillst du damit auch auf lange Sicht die E-B-Diode des Transistors Q2 oder er hat schon Schaden genommen. Hast du noch einzelne Widerstände da? Ansonsten löte einfach R2 und R3 aus und löte R3 mit seinen 10 kOhm anstelle von R2 ein, das sollte auch funktionieren. R3 brauchst du hier nicht wirklich, er "entlädt" die Kapazität der E-B-Strecke, damit der Transistor schneller aussschaltet. Da du hier keine PWM/schnelle und sich wiederholende Schalthandlungen hast und ein recht geringer Strom fließt, der "unterbrochen" werden muss, ist diese Änderung unkritisch. Die Messwerte an C2 sind trotz allem sehr komisch. Tausche ihn mal aus, vielleicht hat er durch die hohen Spannungen Schaden genommen. Funktioiert es immer noch nicht, dann ist wahrscheinlich Q2 kaputt.
Was mir noch auffällt: Pin 12 des CMOS ist ein Ausgang und kein Eingang. Der zugehörige Eingang 11 ist unbeschaltet laut Schaltplan. Das kann schon mal ein Fehler sein. Ohne CMOS kein Problem, aber wenn der Schaltkreis eingesteckt ist, arbeitet der möglicherweise "flatternde" Ausgang 12 gegen den Kondensator und die Schaltung spinnt rum. Das kannst du testen, indem du entweder Pin 12 durch unterbrechen der Leiterbahn, oder aber durch vorsichtiges Hochbiegen vor dem Einstecken von der Schaltung trennst. Da die anderen Pins erst "hinter" Pin 12 liegen, besser die letzte Methode. Überprüfe mal noch den Schaltplan ggü. der Platine, ich glaube die sind nicht konistent. Ich sehe eine Brücke zw. 10 und 11, die im Schaltplan nicht auftritt... Vorher sollte aber die Peripherieschaltung funktioneren. Alles in allem wirkt mir dieser "Smarte" Bausatz sehr unausgegoren, (Schaltungs und Dimensionierungsfehler). Für einen Neuling wie dich ist das natürlich nicht gerade der beste Start in die Welt der Elektronik. PS: Sollte Q2 kaputt sein, kannst du da auch was basteln, sodass C2 über den Schaltkontakt des Hilfsrelais und R2 in Reihe zur Strombegrenzung aufgeladen wird. Wie genau, würde ich dir bei Bedarf erläutern. Wenn es dann vielleicht funktioniert, würde ich die Schererei mit einer entsprechend grottigen Rezension würdigen.
Patrick schrieb: > Was mir noch auffällt: Der hier hochgeladene Schaltplan enhält grobe Fehler und stimmt nicht mit der Platine überein. Hier habe ich den korrekten gefunden. Bekomme die Platine von Rafa zugesandt. Werde diese für die, von Rafa gewünschte Funktion ändern.
Kurt A. schrieb: > Patrick schrieb: >> Was mir noch auffällt: > > Der hier hochgeladene Schaltplan enhält grobe Fehler und stimmt nicht > mit der Platine überein. > Hier habe ich den korrekten gefunden. Sorry link vergessen: https://www.quasarelectronics.co.uk/kit-files/smart-kit/1115.pdf
Kurt A. schrieb: > Der hier hochgeladene Schaltplan enhält grobe Fehler und stimmt nicht > mit der Platine überein. > Hier habe ich den korrekten gefunden. So ergibt einiges Sinn... Das ist aber schon sehr peinlich, dass so eine fehlerhafte Schaltung veröffentlicht wird, dann noch in Paarung mit der Fehldimensionierung von R2. Kurt A. schrieb: > Bekomme die Platine von Rafa zugesandt. Werde diese für die, von Rafa > gewünschte Funktion ändern. Ich interessiere mich brennend für die Fehler, die du auffinden kannst.
Kurt A. schrieb: > Der hier hochgeladene Schaltplan enhält grobe Fehler und stimmt nicht > mit der Platine überein. Darauf bin ich natürlich nicht gekommen... Ihr seid die besten!!!
So nun macht die Schaltung was sie machen soll. Das Ausschalten verzögern. Gefundenen Fehler: Der Bausatz ist vermutlich schon länger gelagert worden. Die versilberten Lötpad waren oxydiert "angelaufen". Daher ergaben sich einige kalte Lötstellen. Die Bauteile waren alle in Ordnung. Der Poti war auf Verzögerungsminimum eingestellt. Die Schaltung habe ich, auf Wunsch des TO, gemäss den angefügten Bildern geändert. Den Schaltplan habe ich korrigiert. Die Platine ist auf dem Weg zum TO.
Bitte melde dich an um einen Beitrag zu schreiben. Anmeldung ist kostenlos und dauert nur eine Minute.
Bestehender Account
Schon ein Account bei Google/GoogleMail? Keine Anmeldung erforderlich!
Mit Google-Account einloggen
Mit Google-Account einloggen
Noch kein Account? Hier anmelden.






