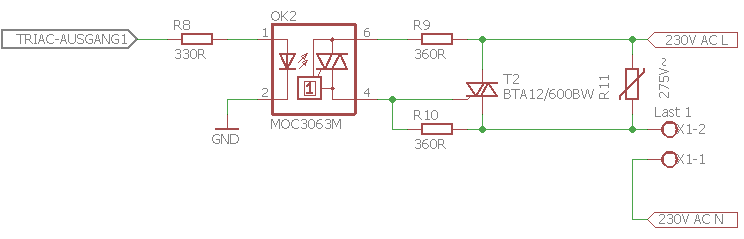
Hallo, ich habe eine Schaltung gebaut, um mehrere Lampen mittels Mikrocontroller anzusteuern. Zum einen sind dies T5-Leuchtstoffröhren und zum anderen sind es HQI-Lampen mit Vorschaltgerät. Die Steuerspannung beträgt 3,3V zwischen dem Label TRIAC-AUSGANG1 und GND und ist während der Schaltzeit dauerhaft gegeben. Dies habe ich mittels Logicanalyzer verifiziert, um einen Softwarefehler auszuschließen. Die Steuerspannung ist von der Netzspannung mittels MOC 3063M getrennt (Datenblatt: https://www.fairchildsemi.com/datasheets/MO/MOC3063M.pdf) Die TRIACs sind snubberless und vom Typ BTA12/600BW (Datenblatt: http://www.st.com/resource/en/datasheet/t12xx.pdf) Das Problem ist, dass die Lampen in unregelmäßigen Abständen für einen Sekundenbruchteil ausgehen. Die Steuerspannung habe ich, wie gesagt, bereits geprüft. Das Problem trat anfangs nur sehr selten auf (vielleicht einmal pro Stunde), mittlerweile häufen sich die Ausfälle aber (fast minütlich ein Flackern). Die Schaltung ist mittlerweile seit etwa einem Jahr in Betrieb. Wo könnte das Problem liegen? Viele Grüße Christian
Christian R. schrieb: > Die Steuerspannung beträgt 3,3V zwischen dem Label TRIAC-AUSGANG1 und > GND Hasst du das gemessen, oder nur geglaubt, weil die Betriebsspannung des µC 3,3V beträgt? Jedenfalls erscheint mir der 330 Ohm Vorwiderstand für die LED etwas hoch. Bei dem garantierten Triggerstrom von 5mA fallen daran bereits 1,65V ab und damit gerätst du in arge Nähe der LED-Flußspannung. Wenn man dann noch Toleranzen der Betriebsspannung und des Widerstandes berücksichtigt, kann es knapp werden. Zumal auch die LEDs im Betrieb nicht besser werden. Evtl. hast du mittlerweile auch ein Problem nit der Stabilität der Betriebsspannung. Christian R. schrieb: > und ist während der Schaltzeit dauerhaft gegeben. Dies habe ich > mittels Logicanalyzer verifiziert, Vermutlich aber nur während des fehlerfreien Betriebes. Evtl. müsstest du mittels eines Lichtsensors auf das Verlöschen der Lampe triggern und dir dann mit einem analogen Oszi die letzten Zyklen der Wechselspannung sowie der LED Ansteuerung ansehen.
Christian R. schrieb: > um einen sind dies T5-Leuchtstoffröhren > und zum anderen sind es HQI-Lampen mit Vorschaltgerät. Dimmen oder Schalten ? Durch Zero-Cross wohl schalten. HQI lässt sich nicht dimmen, T5 zumindest nur schwerlich. Leuchtstoffröhren produzieren Zündimpulse bis 1000V, da reicht dein TRIAC nicht. Christian R. schrieb: > Das Problem ist, dass die Lampen in unregelmäßigen Abständen für einen > Sekundenbruchteil ausgehen. Nun, der TRIAC geht aus, wenn der Strom auf 0 fällt und muss dann wieder eingeschaltet werden, was er aber nur tut, wenn die Spannung noch unter 16V liegt. Dummerweise haben deine beiden Lampen eine starkte Phasenverschiebung zur Folge, die Spannung liegt bei Strom = 0 nicht unbedingt bei 0, sondern ziemlich sicher nicht bei 0 sondern sogar über 16V. Nimm Optokoppler ohne Zero Cross.
Michael B. schrieb: > Dummerweise haben deine beiden Lampen eine starkte > Phasenverschiebung zur Folge, die Spannung liegt bei Strom = 0 nicht > unbedingt bei 0, sondern ziemlich sicher nicht bei 0 sondern sogar über > 16V. Nimm Optokoppler ohne Zero Cross. Die T5-Röhren werden auch an einem elektronischen Vorschaltgerät hängen, anders laufen die soweit ich weiß gar nicht. Bei den HQIs schreibt der TO ja direkt vom Vorschaltgerät. Elektronische Vorschaltgeräte erzeugen keine starke Phasenverschiebung. Die sollten sich ohne Probleme mit einem Zero Cross Optokoppler schalten lassen.
Christian R. schrieb: > Wo könnte das Problem liegen? als last mal ne ohmsche nehmen und schauen ob das blinken immer noch vorhanden ist. ich betreibe mit ner schaltung die deiner sehr ähnlich ist ne 2kw heizung und da blinkt garnichts. als optotriac nutz ich u.a. nen s21md4v mit zc modul. das triac ist ein m1661p. der snubber ist 120ohm+100nf x2.
nachtmix schrieb: > Hasst du das gemessen, oder nur geglaubt, weil die Betriebsspannung des > µC 3,3V beträgt? Geglaubt. Ich habe die Spannungen jetzt mit einem Multimeter gemessen, es sind tatsächlich nur 2,9V statt 3,3V und an der LED liegen 1,1V an. Über den Widerstand berechnet dürfte der Strom dann knapp 5,5mA betragen - viel Spielraum ist da tatsächlich nicht. Die LEDs vertragen laut Datenblatt bis zu 60mA - soviel liefert mein µC gar nicht. Aber ich könnte zumindest mal versuchen in Richtung 10mA hochzugehen. > Evtl. hast du mittlerweile auch ein Problem nit der Stabilität der > Betriebsspannung. Auch ein guter Hinweis - das scheint mir so im Nachhinein betrachtet auch etwas knapp dimensioniert. Die Versorgungsschaltung hab ich mal angehängt. Die Diode zum Schutz vor Verpolung hat einen maximalen Spannungsverlust von 0,8V, was für den LM1117 eine Eingangsspannung von in etwa 4,2V (gemessen 4,15V) ergibt. Damit schafft der LM1117 keine 3,3V mehr, weil der einen Spannungsverlust von mindestens 1,1V hat (gemessen 3,1V). > Vermutlich aber nur während des fehlerfreien Betriebes. > Evtl. müsstest du mittels eines Lichtsensors auf das Verlöschen der > Lampe triggern und dir dann mit einem analogen Oszi die letzten Zyklen > der Wechselspannung sowie der LED Ansteuerung ansehen. Ob der Steuerimpuls wegfällt, habe ich mittels Trigger im Logicanalyzer geprüft. Dieser hätte bei einem Spannungsausfall dann auslösen müssen, was er nicht tat. Die letzten Zyklen ansehen funktioniert mit einem analogen Oszi? Ich dachte, das geht nur mittels digitalem Oszi. Das letzte Mal habe ich in meiner Schulzeit ein Oszilloskop verwendet, habe derzeit aber ein uraltes analoges Oszilloskop ausgeliehen. Damit könnte ich zumindest die Stabilität der Versorgungsspannung mal beobachten. Gerd E. schrieb: > Die T5-Röhren werden auch an einem elektronischen Vorschaltgerät hängen, > anders laufen die soweit ich weiß gar nicht. Bei den HQIs schreibt der > TO ja direkt vom Vorschaltgerät. > > Elektronische Vorschaltgeräte erzeugen keine starke Phasenverschiebung. > Die sollten sich ohne Probleme mit einem Zero Cross Optokoppler schalten > lassen. Das hatte ich im Vorfeld auch recherchiert und im Datenblatt von den HQI-Vorschaltgeräten (von Osram) habe ich gelesen, dass sich diese nahezu wie eine ohmsche Last verhalten. Ja, es wird nur geschaltet, nicht gedimmt. Das geht bei HQI-Lampen sowieso nicht und bei den Leuchtstoffröhren dürfte das auch schwierig sein. Edit: Michael B. schrieb: > Leuchtstoffröhren produzieren Zündimpulse bis 1000V, da reicht dein > TRIAC nicht. Die Leuchtstoffröhre ist über das in der Lampenfassung integrierte Vorschaltgerät über 230V angeschlossen. Die Lampe kann man auch normal in eine 230V-Steckdose stecken. Gedanken mache ich mir da nur zu einem ggf. sehr hohen Zündstrom auf 230V, weshalb ich in der Firmware des µC einen Mechanismus integriert habe, dass die Lampen niemals gleichzeitig angeschaltet werden können. Edit 2: ich habe die Eingangsspannung jetzt von 5V auf 6V erhöht, sodass zumindest die Versorgungsspannung jetzt wirklich 3,3V beträgt. Der Spannungsabfall über der LED beträgt jetzt immer noch 1,14V, aber bei einer Steuerspannung von 3,11V, sodass ein Strom von knapp 6mA zustande kommt. Da ist jetzt zumindest etwas mehr Spielraum. Edit 3: was ich bisher noch nicht geprüft habe ist, ob das Flackern genau dann passiert, wenn das ebenfalls in der Gesamtschaltung enthaltene Funkmodul (ein XBee Pro) sendet. Der Energiebedarf während des Sendens ist ja verhältnismäßig hoch, sodass das einen kurzzeitigen Spannungseinbruch zur Folge haben könnte. Gesendet wird in regelmäßigen Intervallen - einmal pro Minute wird ein Paket mit aktuellen Temperatur / Luftfeuchtigkeitswerten verschickt.
Christian R. schrieb: > Über den Widerstand berechnet dürfte der Strom > dann knapp 5,5mA betragen - viel > Spielraum ist da tatsächlich nicht. Nach meiner Bastelerfahrung ist zu wenig LED-Strom ein guter Weg, den MOC30xx zu zerstören. > Die Diode zum Schutz vor Verpolung hat einen > maximalen Spannungsverlust von 0,8V, Schottky ist Dein Freund. Abhängig von der Quelle (Maximalstrom, Kurzschlußfest) darf auch eine dicke Diode parallel auf den Eingang.
Hi Manfred schrieb: > Nach meiner Bastelerfahrung ist zu wenig LED-Strom ein guter Weg, den > MOC30xx zu zerstören. Wird hier an dem Zusatz 'zu' liegen. Bei 'zu'viel wird die LED auch nicht lange überleben. Durch das 'zu' wird ja schon gesagt, daß man sich außerhalb befindet und Das war noch nie gesund - zumindest bei Elektronik. (auch 'zu'heiß gelötet soll nicht gut sein, wobei bei 'zu'kalt der Chip zwar such den Hitzetod stirbt, aber das Lot dabei fest bleibt ... ist halt 'zu'blöd mit dem Wörtchen 'zu') MfG
Du solltest deiner Schaltung außerdem einen passenden Snubber verpassen und eine Temperatursicherung am Varistor vorsehen (diesen für den Betrieb an 230V ruhig großzügiger dimensionieren wenn dein Triac die Spannung aushält)
Manfred schrieb: > Nach meiner Bastelerfahrung ist zu wenig LED-Strom ein guter Weg, den > MOC30xx zu zerstören. In welcher Größenordnung bewegt sich denn das "zu wenig"? Ich bin jetzt bei etwa 6mA, was ja schon 20% über dem Mindeststrom liegt. Solange die Spannung nicht zu häufig einbricht, dürfte das doch passen, oder nicht? Gibt es eigentlich mit einem analogen Oszilloskop die Möglichkeit, eine Minimalspannung über einen längeren Zeitraum festzustellen, ohne dauerhaft auf das Display zu sehen? Ich habe seit der Spannungserhöhung kein Flackern mehr beobachten können. Dass es jetzt wirklich ganz weg ist, kann ich nicht sicher sagen, aber es ist im Vergleich zu vorher ein Quantensprung! Falls ich noch ein einziges Flackern bemerken sollte, werde ich die Vorwiderstände gegen 220 Ohm tauschen. Dann dürfte der LED-Strom bei etwa 8mA liegen. Ich denke mal, das wäre ein guter Kompromiss aus: der µC schafft das auch mit mehreren eingeschalteten Ausgängen (insgesamt sind es 6 Ausgänge) und der MOC bekommt ausreichend LED-Strom.
TestX schrieb: > Du solltest deiner Schaltung außerdem einen passenden Snubber verpassen Der Triac ist snubberless, daher habe ich ihn ausgewählt. Ich sollte mich eigentlich weit innerhalb der spezifizierten Grenzwerte des Triac bewegen. Darüber hinaus habe ich auch nicht sonderlich viele Schaltvorgänge (im Schnitt weniger als 2 pro Tag). TestX schrieb: > eine Temperatursicherung am Varistor vorsehen Was meinst du damit? Ein kurzes Googlen hat mir aus den Schlagworten "Temperatursicherung" und "Varistor" keine einschlägigen Ergebnisse gebracht (außer, dass es Varistoren mit integrierter Temperatursicherung gibt).
Christian R. schrieb: >> Evtl. hast du mittlerweile auch ein Problem nit der Stabilität der >> Betriebsspannung. > > Auch ein guter Hinweis - das scheint mir so im Nachhinein betrachtet > auch etwas knapp dimensioniert. Die Versorgungsschaltung hab ich mal > angehängt. > Die Diode zum Schutz vor Verpolung hat einen maximalen Spannungsverlust > von 0,8V, was für den LM1117 eine Eingangsspannung von in etwa 4,2V > (gemessen 4,15V) ergibt. Damit schafft der LM1117 keine 3,3V mehr, weil > der einen Spannungsverlust von mindestens 1,1V hat (gemessen 3,1V). Das ist nicht "etwas knapp", sondern zu knapp. Dein LM1117 kann jetzt nicht mehr regeln, er ist in Sättigung. Jede Schwankung der Versorgungsspannung oder der Last schlägt direkt auf die Ausgangsspannung durch. Das könnte auch das Flackern auslösen. Nimm einen anderen Regler der weniger Dropout-Spannung braucht. Z.B. Microchip hat da nen paar nette im Angebot, z.B. MCP1755S. Die brauchen nur 500mV Dropout bei 300mA Last.
Gerd E. schrieb: > Das ist nicht "etwas knapp", sondern zu knapp. > > Dein LM1117 kann jetzt nicht mehr regeln, er ist in Sättigung. Jede > Schwankung der Versorgungsspannung oder der Last schlägt direkt auf die > Ausgangsspannung durch. Das könnte auch das Flackern auslösen. Ich habe die Eingangsspannung jetzt wie gesagt auf 6V erhöht, könnte auch noch höher gehen. Die Verluste fallen bei den angeschlossenen Verbrauchern nicht ins Gewicht. Mani W. schrieb: > Hat schon jemand etwas von Haltestrom erwähnt? Hier im Thread zwar nicht, aber 300mA bei 230V sollten ausreichen. (Mindesthaltestrom ist 50mA)
Christian R. schrieb: > Hier im Thread zwar nicht, aber 300mA bei 230V sollten ausreichen. > (Mindesthaltestrom ist 50mA) Alles klar! Gilt bei Glühlampen...
Mani W. schrieb: > Gilt bei Glühlampen... Was meinst du damit? Dass man nach Schein- und Wirkleistung unterscheiden muss und nur die Wirkleistung relevant ist? Wie oben ja schon geschrieben, habe ich in einem Dokument von Osram gelesen, dass sich die EVGs weitestgehend wie eine ohmsche Last verhalten. Ansonsten mache ich mir nur über den Einschaltstrom Gedanken. Dieser beträgt 45A, nach 250µs hat er sich aber schon wieder halbiert (siehe Datenblatt der EVGs (PTi 70): https://www.osram.de/appsinfo/pdc/pdf.do?cid=GPS01_1028042&vid=PP_EUROPE_DE_eCat&lid=DE). Im Datenblatt des Triac ist für den "Non repetitive surge peak on-state current" bei 45A für eine ganze Sinuswelle (also 20ms) eine Wiederholungszahl von 50 Einschaltvorgängen angegeben. Die Spannungsspitze ist deutlich kürzer (> Faktor 80). Wie sich das auf die Lebensdauer auswirkt, weiß ich nicht. Edit: nach einem weiteren Diagramm im Datenblatt vom Triac kann er für eine begrenzte Anzahl Schaltvorgänge Impulse einer Dauer von 250µs bis zu 700A verkraften. Ob das jetzt "weit" von den 45A-Stromstößen entfernt ist, kann ich nicht einschätzen.
Mani W. schrieb: > Hat schon jemand etwas von Haltestrom erwähnt? Christian schreibt im ersten Post "Die Steuerspannung beträgt 3,3V zwischen dem Label TRIAC-AUSGANG1 und GND und ist während der Schaltzeit dauerhaft gegeben". Wenn die LED des Optotriacs also wirklich dauerhaft ausreichend leuchten würde, sollte der Haltestrom des Traics egal sein, weil durch sein Gate dauernd Strom fließt.
Tatsachen sind jedoch, dass bei vielen Dimmern, ob mit Triac oder Thyristor, eine gewisse Mindestlast (ohmsch) herrschen muß... Bei Schsltnetzteilen wird das anders aussehen...
Mani W. schrieb: > Tatsachen sind jedoch, dass bei vielen Dimmern, ob mit Triac oder > Thyristor, eine gewisse Mindestlast (ohmsch) herrschen muß... hier wird aber nicht gedimmt, sondern mit zero crosser dauerhaft geschaltet. Also bei meinen SSRs brauche ich keine Mindestlast damit die funktionieren...
Gerd E. schrieb: > hier wird aber nicht gedimmt, sondern mit zero crosser dauerhaft > geschaltet. Und Der hat keinen Haltestrom notwendig, weil er dauerhaft angesteuert wird?
Nach zwei Tagen Beobachtung sieht nun alles gut aus. Bisher hat es scheinbar nicht mehr geflackert. Danke an alle, die mitdiskutiert haben und Anregungen einbrachten!
Christian R. schrieb: > Die letzten Zyklen ansehen funktioniert mit einem analogen Oszi? Ich > dachte, das geht nur mittels digitalem Oszi. Du hast Recht, das hatte ich schlecht formuliert. Ich meinte schon ein DSO, aber im Gegensatz zu einem LA, der evtl nur Digitalpegel registriert.
Christian R. schrieb: > Nach zwei Tagen Beobachtung sieht nun alles gut aus. Bisher hat es > scheinbar nicht mehr geflackert. > Danke an alle, die mitdiskutiert haben und Anregungen einbrachten! Und??? Was hast Du jetzt festgestellt, geändert oder so?
Mani W. schrieb: > Was hast Du jetzt festgestellt, geändert oder so? Ich habe die Eingangsspannung erhöht, um die zu niedrige Versorgungsspanng auf die erwünschten 3,3V anzuheben und dem Linearregler damit auch etwas Luft zum atmen gegeben: Christian R. schrieb: > Edit 2: ich habe die Eingangsspannung jetzt von 5V auf 6V erhöht, sodass > zumindest die Versorgungsspannung jetzt wirklich 3,3V beträgt. Der > Spannungsabfall über der LED beträgt jetzt immer noch 1,14V, aber bei > einer Steuerspannung von 3,11V, sodass ein Strom von knapp 6mA zustande > kommt. Da ist jetzt zumindest etwas mehr Spielraum. Falls die 6mA doch nicht reichen sollten und es irgendwann nochmal flackern sollte, werde ich die Vorwiderstände der Optokoppler-LEDs auf 220 Ohm reduzieren, womit der LED-Strom dann bei etwa 8,6mA liegen sollte.
Bitte melde dich an um einen Beitrag zu schreiben. Anmeldung ist kostenlos und dauert nur eine Minute.
  
  Bestehender Account
  
  
  
  Schon ein Account bei Google/GoogleMail? Keine Anmeldung erforderlich!
Mit Google-Account einloggen
Mit Google-Account einloggen
  Noch kein Account? Hier anmelden.


 Thread beobachten
 Thread beobachten Seitenaufteilung abschalten
 Seitenaufteilung abschalten