Hallo zusammen, ich bastel gerade für ein zukünftiges Projekt an einer aktive Frequenzweiche für Audioanwendung. Habe die Schaltung in LTSpice theoretisch entworfen und sieht auch (wie im Bild zu sehen) erstmal ganz vernünftig aus. Trennfrequenz sind ca. 2000 Hz. Daraufhin habe ich die Schaltungen testmäßig auf dem Steckbrett zusammengeschustert. Der Hochtonzweig (obere Schaltung)läuft soweit einwandfrei. Habe das Frequenzspektrum des Lautsprechers mittels Messmikrofon aufgenommen und siehe da..es tut was es soll! Problematischer ist der Tieftonbereich. Dieser läuft bei Musikwiedergabe für ca. 10 Sekunden ohne Beanstandungen und danach fängt er stark an zu verzerren und wird sehr sehr leise. Die 10 Sekunden reichten aber aus um auch hier die Messung durchzuführen und die Grundschaltung scheint erstmal zu funktionieren. Ich denke also, dass die Bauteildimensionierung für den NE5532 vllt nicht geeignet ist?! Die Berechnung erfolge nach Excel-Dateien, welche ich hier: http://www.hifi-forum.de/viewthread-42-51.html heruntergeladen habe. Die Ergebnisse decken sich auch mit denen auf dieser Seite: http://www.wa4dsy.com/robot/active-filter-calc Beim ersten Link steht lediglich bei, dass beim Tiefpass die Widerstände nicht größer als 10k sein sollen, weshalb ich diese so gewählt habe (1k), dass ich die passenden Kondensatoren da hatte. Ich habe die aufgenommenen Messungen auch mal mit hochgeladen. Ohne Weiche (Blau) , Hochpass (Grün), Tiefpass (Rot). Erkennt jemand den Fehler?
Noch als Ergänzug: - Wenn das Signal leise wird sind auch die hohen Frequenzen wieder im Signal zu hören. Als würde die Schaltung irgendwie umgangen werden.. - sobald die Schaltung einmal Spannungsfrei geschaltet wurde und man sie wieder anschließt läuft sie wieder 10 Sekunden ohne Probleme
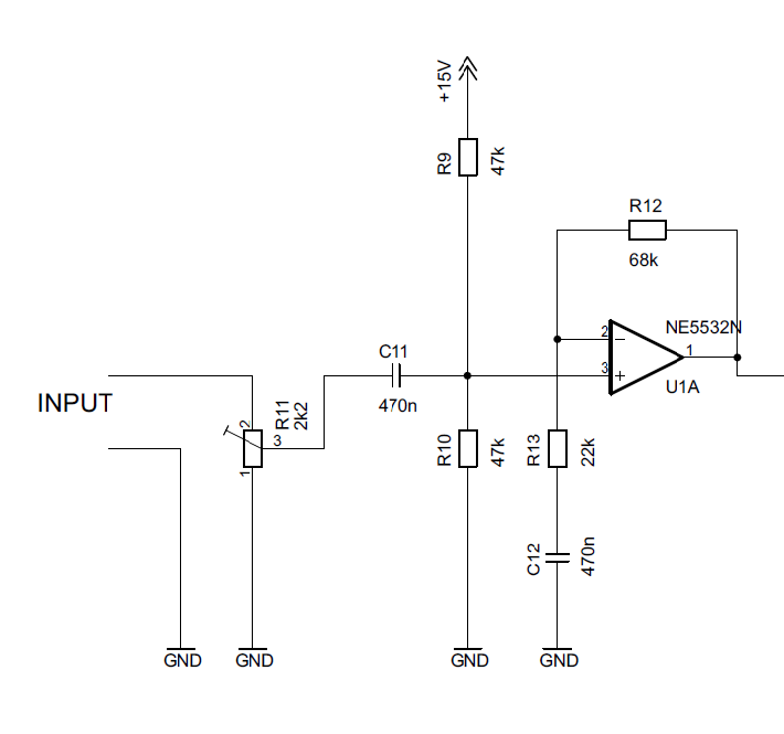
U1 ist durch C2 vom Audioeingang abgekoppelt (korrekt), U2 allerdings nicht. Das Audiosignal hat ja einen Bezug zu GND, und deine Op-Amps arbeiten um 15V/2 herum. Du brauchst also einen Koppelkondensator zwischen Audio-In und R1 (z.B. 10uF). Nach diesem Koppelkondensator muss das Signal aber auf 15V/2 gezogen werden. C4 kann auch nach GND gehen. Dann kannst du R7/R8 gleich dafür benutzen. Deine Bias-Teiler (100K/100K) sind sehr hochohmig. Wenn du dann mit R2=16K dagegen ziehst, verändert sich die Bias-Spannung an diesem Punkt. Besser wäre R2 wegzulassen, und für R4 und R5 je 32K zu nehmen (ergibt 16K zu 15V/2). Hinter deinen Filtern muss vermutlich wieder ausgekoppelt werden, wenn die Verstärker ein Signal mit GND Bezug benötigen. 10uF und 47K nach GND könnten dies erledigen.
Naja, U2 bekommt keine U/2, falls die Audioquelle für DC undurchlässig ist. Der 2. Bias-Teiler hängt ziemlich sinnfrei nur über nen Kondensator (C4) am OPV. Da fehlt ein Gleichstrompfad...
Also ungefähr so wie im Anhang. 2000 Hz ist übrigens eine ungünstige Frequenz für einen Crossover. Liegt im besonders gut hörbaren Bereich, und 2000 Hz sind für manche Tweeter noch recht niedrig (der Tweeter muss dann sehr viel Leistung aushalten). Für den Tweeter günstiger ist ein Crossover etwa ab 3-4 KHz. http://education.lenardaudio.com/en/06_x-over.html
Joe F. schrieb: > Für den Tweeter günstiger ist ein Crossover etwa ab 3-4 KHz. Quatsch. Für ein drei Wege wäre die Aussage vielleicht noch ok, nicht bei einem 2 Wege System wie hier besprochen wird. Je nach größe des Tieftöners hat man schon wieder eine fehlerhafte Bündelung des Tieftöners und einen Sprung zum Hochtöner. Bei einem zwei Wege versucht man den Hochtöner so tief wie möglich anzukoppeln.
Vielen Dank für die kompetenten Antworten. Zur Trennfrequenz: Ich kenne es eigentlich auch so, dass Hochtöner zwei Zweiweglern relativ tief angekoppelt werden. Häufig 2500 Hz. Aber das hier ist sowieso erstmal zum experimentieren. Die Frequenz lässt sich ja anschließend recht einfach über die Bauteilwerte anpassen. Das ist ja das schöne an einer aktiven Weiche. Zur Schaltung: Ich habe die Schaltung jetzt angepasst und sie funktioniert. Danke! Es gibt allerdings ein "Problem". Sowohl in LTSpice als auch in der realen Messung ist der Hochtonzweig wesentlich lauter als der Tieftonzweig. (siehe Bilder) Was ist der Grund hierfür? Muss das über eine Verstärkung am IC korrigiert werden? Ich habe spaßeshalber die Kopplungskondensatoren in der Simulation erhöht. Wenn ich sie auf 1000 µF erhöht habe nähern sich die Pegel fast komplett an. Das kann aber doch nicht die Lösung sein?!
Dann ist in deiner Schaltung immer noch etwas falsch. Frequenzgänge sollten so aussehen wie im Anhang. Dein Audiosignal GND hängt am (schwächlichen) Bias des HP. Das wird es sein. Audio-In GND gehört mit GND verbunden.
Okay dankeschön. Ich werde es mir nochmal anschauen :) Nochmal eine andere Sache aus Interesse: Da die Lautsprecher die ich bauen werde relativ kleine Membranen haben werden hatte ich eventuell auch vor diese bei ca. 80 Hz per Hochpass von den Bässen zu entlasten und gleichzeitig über die Filtergüte ein paar Dezibel an der Grenzfrequenz anzuheben. Ist es möglich hinter/vor den Tiefpass einen weiteren Hochpass zweiter Ordnung zu schalten, sodass im Endeffekt ein Bandpass von 70-2000 Hz entsteht? Oder macht das Probleme, weil Hoch- und Tiefton anschließend unterschiedlich viele Filterstufen durchlaufen haben?
Sangri schrieb: > Okay dankeschön. Ich werde es mir nochmal anschauen :) > > Nochmal eine andere Sache aus Interesse: > > Da die Lautsprecher die ich bauen werde relativ kleine Membranen haben > werden hatte ich eventuell auch vor diese bei ca. 80 Hz per Hochpass von > den Bässen zu entlasten und gleichzeitig über die Filtergüte ein paar > Dezibel an der Grenzfrequenz anzuheben. Ist es möglich hinter/vor den > Tiefpass einen weiteren Hochpass zweiter Ordnung zu schalten, sodass im > Endeffekt ein Bandpass von 70-2000 Hz entsteht? Oder macht das Probleme, > weil Hoch- und Tiefton anschließend unterschiedlich viele Filterstufen > durchlaufen haben? Macht es. Im Augenblick hast du eine Phasendifferenz von 180°, d.h. wenn du einen der Lautsprecher umgepolt anschließt stimmt wieder alles. Du könntest den 70 Hz Hochpass aber einfach vor beide Filter legen (also vor dem Punkt an dem sich das Signal zum HP und TP verzweigt). Dein jetziger Crossover hat übrigens einen 3dB Höcker bei 2KHz. Siehst du in der Simulation, wenn du dir mal V(out_hp)-V(out_tp) plotten lässt. Für einen echten Linkwitz-Riley bräuchtest du eine höhere Filter-Ordnung. Wenn du die Grenzfrequenzen von HP und TP etwas auseinanderziehst, wird es am Übergang zwar etwas welliger, aber der Höcker wird etwas gemindert. Wenn man R5 und R6 auf ca. 2K setzt ist man in etwa in diesem Bereich.
Sangri schrieb: > Problematischer ist der Tieftonbereich. > Dieser läuft bei Musikwiedergabe für ca. 10 Sekunden ohne Beanstandungen > und danach fängt er stark an zu verzerren und wird sehr sehr leise. Erinnert mich an meine erste, geschlossene und abgedichtete Box... Nach ein paar Bässen ist der Gegendruck oder Unterdruck so stark, dass sich die Bassmembrane fast nicht mehr bewegt... In dem Fall ist ein Scharnierbohrer 25 mm Dm oder größer gefragt, dann funktioniert es wieder und ein Bassreflexrohr kann man auch noch einbauen...
Danke für eure Antworten :) Die Lautsapecher mit denen ich teste sind bereits nach dem Bassreflexprinzip entworfen. Allerdings sollte sich auch bei einer geschlossenen Bauweise weder Über- noch Unterdruck entwickeln, da keine Luft aus dem System entweichen bzw. einströmen kann. Ich baue schon seit vielen Jahren Lautsprecher, allerdings fand die Trennung bisher immer passiv nach dem Verstärker statt. Da mir das aber manchmal zu unflexibel ist und wenn man viel ausprobieren will schnell ins Geld geht, möchte ich meine ersten Gehversuche in diese Richtung gehen. Ich habe die Schaltung jetzt soweit umgestellt, dass ich das gesamte Signal zunächst durch den Hochpass mit 70 Hz speise und anschließend in die eigentliche Frequenztrennung. (Siehe Bilder) Wenn ich nur einen Lautsprecher seperat ansteuere funktioniert das auch einwandfrei, allerdings funktionieren beide zusammen nicht. Sobsld ich das Signal nach der Frequenzweiche in den Verstärker schleuse kann ich nur seeehr sehr leise hören. Ansonsten fängt der Hochtöner (welcher zum testen auch ein Breitbandlautsprecher ist) an zu knacken und macht ganz verrückte Membranauslenkungen. Sobald der Tieftonzweig abgetrennt ist geht es auch laut ! Ideen?
Klingt danach als ob irgendetwas wild schwingt. Wie sieht denn dein Aufbau aus? Blockkondensatoren an V+ der Op-Amps vorhanden? Oszilloskop verfügbar?
Aufbau ist wie folgt: Der Aufbau befindet sich momentan auf einem Steckbrett. Verwendet werden zwei IC (NE5532). Einer für den 70 Hz Hochpass und je 1/2 IC für Hoch- und Tiefpass. Als Kondensatoren sind bis auf die Koppelkondensatoren MKP's (WIMA) verbaut. Koppelkondensatoren sind Elkos. Spannungsquelle ist ein Labornetzteil. Wobei ich es auch aus Interesse schon mit einem Akku ausprobiert habe. Das hat allerdings keine Verbesserung herbeiführen können. Das Signal, welches aus dem Laptop kommt, wird nach der Frequenzweiche in einen herkömmlichen Stereoverstärker gespeist (Class-AB). Ein Oszilloskop habe ich leider nicht. Die hohen Membranauslenkungen am "Hochtöner" treten auch immer dann auf, wenn die Musik sehr impulsiv ist (bspw. Bassdrums). Ich habe jetzt parallel zu den beiden ICs (Vcc+ --> Vcc-) je ein 100 nF Kerko geschaltet. Ist es das was du mit Blockkondensator meinst? Ist es das gleiche wie ein Siebkondensator zum Abfangen der Schaltspitzen? Keine Veränderung festzustllen.
Joe F. schrieb: > Klingt danach als ob irgendetwas wild schwingt. Oder wegen niedrigem Lastwiderstand überhitzt und seine Strombegrenzung verringert.
Nein heiß wird da nichts. Vor allem würde das Problem dann ja nicht sofort nach dem Einschalten auftreten?! Ich konnte das Problem lösen. War im Endeffekt sehr trivial. Ich hatte die Spannungsversorgung mittels Krokodikklemmen angeschlossen. Das scheint den ICs wohl irgendwie nicht gefallen zu haben. Jetzt funktionierts und Messung schauen erstmal gut aus. Siehe Bilder. Einmal auf Achse (0°) und einmal 30°. Generell scheint der Hochton etwas im Pegel angehoben zu sein. Außerdem gibt es eine Überhöhung bei ca. 1500 Hz was aber eine Membranresonanz ist. Mit ein bisschen Fantasie lässt sich auch der angesprochene "Buckel" bei der Übernahmefrequenz erkennen welcher evtl. noch Verbessrungspotential aufzeigt. Erstmal bin ich aber überrascht wie gut es insgesamt doch klingt. Vielen Dank für eure Hilfe. Falls es dennoch Vorschläge zur Optimierung gibt. Immer her damit :)
Das Abschneiden nach unten schon bei 70 Hz ist ungewöhnlich, wenn man nicht noch zusätzlich einen Subwoofer hat. Normal hat man das Rumpel und Subsonic Filter eher so bei 10-20 Hz, also eher unter dem Bereich den man hört. Die Widerstände im Tiefton Filter dürften schon noch etwas größer (z.B. 5 K) werden - dann hat man es mit dem Koppelkondensator leichter. Da am Ausgang auch noch mal eine AC Kopplung ist, kann man auch den Koppelkondensator (C4) und damit auch die DC Vorspannung dort auch verzichten. Der 70 Hz Hochpass liefert bereits den richtigen DC Pegel.
Danke für die Anregung. Das es ungewöhnlich ist stimmt. Allerdings geht es hierbei nicht um einen Rumpelfilter oder um was man hört oder nicht. Die sinnvolle Frequenz ab der man abschneiden sollte hängt doch stark von der Gehäuseresonanz ab. Normalerweise schneidet man wenige Hz unter der Rosonanzfrequenz des Gehäuses ab, da unterhalb dieser Frequenz sowieso nichts Nennenswertes von dem Lautsprecher wiedergegeben werden kann. Zudem hängt es von der Resonanzfrequenz des Chassis ab. Denn auch dieses kann unterhalb seiner Resonanzfrequenz nicht wirklich Ton erzeugen. Anregung unterhalb dieser Frequenz führt nur zu unverhältnismäßig hohen Membranauslenkung, welche die erreichbare Lautstärke stark beeinflussen, da der Lautsprecher schnell an seine mechanische Grenze kommt, ohne dabei etwas wiederzugeben. Der gestestete Lautsprecher ist ein 3" Lautsprecher. (Tangband 316b) Die bei den Messung erreichte Grenzfrequenz von ca 70 Hz (-3 db) ist für den kleinen schon Zumutung genug :). Das Gewäuse fasst 2,5 Liter (Nassreflex) und hat eine Gehäuseresonanz von 78 Hz. Deshalb die gewählten 70 Hz des Hochpasses.
Dann nimm für C3 und C4 halt 120nF - 150nF oder passe meinetwegen die Widerstandswerte an. Meiner Erfahrung nach klingt das dann aber arg dünn. mfg
den vierten OPV kann man noch als Eingangspuffer vors Filter schalten, damit dieses ausreichend niederohmig angesteuert wird. Oder man schliesst noch einen 32Ω parallel zum Eingang der Schaltung, wenn es sich um einen Kopfhöhrerausgang handeln sollte. StromTuner
Stromtuner schrieb: > den vierten OPV kann man noch als Eingangspuffer vors Filter schalten, > damit dieses ausreichend niederohmig angesteuert wird. @Stromtuner Guter Einwand. Hätte ich an meiner Statt sowieso getan. Schaltung nochmal aktualisiert. mfg
Ja, ich weiß, damit das Ding (U1) noch was sinnvolleres tut, eine weitere Eränzung.
Oh, habe ein "g" vergessen, bitte selbständig einfügen. :-)
Lurchi schrieb: > Da am > Ausgang auch noch mal eine AC Kopplung ist, kann man auch den > Koppelkondensator (C4) und damit auch die DC Vorspannung dort auch > verzichten. Ja, das ist gut. Der zwischen den Stufen mögliche Offset spielt bei 15V Versorgung keine Rolle. Trumpeltier schrieb: > Schaltung nochmal aktualisiert. An alle Op-Amp-Ausgänge könnte man sowas wie 22..47K zu GND legen, damit die Opamps ein bisschen was zu treiben haben. Ebenso an den Ausgängen. Da würde ich ebenfalls 47K zu GND legen, damit hier ein definierter Bezug zu GND hergestellt wird.
Joe F. schrieb: > An alle Op-Amp-Ausgänge könnte man sowas wie 22..47K zu GND legen, damit > die Opamps ein bisschen was zu treiben haben. Ganz wie der Herr meinen. Man könnte auch noch an allen OPAMP-Ausgängen nen 100Ω-Widerstand klemmen, allerdings wirds mir dann doch zu esoterisch. Joe F. schrieb: > Ebenso an den Ausgängen. Da würde ich ebenfalls 47K zu GND legen, damit > hier ein definierter Bezug zu GND hergestellt wird. Dem stimme ich zu, denn dann haben die OPAMPs 1. was zum treiben, und 2. sorgen die für definiertes Potential. Konsequenterweise gehört dann auch ein hochohmiger Widerstand vor C11 nach GND. Ich denke, nun ist alles gesagt.
Hey, danke für die Zusammenfassung! Ich werde die Schaltung entsprechend anpassen. Ich verstehe noch nicht 100%ig die Funktion des vierten OPVs. Gibts da einen speziellen Namen für, dass ich es nachlesen kann? Ich hatte überlegt den vierten OPV als kleinen Preamp für leistungsschwache MP3-Player oder ähnliches zu Nutzen. Ist aber vermutlich überflüssig. Noch etwas: Gibt es eine Möglichkeit, was man es sonst passiv nach dem Verstärker über MOX-Widerstände macht, innerhalb der Filterschaltung mittels Spannungsteiler den Pegel des Hochtöners an den Wirkungsgrad des Tieftöners anzupassen? (abzusenken) Vielen Dank nochmals MfG
Sangri schrieb: > Nein heiß wird da nichts. Vor allem würde das Problem dann ja nicht > sofort nach dem Einschalten auftreten?! Ich dachte, ich hätte gelesen, dass es direkt nach dem Einschalten geht und erst 10 Sekunden später begrenzt und verzerrt. Nun ja, waren wohl alternative Fakten von denen du geschrieben hast.
Ich möchte Dir die Schaltungen von linkwitzlab ans Herz legen. Die 24dB/Oktave sind wirklich den Aufwand wert. Bei der Flankensteilheit gibt es weniger Probleme mit der Belastbarkeit des Hochtöners bei 2000Hz. Eine niedrige Güte mit 0,5 ist auch wichtig. Man kann im 2-Wege Fall das Zeugs auch passiv mit Boxsim und 24dB realisieren. Die Spulen sind wegen des Kupferpreises teuer, kommt praktisch genauso teuer wie aktiv. Mit Boxsim kann man aktiv und passiv gleichzeitig simulieren und die Kurven fast deckungsgleich machen. Auf eine gleichmässige Impedanzkorrektur muss dann geachtet werden. Die Impedanzänderung während der Wiedergabe bringt die Verzerrungen und das ist dann der Vorteil einer Aktivierung. Wichtiger ist aber die Güte von <=0,5 der "aperiodische Grenzfall"...
Bitte melde dich an um einen Beitrag zu schreiben. Anmeldung ist kostenlos und dauert nur eine Minute.
Bestehender Account
Schon ein Account bei Google/GoogleMail? Keine Anmeldung erforderlich!
Mit Google-Account einloggen
Mit Google-Account einloggen
Noch kein Account? Hier anmelden.















