Hallo zusammen, ich habe mich schon öfter gefragt, ob es einen Single-Chip Optokoppler für digitale Signale gibt. Ich habe gesucht, aber keinen gefunden, der das macht "was ich im Kopf habe". Um es mal zu beschreiben: Ich habe eine unidirektionale Verbindung zwischen 2 Chips, z.B. uCs. Diese Verbindung möchte/muss ich galvanisch trennen. Die Lösung die ich kenne und schon häufiger aufgebaut habe sieht so aus: Ich habe einen Optokoppler, dessen LED-Anode ich auf Vcc lege und dessen LED-Kathode ich über einen Transistor auf GND schalte (für den Fall, dass der uC den LED-Strom nicht liefern/senken kann). Den Ausgangstransistor schließe ich mit dem Emitter an AGND an und hänge den Collector über einen Pull-Up an V+. Die Negation kann dann per Software wieder "korrigiert" werden. Es gibt aber ja auch sogenannte Optokoppler mit digitalen Ausgängen. Die sehen quasi genauso aus, haben aber Ausgangsseitig einen Output-, ein Masse- und einen Versorgungs-Pin. Der Ausgang ist also so, wie bei einem Logik-Gatter. Laut einigen Schaltbildern ist dort eine Fotodiode und Schmitt-Trigger Buffer. Der Punkt, um den es mir geht ist: Der Eingang ist immernoch die LED direkt, die mein Chip nicht liefern/senken kann. Ich hätte also gerne einen Optokoppler, der Eingangsseitig einen Vcc, GND und Input-Pin hat und Ausgangsseitig wie bei o.g. Optokoppler einen V+, AGND und Output-Pin. Also eigentlich nichts anderes, als Eingangsseitig noch einen Buffer, der den LED-Strom schaltet, der über den Vcc Pin kommt. Ein High geht rein, ein High kommt raus, z.B. TTL oder CMOS konform am Eingang und Ausgang. Der Chip müsste vermutlich noch eine Konstantstromquelle haben, um die LED bei verschiedenen Vcc-Spannungen optimal zu betreiben. Ich habe soeinen Optokoppler aber noch nirgends entdeckt. Gibt es sowas nicht oder bin ich nur zu blöd zum gucken? Kann mir jemand einen Typ nennen, der das so kann, wie ich es beschrieben habe? Vielen Dank Grüße Michael
So ein Ding habe ich weder gesehen noch jemals Bedarf danach gehabt. Wenn Du keinen Single Transistor verlöten möchtest,dann kannst Du doch einen Single Inverter einsetzen.So benötigst Du nur einen klassischen Vorwiderstand für den Optokoppler.
Schau mal nach Analog Devices die ADUM Serie. Das sind zwar keine Optokoppler sondern magnetisch, sind aber ganz tolle Teile zum galvanischen trennen.
Michael S. schrieb: > Ich habe soeinen Optokoppler aber noch nirgends entdeckt. Z.B. HCPL-7710: http://de.farnell.com/broadcom-limited/hcpl-7710-000e/optokoppler-cmos-12-5mhz/dp/9346902 Ich nehme für neue Projekte aber die ADUM140x. 4 Koppler in einem Gehäuse und beide Richtungen.
Alles klar, vielen Dank. Den HCPL habe ich wohl wirklich übersehen. Die ADUMs kenne ich, nehme ich auch gerne. Aber es gibt da jemanden, der schwört auf optische Trennung, da die Kopplung hochfrequenter Störungen zwischen den Masseleitungen besser sein soll. Ich konnte ihn nicht für die ADUMs begeistern.
Michael S. schrieb: > Aber es gibt da jemanden, der schwört auf optische Trennung transient immunity: HCPL: 10kV/µs ADUM: 25kV/µs Capacitance (Input-to-Output) je Kanal: HCPL: 0,6pF ADUM: 2,2pF / 4 = 0,55pF
Ich denke da liegt der Unterschied zwischen erfahren und eingefahren.
Michael S. schrieb: > (für den Fall, dass der uC den > LED-Strom nicht liefern/senken kann) Liefern oder senken kann er immer, sonst ist nämlich keine halbwegs schnelle digitale Kommunikation möglich. Man bedenke, dass der nachfolgende Eingang als Kapazität mit der Ausgangsimpedanz einen Tiefpass bildet. Daher können µCs immer wenigstens einige mA treiben, was für einen Opto ausreichen sollte. Die letzten µC ohne Totem-Pole Ausgängen die mir begegnet sind waren 8051ger - und deren moderne Varianten wie EFM8 haben (zuschaltbare) Push-pull Ausgänge.
Ich habe neulich für eine sehr empfindliche Analogelektronik einen kapazitiven Isolator von TI genommen, und zwar den ISO7842 mit 8kV Spannungsfestigkeit, 100kV/us Störfestigkeit und insgesamt 2,0pF Koppelkapazität. Bei manchen, insbesondere sehr schnellen, Digitalisolatoren muss man jedoch in der Tat aufpassen, sich keine EMV-Probleme einzuhandeln. Insbesondere die ganz frühen Modelle von Analog Devices galten als wahrer Schreck in der EMV-Messkammer. Das, was jedoch von manchen Entwicklern vergessen wird, ist - je nach Typ - eine zusätzliche kapazitive Kopplung der beiden Seiten über die Leiterplatte. Empfohlen wird z.B. einer Überlappung der beiden Masseflächen über etliche mm^2, um eine sehr niederimpedante und großflächige Kopplung zu erzielen. Bei vielen neuen Isolatoren werden diese Kapazitäten aber (laut Datenblatt) nicht mehr zwingend benötigt.
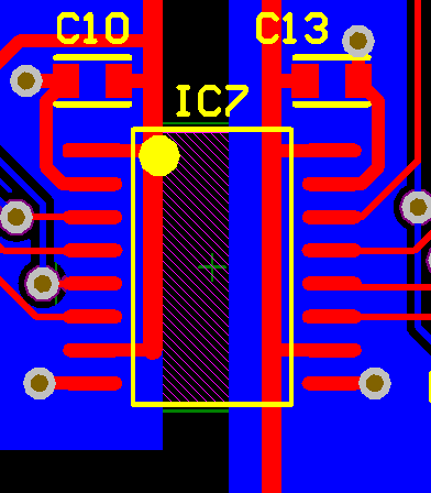
Andreas S. schrieb: > Empfohlen > wird z.B. einer Überlappung der beiden Masseflächen über etliche mm^2, > um eine sehr niederimpedante und großflächige Kopplung zu erzielen. Also ich lese genau das Gegenteil: "In applications involving high common-mode transients, care should be taken to ensure that board coupling across the isolation barrier is minimized." Ich habe immer eine große Lücke zwischen den beiden GND unter dem IC (siehe Bild). Ich hatte allerdings mal wegen Lieferschwierigkeiten einen "scheinbar" kompatiblen ISO7241 bestücken lassen und prompt funktionierte die Schaltung nicht mehr. Ich konnte statisch andere Pegel auf beiden Seiten messen, d.h. der Ausgang folgte mal dem Eingang und mal nicht. Nach Umlöten auf AD ging wieder alles einwandfrei. Seitdem lasse ich die Finger von den TI ISOxxx.
Michael S. schrieb: > Single-Chip Optokoppler > für digitale Signale gibt. An anderer Stelle wurde mir mal empfohlen: g457 schrieb: > Typvorschlag: 6N136 oder 6N137 für die Datenleitungen
Da werf ich noch folgende ins Rennen: SI8420 https://www.silabs.com/documents/public/data-sheets/si841x-2x-datasheet.pdf Die Funktion ist ähnlich der der ADUM. Die Silabs sind aber erheblich günstiger, so gegen den halben Preis teils. Probleme konnte ich noch keine feststellen, und EMV habe ich mit denen schon durch. Sowohl Immunität (Surge/Burst) als auch Abstrahlung. Mit der ISO Serie von TI gab es hier allerdings angeblich schon einmal Probleme. Wenn ich mich recht erinnere irgendein Abstrahlungsproblem - die sollen lt. einem Kollegen Störungen produziert haben.
Wenns denn nunmal optisch sein soll: FOD0710 und seine Brüder währe noch zu nennen. So richtig billig ist das aber nicht. Ein Chip der kein 1 mA für einen Optokoppler bringt? Müsste man schauen welche Geschwindigkeiten gefordert sind aber mit geschickter Bauteileauswahl ist das durchaus möglich. Praktisch jeder nimmt da 1x Standard Optokoppler + 2 Widerstände und ist glücklich. viel Erfolg Hauspapa
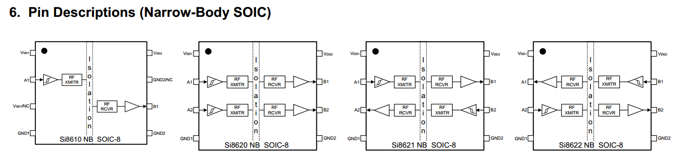
ohne alles gelesen zu haben, schau mal diese bausteine an: https://www.silabs.com/documents/public/data-sheets/si861x-2x-datasheet.pdf Einfacher geht's nicht, und sind auch nicht sonderlich teuer :-) edit: ok, da war einer über mir schneller
Bitte melde dich an um einen Beitrag zu schreiben. Anmeldung ist kostenlos und dauert nur eine Minute.
Bestehender Account
Schon ein Account bei Google/GoogleMail? Keine Anmeldung erforderlich!
Mit Google-Account einloggen
Mit Google-Account einloggen
Noch kein Account? Hier anmelden.

