Hallo, ich habe gerade einen Artikel zum Pullup Widerstand gelesen und dabei verstehe ich etwas nicht. Artikel: https://www.elektronik-kompendium.de/public/schaerer/pullr.htm Zitat aus dem Artikel > Beim Öffnen des Tasters zieht der Pullup-Widerstand die Spannung am > Eingang hoch bis zum Betriebsspannungswert +Ub, was logisch HIGH > entspricht. was heißt das er zieht die Spannung nach oben??? Ich kenne das so. Wenn ein Taster "offen" dann ist der Stromkreis offen und dann fließt kein Strom..also kann auch keine Spannung am Widerstand abfallen.. Bitte in so einfacher Sprache wie möglich aufklären..Ich danke vielmals. : )
Ich verstehe das nun so. Wenn ich den Tater schließe fällt die Spannung vollständig am Widerstand ab und am Eingangspin des UND liegt GND Potential an. Bei dem Pulldown, das gleiche nur dass dann am UND Eingangangspin +Ub anliegt. Das würde bedeuten im ersten Bild (Pullup) ist der Eingangspin LOW. Im zweiten Bild (Pulldown) ist der Eingangspin HIGH. Wenn der Taster gedrückt ist. Ist das korrekt?
Pull-Up: Die per Pull-Up angeschlossene Leitung ist, solange der Taster nicht betätigt ist High. Am Und Gatter liegt also ein 1-Signal an. Wird der Taster geschlossen, wird das Signal auf Masse gezogen, der Eingangspegel am Und-Gatter ist 0. Pull-Down: Solange der Taster nicht betätigt wurde, ist das Signal am Gatter 0. Wird nun der Taster betätigt, ändert sich das Signal in 1. Pull-Up oder Pull-Down Widerstände sind dafür gedacht, dass die Signalleitung einen definierten Pegel bekommt, solange keine Auswirkungen stattfinden.
Der UNO kann keinen Pulldown. Das geht nur extern. Wenn INPUT_PULLUP aktiviert ist: Wenn nichts angeschlossen ist, ist die Spannung 0 Wenn was angeschlossen wird, ist die Spannung 5 V Sinn macht das, wenn der angeschlossene Geber gegen Masse schaltet. Dann fällt die Spannung, wenn der Geber Signal gibt, von 5 V auf 0 V. Bei einem PNP Schaler macht PULLUP keinen Sinn, weil der nicht gegen Masse schaltet sondern HIGH zurückliefert beim Auslösen. Das Signal würde untergehen. Bei einem NPN Schalter macht es Sinn.
Ostap A. schrieb: > also kann auch keine Spannung am > Widerstand abfallen.. Das hast du sehr gut erkannt!!! Sei: Vcc = 5V Sei Spannungsabfall = 0V Spannung am Pin = Vcc - Spannungsabfall Spannung am Pin = 5V - 0V Spannung am Pin = 5V 5V == HIGH Also: Zitat voll wahr Ostap A. schrieb: > Zitat aus dem Artikel > >> Beim Öffnen des Tasters zieht der Pullup-Widerstand die Spannung am >> Eingang hoch bis zum Betriebsspannungswert +Ub, was logisch HIGH >> entspricht.
Marco G. schrieb: > Pull-Up: Die per Pull-Up angeschlossene Leitung ist, solange der Taster > nicht betätigt ist High. Am Und Gatter liegt also ein 1-Signal an. Warum ist sie High wenn der Taster "nicht betätigt" ist. Ich dachte High bedeutet es liegt Spannung an. Aber Spannung liegt doch erst an wenn der Taster "betätigt" wird.
Arduino F. schrieb: > Spannung am Pin = Vcc - Spannungsabfall > > > Spannung am Pin = 5V - 0V > Spannung am Pin = 5V > 5V == HIGH > > Also: Zitat voll wahr ok ich habe es jetzt! Ich habe die ganze Zeit gedacht, dass wenn der Taster geöffnet ist, gar keine Spannug am Pin anliegen kann,(denkfehler) aber es ist alles sinnig. danke!
Man könnte es so schreiben: Da kein Strom durch den Pull-Up-Widerstand fliesst, fällt an ihm auch keine Spannung ab. Da keine Spannung abfällt, ist das Potential an beiden Enden des Widerstandes gleich hoch - also VCC. In realen Schaltungen gilt das nicht so streng: Aber da die Eingangswiderstände von Gattern oder uC-Ports sehr hoch sind, fliessen nur geringe Ströme, so das der Potentialunterschied zwischen beiden Enden des Widerstandes sehr gering ist - also immer noch nahezu VCC. Die Spannung fällt hauptsächlich zwischen dem Eingang und dem Bezugspotential von VCC, also Masse, ab. Etwas abstrakter betrachtet, besteht ein qualitativer Unterschied zwischen Spannung und Strom. Die Spannung ist die Ursache für einen Stromfluss, aber nicht umgekehrt.
> Wenn ein Taster "offen" dann ist der Stromkreis offen > und dann fließt kein Strom..also kann auch keine Spannung am > Widerstand abfallen. Genau so ist es. Da das eine Ende des Widerstandes mit +Ub verbunden ist und an ihm keine Spannung abfällt, liegt der Eingang des IC ebenfalls auch +Ub, also High Pegel. Nachtrag: Misst, Theor hat mich überholt.
Ostap A. schrieb: > ich habe gerade einen Artikel zum Pullup Widerstand gelesen und dabei > verstehe ich etwas nicht. > > Artikel: > https://www.elektronik-kompendium.de/public/schaerer/pullr.htm Frag doch mal beim Forum vom www.elektronik-kompendium.de Vielleicht antwortet der Thomas Dir dann selbst. :-)
Ostap A. schrieb: > was heißt das er zieht die Spannung nach oben??? > Ich kenne das so. Wenn ein Taster "offen" dann ist der Stromkreis offen > und dann fließt kein Strom..also kann auch keine Spannung am > Widerstand abfallen.. > > Bitte in so einfacher Sprache wie möglich aufklären..Ich danke vielmals. ich versuche es auch mal :) wo ist der Sinn eines Tasters ohne Information? Wie soll ein Taster einen Port auf low schalten wenn vorher kein high anwesend war? Also schafft man ein high durch einen pullup, nur dieses kann auf low (GND) gezogen werden vom Taster. CMOS Eingänge sind üblicherweise hochohmig und haben kein Potenzial, also sorgt man für eines. Würde man den Port direkt an VCC klemmen sorgt der gedrückte Taster für einen "Kurzschluß" von VCC, ist also wenig erstrebenswert. Mit einem definierten pullup begrenzt man den Strom soweit wie der Taster es unbeschadet überlebt und gleichzeitig sorgt man dafür das die Kapazitäten vom Port und Kabel in angemessener Zeit wieder umgeladen werden, das soll ja nicht ewig dauern.
In gut vorstellbarer Sprache: Dein ausgestreckter Arm hängt an einem Gummiband und wird so waagerecht gehalten. Das Gummiband ist der Pullup. Waagerechter Arm = High. Ein Schalter ist ein Seil, der deinen Arm blitzschnell nach unten zieht. Dort ist Low. Nach unten ziehen geht, weil das Gummiband nachgibt. Öffnet der Schalter, geht der Arm über das Gummiband wieder in die Waagerechte. Gummiband = Widerstand. Je niederohmiger, um so härter das Gummiband. Je mehr Kraft braucht der Schalter zum runterziehen. Kraft = Strom.
Ostap A. schrieb: > ok ich habe es jetzt! > Ich habe die ganze Zeit gedacht, dass wenn der Taster geöffnet ist, gar > keine Spannug am Pin anliegen kann,(denkfehler) > > aber es ist alles sinnig. danke! Nur zur Erinnerung an die, die ihre eigenen Verschlimmbesserungen so gerne lesen.
Güntherr schrieb: > Nur zur Erinnerung an die, die ihre eigenen Verschlimmbesserungen so > gerne lesen. ich danke vielmals. : ) Ich habe eine weitere Frage. Ohne den Pullup widerstand würde doch am Eingangspin ebenfalls "high" anliegen (Wenn der Taster offen ist) Das heißt seine eigentliche Funktion erhält der Pullup Widerstand erst wenn der Taster geschlossen wird, erst dann fällt ja Spannug an ihm ab. Oder sehe ich das Falsch? Diese Aussage habe ich hier im Forum gefunden. "Active Low: Bei dieser Methode wird der Kontakt zwischen den Eingangspin des Controllers und Masse geschaltet. Damit bei offenem Schalter der Controller kein undefiniertes Signal bekommt, wird zwischen die Versorgungsspannung und den Eingangspin ein sogenannter Pull-Up Widerstand geschaltet. Dieser dient dazu, den Pegel bei geöffnetem Schalter auf logisch 1 zu ziehen." Hier heißt es ja, wenn der Taster "offen" ist, wird der Pullup geschaltet damit kein undefeniertes Signal anliegt. Aber warum sollte ein undefiniertes Signal anliegen? Wenn Vcc am Pin direkt angeschlossen wäre, dann ist das doch "high". Meine Frage ist also, hat der Pullup seine eigentliche Funktion wenn der Taster 1: "offen" 2: "geschlossen" ist???
Ostap A. schrieb: > ich danke vielmals. : ) oh bitte, aber nun reichts bald (stellst du dich dumm oder trollst du?): > Ich habe eine weitere Frage. Ohne den Pullup widerstand würde doch am > Eingangspin ebenfalls "high" anliegen (Wenn der Taster offen ist) was genau hast du an offenen Eingang nicht verstanden? Woher kommt deine falsche Annahme das der PIN offen high sieht? Woher soll auf einer offenen Leitung high kommen, vielleicht kommt auch low oder alles mal so und mal so? Wusstest du das Radio schon erfunden ist und in der Luft eine Menge (Funk)Signale rumschwirren?
> Ohne den Pullup widerstand würde doch am > Eingangspin ebenfalls "high" anliegen (Wenn der Taster offen ist) Nein, weil der Eingang dann offen wäre. Ein digitaler Eingang ist offen, wenn er weder auf Low noch auf High gezogen wird. Er würde wie eine Antenne Radiowellen empfangen. Kleines Experiment dazu: Nimm einen CMOS Inverter aus der CD40xx Serie. An dessen Ausgang hängst du eine rote und eine grüne LED. Als Antenne dient ein 10cm Stück Draht, dessen anderes Ende lose in der Luift herum baumelt.
1 | ___ +----|<|----[===]---o VCC 3V |
2 | | | | |
3 | Antenne o-------| 1 |o----+----|>|----[===]---| GND |
4 | |___| 2x LED 470 Ohm |
Wenn du mit der Antenne in die Nähe einer Elektrischen Leitung gehst, werden beide LED's flackern. Der Chip empfängt elektromagnetische Felder durch die Luft. Genau das will man bei einem offenen Schalter oder Taster nicht haben. Jetzt hast du aber einen praktischen Leitungssucher für den Bohrmaschinen-Koffer. > Wenn Vcc am Pin direkt angeschlossen > wäre, dann ist das doch "high". Ja sicher, dann ist das 100% High.
Joachim B. schrieb: > oh bitte, aber nun reichts bald (stellst du dich dumm oder trollst du?): das erste vermutlich. > Woher kommt deine falsche Annahme das der PIN offen high sieht? Ich habe ein Bildchen gezeichnet, siehe Anhang. In beiden Fällen ist der Eingang High. Das meinte ich!
Beide Fälle sind exakt gleich. In beiden Fällen zieht der Widerstand den Eingang auf High. Du verschaukelst uns doch!
Beitrag #4996076 wurde von einem Moderator gelöscht.
Beitrag #4996079 wurde von einem Moderator gelöscht.
> Beide Fälle sind exakt gleich. In beiden Fällen zieht der Widerstand > den Eingang auf High. Ich habe einen Satz vergessen: Im oberen Fall beträgt der Widerstand allerdings 0 Ohm. Das heisst: Dein Eingang ist in beiden Fällen NICHT offen. Das die obige Schaltung einen bösen Seiteneffekt hast, ist Dir aber klar, oder?
Beitrag #4996082 wurde von einem Moderator gelöscht.
Ostap A. schrieb: > Ich habe ein Bildchen gezeichnet, siehe Anhang. In beiden Fällen ist der > Eingang High. Das meinte ich! Aber in einem der beiden Fälle raucht dir der Taster bei Betätigung ab. Gnadenlos.
Beitrag #4996085 wurde von einem Moderator gelöscht.
Beitrag #4996087 wurde von einem Moderator gelöscht.
Beitrag #4996088 wurde von einem Moderator gelöscht.
Beitrag #4996092 wurde von einem Moderator gelöscht.
Beitrag #4996094 wurde von einem Moderator gelöscht.
Beitrag #4996097 wurde von einem Moderator gelöscht.
Beitrag #4996106 wurde von einem Moderator gelöscht.
Beitrag #4996108 wurde von einem Moderator gelöscht.
Beitrag #4996110 wurde von einem Moderator gelöscht.
Beitrag #4996111 wurde von einem Moderator gelöscht.
Beitrag #4996112 wurde von einem Moderator gelöscht.
Ich will niemanden verschaukeln. Warum regen sich die Leute immer so schnell auf. Jeder hat seine Stärken und Schwächen. Alles was mit Informatik/Elektronik zu tun hat, gehört absolut zu meinen Schwächen. Trotzdem muss ich da durch,... Meine vorherige Frage ist leider utnergegangen,.,.,. Meine Frage war, hat der Pullup seine eigentliche Funktion wenn der Taster 1: "offen" 2: "geschlossen" ist??? Ich würde sagen, wenn er geschlossen ist. Bitte beachten hier geht darum ob der TASTER offen/geschlossen ist. Nicht der Eingangspin
Beitrag #4996117 wurde von einem Moderator gelöscht.
Beitrag #4996118 wurde von einem Moderator gelöscht.
Beitrag #4996119 wurde von einem Moderator gelöscht.
Beitrag #4996120 wurde von einem Moderator gelöscht.
Beitrag #4996124 wurde von einem Moderator gelöscht.
Beitrag #4996125 wurde von einem Moderator gelöscht.
Beitrag #4996126 wurde von einem Moderator gelöscht.
Beitrag #4996127 wurde von einem Moderator gelöscht.
Beitrag #4996128 wurde von einem Moderator gelöscht.
Beitrag #4996129 wurde von einem Moderator gelöscht.
Ostap A. schrieb: > Ich verstehe das nun so. offensichtlich immer noch nicht, wie wäre es mit anderen Hobbies? Ostap A. schrieb: > Ich habe ein Bildchen gezeichnet, siehe Anhang. In beiden Fällen ist der > Eingang High. Das meinte ich! Malen ist ein schönes Hobby, aber bitte nicht mehr Elektronik In deinen Bildchen ist der Port nicht offen und nur deswegen high durch pullups sogar mit einem nahe Null OHM. Wenn du da den Taster drückst :)
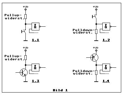
Pullup-Widerstand
-> Schalter geschlossen -> es liegt Low an Eingang an.
-> Schalter geöffnet -> es liegt High an Eingang an.
Pulldown-Widerstand
-> Schalter geschlossen -> es liegt High an Eingang an.
-> Schalter geöffnet -> es liegt Low an Eingang an.
Die Widerstände werden genutzt, damit definierte Signale an Eingängen
liegen.
5V
|
|
\
|
-------µC // In diesem Beispiel liegt bei geschlossenem Schalter
zwar
5V an, bei offenem jedoch ein "undefiniertes Signal"
5V
|
|
\
|
-------µC //Hier liegen bei geschlossenem Schalter definierte 5V an
| und bei offenem definierte 0V (GND) an.
| | //Widerstand
| |
|
GND
Genau umgedreht ist es bei Pull Up Widerstände.
Ostap A. schrieb: > Bitte beachten hier geht darum ob der TASTER offen/geschlossen ist. > Nicht der Eingangspin Wie möchtest du den Eingangspin "öffnen"? Abkneifen? Ostap A. schrieb: > Meine Frage war, hat der Pullup seine eigentliche Funktion wenn der > Taster > 1: "offen" > 2: "geschlossen" > > ist??? > > Ich würde sagen, wenn er geschlossen ist. Deine Frage wurde aber auch schon mehrfach beantwortet: Der Widerstand erfüllt in beiden Fällen seine "eigentliche Funktion". - Wenn der Taster offen ist, zieht der Widerstand den Eingang auf ein festes Potential, um eine logische "1" zu erzeugen. Würde der Pin in der Luft hängen, nennt man das floating (undefinierter Zustand) und man kann nicht genau sagen, was da zu welchem Moment anliegt. Das ist allgemein zu vermeiden. - Wenn der Taster geschlossen wird, begrenzt der Widerstand den Strom durch den Taster, obwohl am Pin nun 0V anliegen. Ohne Widerstand würde der Taster einen Kurzschluss zwischen VCC und GND erzeugen. Je nach Quelle fließen dann so hohe Ströme, dass der Taster zerstört wird.
Ostap A. schrieb: > Meine Frage war, hat der Pullup seine eigentliche Funktion wenn der > Taster > 1: "offen" > 2: "geschlossen" Der Pullup erfüllt seine Funktion, wenn der Taster offen ist, denn dann "zieht" er den uC-Eingang nach oben (deswegen der Name "PullUp"), also "zeigt" er über die Verbindung mit der Betriebsspannung dem uC-Eingang die logische 1 und somit einen eindeutigen Pegel. Sobald der Taster gedrückt ist, bauchst du den Widerstand eigentlich nicht mehr. Der uC-Eingang wird über den Taster, der sich in diesem Fall wie ein 0-Ohm-Widerstand verhält, "hart" nach null Volt, also zur logischen Null gezogen. Der Taster funktioniert in diesem Moment im übertragenden Sinne wie ein Pull-Down-Widerstand, der aber in seiner Wirkung sagen wir mal "stärker" als der Pull-Up-Widerstand ist. Solange der Taster gedrückt ist, fließt Strom über den Widerstand und die gesamte Spannung fällt über ihm ab, was Verlustleistung erzeugt. Das wird aber in Kauf genommen. Sobald der Taster wieder losgelassen wird, "zieht" der Widerstand den Eingang wieder nach oben - nur so ist eine zuverlässige Detektion des "Loslassens" möglich und der Eingang hat stets einen eindeutigen und "funkwellenresistenten" Pegel. Hätte man einen Taster mit einem Wechslerkontakt, könnte man ohne PullUp-Widerstand auskommen, da der Eingang dann "hart" zwischen High und Low umgeschaltet werden könnte und keine dauerhafte Verlustleistung an einem Widerstand anfiele. Da das aber einen erhöhten Aufwand darstellt (Kleine 6x6mm-Taster habe ich z.B. bisher nur als Schließer gesehen), die Verlustleistung für einen kurzen Tastendruck nicht ins Gewicht fällt, zusätzliche Leiterbahnen nötig wären und so weiter, macht das aber keiner so. Ich hoffe, damit bin ich ich Deiner Denkweise weit genug entgegen gekommen. PS: Selbst, wenn du es nicht 100%ig verstehen solltest, nutze Pullup-Widerstände an Mikrocontrollereingängen, das funktioniert (hat sogar eine eigene Seite beim E-Kompendium!) :)
@ Ostap A. VIA hat die unmittelbare Frage schon beantwortet. Da ich gerne abstrakte Überlegungen anstelle, meine, dass solche helfen, dass sogenannte "Große Ganze" zu sehen und dabei, wiederum Einzelfälle sinnvoll zu betrachten, möchte ich gerne noch etwas hinzufügen. Es geht in der Elektronik, - nicht anders als im sonstigen Leben -, darum, bestimmte Gleichgewichtszustände herbeizuführen und dabei Grenzen einzuhalten, die sich aus der Physik ergeben. Insofern ist die Frage nach der "eigentlichen Funktion" interessant. Leider schreibst Du nicht, was Du darunter verstehst - das ist bei solchen Fragen oft garnicht möglich, weil sie oft "aus dem Bauch heraus" gestellt werden. Idealerweise - im ökonomischen Sinn - tragen die verwendeten Bauelemente in jedem Betriebszustand dazu bei, eben diesen herbeizuführen und / oder ihn beizubehalten. Falls das zutrifft, gibt es keine "eigentliche Funktion" eines Bauteils. In jedem Betriebszustand trägt jedes Bauteil zur Funktion bei. Das ist in vielen Fällen nicht ganz einfach zu erkennen. Es gibt Schaltungen, die sogar erfahrene Leute erst nach längerem Kaffeekonsum vollständig verstehen. Im übrigen gibt es durchaus eine Reihe Fälle in denen bestimmte Bauteile in bestimmten Zuständen keine Rolle spielen. Aber diese Angelegenheit mit dem Pull-Up ist glücklicherweise recht einfach. Sieh einmal die ganze Anordnung von Pull-Up-Widerstand und Taster als einen Fall eines Spannungsteilers. In dem einen Fall (Taster offen) besteht der Teiler aus einem Pull-Up-Widerstand und einem im Vergleich sehr hochohmigen zweiten Widerstand - dem offenen Taster. An dem Mittelabgriff liegt im wesentlichen VCC, wie wir ja schon festgestellt haben. Du überlegst vielleicht, aber durchaus richtig, dass die Größe des Widerstandes in genau diesem Betriebszustand keine Rolle spielt. Er könnte gerade so gut Null Ohm sein oder jeden anderen beliebigen Wert haben. Das ist also scheinbar so ein Betriebsfall in dem ein Bauteil nicht "stört". Man könnte also durchaus so schreiben, dass der Widerstand in diesem Betriebsfall - aber eben nur dann - keine "eigentliche" Funktion als Widerstand hat; wenn das stimmen würde. Aber der Widerstand hat hier noch eine zweite Eigenschaft, nämlich die ein Leiter zu sein. Ich schrieb ja schon, dass in diesem Fall der Widerstand gerade so gut, Null Ohm haben dürfte, ohne das die Funktion (in diesem Betriebsfall) gestört würde. Aber: Wie käme, falls der Widerstand oder ersatzweise ein Leiter, nicht da wäre, das Potential am Eingang? Es wäre unbestimmt. Der Eingang würde "in der Luft hängen", das Potential würde unbestimmt sein, ständig schwanken - und das würde Fehlfunktionen herbeiführen. Es ist also im Schluss so, dass zwar ein Widerstand, in dem Sinne, dass damit ein Bauteil bezeichnet wird, nicht nötig ist, aber ein Leiter ist in jedem Fall nötig. In dem anderen Betriebsfall (geschlossener Taster), besteht der Teiler wieder aus dem Pull-Up-Widerstand und einem extrem niederohmigen zweiten Widerstande - dem geschlossenen Taster. Dann liegt am Mittelabgriff Null Volt. Aber welcher Strom fliesst eigentlich? Es fliesst ein Strom von VCC durch den Pull-Up-Widerstand nach Masse. Wie groß ist der Strom? Er wird nach dem lieben Georg Simon Ohm, durch die Gleichung I = U/R beschrieben. Nun ist es so, dass Stromversorgungen nur in gewissen Grenzen arbeiten. Es gibt einen maximalen Strom, den man bei fester Spannung auch als maximale Leistung angeben kann. Es muss also der Pull-Up-Widerstand, damit der Strom nicht überschritten wird, eine bestimmte Mindestgröße haben. In diesem Fall also, reicht es nicht einfach nur einen Leiter zu haben. Für den ersten Fall reicht ein Leiter, das ist klar. Aber im zweiten Betriebsfall muss dieser Leiter, da er nun mal vorhanden ist, einen von Null verschiedenen Mindestwiderstand haben, sonst wird der Strom zu groß. D.h. dass der Widerstand in beiden Fällen eine "eigentliche Funktion" hat (es handelt sich also nicht um eine Schaltung, in dem ein Bauteil in einem Betriebszustand nicht stört). Nur müsste er theoretisch in dem einen Fall (Taster offen) nicht wirklich als Bauteil namens "Widerstand" ausgeführt sein. Es ist der andere Fall (Taster geschlossen) der das erforderlich macht. Bemerkung: Man muss auch beachten, dass in den Eingang dann doch in der Realität ein Strom fliesst. Der Widerstand darf also doch nicht beliebig groß sein. Sonst fällt nämlich so viel Spannung ab, dass am Eingang eine so niedrige Spannung ankommt, die nicht mehr als logisch "High" erkannt wird. Ich hoffe das hilft Dir.
Joachim B. schrieb: > Woher kommt deine falsche Annahme das der PIN offen high sieht? Vermutlich aus alten 7400-Zeiten. :-)
Harald W. schrieb: > Joachim B. schrieb: >> Woher kommt deine falsche Annahme das der PIN offen high sieht? > > Vermutlich aus alten 7400-Zeiten. :-) die sind so lange her, da hätte man schon dazu lernen können :) ich denke immer noch er trollt oder hat das falsche Hobby.
Der Beitrag ist zwar schon etwas älter, ich möchte dennoch meinen Input dazu geben, da ich mir die selbe Frage wie sokrates1989 gestellt habe. Nun ist es so, dass nicht sokrates1989 die Antwort immer wieder falsch verstanden hat, sondern die Beantworter die Frage nicht verstanden hatten. Erst Theor hat die Frage wirklich und dazu auch sehr gut beantwortet! Vielen Dank dafür! Jetzt habe auch ich es geblickt bzw. meine ursprüngliche Vermutung wurde bestätigt. Und Fazit aus der Antwort, sokrates1989 hatte mit seiner Annahme sehr wohl recht... das lasse ich gerade so mal stehen. Woher kommt die ganze Verwirrung (zumindest bei mir)? Das ist die Bezeichnung Pullup Widerstand! Denn hochziehen tut er ja gar nichts, genau genommen zieht er sogar ganz leicht nach unten.
CaZi schrieb: > Woher kommt die ganze Verwirrung (zumindest bei mir)? Ein Tipp: du bist mit dem Nachdenken zum Thema "Pullup" noch nicht ganz durch... > Das ist die Bezeichnung Pullup Widerstand! Denn hochziehen tut er ja gar > nichts, genau genommen zieht er sogar ganz leicht nach unten. Ein Pullup sorgt wie ein Pulldown allem voran für einen definierten Pegel an einem hochohmigen Eingang. O. A. schrieb: > Wenn ein Taster "offen" dann ist der Stromkreis offen und dann fließt > kein Strom.. Natürlich fließt dann noch ein Strom. Stichwort dazu: "Leckstrom" aka "leakage current". Diese Betrachtung ist aber nur in Spezialfällen relevant und tut hier nichts zur Sache. > Wenn ein Taster "offen" dann ist der Stromkreis offen und dann fließt > kein Strom.. also kann auch keine Spannung am Widerstand abfallen.. Da hat er nur den nächsten Schritt nicht fertig gedacht... Denn wenn kein Strom fließt und demzufolge wie korrekt erkannt keine Spannung am Widerstand abfällt, ist auch an beiden Pins des Widerstands die selbe Spannung und damit 5V am µC-Eingang. Jawoll, gewonnen, definierter High-Pegel erreicht. CaZi schrieb: > Der Beitrag ist zwar schon etwas älter Richtig.
Da hier jetzt nochmal ein BEitrag gepostet wurde, möchte ich auch noch mal kurz was sagen. Und zwar habe ich tatsächlich mit so einem simplen Ding wie dem Pullup trotz aller Antworten hier nur BAHNHOF verstanden. (trotz hilfreicher Antworten) Erst in einem Buch habe ich gecheckt worum es geht. in diesem hier: http://shop.myavr.de/index.php?sp=article.sp.php&artID=3 Ich möchte niemandem auf den Schlips treten, aber ich habe gemerkt dass man hier im Forum auf 10 mal die gleiche Frage, 10 mal eine unterschiedliche Antwort bekommt..mit etwas Glück kann man dann die für einen brauchbaren rausfiltern. Am schlimmsten ist es, wenn die Antwort mit Fachbegriffen etc. und persönlichen Meinung gespickt ist. Dann merkt man dass es vielen gar nicht ums Beantworten der Frage geht, sondern eher darum sich vor anderen anonymen Internetnutzern mit seinem "Wissen" zu profilieren. Der Mensch ist halt der Mensch. Der Pullup ist notwendig, um Störsignale an einem offenen Microcontrollereingang zu vermeiden. Weil jeder elektrische Leiter ist auch immer eine ANtenne. Ein offener Leiter kann somit ein Signal empfangen (z.b durch Induktion) , obwohl gar kein Signal anliegt. Das wäre denke ich die Hauptaufgabe des Pullups...und einfachste Erklärung. Guten Tag. :)
Bitte melde dich an um einen Beitrag zu schreiben. Anmeldung ist kostenlos und dauert nur eine Minute.
Bestehender Account
Schon ein Account bei Google/GoogleMail? Keine Anmeldung erforderlich!
Mit Google-Account einloggen
Mit Google-Account einloggen
Noch kein Account? Hier anmelden.

