Hi ich möchte gern eine Rauschquelle bauen, um damit zB. Filter mit Hilfe des Spektrumanalyzers messen zu können. Es gibt ja käufliche Rauschquellen, die jedoch sehr teuer sind und zudem extrem geringe Pegel abgeben. Daher würde ich gern eine Rauschquelle selber bauen und deren Rauschen mit einem MMIC verstärken, sodass ich einen hohen Pegel bekomme. Käufliche Rauschdioden z.B. von Noisecom scheiden leider aus, da diese schwer erhältlich sind. Oft sieht man die BE-Strecke eines BJT als Rauschdiode missbraucht, oder eine Z-Diode. Doch was rauscht 'besser'? ich hätte gern einen möglichst flachen Frequenzgang bis ca. 3 oder besser 4 GHz. Wie könnte man dies erreichen?
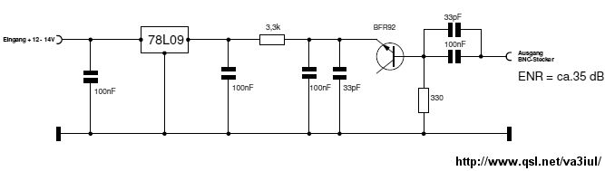
Hallo, vieleicht so wie im Anhang, so hab zumindest ich meine gebaut. viel erfolg beim nachbau.
Im GHz Bereich wird es mit Dioden schwer - durch die Kapazitäten ist die Bandbreite eher begrenzt. Schon für 100 MHz muss man suchen. Wenn überhaupt wäre das spezielle Rauschdioden für hohe Bandbreite. Ggf. ginge noch ein Widerstand, so im 100 Ohm Bereich, und dann Rauscharm verstärken. Für etwas mehr Rauschen ggf. den Widerstand noch etwas warm machen.
Gut ich meine wenn der Frequenzgang nach oben absinkt, dann könnte man doch das mit einem Hochpass korrigieren. Täusche ich mich da?
Untersuchungen an Rauschquellen von DF9IC: http://www.df9ic.de/doc/2011/dorsten_2011/dorsten11_rauschquellen.pdf
Noise schrieb: > Doch was rauscht 'besser'? > ich hätte gern einen möglichst flachen Frequenzgang bis ca. 3 oder > besser 4 GHz. Wie könnte man dies erreichen? Wahrscheinlich wäre so etwas für Dich eine Option !! ? http://www.qrpforum.de/index.php?page=Thread&postID=39462#post39462 EMU
Spätestens jetzt, wo es Synthesizer-Chips mit eingebautem VCO gibt, kann man das Getue mit Rauschquellen wirklch nicht mehr rechtfertigen. Für Filtermessungen will man ein Anregungssignal, das imstande ist, den Spektrumanalyzer voll auszusteuern, sagen wir 10 dBm auf einer Frequenz. Davon sind Rauschquellen weit entfernt. Selbst wenn eine Rauschquelle 10 dBm liefern würde, und das erfordert hemmungslose Nachverstärkung, dann wäre das die Summe von allen Frequenzen gleichzeitig. Der Spektrumanalyzer sieht davon aber nur so viel wie in seine Filterbandbreite passt. Während man bei einem Sinussignal mit schmaler Analyzerbandbreite immer besseren Dynamikbereich bekommt, ist das bei Rauschanregung nicht so. Halbieren der Bandbreite halbiert auch die Anregung. Verstärker fangen übrigens schon 20 dB vor der beginnenden Kompression an, die Statistik des Rauschsignals zu ändern, das liegt am hohen Crestfaktor. Das gilt natürlich auch als Messobjekt, wenn man versucht, den Frequenzgang eines breitbandigen Verstärkers zu messen. Den BFR93 im Avalanche-Betrieb habe ich in einem früheren Leben natürlich auch schon ausprobiert, paarundzwanzig dB über thermisch geht immer, auch recht flach bis über 2 GHz, wie's mir jemand am Stand der Postfachhochschule in Weinheim freundlicherweise ausgemessen hat. Aber das taugt letztlich kaum für Rauschzahlmessungen wegen der weitgehend unbekannten Quellimpedanz, noch für Frequenzgangmessungen wegen der popeligen Leistung. Ein Nachverstärker wäre zuerst Teil des Problems und erst im 2. Durchgang Teil der Lösung. Das thermische Rauschen eines Widerstands mit LMH6702 zu verstärken funktioniert übrigens ganz ordentlich bis > 100 MHz. Ich hab's benutzt um mit power combinern Eichmarken für das Phasenrauschen von Oszillatoren zu setzen, als so eine Art Transfernormal. Ansonsten rate ich dringend zum VNWA von DG8SAQ oder irgendeinem gebrauchten Mess-Sender, oder Synthesizer-Demoboards. Gruß, Gerhard
Bitte melde dich an um einen Beitrag zu schreiben. Anmeldung ist kostenlos und dauert nur eine Minute.
Bestehender Account
Schon ein Account bei Google/GoogleMail? Keine Anmeldung erforderlich!
Mit Google-Account einloggen
Mit Google-Account einloggen
Noch kein Account? Hier anmelden.

