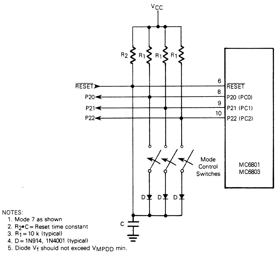
Bisher hatte ich keine Probleme mit meinen Motorolla MC6803 "Retrocomputer" jetzt spendiere ich aber einen "vintage" Mathe Koprozessor und der benötigt mindestens 200 ms Reset auf low. Welcher Ohmwert braucht R2 und wiviel Farad der Kondensator um Reset, egal ob nach power on oder manuel via Taster, 200 ms low zu halten. Wenn Reset auf high geht liest der MC6803 seinen Betriebsmodus über Port 2 bits 0,1 und 2 damit man die 3 leitungen nach dem Reset auch wieder für andere I/O Aufgaben nutzen kann sind die Dioden von nöten. Nicht eingezeichnet ist der Resettaster und das der Mathechip an der gleichen Resetleitung hängt. Wäre zwar nett wenn mir Jemand die Werte nennen könnte damit es sicher funktioniert aber am liebsten auch mit dem Rechenweg damit ich künftig es selber Berechnen kann. Danke für Euer Bemühen. DJ
Annahme: Low ist kleiner gleich 0,8 V (TTL-Pegel) Annahme: R2 ist 10 kOhm (u. U. probieren & testen) Zeitkonstante: Tau = R x C C = 0,2 s / 10 kOhm = 20 µF Bei der Wahl des Kondensators die Toleranz beachten. Also eher 33 µF wählen.
Baldrian schrieb: > C = 0,2 s / 10 kOhm = 20 µF D.J. P. schrieb: > oder manuel via Taster Mit dem Kurzschlussstrom von einem 20..33 uF Kondensator willst du nicht wirklich bei jedem manuellen Reset die Kontakte des Taster verbrutzeln ...
D.J. P. schrieb: > benötigt mindestens 200 ms Reset auf low. Stilgerecht zum Alter passend ein Reset-IC TL7705A.
Beitrag #5016363 wurde von einem Moderator gelöscht.
Dankeschön ! Zeit in Sekunden / Widerstand in Ohm = Farad Zu einfach um selber drauf zu kommem :-) Manfred schrieb: > Stilgerecht zum Alter passend ein Reset-IC TL7705A. Danke den TL7705A kannte ich bis gerade noch nicht. Möchte erteinmal nichts Kaufen sondern alles Vorhandene benutzen könnte auch einen "vintage" 555 timer nehmen die liegen hier auch noch reichlich ungenutzt herum. Kein Witz: Wollte 5 NE555 bestellen eBay "Asia Connection" irgend etwas mit 1€ meine 1,49€ inklusive (staatlich gesponsertem) Versandt und geschickt wurden mir 50 Stück. (natürlich via Luftpost was sonst) Nach einer eMail meinerseits "positive Beschwerde" :lol: kam heraus es sei alles richtig das "Angebot" beinhalte nun halt mal 50 und nicht nur die von mir erwarteten 5 Stück. Beim 555 timer hätte ich aber auch fragen müssen wie ich Widerstand und Kondensator für 200ms "one shot" Resetimpuls berechnen müste. DJ
D.J. P. schrieb: > Kein Witz: Wollte 5 NE555 bestellen eBay "Asia Connection" ... > und geschickt wurden mir 50 Stück. Einen Link zu dem Angebot gibt es auch?
D.J. P. schrieb: > Beim 555 timer hätte ich aber auch fragen müssen wie ich > Widerstand und Kondensator für 200ms "one shot" Resetimpuls > berechnen müste. Beim "555 timer" hättest du den Vorteil, dass du da gar nicht unbedingt rechnen können musst, sondern einfach einen Blick in das Datenblatt Fig. 11 ("Output Pulse Duration vs Capacitance") vom NE555 werfen könntest.
Forist schrieb: > Einen Link zu dem Angebot gibt es auch? Zu dem für 1,49€ nicht mehr aber zum neuen Angebot 50 Stück NE555 = 1,35€ :-) http://www.ebay.de/itm/New-50PCS-NE555P-NE555-DIP-8-SINGLE-BIPOLAR-TIMERS-IC-TOP-Quality-/181882519906?hash=item2a590b0162 DJ
Bitte melde dich an um einen Beitrag zu schreiben. Anmeldung ist kostenlos und dauert nur eine Minute.
Bestehender Account
Schon ein Account bei Google/GoogleMail? Keine Anmeldung erforderlich!
Mit Google-Account einloggen
Mit Google-Account einloggen
Noch kein Account? Hier anmelden.
