Hallo zusammen, ich bin gerade über ein interessantes Bauteil, genauer gesagt eine Pentode, gestolpert und habe mich hierbei gefragt ob diese durch eine Transistorschaltung ersetzt werden und wie diese aussehen könnte. Hierbei geht es nicht darum eine spezifische Pentode durch eine entsprechende Schaltung zu ersetzen, sondern vielmehr um eine theoretische Betrachtung. Hat irgendjemand von euch hierzu eine Idee? Viele Grüße Michael
nur exitiert der alte hut nicht mehr, bzw. hatte nie das reale leben erlebt. :-) Die meisten pentodenschaltungen lassen sich mit doppelgatefeldeffekttransistoren ersetzen. http://www.robkalmeijer.nl/techniek/electronica/radiotechniek/hambladen/ukw-berichte/1972/page073/index.html Diese Transistoren sind eigentlich zwei Feldeffekttransistoren in reihe, sog kaskodenschaltung: https://de.wikipedia.org/wiki/Kaskode#/media/File:Cascode-triode.png Letzendlich also zwei Trioden: https://www.allaboutcircuits.com/textbook/semiconductors/chpt-13/the-triode/ welche ohne weiteres gegen einen feldeffekttransistor ersetzt werden kann. Wenn du die Pentode als regelglied verwendest, oder als multiplikative Mischstufe verwenden willst, kann sie gegen besagten dualgate ersetzen, bzw. die kaskode verwenden. Es kann aber auch sein , daß sie für endverstärker verwendet wird. Dann kann sie gegen einen POWER FET getauscht werden. http://www.b-kainka.de/bastel82.htm
Hallo zusammen. Wenn du dich mit Röhren beschäftigen möchtest, dann beschäftige dich auch mit Röhren! Mit allen Vor- und Nachteilen. Aller Ersatz ist Murks, und Röhren-Seiten gibt es seit der Erfindung des Internets zu tausenden. 73 Wilhelm
http://www.fractalaudio.com/p-axe-fx-ii-preamp-fx-processor.php Ok, das sind verdammt viele Transistoren. Aber die simulieren Röhren und mehr ziemlich gut. :D
@ Wilhelm Schürings Kann man so sehen, muß man aber nicht. Z.b manche möchten den klang einer alten röhrenendstufe haben, trauen sich aber nicht an die hohen spannungen. Was läge da nahe, selbiges mit modernen bauteilen nachzubilden ? Oder ich möchte gerne einen alten armstrong empfänger nachbauen , nur um einfach mal zu sehen, wie es ist damit zu arbeiten. Da kann ich sogar die gitterwiderstände (nahezu ) 1:1 übernehmen. Oder einfach mal zu wissen, woher manche FET-schaltungen herkommen ?
Hallo Michael > Z.b manche möchten den klang einer alten röhrenendstufe haben, trauen > sich aber nicht an die hohen spannungen. Nach dem Motto: 'Wasch mir den Pelz, mach mich nicht nass' ?? Ganz einfach: Transistorschaltung: Wenig Volt -> viel Ampere Röhrenschaltung: Viel Volt -> wenig Ampere Der 'Bums' muss ja irgendwo her kommen. P=I*U Das kannst du drehen und wenden wie du willst. Das ist das Maß der Dinge! Versuche doch erstmal dein Glück mit einem ECL86 Klon oder mit EC92 und EL84..?? Beispiele gibt es im Metz zuhauf. An den 250 bis 400V Anodenspannung wirst du nicht votbei kommen. Was erwartest du denn? ?? 12V->3mA->3kW..?? 73 Wilhelm
Wilhelm S. schrieb: > Nach dem Motto: 'Wasch mir den Pelz, mach mich nicht nass' ?? > Ganz einfach: > Transistorschaltung: > Wenig Volt -> viel Ampere > Röhrenschaltung: > Viel Volt -> wenig Ampere > > Der 'Bums' muss ja irgendwo her kommen. > > P=I*U Wow. Welch Erkenntnis P=U*I. Und es gibt auch Transistorschaltungen mit wenig Strom uns viel Spannung und vice versa. Ich finde es auch interessant mit FETs Röhrenschaltungen nachzubilden. Nicht jeder traut sich an 400 Volt und möchte trotzdem die Schaltungen nachvollziehen können. Ich verstehe dein Problem nicht...
Hi, zwei realistische Anwendungsszenarien: Einmal Ersatz einer Endstufenröhre durch Transistoren mangels Verfügbarkeit einer Röhre, und zum zweiten Endverstärker in Fernseher mit Röhren ohne Extra-Niedervoltnetzteil für Power-Endstufe. Sprich, Transistor im Hochvoltbereich als "Spar-Notlösung". Zu Fall 1: Quelle: Radiomuseum.org "...Und noch ein Beispiel von Philips, Ersatz der PL802 durch Transistoren (PL802T)...." Siehe Bild Zu Fall 2: Muss erst Schaltplan rauskramen. ciao gustav
Hi, so muß der "Sockel" der PL36 richtig aussehen. ciao gustav
ALso es gab einige empfänger der anfangszeit, die sehr wohl mit anodenspannungen von 20V liefen. Gerade Raumladungsröhren machen das. Sogar im FA ist ein artikel über ein Audion mit einer ,,Raumladungsschaltung" veröffentlicht worden. Und hier liegt eine EF-98 , die läuft ab etwa 9V sauber. Oder ich möchte einfach mal einen DKE nachbauen, der aber identisch zu handeln ist. Da kann ich dann ohne problem im Bereich 24V arbeiten und brauch trotzdem keine heizung. Ich kann dann sogar ersatzschaltungen bauen, um die originalen teile zu schonen, oder aber zu ersetzen, falls es sie nicht mehr gibt.
gustav schrieb: > Hi, > zwei realistische Anwendungsszenarien: > Einmal Ersatz einer Endstufenröhre durch Transistoren mangels > Verfügbarkeit einer Röhre, > ciao > gustav ohne die Heizung zu berücksichtigen werden andere Röhren in der Schaltung kaum funktionieren, P 0,3A 25V Serienheizung müsste mit dem passenden Widerstand 82 Ohm 12W simmuliert werden
Danke euch allen für die vielen Hinweise, das hat mir extrem weitergeholfen. Werde mal weiter in der Richtung doppelgate FET suchen. Wilhelm S. schrieb: > Wenn du dich mit Röhren beschäftigen möchtest, dann beschäftige dich > auch mit Röhren! > Mit allen Vor- und Nachteilen. Darf man denn keine Fragen mehr stellen? Mir ging es lediglich darum wie man, wenn man keinen Ersatz für eine Röhre findet, diese durch eine Ersatzschaltung aus Transistoren (oder auch FET's) ersetzen kann. Das fällt dann für mich auch unter das Thema "mit Röhren beschäftigen".
nicht von AFUs ärgern lassen. Die sind eine eigene Spezies mit speziellem Charakter. Daher werden sie auch i.A. als Minderheit artgerecht in getrennten Foren und Frequenzbändern gehalten. Gelegentlich kommt es zu freilaufenden Exemplaren mit entsprechenden Folgen ...
Joachim B. schrieb: > ohne die Heizung zu berücksichtigen werden andere Röhren in der > Schaltung kaum funktionieren, P 0,3A 25V Serienheizung müsste mit dem > passenden Widerstand 82 Ohm 12W simmuliert werden Hi, oben links im rechten Schema (etwa 10-11 Uhr Position) ist bei f-f ein 56 Ohm Widerstand als Platzhalter eingezeichnet. https://www.mikrocontroller.net/attachment/331205/PL36_Ersatz.png Der Original-Link hier: http://www.radiomuseum.org/tubes/tube_pl802t.html da ist auch ein dicker Heizwiderstand drin. ciao gustav
Auf die Gefahr hin das ich da noch was nicht verstanden habe: Wenn ich das jetzt richtig verstanden habe, dann kann ich Röhren kaskadieren um eine Pentode zu "ersetzt". Eine Röhre kann durch einen FET "ersetzt" werden. Kann ich dann auch eine Pentode durch kaskadierte FET's "ersetzen"?
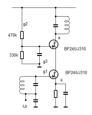
Also 100%i ist eine Kaskode nicht mit einer Pentode zu vergleichen, sie ist eher mit einer doppelgitterröhre, bzw. einer Tetrode zu vergleichen. https://de.wikipedia.org/wiki/Kaskode Aber es lassen sich einige Schaltungen, die mit einer Pentode laufen, mit einer Kaskode ersetzen. Wenn du noch das unlineare verhalten einer regelpentode nachbilden willst, benötigst du noch ein netwerk aus dioden und widerständen. Aber für die einfachen schaltungen kannst du es sehr wohl. Eine TRIODE, kann durch eine normalen FET ersetzt werden. Da viele Pentoden in Mischstufen und ZF/HF verstärkern eingestzt worden sind, kannst du hier die DualgateFets nehmen. Meist geht es darum, die ,,steilheit" ( verstärkung), der röhre zu regeln. Eine geregelte pentodenschaltung hier : http://www.radiomuseum.org/tubes/tube_rens1294.html und dasselbe mit einem dualfet: http://www.robkalmeijer.nl/techniek/electronica/radiotechniek/hambladen/ukw-berichte/1982/page178/index.html ( T6 und T7 ) Bei Mischern : http://www.bastelwut.at/60V/Die%2060V%20UKW%20Radios.html (röhre V2 ) und bei Fets: http://www.robkalmeijer.nl/techniek/electronica/radiotechniek/hambladen/ukw-berichte/1972/page073/index.html ( Am ende ). Bei der klassischen Dreipolröhre ( Triode ). http://www.elexs.de/ef954.htm und mit fets: http://www.selfmadehifi.de/picsima/riaa_fet.gif und zu guter letzt nochmal die kaskode : http://www.elektronik-labor.de/Labortagebuch/1014FET.jpg Das du die kaskode verwenden kannst, liegt an der natur der Pentode und daran, daß du aber nicht das problem der sekundärelektronen hast, so daß das bremsgitter auch nicht nötig ist.
Bitte melde dich an um einen Beitrag zu schreiben. Anmeldung ist kostenlos und dauert nur eine Minute.
Bestehender Account
Schon ein Account bei Google/GoogleMail? Keine Anmeldung erforderlich!
Mit Google-Account einloggen
Mit Google-Account einloggen
Noch kein Account? Hier anmelden.

