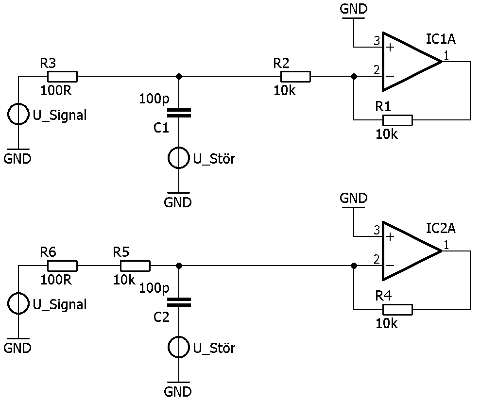
Hallo Forum! Mir kommt aktuell eine mehr oder weniger esoterische Frage: Ich habe mehrere Module, welche analoge Signale ausgeben. Diese summiere ich später [1]. Da die einzelnen Module etwas größer sind, stellt sich die Frage der Störempfindlichkeit der Leitungen. Sollte ich eher die Widerstände nahe am OpAmp plazieren und so jedes Signal über die Platine führen. Oder, ist es möglich den virtuellen GND am OpAmp - sternförmig an alle Generatoren zu leiten? Letzteres würde mehrere Leitungen sparen, welche sonst quer über die Platine verlaufen, so wäre es nur eine. Ich bin mir aber nicht ganz sicher, ob der virtuelle GND dann nicht empfindlicher ist als die Spannungen. Bin für Ideen und Erfahrungen dankbar! [1] https://en.wikipedia.org/wiki/Operational_amplifier_applications#/media/File:Op-Amp_Summing_Amplifier.svg
EsoMeso schrieb: > Ich bin mir aber nicht ganz > sicher, ob der virtuelle GND dann nicht empfindlicher ist als die > Spannungen. Das kann man abschätzen, ausrechnen oder simulieren. Eine große Kapazität (= eine lange Leitung) an den invertierenden Eingang zu hängen, ist generell keine gute Idee.
Bitte melde dich an um einen Beitrag zu schreiben. Anmeldung ist kostenlos und dauert nur eine Minute.
Bestehender Account
Schon ein Account bei Google/GoogleMail? Keine Anmeldung erforderlich!
Mit Google-Account einloggen
Mit Google-Account einloggen
Noch kein Account? Hier anmelden.
