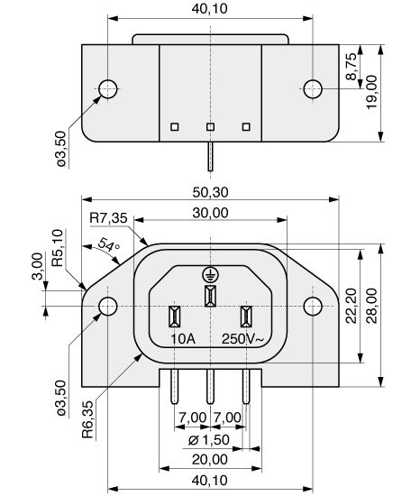
Hat jemand diese Netzbuchse? Die Zeichnung ist unvollständig. Ich wüsste gerne die Positionshöhe der Pins und die Gesamthöhe einschliesslich des Vorsprungs 19mm+. https://www.mpe-connector.de/index.php?lang=de&menu=16&product_group[]=13&action=Search&id_product=6211
Ralf S. schrieb: > Die Zeichnung ist unvollständig. Wenn ein Hersteller keine brauchbaren Unterlagen zur Verfügung stellen kann (das Datenblatt enthält nur den gleichen Mist), sollte man das Teil durch ein anderes ersetzen. Georg
Öffne das .gif mit einem Zeichenprogramm (paint), zoom ein wenig und
lese die Pixelposition (links unten) ab.
Umrechnungsfaktor: hier 5,68 Pixel pro mm
z.B. 28mm: 429-270=159 pixel
19mm: 157- 49=108 pixel
Hallo, > Ralf S. schrieb: > Hat jemand diese Netzbuchse? Die Zeichnung ist unvollständig. https://www.mpe-connector.de/index.php?lang=de&menu=1 Zitat: Technische Unterstützung, eine hervorragende Produktqualität, ein perfekter Service und ein hohes Maß an Flexibilität sind unser Fokus. https://www.mpe-connector.de/index.php?lang=de&menu=32 Zitat: Obwohl die MPE-Garry GmbH stets mit der notwendigen Sorgfalt darum bemüht ist, dass die Informationen und Inhalte der technischen Daten korrekt und auf dem aktuellen Stand sind, können die Informationen technische Ungenauigkeiten, sowie Druckfehler enthalten. MPE-Garry ist jedoch stets bemüht, die Informationen und Inhalte in angemessenen Zeitabständen zu aktualisieren. Hast du also schon versucht, die Informationen an der richtigen Quelle einzuholen? Vielleicht ist man dir sogar dankbar für Hinweise auf unvollständige Doku. In so einem Familienbetrieb wird Kundenzufriedenheit meist noch groß geschrieben. Gruß Öletronika
Ralf S. schrieb: > Ich wüsste > gerne die Positionshöhe der Pins und die Gesamthöhe einschliesslich des > Vorsprungs 19mm+. Kannst Du keine Zeichnung lesen?
Hallo, > Mani W. schrieb: > Ralf S. schrieb: >> Ich wüsste >> gerne die Positionshöhe der Pins und die Gesamthöhe einschliesslich des >> Vorsprungs 19mm+. > > Kannst Du keine Zeichnung lesen? Gut, die Position der Pins ergibt sich aus der Differenz zweier Maße. Aber lese doch mal die oben angefragte Gesamthöhe und nenne diese! Gruß Öletronika
U. M. schrieb: > Aber lese doch mal die oben angefragte Gesamthöhe und nenne diese! OK! Fehlt leider ein Maß, ich würde es maßstabsgetreu abnehmen, daraus ergibt sich dann das Maß, wenn der Zeichner aufgepasst hat...
190- 37=153 /5,68=26,94 Gesamthöhe oberes Bild 448-269=179 /5,68=31,51 Gesamthöhe unteres Bild war das jetzt so schwer?
Mani W. schrieb: > ich würde es maßstabsgetreu abnehmen, daraus > ergibt sich dann das Maß, wenn der Zeichner aufgepasst hat... Und wenn der Zeichner bei der letzten Produktänderung nicht einfach die neuen Maße in die alte Zeichnung geschrieben hat...
Ralf S. schrieb: > Hat jemand diese Netzbuchse? Die Zeichnung ist unvollständig. Ich wüsste > gerne die Positionshöhe der Pins und die Gesamthöhe einschliesslich des > Vorsprungs 19mm+. siehe IEC 60320 C13
Ich habe den Eindruck, daß es nicht um die Anordnung der Stifte des Kaltgerätesteckers geht, sondern um die Lötstifte, mit der das Ding auf eine Platine gelötet werden soll. Die sind komplett unbemaßt.
Die Pixel-Koordinaten sind: 90, 49 linke obere Ecke 376, 49 rechte obere Ecke 119, 98 linke Bohrung 347, 98 rechte Bohrung 193,140 linker Kontakt 233,140 mittlerer Kontakt 273,140 rechter Kontakt 233,157 Mitte der unteren Kante Die Mittelpunkte der Kontakte 157-140=17 /5,68=2,99mm von der unteren Kante entfernt und haben einen Abstand von jeweils 273-233=40 /5,68=7,04 mm (Angabe in der Zeichnung 7,00) Probe: Abstand der Kontakt nach oben: 140-49=91 /5,68=16,02 passt doch alles.
Rufus Τ. F. schrieb: > Ich habe den Eindruck, daß es nicht um die Anordnung der Stifte des > Kaltgerätesteckers geht, sondern um die Lötstifte, mit der das Ding auf > eine Platine gelötet werden soll. Wenigstens einer hat es erkannt. Alles andere wäre recht sinnlos. Die Anordnung der Stifte des Kaltgerätesteckers sind logischerweise immer gleich.
Rufus Τ. F. schrieb: > Ich habe den Eindruck, daß es nicht um die Anordnung der Stifte des > Kaltgerätesteckers geht, sondern um die Lötstifte, mit der das Ding auf > eine Platine gelötet werden soll. Das wäre jetzt die Preisfrage an den TO:
1 | Welches Maß ist genau gemeint? |
Ist es wirklich so schwierig, die fraglichen Abmessungen in der Zeichnung zu kennzeichen? Mehr als die Hälfte der Posting-Wolke ließe sich vermeiden, wenn er wenigsten gesagt hätte auf welchen Teil der Zeichnung er sich bezieht - ich vermute den oberen. Die ganze Pixelmesserei setzt eine Maßstabgerechte Zeichnung voraus. Alleine das Umrechnen und vergleichen mit angegeben Maßen könnte ein Argument dafür oder dagegen liefern - aber keine Gewissheit. Mit "hätte", "vermute", "vielleicht" und "Eindruck" kann man böse daneben liegen.
Es ist ziemlich wahrscheinlich, daß es um eben diese Maße geht, denn was ist an einem Steckverbinder für Platinenmontage wirklich interessant? Das Lochbild, damit man das Ding in einem Platinenlayout unterbringen kann.
Rufus Τ. F. schrieb: > ..., denn was ist an einem Steckverbinder für Platinenmontage > wirklich interessant? > > Das Lochbild, damit man das Ding in einem Platinenlayout unterbringen > kann. Es soll vorkommen, dass man wissen möchte, welcher Teil der Leiterplatte durch irgendwelche "Auswüchse" des Steckverbinders wie weit belegt ist, wie weit die Befestigungsbohrungen auf der LP von den Kontakten entfernt sind und evtl. wie weit das Teil durch den Gehäuseausschnitt ragt. Wenn ein Hersteller es nicht schafft, solche elementaren Daten ins Datenblatt zu schreiben, muss er eben am Supportaufkommen oder am Umsatz merken, dass das nicht passt. Tel: +49 (0)8362-9156-0 oder direkt Tel: +49 (0)8362-9156-150 https://www.mpe-connector.de/index.php?lang=de&menu=1&article=4 Vielleicht schickt er aber auch ein Muster, so dass man sich die Maße abnehmen kann ;-)
Habe mich an den Qualitätsbeauftragten gewandt und schnelle Antwort erhalten. Sie kümmern sich im Laufe der nächsten Woche darum. Das nenn ich mal guten Service.
eProfi schrieb: > Das nenn ich mal guten Service. Die wollen ja auch was verkaufen (Wahrscheinlich haben sie jetzt erst gemerkt, warum ihre Netzstecker solche Ladenhüter sind). Service wird's erst, wenn Du schon gekauft hast und dann ein Problem hast. Plötzlich ist keiner mehr zuständig...
Der Produkt-Manager hat mir am Montag eine neue Zeichnung geschickt, die jedoch wenig hilfreich war. Bin noch in Kontakt mit ihnen. Anbei mein Vorschlag / meine Vermutung mit openScad-Source.
eProfi schrieb: > Der Produkt-Manager hat mir am Montag eine neue Zeichnung geschickt, die > jedoch wenig hilfreich war. Bin noch in Kontakt mit ihnen. > Anbei mein Vorschlag / meine Vermutung mit openScad-Source. Positiv: Da lebt noch jemand und kümmert sich darum. Negativ: Statt die vorhandene Zeichnung zu korrigieren, wird eine 0815-Zeichnung rausgegeben. Mein tech. Zeichnen-Lehrer hätte mir früher dafür eine Bockfotzn verpasst.
Die letzte Zeichnung hier, die hat doch der TO selbst gemacht! eProfi schrieb: > Anbei mein Vorschlag / meine Vermutung mit openScad-Source.
Schau genau! Der TO hat gar keine Zeichnung gemacht. Eine / zwei hat der Hersteller gemacht und die wurden bemängelt ob einiger fehlenden Maße. Die letzte habe ich eigenhändig getippert. Du hast Dich durch die verblüffende Ähnlichkeit blenden lassen. Daher kommt auch der Name der (einer anderen) Software "Blender".
Für manche Firmen ist das Internet immer noch Neuland. Andere bieten gleich CAD-Zeichnungen ihrer Produkte, hier gibt es stattdessen das neue Firmenlogo zum Download und ein paar schöne bunte Qualitätszertifikate zum an-die-Wand-hängen. Auch unter der angedeuteten Bezeichnung "Alte K+B Serie 749" gibt es keine bessere Zeichnung.
Ralf S. schrieb: > Mein tech. Zeichnen-Lehrer hätte mir früher dafür eine Bockfotzn verpasst. Es ging dem TO nicht um eine Zeichnung nach DIN, sondern um die Maße. Dein Zeichnen-Lehrer hätte eine unbemaßte STEP-Datei, wie sie mittlerweile von vielen Firmen zum Download angeboten wird, wahrscheinlich genauso bemängelt.
W.A. schrieb: > Ralf S. schrieb: >> Mein tech. Zeichnen-Lehrer hätte mir früher dafür eine Bockfotzn verpasst. > > Es ging dem TO nicht um eine Zeichnung nach DIN, sondern um die Maße. > Dein Zeichnen-Lehrer hätte eine unbemaßte STEP-Datei, wie sie > mittlerweile von vielen Firmen zum Download angeboten wird, > wahrscheinlich genauso bemängelt. Das ist keine korrekte technische Zeichnung. Darum geht es.
Naja, immerhin haben sie auf der erstgenannten URL die Zeichnung um zwei Maße erweitert: 1. Der Eumel / Zipfel nach unten (was immer das sein soll) hat das Maß 9,25+-0,15 bekommen. Das ist aber nicht maßstabgetreu. Ich habe die Länge mit ca. 6,25 aus der Zeichnung abgemessen 2. Die Pins stehen 3,30+-0,25 nach unten heraus. Das entscheidende Maß (Koordinaten der drei Pins) fehlt immer noch.
eProfi schrieb: > 1. Der Eumel / Zipfel nach unten (was immer das sein soll) hat das Maß > 9,25+-0,15 bekommen. Das ist aber nicht maßstabgetreu. > Ich habe die Länge mit ca. 6,25 aus der Zeichnung abgemessen Soviel zum Wert des Tips "einfach rausmessen nach Abbildungsmaßstab aus der Zeichnung" ... eProfi schrieb: > Öffne das .gif mit einem Zeichenprogramm ...
Ralf S. schrieb: > Das ist keine korrekte technische Zeichnung. Darum geht es Wenn das was professionelles werden soll würde ich mir einen anderen Hersteller suchen. Wer weiss denn ob in ein paar Jahren der Hersteller die Spritzgussformen erneuert oder Modellpflege betreibt, und diese nicht spezifizierten Maße dann plötzlich ändert? Oder ob die Maße sich jetzt schon je nach Herstellungstoleranz, Form oder Formnest unterscheiden. Also sollte man die nicht spezifizierten Maße als genau des ansehen, also als nicht spezifiziert. Dagegen hilft dann auch kein Ausmessen der Zeichnung oder eines zufällig gewählten realen Bauteils.
Bitte melde dich an um einen Beitrag zu schreiben. Anmeldung ist kostenlos und dauert nur eine Minute.
Bestehender Account
Schon ein Account bei Google/GoogleMail? Keine Anmeldung erforderlich!
Mit Google-Account einloggen
Mit Google-Account einloggen
Noch kein Account? Hier anmelden.

