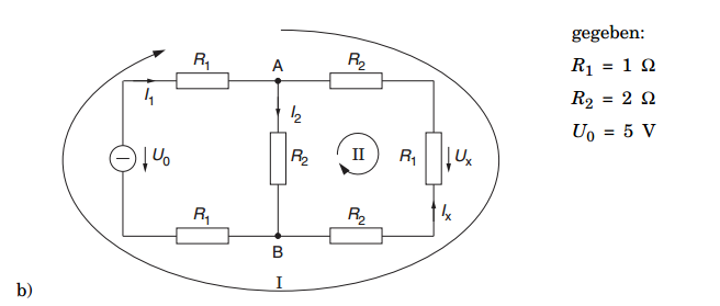
Hallo ich bin seit 4 Jahren KFZ-Mechatroniker geselle und bilde mich derzeit weiter zum Staatlich geprüftem Techniker in Automatisierungstechnik. Ich steh grad vor einer Frage und hoffe ihr könnt mir helfen (wenn solche Fragen nicht angebracht sind, kann mir jemand ein Forum empfehlen?) Das Zählpfeilsystem, hab vorher noch nie etwas davon gehört und verstehe es so halb aber mir ist schleierhaft wieso manchmal der Stromfluss entgegengesetzt eingezeichnet ist, z.b bei Ix, Stromfluss von - nach + ? das ist doch gegen alle Logik. ich steh total auf dem Schlauch. Außerdem komme ich bei Aufgabe A, I1+I2 ergeben für mich 7,5A Laut Aufgabenstellung Ix=-I1-I2 ergibt doch dann Ix=-7,5A richtige lösung ist aber -Ix=1,364A hoffe jemand kann mir irgendwie helfen ich komm da Gedanklich kein stück dahinter
Steven M. schrieb: > Das Zählpfeilsystem, hab vorher noch nie etwas davon gehört und verstehe > es so halb aber mir ist schleierhaft wieso manchmal der Stromfluss > entgegengesetzt eingezeichnet ist, z.b bei Ix, Stromfluss von - nach + ? > das ist doch gegen alle Logik. ich steh total auf dem Schlauch. Es gibt einmal das Erzeuger- und einmal das Verbraucherzählpfeilsystem. Welches man nimmt, ist vollkommen willkürlich. Du wirst beides antreffen. Auswirkung hat das nur darauf, welches Vorzeichen der Strom dann hat. Ix hat nen negativen Wert, soviel ist schonmal offensichtlich. Ein positiver Strom "von oben nach unten" entspricht einem negativem Strom in die andere Richtung. Mathematisch ergibt das alles Sinn. Nur wenn man beim Angucken einer Schaltung noch Teilchen von + nach - wandern sieht, dann nicht.
Du musst die beiden Teilströme I1 und I2 addieren und nicht subtrahieren. Somit ist 1,364A die richtige Lösung. Merke: In Parallelschaltungen teilen sich die Ströme und in Reihenschaltungen die Spannungen.
R1||R2 ergibt 0,666666 Ohm. Das in Reihe zu R3 ergibt 3,666666 Ohm. Und damit rechnest du jetzt Ix aus.
achso ok das macht schonmal Sinn, also muss ich dieses, "Quelle=12V Batterie" "verbraucher=H7 Birne" denken aus meinem Kfzler-Kopf bringen und viel "theoretischer" denken
HDA schrieb: > Du musst die beiden Teilströme I1 und I2 addieren und nicht > subtrahieren. > Somit ist 1,364A die richtige Lösung. Naja ich habs ja addiert I1=5A I2 =2,5A laut dem Lösungsblatt: Ix=-I1-I2 womit ich auf meine -7,5A kommen würde was mich noch leicht stutzig macht
Micha schrieb: > R1||R2 ergibt 0,666666 Ohm. > Das in Reihe zu R3 ergibt 3,666666 Ohm. > Und damit rechnest du jetzt Ix aus. auf die Werte bin ich am Ende noch gekommen mein Problem lag darin, dass ich dieses ganze Zählpfeilsystem nicht komplett verstanden habe, die Lösungswege im Heft waren auch eher noch verwirrender. Wirkt auf mich alles unnötig verkompliziert
hm ich dachte ich habs verstanden aber zu Aufgabe B hab ich trotzem ne Frage, wie komme ich da auf Ix? R2 R1 R2 zusammen ergiebt 5 Ohm, das parallel zu R2 ergibt 1,43 Ohm, dann wieder reihe zu R1 und R1 ergibt 3,43 Ohm ergiebt I=U/R I=5/3,43=1,46A richtig für Ix sollen aber 0,41A sein. das macht mich irgendwie fertig, ich hab in der ganzen Geschichte irgend nen kleinen Denkfehler
>aber mir ist schleierhaft wieso manchmal der Stromfluss >entgegengesetzt eingezeichnet ist Aus rein didaktischen Gründen. Wenn Du z. B. ein riesiges Netzwerk mit 12 Spannungsquellen und 35 Widerständen, worin alles kreuz und quer miteinander verschaltet ist, berechnen willst (was mit den Methoden, die Du gelernt hast, möglich ist), dann hast Du vorher keinen blassen Schimmer, in welche Richtungen die z. B. 29 darin vorkommenden Ströme fließen. Du kennst also a priori weder die Werte noch die Richtungen der Ströme und musst beides ausrechnen. Die Information über den Wert steckt natürlich im numerischen Wert der Lösung und jene über die Richtung im Vorzeichen (+ oder -). Die Referenz für das Vorzeichen ist der Richtungspfeil, den Du am Anfang willkürlich festlegen darfst, bzw. Du musst ihn mangels besseren Wissens sogar willkürlich festlegen. Ist in der Lösung dann irgendein Strom mit einem Minusvorzeichen behaftet, weißt Du, dass dieser Strom in diesem Zweig entgegengesetzt zum Richtungspfeil fließt (dann war die willkürliche Wahl der Richtung des Pfeils die falsche). That's all. Nur bei so einfachen Netzwerken wie Deinen hier ist die Richtung der Ströme im voraus klar. Dann kann man allen Zählpfeilen schon vom Start weg die korrekte Richtung geben und sich auf eine Lösung freuen, in der kein einziges Minusvorzeichen auftreten wird. Man muss das aber nicht so machen und das möchten Dich Deine Aufgaben lehren. Man kann beliebig viele Pfeile "aus Spass" falsch herum einzeichnen und hat dabei nichts zu befürchten: Die Mathematik wird das Problem trotzdem korrekt lösen; lediglich die betreffenden Ströme werden dann in der Lösung mit Minusvorzeichen behaftet sein. Damit Du über all das nachdenkst und die Logik dahinter verstehst, hat der Aufgabensteller die Pfeile für die Ströme Ix jeweils absichtlich falsch herum eingezeichnet - was er nur deshalb tun konnte, weil ihm die korrekte Richtung von vornherein bewußt war. Alles klar? :-)
LostInMusic schrieb: > Alles klar? :-) Top erklärung ich danke dir sehr. jetzt macht das ganze auch für mich Sinn bin anfangs davon ausgegangen,dass das doch alles kurzschlüsse verursachen muss bzw nicht funktioniern kann wenn innerhalb so eines einfachen netzwerkes der strom in 3 unterschiedliche Richtungen fließt. Das ganze ist eine Vermutung, die durch berechnung bestätigt (oder halt nicht) wird.
Steven M. schrieb: > hm ich dachte ich habs verstanden aber zu Aufgabe B hab ich trotzem ne > Frage, wie komme ich da auf Ix? R2 R1 R2 zusammen ergiebt 5 Ohm, > das parallel zu R2 ergibt 1,43 Ohm, dann wieder reihe zu R1 und R1 > ergibt 3,43 Ohm > > ergiebt > I=U/R I=5/3,43=1,46A > > richtig für Ix sollen aber 0,41A sein.
Daniel schrieb: > Entschuldigung, kleiner Tippfehler. I1 teilt sich auf in I2 und Ix. WEnn du jetzt so nett wärst und kurz drauf hinweißen könntest, wie ich jetz weiter zu Ix komme glaub ich, bin ich soweit komplett alleine weiter zu machen ich danke euch allen für die Hilfe und entschuldige mich, dass ich mich so dämlich anstelle aber ich bin dran und mach energisch weiter :)
Daniel schrieb: > Du könntest zuerst einmal die Spannung U_AB berechnen. wenn U_AB 1,46V und I2 0,73A sind hab ich glaub ich nen Ansatz um morgen weiter zu machen, bin jetz aber auch tot müde und muss das ganze morgen mit wachen verstand nochmal anschauen, bedanke mich nochmal für alle eure Hilfe Edit U-AB=3,54V und I2 1,77A
Daniel schrieb: > Bzw. ist dein neues Ergebnis zu hoch. joa ich sehs grad hab U2 und I2 berechnet. mit den 3,54V und 1,77A Gutenacht morgen gehts weiter
Daniel schrieb: > Dein Ergebnis für U_AB ist zu niedrig. Rges=3,43ohm I1=5/3,43 I1=1,46A U1=I1*R1 U1= 1,46V U2= U-U1 U2= 5-1,46 U2=3,54 I2=1,77A (während ich das hier getippt hab ist mir der geisteblitz gekommen, ich hab ja ganz am ende nochmal einen R1) also ist U2, 5V-1,46V-1,46V= 2,08V Ix= U2/R2x2 Ix=2,08/5 Ix=0,416A. Ux=Ix*Rx Ux=0,416*1 Ux=0,416Ohm ---------- jetzt sollte es korrekt sein
Steven M. schrieb: > (während ich das hier getippt hab ist mir der geisteblitz gekommen, ich > hab ja ganz am ende nochmal einen R1) > > also ist U2, 5V-1,46V-1,46V= 2,08V > > Ix= U2/R2x2 Korrektur: Ix=U2/R2*2+R1 > Ix=2,08/5 > > Ix=0,416A. > > Ux=Ix*Rx > Ux=0,416*1 > Ux=0,416Ohm > ---------- > > jetzt sollte es korrekt sein Ja, die Werte sind korrekt. Hier stimmt nur die Maßeinheit nicht: Ux=0,416Ohm > Ux=0,416 Volt
Hallo als ganz Allgemeinen Tipp kann ich dir als Praktiker geben: "Vergiss in diesen Bereichen dein praktisches Vorgehen und Denken und arbeite möglichst mathematisch und abstrakt" Das ist ein ziemlich anstrengender Prozess da man an trainiertes und bisher auch sehr sinnvolles Verhalten nicht so einfach ablegt. Besonders unschön wenn dahinter noch Zeit- und Erfolgsdruck steht, und noch besch...ner wenn nach erfolgreichen Abschluss im Beruf (und eventuell Hobby) wieder das Packtische Denken und Handeln wichtig ist. Leider die Seltsamkeiten unseres Bildungssystems - anders scheint es aber nicht zu funktionieren den besonders als Techniker stehen einen viele Wege offen: Mehr zum Praktischen hin, wo man den ganzen Kram nur noch sehr rudimentär benötigt. Mehr zum Theoretiker hin, mit eventueller noch höherwertigen Weiterbildung, wo dieses Denken und die erlernten Grundlagen Voraussetzung sind um überhaupt an zu fangen. Oder meist irgendwas dazwischen. Bastler
Jep danke das hat mich auch die ganze zeit gehindert, mein praktisches denken, ( natürlich meinte ich oben Volt und nicht Ohm :)
Hi,
Da es sich in der Praxis als sehr hilfreich erwiesen hat,
jedem Bauteil einer Schaltung eine eindeutige Bezeichnung
zuzuordnen, und die Schaltung nach Möglichkeit ihrem
Funktionszusammenhang entsprechend aufzuzeichnen, habe ich
die Schaltung einmal "umgezeichnet" und die Widerstände
durchnummeriert. Das erleichtert die Formelerstellung (-anwendung etc.)
auch.
So wird auf den ersten Blick sofort sichtbar, dass die
Schaltung aus drei Teilen besteht, wobei der zweite Teil
noch aus einer Parallelschaltung von einem Widerstand mit
drei in Reihe geschalteten Widerständen besteht.
Hier wende ich die Formel für die Reihen- und
Parallelschaltung von Widerständen an.
Reihenschaltung:
Rges=R1+R2+...Rx
Parallelschaltung:
Rges= (R1*R2*...Rx)/(R1+R2+...Rx)
Für Teil 2 folgt dann:
Rges2= R2*(R3+R4+R5)/(R2+R3+R4+R5)
Setze ich die gegebenen Werte ein, erhalte ich:
Rges2= 10/7 [Ohm]
Für den Gesamtwiderstand von Teil 1 bis Teil 3 erhält man
dann:
Rges=R1+R6+{(R2+(R3+R4+R5))/(R2+R3+R4+R5)}
Der Gesamtstrom errechnet sich aus der Formel U/R*I
Uo=5V => Iges= 5V/{2+(10/7)[Ohm]} = 1,458333 [A]
Da der Strompfeil für Ix verkehrt herum gezeichnet ist,
bekommt diese Stromangabe hernach ein Minusvorzeichen.
Das soll uns jetzt aber nicht weiter verwirren.
Um die Aufteilung der Ströme in Teil 2 der Schaltung zu
errechnen, gehe ich jetzt über die Spannung, die an beiden
Zweigen laut Herrn Kirchhoff ja gleich sein muß.
Die Ströme teilen sich entsprechend der Widerstandswerte
auf. Über den kleineren Widerstand sollte ein größerer
Strom fließen und umgekehrt.
Die Spannung an Teil 2 errechnet sich über den Gesamtstrom.
Dazu wird die Gesamtspannung Uo vermindert um die
Spannungen, die an R1 und R6 "abfallen".
Jetzt sieht man vielleicht auch, wieso es ganz gut ist,
wenn man jedem Bauteil eine feste Nummer gegeben hat.
U Teil1+3 = Iges*(R1+R6) = 1,458333 [A] * 2 [Ohm] =
2,916666 [V]
Der Rest fällt an Teil2 ab.
UTeil2= 5-2,916666=2,083334 [V]
I2=2,083334[V]/2[Ohm]=1,041667 [A]
Für Ix gilt dann:
IX=2,083334[V]/5[Ohm] = 0,4166668 [A]
Probe: Summe I2 + Ix = 1,458334 [A](ok Rundungsfehler)
Ix kriegt noch sein versprochenes Lolli... äh, sein
Minuszeichen.
Also, so würde ich das machen.
ciao
gustav
Die Suchbegriffe heißen Knotenregel und Maschenregel. Satz von Kirchhoff steht schon in der Aufgabe drin.
>Hier wende ich die Formel für die Reihen- und Parallelschaltung von Widerständen an. Ja, kann man machen. Damit der Kandidat aber lernt, dass es auch anders geht, steht im Aufgabentext ausdrücklich "unter Benutzung der Kirchhoffschen Regeln und des ohmschen Gesetzes". Sollte man vielleicht nicht einfach ignorieren. >Parallelschaltung: >Rges= (R1*R2*...Rx)/(R1+R2+...Rx) Tolle Formel - und für zwei Widerstände stimmt sie sogar :-)
Hallo, LostInMusic schrieb: > Damit der Kandidat aber lernt, dass es auch anders > geht, steht im Aufgabentext ausdrücklich "unter Benutzung der > Kirchhoffschen Regeln und des ohmschen Gesetzes". Erstes Kirchhoff-Gesetz: "...In einem Knotenpunkt eines elektrischen Netzwerkes ist die Summe der zufließenden Ströme gleich der Summe der abfließenden Ströme..." Das heißt, andersherum formuliert, dass an paralleleschalteten Widerständen (oder als solches aufzufassendes, heruntergebrochenes, "vereinfachtes" "Netzwerk") dieselbe Spannung angelegt sein muss, damit sich die Ströme verteilen können. Der gedankliche Ansatz ist eben, dass man über die Spannung geht, da man ja die Teilströme so nicht kennt. Der Gesamtstrom fließt aber auch über die "Parallelschaltung". Da geht nichts verloren. Jetzt kommt das Zweite Kirchoffsch-Gesetz: "...Alle Teilspannungen ...einer Masche in einem elektrischen Netzwerk addieren sich zu null..." Da der Gesamtstrom bekannt ist, kann nun der Spannungs"fall" an jedem einzelnen Widerstand bzw. Parallelschaltung derselben unter Zugrundelegung der Uo errechnen. Stillschweigend ist die Summe der Teilspannungen gleich der 5V bzw. -5V, damit's "null" wird. Insofern ist doch bei dem obigen Lösungsansatz "der Kirchhoff" und "Herr Ohm" voll drin. Die Formel Parallelschaltung: Rges= (R1*R2*...Rx)/(R1+R2+...Rx) ist falsch! Sorry, danke für den Hinweis, (...wir werden sofort eine weitere Kasse aufmachen...) Rges= {[(R1*R2)/(R1+R2)]*R3/ und so weiter Formeleingabe mit Brüchen und Doppelbrüchen wollte ich mir hier nicht antun.} Besser wär' die Kehrwerteingabe-Darstellung hier: 1/Rges=(1/R1)+(1/R2)....+(1/Rx) ok. ciao gustav
>Insofern ist doch bei dem obigen Lösungsansatz "der Kirchhoff" und "Herr >Ohm" voll drin. Das bestreitet auch niemand. Dein Lösungsansatz benutzt Folgerungen aus den Kirchhoffschen Regeln und dem Ohmschen Gesetz. Den Benutzungshinweis im Aufgabentext interpretiere ich dahingehend, dass man es so halt gerade nicht machen sollte, d. h. man soll nicht Folgerungen aus den KR und dem OG benutzen, sondern die KR und das OG selbst. Weil das die allgemeinere Methode ist (in dem Sinne, dass man damit jedes Netzwerk berechnen kann, d. h. auch solche, die nicht in Parallel- und Serienschaltungen von Widerständen zerlegt werden können) und man dabei mehr über das Wesen dieses Problemtyps lernen kann (z. B. dass solche Netzwerke mathematisch durch lineare Gleichungssysteme beschrieben werden).
LostInMusic schrieb: > Weil das die > allgemeinere Methode ist (in dem Sinne, dass man damit jedes Netzwerk > berechnen kann, d. h. auch solche, die nicht in Parallel- und > Serienschaltungen von Widerständen zerlegt werden können) und man dabei > mehr über das Wesen dieses Problemtyps lernen kann (z. B. dass solche > Netzwerke mathematisch durch lineare Gleichungssysteme beschrieben > werden). Hi, und wie sieht der komplette Lösungsweg nun - Schritt für Schritt- erklärt nun aus ? Oben stehen zwar schon Ergebnisse, aber der korrekte, vom Aufgabentext geforderte Lösungsweg wurde hier IMHO noch nicht demonstriert. Man kann auch, da man die "Werte", aus einem anderen Lösungsweg stammend, nun kennt, in die "allgemeine" Lösung überführen, wie sieht die denn jetzt aus? ciao gustav
Bitte melde dich an um einen Beitrag zu schreiben. Anmeldung ist kostenlos und dauert nur eine Minute.
Bestehender Account
Schon ein Account bei Google/GoogleMail? Keine Anmeldung erforderlich!
Mit Google-Account einloggen
Mit Google-Account einloggen
Noch kein Account? Hier anmelden.


