Hallo, ich würde gerne eine 100m Cat5 Leitung "simulieren" also als Ersatzschaltung aufbauen. Im Anhang sieht man ja ein ESB einer homogenen Leitung. Aber das gilt ja nur für idealisierte Bauteile, insbesondere die Parallelkapazität einer Spule beeinflusst das Verhalten ja recht stark. Außerdem lassen sich hier Eingang & Ausgang nur vertauschen, wenn Last und Quellwiderstand ident sind oder? Außerdem lässt sich hier eine Reihenschaltung mehrere dieser Elemente nicht realisieren, oder? Habe für ein gemessenes Kabel in etwa folgende Leitungsbeläge erhalten: C' ~ 55pF L' ~ 0,8µH R' ~ 0,15Ohm Habt ihr eine Idee oder einen Ansatz um das sinnvoll zu bewerkstelligen? Danke, und sonnige Grüße
Anton schrieb: > C' ~ 55pF > L' ~ 0,8µH > R' ~ 0,15Ohm C' ist der Kapazitätsbelag, Einheit F/m. Was du gemessen hast ist einfach C. Also die einfachste Möglichkeit ist sicher, sich einfach 100m Cat5 zu besorgen. Denn ein RLC Tiefpass aus konzentrierten Bauteilen ist was anderes als unendlich viele RLC Tiefpässe aus verteilten "Bauteilen". Ein RLC Tiefpass mit deinen gemessenen Werten ist eine Näherung. Wenn das reicht, bau den auf.
THOR schrieb: > Ein RLC Tiefpass mit deinen gemessenen Werten ist eine Näherung. Wenn > das reicht, bau den auf. Um das noch zu präzisieren: So Effekte wie Übersprechen kannst du damit kaum simulieren.
THOR schrieb: > Um das noch zu präzisieren: So Effekte wie Übersprechen kannst du damit > kaum simulieren. Eine Leitungslänge mit Laufzeit auch nicht (so einfach).
Anton schrieb: > Habe für ein gemessenes Kabel in etwa folgende Leitungsbeläge erhalten: > > C' ~ 55pF Das ist kein "Belag" - die Einheit dafür ist pF/m. Erst mal müsstest du dich mit der Theorie der Transmission Lines beschäftigen. Ein korrekt abgeschlossene sieht nämlich am Einspeisepunkt aus wie ein Ohmscher Widerstand mit der Kabelimpedanz. Also ganz anders als deine angebliche Ersatzschaltung. Ich fürchte nur das geht hier zu weit. Georg
Hallo, ja sorry natürlich ist die Einheit von C' F/m und nicht F. Sorry dafür! Nebensprechen ist mir im Grunde nicht wichtig, am interessantesten wäre Tiefpasswirkung, aber insbesondere Ein/Ausgang umkehrbar. Gerade damit, habe ich bei den 1. Tests einige Probleme gehabt. Werde das nochmals weiter testen. Aber vermutlich auch das hintereinanderschalten mehrerer dieser TPs wird sich ohne weiters nicht so realisieren lassen :/
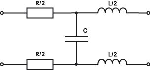
Moin, Um die frequenzabhaengigen Daempfungseigenschaften eines Kabels wieder geradezubuegeln nimmt man cable equalizer; so koennen die prinzipiell aufgebaut werden: https://en.wikipedia.org/wiki/Zobel_network (Dort speziell das Kapitel "Balanced bridged T") Wenn bei dieser Schaltung jetzt L' und 2C vertauscht werden, dann wird sich so eine aehnliche Daempfungs und Phasenverzerrungscharakteristik wie bei einem "echten" Kabel ergeben. Aber natuerlich hat so eine Schaltung nicht die Gruppenlaufzeit wie ein echtes Kabel, sondern nur die Aenderung der Gruppenlaufzeit ueber die Frequenz kann angenaehrt werden. Gruss WK
Bitte melde dich an um einen Beitrag zu schreiben. Anmeldung ist kostenlos und dauert nur eine Minute.
Bestehender Account
Schon ein Account bei Google/GoogleMail? Keine Anmeldung erforderlich!
Mit Google-Account einloggen
Mit Google-Account einloggen
Noch kein Account? Hier anmelden.
