Ich habe eine ganz simple Zählschaltung mit einem CD40103 8-bit-Zähler auf einem Steckboard zusammengesteckt. Schaltung ist dem Datenblatt entnommen. Als Eingangstakt habe ich einen Taktgenerator mit einem NE555 mit 1 Hz zusammengebastelt - der funzt klaglos. Zur Zählschaltung: Alle 8 Programmiereingänge auf Null, ebenso Pin 3 (CarryIn/Counter Enable) und Pin 8 (GND); auf +5V liegen Pin2 (CLR),9 (Asynch. Preset Enable), 15 (Synch. Preset En.) sowie 16 (+VCC). Den Takt habe ich auf 1 gelegt (CLK) und an 14 erwarte ich jetzt eigentlich das Ausgangssignal. Absolut nix passiert. Ich habe nun schon ICs aus verschiedenen Chargen benutzt und z.B. auch einen 74HC40103 versucht. Alles umsonst, der Zähler zählt nix. Laut Oszi liegt ein wunderschöner Eingangstakt an, den habe ich auch schon durch 1 bzw. 2 NAND-Gatter geschickt (also einfach bzw. doppelt negiert, einfach um zu sehen, dass der Pegel in Ordnung ist) bevor ich es dem 40103 angeboten habe. Hat irgendwer eine Idee, was ich evtl. falsch gemacht habe?
> Hat irgendwer eine Idee, was ich evtl. falsch gemacht habe?
Kein Schema, kein Bild.
Das IST in dieser Situation essentiell um helfen zu können. Klingt doof,
ist aber so.
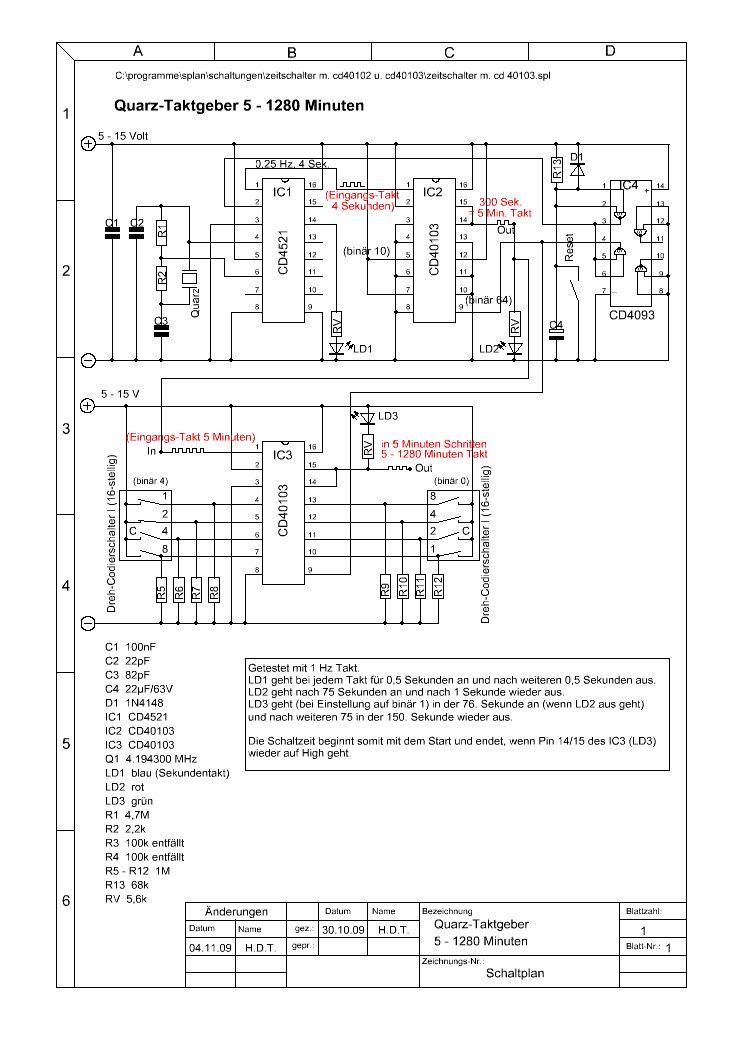
Vielen Dank für die schnelle Antwort. Linkes Board: Taktgeber mit NE555. Rechtes Board oben: noch nicht benutzte BCD-Schalter. Mitte: CD40103-Schaltung. Unten: NAND-Gatter (CD4093)
Fragomat schrieb: > Kein Schema, kein Bild. Das waren vielleicht die falschen Begriffe. Fragomat mein sicher einen Schaltplan
Kein Problem: Die untere Schaltung entspricht der aus dem Datenblatt.
Jürgen H. schrieb: > Die untere Schaltung entspricht der aus dem Datenblatt. Glaube ich nicht. Auf dem Photo vom Steckbrett sieht es so aus, als ob Pin 11 vom Zähler in der Luft hängt.
@Erste Hilfe: Danke für den Tipp. War es aber leider nicht.
@Wolfgang: Ist auf dem Bild schlecht zu erkennen - es gibt eine Brücke von der 11 zur 12, also ebenfalls auf Masse. Wie auch zw. 6 und 5.
Sehe ich das richtig, es dauert bis zu 255 s, bis sich an Pin 15 etwas tut?
Hi! Wo sind die Stützkondensatoren? Ohne diese, macht die Schaltung irgendwas...
noch ein Tip: jeweils 100NF für die Versorgungsspannung ganz nah an die ICs. Grade bei einem fliegenden Aufbau wird das sonst nicht funktionieren.
Setze ich da einen C zw. Pin 16 und +5V? Oder noch mehr bzw. anders? Sorry, ich bin blutiger Amateur.
Immer zwischen positiver Versorgungsspannung und GND. Also zwischen Pin 16(+VCC) und 8(GND) wichtig ist, dass der Kondensator möglichst dicht am IC sitzt.
Leute Ihr seid Spitze! Erst mal 1000 Dank, ich teste umgehend...
Jürgen H. schrieb: > Setze ich da einen C zw. Pin 16 und +5V? Nein -der muß zwischen Anschluß 8 (GND) und 16 (+Ub), praktisch parallel zu den Versorgungsanschlüssen des Schaltkreises. Jürgen H. schrieb: > Sorry, ich bin blutiger Amateur. Wisch Dir doch erst mal das Blut ab -Du saust ja das ganze Steckbrett ein. Was denkst Du, was Deine Frau Dir erzählt... :) -Feldkurat-
> Nein, es tut sich auch nach 255 Takten nix. An Pin14!? (Ich schrieb fälschlicherweise 15) - Mit dem Oszilloskop festgestellt oder mit der LED? Übrigens ist diese nicht wie im Schaltplan beschaltet, dort hängt sie an + und per Widerstand an den verbundenen Pin14&15, im Aufbau jedoch an GND, und wohin der Widerstand geht, kann ich nicht erkennen.
Hallo bei der einfachen und relativ unkritischen Schaltung noch keine so große Sache aber: Diese Steckboards allgemein sind nicht unbedingt als optimal zu bezeichnen - schnell mal schlechte Kontakte, lange Leitungen, oft bescheidene Qualität sind Fallen die auch alte schon öfter zur Verzweiflung gebracht haben, denn leider sind, besonders schlechte Kontakte, oft sehr versteckt und nicht so einfach zu bemerken man sieht diese nur sehr selten und die Leitungen und Bauteile sind auch bei schlechten Kontakten nur selten mechanisch wackelig. Es ist nicht einfach gute Steckboards zu bekommen und diese auch zu erkennen - nicht umsonst sind "professionelle" Steckbords "richtig" teuer und auch aufwendig aufgebaut - und selbst bei diesen ist bei "hohen" Frequenzen aus physikalischen Gründen schnell Schluss. Das Gemeine ist das es oft keinen "Es funktioniert - Es funktioniert nicht" Zustand gibt sondern irgendwelche schwer zu erkennbare Fehlfunktionen die auch von irgendwo anders herstammen können. Und besonders nervig wenn es mal funktioniert und mal nicht und das gefühlt abhängig vom Wochentag, den Luftdruck und der Schuhgröße ist ;-) Die zuverlässigste, aber auch aufwendigste Methode ist und bleibt das Löten auf einer geeigneten Platine - eine Lochrasterplatine meist aus. Tatsache ist aber auch das bei verdrahtungsfehlern der Aufwand und Frustfaktor bei einer Lochrasterplatine schnell steigt. Praktiker
Praktiker schrieb: > Die zuverlässigste, aber auch aufwendigste Methode ist und bleibt das > Löten auf einer geeigneten Platine - eine Lochrasterplatine reicht aus. Damit es nicht ganz so knibbelig ist, benutze ich das 5,04mm Rastermaß und die Lötpads können sogar noch als Lötinseln für Knotenpunkte verwendet werden. 16 polige IC-Lötpads sollten aber zusätzlich auch noch vorhanden sein.
Super Tipps vom Praktiker, vielen Dank! Werde ich mir besorgen solche Rasterplatinen! Jetzt bin ich soweit, dass die Schaltung nach einer nicht vorauszusagenden Zeit beginnt, genau das zu tun was sie soll. Könnte es sein, dass man den Zähler bspw. an einem der beiden Preset-Pins starten muss, damit er seine Eingänge ab diesem Zeitpunkt runter taktet? Da bräuchte ich ja sicher sowas wie eine Einschaltverzögerung?
Hi Läuft schon was? Wenn ich das Steckbrett richtig sehe: 'Beinchen' am unteren IC - 1-2-4 hängen zusammen in der Luft - 10, 11 unbeschaltet Die fehlenden Abblock-Kondensatoren wurden bereits genannt, ein kleiner Elko auf der +/- Schiene schadet nicht, muß aber nicht. MfG
Jürgen H. schrieb: > Ich habe eine ganz simple Zählschaltung mit einem CD40103 8-bit-Zähler > auf einem Steckboard zusammengesteckt. Nicht so toll. Steckboards sind notorisch unzuverlässig. > Zur Zählschaltung: (Prosa) Ein Schaltplan wäre wesentlich hilfreicher gewesen. Außerdem vermisse ich den obligatorischen Abblockkondensator zwischen Vcc und GND. Ansonsten scheint die Beschaltung korrekt zu sein um den Zähler abwärts zählen zu lassen. > Den Takt habe ich auf 1 gelegt (CLK) und an 14 erwarte ich jetzt > eigentlich das Ausgangssignal. Wieso eigentlich das Ausgangssignal? Das ist ein 8-Bit Binärzähler und der hat 8 Ausgänge, die den Zählerstand anzeigen. Pin 14 ist Carry-Out. Der ist für 255 von 256 möglichen Zählerständen auf H und geht nur für einen Zählerstand auf L. Hast du dir das Timingdiagramm im Datenblatt überhaupt man angeschaut? Vermutlich hast du den Signalwechsel (nach 255 Sekunden) einfach verpennt? > Hat irgendwer eine Idee, was ich evtl. falsch gemacht habe? Halte deinen Oszi doch mal an die Zählerausgänge.
Patrick J. schrieb: > - 1-2-4 hängen zusammen in der Luft 2 Eingänge, die an einem Ausgang hängen, ist doch ok.
Hi Wolfgang schrieb: > Ausgänge dürfen in der Luft hängen. Meine Annahme begründet sich darauf, daß laut dem hochgeladenen Schaltplan die Pinne als 'Schalter mit PullDown' verdrahtet sind - als Ausgänge ergeben Diese keinen höheren Sinn?!? Aber ok, wenn hier Eingänge fest auf Ausgängen liegen bzw. Ausgänge nicht weiter beschaltet sind, habe ich keine Einwände ;) (und nein, ich werde nicht das Datenblatt zu dem IC querlesen) MfG
Euch allen noch mal vielen Dank für die zahlreichen Hinweise. Ich habe jetzt den unteren IC wieder rausgeworfen. Schaltung läuft nach langer Zeit los und zählt dann perfekt. Muss mich mal mit dem Preset auseinander setzen.
Bitte melde dich an um einen Beitrag zu schreiben. Anmeldung ist kostenlos und dauert nur eine Minute.
Bestehender Account
Schon ein Account bei Google/GoogleMail? Keine Anmeldung erforderlich!
Mit Google-Account einloggen
Mit Google-Account einloggen
Noch kein Account? Hier anmelden.




